Fórum témák
» Több friss téma |
Meres javasolt menete: 230 Volt be, osszes futes. Anod fesz. Plusz minusz 15 Volt. Minusz 55 Volt. Ha ez mind megvan, akkor a vegcsoveknel: 2-es lab, minusz par voltnak kell lennie es allithatonak a potival. A legkisebb minusz erteken a cso elvileg lezar. Segitene az ugyon meg egy oszcilloszkop es egy hangenerator. Ha az elofok jo, az a szkopon latszik. A vegfokot meg meg lehet hajtani hanggeneratorral es ha melegedes utan lesovanyodik a hang, nagy esellyel izzanak a csovek anodjai, akkor az elofesz nem jo. Az latszik mert piros mint a cseresznye. Jo munkat!
A hozzászólás módosítva: Márc 30, 2025
De ettol meg lehet sima kontakt hiba a a 6,3-as jacknel ... Majd tegyel fel legyszi par fotot a belerol, kivancsi vagyok, hogy nez ki.
A hozzászólás módosítva: Márc 30, 2025
Köszi szépen a mérés menetét, holnap teszek fel képeket.
Kimértem mindent, fűtés, anód fesz, + - 15v, - 55v, 2 es láb, összes elkót, kimenőt, jack aljzatokat, minden jó, megcseréltem a két végfok csövet és a két előfok csövet egymás közt, újra mértem és minden jó, tehát marad a csövek cseréje.
A képek valahogy lemaradtak.
Tok jo ez a holmi. Megerne egy klonozast. Van esely hogy nyak oldalrol csinalj egy jo minosegu fotot? Koszi. A munkapontokat nezd meg ha uj csovek vannak, Lehet, hogy tenyleg gazosak mar a regiek.
Szia! Mi elött vennél új csöveket vedd ki a mostaniakat, majd dugd vissza. Ismételd meg párszor, aztán próba. Elő szokott fordulni a cső foglalttal Hogy melegedés kor kontakt hibás lesz.
Köszi szépen, ez volt az első lépés, mielőtt elkezdtem méregetni.
A gitár kombó, kb 20 éves és még az eredeti csövek voltak benne, a végcsövek élettartama 4 - 6 év, az előcsöveké pedig 3 - 4 év, megérett a cserére. A csövek cseréje után, tökéletesen működik. A hozzászólás módosítva: Ápr 3, 2025
Köszi szépen a segítséget, itt a kép a nyák oldalról.
Peavey Valve King 100Tisztelt Kollegak!Tegnap vegul sikerult megjavitani a Peavey VK100 csoves fejet. A problema onnan indult, hogy vetel utan elso bekapcsolaskor le fel nyomtam a ki-be kapcsolot. Azonnal lehalt a gep. Kiderult, hogy a vegfok csovek futese egyenaramrol megy. A bizttit kiverte. Itt a tervezo 1 Amperes diodakat tervezett be, amelyek zarlatosak lettek. Latszott, hogy valaki mar javitotta. Szoval vettem bele 3 Amperes diodakat, Bele tettem egy biztositek foglalatot. Kicsereltem, a diodakat es immar a biztositekot ami fix bizti volt, es elsore megszolalt a masina. Vettem bele 4 uj csovet is, de nem indokolt, a regivel is hatalmas hangero van es jol szol, szoval egyelore maradnak.
Azt nezem, hogy nyak alapjan, ha valai kuzd vele, lehet csinalni 50 wattos csoves kompo elektronikat, a vegcsovek kivaltasaval. Jol szol amugy a masina?
Ha 50 wattosat akarsz, akkor el 34 - es csövek kellenek, de akkor kimenőt is kell cserélni, mert más a primer illesztő impedanciája.
A kombó, épp az én hangzásvilágomnak megfelelően szól, nekem tökéletes, a hangerőt félig feltekerve, lefedi a dobokat és a basszus gitárt.
Ez nem kerdes. 6l& vagy Pl500 valami hasonlo kellene a vegebe. Nekem azert tetszik, mert egy nyakra meg van epitve az egesz. Hasznald orommel, egyebkent nagyobb power nem is feltetlenul kell.
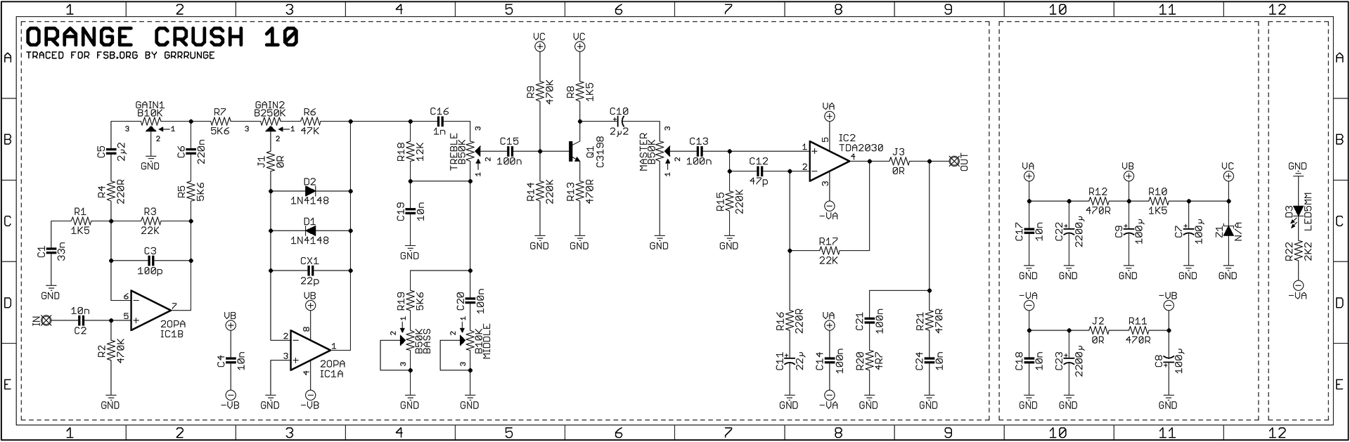
Orange CR10, előfok kimenet készítéseSziasztok.Van egy gitárkombóm, Orange CR10, kacsolási rajza is meg van (lent . Erre kellene egy előfok utáni kimenet, hogy interfészbe, további erősítőbe csak a végfok előtti jelet tudjam küldeni. 2030-as vége van. Az inerfész illesztése kvázi lényegtelen mind nagy, kis impedanciás bemenet rendelkezésre áll, di box is. Tehát csak egy 'overdrive pedálként' szeretném rögzíteni, hangszórója természetesen lekötve lenne. Fejhallgató kimenet nem játszik. Honnan lenne érdemes a jelet küldeni? A MASTER poti 2 es lábról+gnd, vagy a 2030 as 1+2 bemenetéről? A lényeg az lenne hogy használható legyen szinte pedál helyett. Bocs a láma kérdésért még mindíg rettentő amarőr vagyok A hozzászólás módosítva: Nov 18, 2025
Szia!
Master poti 3-as láb +GND. Így le lehet halkítani a végfokot, de a jeled megmarad, nagyjából vonalszintű lesz. Ha a torzító után szükséged van a hangerő szabályzóra, akkor a C13-as 100nF master potira menő lábát forraszd ki, és kösd a GND-re. Így a kimeneté a master poti 2-es lába lesz. Én ezt a funkciót rábíznám egy jack aljzatra, vagy kis kapcsolóra. Így bármikor visszaalakítható az eredeti állapot. |
Bejelentkezés
Hirdetés |









