Fórum témák
» Több friss téma |
Fórum » LED-es kivezérlésjelzők
Témaindító: KeserűCukor, idő: Márc 27, 2006
Témakörök:
Hali!
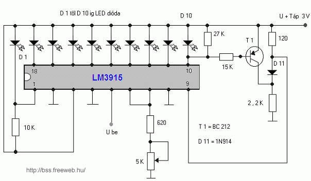
Lenne 2 kapcsolásom is, de nem vagyok teljesen tisztában 1-2 dologgal... Pl: Mennyi az áramfelvétele egy ilyen áramkörnek Ezt az erősítő elé v után kell kötni? nem csökken a teljesítmény? Látam 2 megoldást is: LM3915 +lineáris +egyszerű -drága ![]() UAA180 -olcsó +12led -logaritmikus Vélemények?
Nos nemtudom mit értesz olcsó és drága között, de a két ic között 60ft eltérés van. Ha ebbe beleveszed a két led árát, akkor kérdéses melyik olcsóbb.
Az áramfelvétele kb 20ma és 220ma között változhat az lm3915-nek az uaa180 nak max 260ma max. Az egész áramkörnek, ha világítanak a ledek.Tehát ez nem annyira vészes. Ha jól sejtem hangerőt kellene kijeleznie, márpedig az emberi fül hangerőérzékenysége is logaritmusos, ezért lehet, hogy az uaa180 lenne a jobb, másfelől lehet, hogy a fölső 2 led nem világítana, az alsó meg folyton. Másfelől ha jól sandítottam a kapcsrajzot, az lm3915-nek 3v a tápfesze, az adatlapon meg 5v van írva minimumnak
UAA180 280HUF
LM3915 483HUF Elektroart-ban Ez azért nem mindegy... A többivel egyetértek. Mikor meik világít? Also/Felső 2 ![]() Erősítő elé vagy után? mi alapján állítom be? THX
Nem ott néztem, lehet, hogy ott ennyi a különbség.
Először az 1. lábon lévő led kezd el világítani(D1) aztán sorban minél nagyobb az Ube. De lehet, hogy a uaa180-nak nem fog elég nagy feszültség ékezni, hogy kihasználja mind a 12 ledet.
Most akkor melyik a jobb?
Erősítőkben mi van? Mi alapján állítom be maxot?
jah értem...
Kicsi a feszultségváltozás tartománya... Ugye?
LM391x-ből annyit köszt össze amennyit akarsz tehát akár 100 ledes ribizlit is csinálhatsz. És sokkal modernebb mint az UAA180 ami nekem mindíg kipurcant csak úgy magától. És az UAA180-ban nincs belső áramgenerátor ezáltal nem egyforma a ledek fényereje.
Simán párhuzamosítom a ledeket?
Hol nézted 60Ft-os kulonbséggel? Tda2030-hoz kellene, biztos nem jó az UAA180? Annyira gagyi lenne? Szétmegy?
Nekem kétszer elszált anno. Akkor felidegesítettem magam és hagytam az egészet a fracba. Azóta sincs kivezérlés jezőm. Pedig van egy UAA180-om elfekvőben, de lehet hogy jó, lehet hogy nem.
Az már egyértelmű akkor, hogy LM, de lineáris vagy logaritmikus?
Melyik a megszokott? Testet a testre, Ube-re a jelet kötöm ugye?
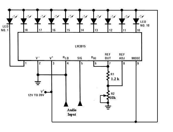
VU-mérőbe logaritmikus kijelzésű a szokásos. Ajánlom, hogy töltsd le az adatlapját az IC-nek és abból sokat megtudsz. www.datasheetarchive.com
Szerintem ez a UAA180-al felépített, amit csatoltál, az egy kicsit túl van bonyolítva(szerintem) tök fölöslegesen! Nem kell tranzisztor se bele...
Köszönöm mindenkinek!
Most kit kell(ene) elfogadnom megoldásnka?
Aki a legtöbbet segített.
Ha töbet is szeretnél megoldónak elfogadni (többnek is adni a pontot), akkor írd meg, megcsináljuk!
Beírom az első hármat, aztán majd szerintem úgyis bíráljátok
1. eSDi 2. tszaboo 3. szabi83 Mégegyszer köszönöm!
én adtam komplet doksit + nyákot :worship:
:worship: mérv adó nem ? :worship: de nem csak én segítettem
nekem még nincs pontom, és a lomexben láttam a különbséget.
Kösz a pontra jelölést!
Hát ja...
Te is minimum megérdemelnél 1-et. Plusz egyet TDA-nál is... Meg egyet a hülye amatőr kérdéseimért... ![]()
És ez?
Nagyon egyszerű? Melyiket érdemes? A másik sokkal drágább, de....
5leteket légyszi!
Melyiket? Miért?
Szewa!
A LM3915 vonalkijelzésű, 10ledes; az AN6884 5 ledes és pontkijelzésű, bár az adatlapja alapján inkább vonalkijelzésűnek tűnik az is... hogy melyiket válaszd? igazából leegyszerűsíthetjük a kérdést arra, hogy 5 vagy 10 ledes kivezérlésjelzőt akarsz csinálni? - bár most utánanéztem, és az an6884 beszerzhetetlennek tűnik. 5 ledes kivezérlésjelzőt még tranzisztorokból is össze lehet dobni.
hi
nekem lehet van ithhon, ha még nem dobtam ki ! udv.. |
Bejelentkezés
Hirdetés |


















