Fórum témák

» Több friss téma
Fórum » LM1036 sztereo hangszínszabályzó áramkör
Lapozás: OK   2 / 91
(#) szabi83 válasza KeserűCukor hozzászólására (») Máj 29, 2006 /
 
vegyük elő az adatlapot akkor, én az alapján csinálom, mert még nincs kész
amugy most én is -be estem

tatabike: a poti melyik lába van a GND-n??
(#) PCB válasza szabi83 hozzászólására (») Máj 29, 2006 /
 
Ez már a második LM1036 -al foglalkozó topik amiben még mindig bonyolítjátok a bekötéseket, pedig egyszerű mint a faék
(#) creative válasza PCB hozzászólására (») Máj 30, 2006 /
 
Hello

Látom nem nyerte el a tetszést az én megoldásom pedig szerintem ez a legjobb mivel elsore en is forditva kotottem be a potikat csinaltam nekik egy kulonallo panelt igy ha elcsesztem egyszeruen megforgatom a ket szelso kabelt de ahogy erzitek ez bevált és mukodik de lehet probálkozni nem arrol van szó
(#) tatabike válasza szabi83 hozzászólására (») Máj 30, 2006 /
 
Én fixre kötöttem a loudnesst, bekapcsolt állapotban. Sokkal szellősebb, térhatásúbb a hang, és jobban el is különülnek a mély/magas hangok egymástól, melegebb a hangzás. Loudness nélkül nagyon száraz, kopogós érzetem volt a hangjával kapcsolatban.
(#) Krajcsooo válasza tatabike hozzászólására (») Máj 31, 2006 /
 
Hello!
Mennék alkatrészt venni az áramkörhöz, de ott elakadtam hogy a kimeneti kondik (az LM1036N 5ös és 13as lábára kötöttek) mekkorák? Vagy ez nem fix, tehát függ valamitől? Ha ez segít: 2x70W-os erősítő elé kellene az áramkör. (Csak azért értetlenkedek mert a kapcsolási rajzon nincs feltüntetve érték)
(#) vicsys válasza Krajcsooo hozzászólására (») Máj 31, 2006 /
 
1µF tól 10µF-ig lehet bármilyen (én 4,7µF-ot javaslok)

Jó hírem van a panelgondokkal küzködőknek:
[link=http://es.geocities.com/allcircuits/ampli50w2.htm]http://es.geocities.com/allcircuits/ampli50w2.htm[/link]
Igaz van egy végfokfok is, de ez ajándék...
(#) szabi83 válasza vicsys hozzászólására (») Máj 31, 2006 /
 
nekem nem jönn be semmi hasznos oldal
(#) szabi83 válasza szabi83 hozzászólására (») Máj 31, 2006 /
 
érdekes dolog
gugliba rákerestem ott katantam rá akkor van rajta cucc

(#) tatabike válasza szabi83 hozzászólására (») Máj 31, 2006 /
 
Szabi kérésére lefotóztam az én, tökéletesen működő LM1036N és NE5532-es előerősítőmet. Nem tudom, segít-e valamit, remélem igen...

tatabike
(#) creative válasza Krajcsooo hozzászólására (») Máj 31, 2006 /
 
Krajcsooo

Nézd már meg hogy mit tettem fel a rajzoknál ott ottvan hogy 10uF de látom kitettem a pontos infokat mégse figyel oda senki akkor minek dolgozok mi?
(#) vicsys válasza szabi83 hozzászólására (») Máj 31, 2006 /
 
//users.atw.hu/vicsys/lm.zip
felraktam ide a weblap másolatát, zippelve.
(#) szabi83 válasza vicsys hozzászólására (») Máj 31, 2006 /
 
köszi,de gugli segítségével bejött..
(#) szabi83 válasza szabi83 hozzászólására (») Jún 3, 2006 /
 
nincs meg valakinek az urbános nyák szebb kivitelben
(#) szabi83 válasza szabi83 hozzászólására (») Jún 3, 2006 /
 
nah úgy láccik nekem kell ezt is megcsinálni
(#) szabi83 válasza szabi83 hozzászólására (») Jún 4, 2006 /
 
:rinya:
(#) vicsys válasza szabi83 hozzászólására (») Jún 4, 2006 /
 
Menni fog az neked!
(#) szabi83 válasza vicsys hozzászólására (») Jún 4, 2006 /
 
tudom, de úgy kényelmessebb lett volna, de mivel 1-2 ellenállás nincs hozzá amugysem így keddig meg lesz úgy érzem
(#) KeserűCukor válasza szabi83 hozzászólására (») Jún 5, 2006 /
 
Hm.. hm..
Nekem csak az a gondom, hogy néhány kondiból csak elkot kaptam, de a kapcsin polarizálatlan van...
Nem az a gáz, hogy nem tudom, hogyan kell betenni, hanem hogy ez okozhat-e valami gubancot?
Tehát hangminőség romlása, esetleg az IC bántja ?
THX:
---ZoLee---
(#) tatabike válasza KeserűCukor hozzászólására (») Jún 6, 2006 /
 
Hidegítésre meg zavarszűrésre nem valami jó az elko szerintem. Baja nem lesz az IC-nek, de én azért felhajtanék hozzávaló kondikat.
(#) tatabike válasza szabi83 hozzászólására (») Jún 6, 2006 /
 
Ha már itt tartunk, nézegettem egy EQ IC-t, TDA7317, nem tud Hozzá valaki rajzot? Adatlapján nem értem, hogyan kötöm ki a potikat...
(#) szabi83 válasza tatabike hozzászólására (») Jún 6, 2006 /
 
ehhez az ic-hez nem kell poti , mivel digitális szabályzású(i2c), ehhez PIC kell :yes:
(#) tatabike válasza szabi83 hozzászólására (») Jún 6, 2006 /
 
Köszi Szabi, akkor ez nem nyert... túl régimódi vagyok én a PIC-hez, már az IC-zés is vegyes érzelmeket kelt bennem....:vigyor4:
(#) szabi83 válasza tatabike hozzászólására (») Jún 6, 2006 /
 
ha potis kell akkor: BA3822LS, ez sztereo 5 sávos az ic 300ft kb
(#) tatabike válasza szabi83 hozzászólására (») Jún 6, 2006 /
 
Köszi, még jó, hogy itt vagy...
(#) szabi83 válasza tatabike hozzászólására (») Jún 6, 2006 /
 
nm, "itt vagyok" ide sodort az ár :worship:
(#) szabi83 válasza szabi83 hozzászólására (») Jún 7, 2006 /
 
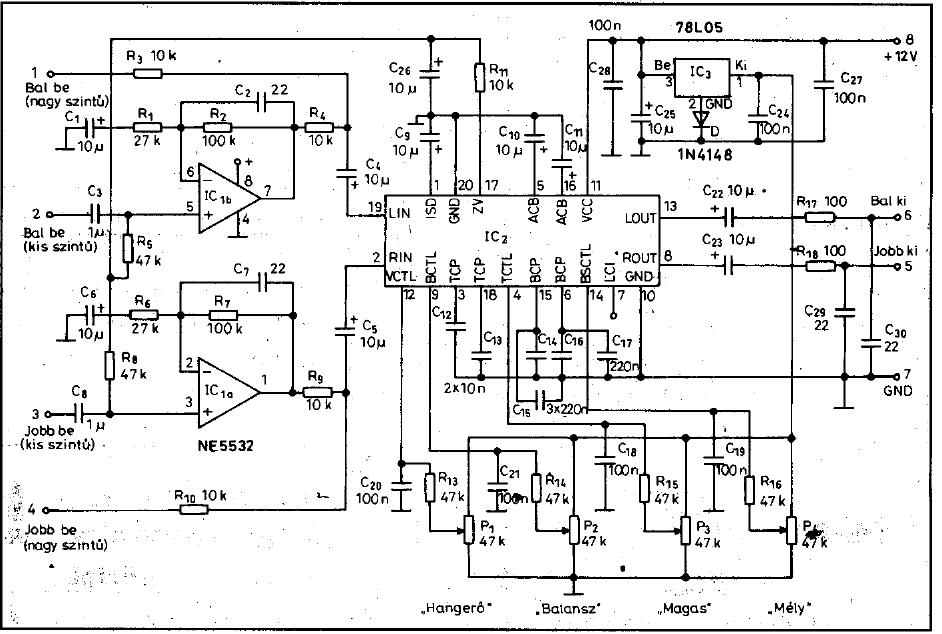
majdnem 1 órája keresem az R12 -s ellenállást, de nincs is olyan vazz, Urbán P-i féle rajzon..

lm1036.jpg
    
(#) vicsys válasza szabi83 hozzászólására (») Jún 8, 2006 /
 
Tényleg nincs...
:bohoc:
(nem baj...)
(#) szabi83 válasza vicsys hozzászólására (») Jún 8, 2006 /
 
:yes:
(#) tatabike válasza szabi83 hozzászólására (») Jún 8, 2006 /
 
Bakter, én sem találtam... Amúgy ezt építed meg? Szerintem nagyon jó, nekem is hasonló van, NE5532-vel, csak nekem nincs magas/alacsony bemenet, csak egyféle. Nekem pöccre működött, csak nem bírta a LINE jelet, kellett elé egy fesz-osztó, mostmár tökéletes. Arról raktam fel a képeket...
(#) szabi83 válasza tatabike hozzászólására (») Jún 8, 2006 /
 
aha, igen Urbán félét csináltam meg nem lett nagy a nyák így sem! bár ez már alaplap
vumeter, lm1036,2 stab kocka hangfal védelem 1 panelen lesz
Következő: »»   2 / 91
Bejelentkezés

Belépés

Hirdetés
XDT.hu
Az oldalon sütiket használunk a helyes működéshez. Bővebb információt az adatvédelmi szabályzatban olvashatsz. Megértettem