Fórum témák
» Több friss téma |
Sziasztok,
Lenne egy kérdésem: az alábbi linken lévő cuccról van valakinek tapasztalata? http://www.hestore.hu/termek_10027666.html Esetleg valaki már próbálta, tudja milyen kapcsolási rajz van benne? Működő képes egyálltalán? P.
Biztosan működik csak egy kérdés maradt a mire használnád ? Vissza álitanád vele a sláger rádiót?XDXD
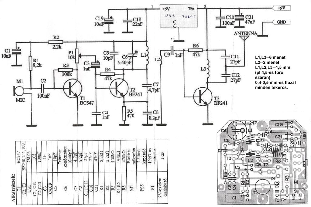
Heló én is vettem egy ilyen adót müködik kb 150 méterig tudom fogni.Ha veszel arra vigyázz hogy a leirásban felcserélték valamelyik tekercset. Ha kell megirom pontosan, hogy melyik tekecset cserélték fel.
Köszi,
Igen úgy nézz ki fogok venni, ha Pesten járok! Ha megtennéd akkor írd már le! THX!
Köszi, és melyik tekercset scerélték fel?
Ha megveszem a "készlethez" jár NYÁK is vagy csak a rajza? Köszi amúgy!
Ha érdekel,adok rajzot.Te is meg tudod építeni azt,ami garantáltan működik is.(Én már megépítettem többször.)
Küldheted!
![]() De ha megvenném akkor NYÁK-ot is kapok hozzá vagy csak a rajzott mellékelnek? P.
Passz. Mindenesetre a nyák primitív ami kell hozzá.Akár Edtiting nyákrajzoló filctollal is meg lehet rajzolni gyorsan.A penel méretei meg tőled függnek,meg a doboztól amibe be akarod építeni.
Heló a tekercs adatokat javitottam és igen mindent adnak hozá(nyák,öszzes alkatrész,doboz,tekercselő huzal, minden)
Megnéztem a mellékelt rajzot,és hát ennél van sokkal egyszerűbb megoldás is. Itt a csatoló tekercsen rendesen el lehet hasalni.
Igazából nem is értem,hogy miért kell bonyolítani azzal az L1,L2-vel.
Sziasztok,
"mikrosilver" - hol javitottad a tekercseket, nem láttom!? ![]() Azt tudni kell rólam, hogy kezdő vagyok semmilyen tudást nem kaptam senkitől, amit tudok azt mind magamtól ill. internet segítésgével értem el meg a saját tapasztalataimból adódnak és nincs akitől kérdezgessek! Azért is zaklatlak titeket, Universalis- nyákba már tettem egy két dolgot meg csináltam egyszerűbb kapcsolásokat, nagyábból képbe vagyok, de ha megveszem ezt a KIT-et ("poloskát") amihez kapok NYÁK-ot meg mindent, valami amit tudni kell a beültetés során, javaslat, hogy mivel kezdjem, mire figyeljek, sorrend, mit ne melegítsek nagyon túl... stb ? VAN? Kösz előre mindenkinek!
Jobb lenne ha a T3 tranzisztor is stabil 5V ról működne.
Gerjedések erős felharmonikusok elkerülése végett.
Heló Bővebben: Link ebben linkben benne van minden helyes adat
volt felcserélve tekecs adat de kijavitottam! A képen is javitva van! Amit küldtem! A csomagban benne van minden alkatrész csak be kel ültetni a nyákba forrasztani és kész nekem még müködik is.
Heló én anyira nem értek hozzá de anyi bizonyos ,hogy az általam épitett adók nem voltak enyire stabilak mint ez.(ez is mászik egy kicsit de nem anyira mint a saját épitésü)
Köszi szépen!
Sziasztok!
Nemrég kezdtem el foglalkozni az elektronikával, már túl vagyok az Electronics for Dummies könyvön. Tudom, hogy még korai, de mint a programozással annó, most is úgy szeretnék megismerkedni az elektronikával, hogy a közepébe vetem magam. Tehát: Most fog kijönni a Star Trek Online nevű játék, amihez a csomagban jár egy Star Trek Commbadge. Mivel haverommal eléggé Trekkiek vagyunk, jött az ötlet, hogy építhetnénk egy működő comm badge -et. Arra jutottam, hogy kell egy Transmitter rész, és egy Reciever rész egymás frekvenciájára állítva. Hátha már itt megáll a kérdés, de a HEStoreban található következő RF transmitter/recieverek alkalmasak hang továbbitására? HM-R868S Miniature RF Receiver HM-T868S Miniature RF Transmitter Ha sejtésem beigazolódik és nem, akkor ahhoz szeretnék segítséget kérni, hogy a topicban említett poloskák közül melyik az ami apró elemről tud min. 20 max 100 méterre sugározni, és emellé mia legkisebb FM (vagy bármilyen tartománysáv) reciever amit meg lehet építeni? Magának a felületének kell csak a badge mögé nagyjából férnie, a vastagságának pedig nem kéne meghaladnia a 2cm-ert. A badge nagyjából 6x4 cm, de mivel nem kocka alakú, itt kezdődnek a nehézségek. A kommunikáció elég ha 2 irányú. Szívem szerint új postot kezdtem volna, de még nem vagyok 2 hete beregisztrálva, és ez tűnt a legmegfelelőbb helynek. Így ha egy moderátor áthelyezi, annál jobb, mert reménykedem, hogy a segítségetekkel amolyan Projectszerúen meg tudnánk oldania dolgot. Annak aki esetleg nem tudnál miről van szó mellékelek egy képet. Akit jobban érdekel a Project és szívesen segítene, az megkereshet e-mailben ***@***.*** És onnantól akár Google Wave-en is kollaborálhatunk (ha nincs, nekem még rengeteg meghívom van) Köszönettel, Krisztián Légy szíves, kerüld a felesleges sorközöket, és az e-mail címed soha ne írd ki nyilvánosan, mert a keresőbotok kiszúrják, és elözönli a postafiókod a spam. E célra ott az adatlap, azon megtalálja, aki keresi. Kösz: Frankye
Üdv!
Ezek a modulok, nem hang, hanem adatátvitelre valók. Nem tudom mi a játék lényege, de ha kommunikálni kell két játékos között, (ha számítógépes játék akkor miért szükséges feltétlenül vezetéknélküli ök) akkor ajánlom, hogy vegyetek üzletben egy pár olcsó PMR készüléket, azt kis ügyességgel "átdobozolhatjátok" a játékotokba. Máskülönben a rádiótechnika, nem az elektronika kezdő szintje, még csak nem is a közepe. Igen erősen a boldogabbik végén van.
Magához játékhoz semmi köze, ez csak amolyan walkie talkie jellege lenne, csak a filmben használatos módon, de ránézek ezekre, a PMR készülékekre.
Üdv!
Énis kezdő vagyok akárcsak te. Nagyon szépen és részletesen kitapostad a kezdők számára a poloska építés ösvényét. Végig követtem a kérdéseidet és a rá érkező válaszokat. Úgy döntöttem énis szeretném megépíteni azt a kapcsolást amivel te próbálkoztál. Kérdésem: Neked sikerült megépíteni? Mert láttam hogy belinkeltél egy fm adó kit-et a HeStoreról, mintha lemondtál volna az elözőről. És ha sikerült jóminőségű hangot ad? és milyen messze ad jelet? Amúgy én 3 kit-et vettem HeStore-ból és mindent adnak hozzá, nyáklapot, alkatrészeket, leírást. Nem akarom reklámozni/becsmérelni, nekem tetszik, csak az egyiknél cseréltek fel egy ellenállást, de megoldottam.
Üdv, megint!
Az lenne a kérdésem, hogy nem lehetne esetleg valahogy összezsugorítani az antennát? Olvastam hogy sokan csak 6-,8-10 cm-es antennát használtak, a Skori-féle urh adónál is rövidebb az antenna, mint amit ajátlottak 75 cm. Szétszedtem egy régebbi nokia telefont, és az antennája csak 3 centis volt, de valami nagyon bonyolult szerkezet volt benne. Kérdésem: Nem lehetne valahogy összezsugorítani az antennát? vagy miaz a minimális méret aminél még viszonylag messzire megy érthető minőségű hang?
Az antenna egy olyan bonyolult szerkezet, ami az elektromos energiát elektromágneses hullámmá alakítja - és vissza. A mérete egy nagyságrendbe esik, vagy nagyobb, mint az a hullámhossz, amin üzemel. 100 MHz-hez 3 m-es hullámhossz tartozik. A 75 cm-es huzalt fel lehet tekerni, de akkor a hatásfok csökken.
A zsebtelefonok frekvenciája 10-20-szor magasabb, mint a CCIR URH FM sávé, tehát ennyiszer kisebb antenna elég hozzájuk. Bonyolultságának az is oka, hogy többsávos.
Kicsit másképp megközelítve:
hulláhossz=fénysebesség/frekvencia Ha az antenna hossza pont a hullámhossz negyedrésze (vagy ennek egész számú többszöröse) akkor az adott frekvencián ohmos ellenállásként viselkedik, vagyis teljesítményt vesz fel és kisugározza. Ha az antenna rövidebb mint 1/4hullámhossz, akkor kapacitív jellegű lesz, ami bizonyos ésszerű határokon belül még "kihangolható" pl. soros induktivitással, hogy az eredő impedancia ismét közel ohmos jellegű legyen. Az ilyen "rövid antenna" bár használható, de rosszabb jellemzőkkel bír mint a negyedhullámú antenna. A szakzsargonban ezt a soros tekercset szokták "antennahosszabbító tekercsnek" is nevezni, sőt előfordul, hogy az antenna alapból egy hosszú tekercs felépítésű rúd, pl. hogy a kapacítív jellegét valamemnnyire saját maga kompenzálja.
Igen.
Ma a zsebtelefonon, távkapcsolón nem látszik az antenna, és ebből azt a következtetést lehet levonni, hogy az bármilyen kicsi lehet. Másrészt vevőnek elég darab drót, és ebből azt a következtetést lehet levonni, hogy adónak is elegendő. Templomi orgonát sem lehet miniatürizálni ![]() A Maros-B-hez van tekercsantenna, kb. 2 cm átmérőn 4 cm hosszon van feltekerve az 1/4 hullámhossznyi sugárzó. <0 dB nyereségű.>
Üdv!
Ti aztán belemélyedtetek. Szoval ha jól értelmezem az egy megoldás ha feltekerem, de romolhat a hang minősége. Nah majd ezt kikisérletezem. Még mondtátok hogy van Idézet: . Nos nem tudnátok konkrét számokkal leírni,(persze az én szintemen „antennahosszabbító tekercs” ) hogy hogyan lehetne még megoldani az antena rövidítést?
Üdv!
Igen, ebbe a témába nagyon bele lehet mélyedni. Az előttem szólók, még nem is nagyon tették. Minden olyan eszközzel, ami fizikai mennyiséget alakít át, meglehetősen sok probléma van, lásd mikrofon, hangszóró. Ehhez hasonló az antenna kérdés is, és nem igazán specifikusan ehhez a témához tartozik (ehhez is), ezért ha javasolhatnám a téma további boncolgatását az általános antennáskérdések, válaszok oldalon. (esetleg másnak is szüksége lehet ezekre az ismeretekre, CB, PMR, WIFI, FM adó, TVadó, stb. és nem kellene mindenhol külön foglalkozni a témával) Egyébként nem a hangminőség változik az antenna milyenségétől függően, ahhoz ennek semmi köze. Ha pedig számokat akarsz, az nehéz ügy, annyi mindentől függ, hogy nem is gondolnád. Az a darab drót amit antennának neveznek, abban meglehetősen sok munka van, drága műszerekkel, és az utánépítés is elég nagy ismeretet, és gyakorlatot kíván, ezek híján szerencse kérdése.
Idézet: „.....hogy hogyan lehetne még megoldani az antena rövidítést?” A leírt kihangoláson kívül? Pl. csípőfogóval....
Üdv.
Elnézést ha nemjól csináltam. De már nagyon elrugaszkodtunk a kérdésemtől. Meg szeretném építeni ezt a kapcsolást. Azt írja az antenna 8.3 cm legyen. Sokan azt írták, hogy kb 75 cm-nek kell lennie. Most akkor hogyvan ez? Amúgy meg nem merek új témát nyitni, félek a moderátoroktól.
Nahát ez tényleg egyszerű kapcsolás,kár hogy nem sokat ér.Hol van benne a modulátor?Na és az oszcillátor?Hangolni meg nem is lehet,de hát minek is hisz nem ad ez ki rf.jelet.
Üdv!
Ha jól megnézed, minden benne van, amit hiányolsz. Nem egy nagy kapcsolás, de működhet. Az igaz hogy ez nem az általad kedvelt három tranziszisztoros megoldás, de attól még működik. Bár sokat javult a helyesírásod, de még van javítani való. Az előző nikneved alatti hozzászólásaid miatt kapott varn nem volt eég? (ferzoo) |
Bejelentkezés
Hirdetés |










