Fórum témák
» Több friss téma |
hello
köszi ezt majd leellenőrzöm még ...
szuper ...
nem is akartam h fordítson , csak ahogy én terveztem a - ívra akkor fordított volna... +- tápnál köszönöm a segítséget megyek építgetni
Hali
Ez a kapcsolas soha sem fog neked ket szimmetrikus jelet adni, mert az egyik fel erositese nem egyezik meg a masikkal. Neked ket teljesen egyforma erositest kell csinalni, hogy a ket kimenet kozott 180 fok kulonbseg legyen. Kb ahogy a mellekletben lathato. A diagramon ket teljesen megegyezo amplitudoju, de 180 fok fazisu jel talahato. A masik: lehetoleg keruld a Mohm nagysagrendu visszacsatolo elenallasokat, mert a bipolaris erositok bemeneti arama azert nem teljesen zero es ezert jelentos hofok driftet visz be a bemeneti aram hofokfuggese. Valamint a nagy visszacsatolo ellenallas es a szort kapacitasok jelentos fazistolast tudnak produkalni, ami raadasul frekvenciafuggo is. Udv Vili Ps : Meg annyi, hogy lehetoleg kis impedanciarol kell meghajtani a kapcsolast.
Hali
Egy dologra figyelj meg: az OPA kimeneti feszultsege nem tud lemenni 0 voltig. A minimalis kimeneti feszultseg kb. 40 mV. Esetleg lehetne alkalmazni valami rail-2-rail erositot (pl MCP6002) ami szinte teljes tapfesznyi kimeno feszultseget tud. Udv Vili
Szia,
Koszonom Neked is a segitseget es a rajzot, tenyleg rendesek vagytok. Bizony igazad van, ha a frekvencia valtozik akkor neha kisse elmaszik a ket jel, illetve az erosites merteke is aszimetrikus. Holnap nekiugrok ismet es kijavitom ezeket a dolgokat.Kozben hadd kerdezzem meg milyen progit hasznaltal a rajzhoz es a szimulaciohoz?
hello
köszönöm ... Megcsináltam működik :O) Nekem nem kell soha h 0 v legyen rajta ... de köszönöm az infót Még egyszer köszi mindenkinek
TINA. A Texas honlapjarol ingyen letoltheto.
Hello! U=10mV, f=100MHz, ezt szeretném fel erősíteni
1-2V-ra. Melyik Műv. erősítővel tehetem meg? ÜDV!
Sziasztok. Az kellene megoldanom hogy minél kisebb tokozású tranyó vagy fet segítségével +5V jellel kapcsoljam a +11,1V li-polimer feszültségét amivel egy Fet lenne kapcsolva és az pedig a motoromat kapcsolná az Airfost fegyverembe.
Hello!
Használj pld. IRLR024N-es Fet tranyót. Ezek a típusok, logikai szinttel vezérelhetők. (Logic-Level Gate Driver) De mi köze ennek, a műveleti erősítőhöz? :no: üdv! proli007
Üdv
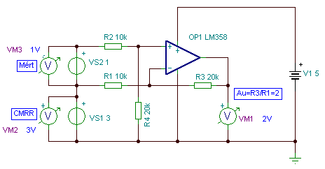
Régen kaptam ezt a rajzot az erősítésről. Kérdésem az lenne, hogyha (lm324N erősítőnél) az IN+-ra egy akku cella (+)-jét IN--ra az akku (-) pólusát kötöm attól az még erősíteni az ellenállásokkal beállított értékkel? Összerakott akkupack sorba kötött celláinak feszültségét szeretném külön-külön megmérni PIC-cel némi erősítés után, anélkül hogy szét kellene bontani. Ugye a problémám az hogy az egyik cella negatív pólusa az a másik cella pozitív pólusa. Köszi.
Hello!
Meg kellene ismerkedni, a műveleti erősítők alapkapcsolásaival. Számodra, a 3.2.4-es kapcsolás a megfelelő.. üdv! proli007
Köszi
Csak az a bajom hogy ez feladatsor és nem magyaráz semmit, hogy mekkora az erősítés stb. Ebben a kapcsolásban ha az IN+-ra akku cella + pólusát (ami egy másik cella negatív pólusa) rákötöm és az IN--ra a cella negatív pólusát (ami a mellette lévő telep pozitív pólusa) rákötöm akkor mekkora lesz az erősítés? Hogyan lehet kiszámolni? Köszi segítséget.
Hello!
Csak azért tettem fel ezt az oldalt, mert itt találtam meg elsőre a kivonó erősítő rajzát. - Ez az áramkör egyben tartalmazza, az invertáló és neminvertáló erősítőt. - Ha az Ub bemenetet a GND-re tesszük, és csak az Ua bemenetet vezéreljük, akkor invertáló erősítőt kapunk. Az erősítés=-(R3/R1). Azért mínusz, mert fázist fordít. - Ha az Ua bemnetet tesszük a GND-re és az Ub bemenetet vezéreljük, akkor neminvertáló erősítőt kapunk. Ebben az esetben, az erősítés=(R3/R1)+1. Láthatóan az erősítés nagyobb mint előző esetben, de Ub bemenetről azért nem nagyobb, mert ilyenkor R2/R4 feszültségosztóként működik és ez csökkenti a bemeneti jelet pont annyira, hogy Ub bemenetről is pont akkora lesz az erősítés, mint Ua bemenetről. Csak ez nem invertál. - Így a két bemenet különbségi jele (..szor az erősítés) jelenik meg az Uki és GND pontok között. - Ha pld. minden ellenállás azonos értékű, akkor az erősítés mind két bemenetről azonos és egyszeres. Az erősítést R3/R1 viszonyával lehet beállítani, de R1-nek R2-vel R3-nak R4-el azonosnak kell lenni. - Az erősítő felhasználja az IC közös módusú (CMRR) elnyomását, így a kimeneti jel kissé mindig pontatlan lesz. A közösmódusú jel elnyomás, csak addig működik, míg a bemeneti feszültség nem lépi túl az IC bemeneti feszültség határát. (pld. ha az erősítés egyszeres, és a tápfeszültség 5V, akkor az IC bementi feszültsége, nem lehet nagyobb mint kb. 0..4V. De mivel a bemeneten R2/R4 2:1 arányú osztó van, így a maximális azonos módusú jel 0..8V. (Közös módusú jelnek azt nevezzük, mikor az Ub és Ub bemenetet összefogjuk, és egyszerre vezéreljük a két bemenetet, a GND-hez képest. Így a bemenetek között a differencia mindig nulla, de a bemenetu feszültségek a GND-hez viszonyítva nő. Így a kimenetnek is nulla feszültséget kellene mutatnia, de a CMRR hiba miatt nem lesz az.) Remélem, így már érthetőbb. Nézd át az invertáló és neminvertáló erősítők jellemzőit, és hasonlítsd össze a kapcsolással.. üdv! proli007
Hello!
Általánosságban +- tápfesz mellett lehet, de ez alkalmazás (kapcsolás) függő dolog. üdv! proli007
Sziasztok,volna 1 kérdésem.Nem tud valaki 1 kapcsolási rajzot KA4558-as IC-hez ?ez is 1 műveleti erősítő.
adatlapját berakom
Hello!
Nem egészen érthető a kérés. "Ez is egy műveleti erősítő" írod, és valóban az. Tehát egy általános használatú eszköz. Tehát szinte bármely általános műveleti erősítős kapcsolás megfelelő számára. Gyakorlatilag a belseje megegyezik a TEXAS TL072-vel, kivéve, hogy a bemenetén PNP tranyó van, nem Fet. A tápfeszültsége, viszont +-22V ellentétben az általános +-18V feszültséggel. Az emelt tápfesz miatt esetleg egyes tápegységekben jobban használható. (Már amennyiben ez a tápfeszültség igény felmerül.) Valaminek az alkalmazhatóságát nem más, mint az eszköz paraméterei és az eszközzel szemben állított igények határozzák meg. üdv!
Sziasztok!
Előfok tervezésében vagyok éppen és tanácsot szeretnék kérni ![]() az lenne a problémám hogy szeretnék egy hangerő/gain szabályzót bele ami 0állásban néma középen 0dB és a legvégén pedíg 15dB meg lehet e ezt oldani vagy csináljak inkább egy külön hangerő szabályzót meg egy olyan erősítőt aminek szabályozható az erősítése? megoldható e ez egybe a leírt módon vagy egyszerűbb külön építanam? előre is köszi!
Hello!
A második megoldás ésszerűbb. Alapvetően egy szintszabályzó és egy ezt követő hangerő szabályzó alkalmazása a célszerű. Így az első fokozat erősítés beállításával a bejövő szintet az erősítő érzékenységéhez állítod (lineáris potit alkalmazva), és a tényleges hangerőt ennek kimenetén állítod egy log-os pitival. üdv! proli007
Sziasztok
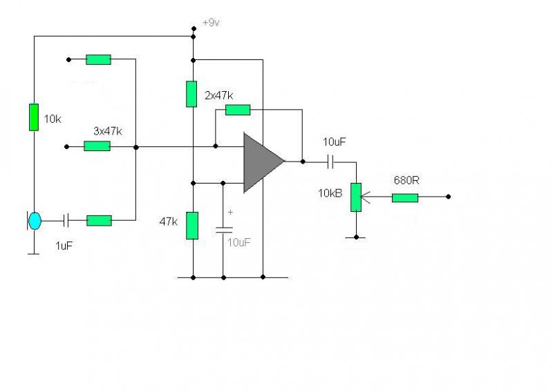
Az lenne a kérdésem, hogy a rajzon látható kapcsoláshoz, milyen típusú IC-t ajánlanátok. Jelenleg TL071-el üzemel, +9v-ról. Ez egy harmonikában van, ezért a mikrofon (electret) kb. maximumra van vezérelve, vagyis az IC elég nagy bemenő feszültséget kap. Persze fontos a dinamika, halk játék közben is kell vennie a részleteket. A TL071-el az a gond, hogy max 1x-es erősítéssel tudom használni, jelenleg nem pont így, hanem invertáló üzemben. Kérdés, hogy a 9v-ról, a rajz szerinti kapcsolással, milyen IC az, amivel még torzítás nélkül, nagyobb kimeneti jelet kapok. Maradjak a fetes bemenetűnél, vagy jobb lenne tranzisztoros típus? Üdv mindenkinek: Süszi
Hello!
Hát ha semmi nem az, ami a rajzon van, akkor miért nem annak tetted fel a rajzát, amit használsz? - Tehát, most az a gond, hogy a TL egyszeres erősítés mellett is túlvezérlődik, vagy nem elég a TL kimeneti feszültsége? - Mert alapvetően a kimeneti jelet, a bemenet CMRR elnyomási tartománya (Input Common Mode Voltage Range), és a kimenet maximális feszültsége (Output Voltage Swing) és természetesen a tápfeszültség nagysága fogja meghatározni. Az adatlap ezeket az adatokat ugyan +-15V tápfeszültségre adja meg, de lehet belőle következtetni. Tehát a kivezérelhetőség a bemeneten plusz irányban elérheti a tápfeszt, negatív irányban (GND) kb. 3V-al elmarad. Tehát a bemenetet, 3V..9V tartományban lehet vezérelni. A kimeneten ez (mondjuk 10kohm terhelés mellett) kb. 1,5V-al marad el a tápoktól, így a kimenet, 1,5V..7,5V között mozoghat. Egyszeres erősítésre nézve, nem léphetjük át egyik határt sem, így a jel 3..7,5V közötti tartományban mozoghat maximálisan. Ez a váltó jel csúcstól csúcs értékére vonatkozik. Ez ki és bemeneten kb. 1,5VRMS értéket jelent. (De a műveleti erősítő egyenáramú munkapontját, nem Ut/2-re (4,5V-ra), hanem 5,2V-ra célszerű megválasztani. Tehát ez a maximális kivezérlés, ahol semmi dinamika tartomány nincs. Ha ennél jobbat akarsz, akkor vagy nagyobb tápfesz, vagy Rail-to-Rail típusú műveleti erősítőre van szükséged. (de egyáltalán a mikrofon képes ekkora jel leadására? Nem torzít az előbb be és azt hallod? üdv! proli007
Hello!
(Közben el kellett mennem..) Ha az erősítő kapcsolásod invertáló módú, akkor jobb a helyzet, mert a bemeneti CMRR tartományt nem kel figyelembe venni, tekintettel arra, hogy a vezérelt bemenet a virtuális földponton van és marad a vezérlés hatására is. De a kimeneti jellemzőket akkor is figyelembe kel venni. Tehát érdemes szkópon megnézni, hogy a túlvezérlés határolása szimmetrikus legyen.. Ha jobban kivezérelhető eszközt szeretnél mint a TL, akkor használj MC33201D IC-t, itt kapható is. De a dinamika tartomány többletet akkor is érdemes szem előtt tartani. üdv! proli007
Köszönöm a válaszokat.
Most fázisfordító kapcsolásban használom a TL071-et. Nekem így is jó lenne, csak a kis kimeneti jelszint miatt szeretnék módosítani. Nincs mindig lehetőség arra, hogy a saját kis keverőnket bekössük a láncba, viszont a vonalszinthez a mostani kapcsolás gyenge. Nem a mikrofon torzít, ha 1x-es, vagy kisebb erősírést állítok be, akkor nincs baj. Ha növelem az erősítést, akkor kezd torzítani. Sajnos ez már 2x-es erősítésnél is hallható. Pedig az elegendő kimenő jelszinthez, ettől nagyobb erősítésre lenne szükség. Ezért tettem be ezt a kapcsolást, hogy ebben az esetben, lehet-e jobb a helyzet. Ez egy gyári harmonikamikrofon rajza, persze több mikrofonnal. Sajnos az IC-t nem tudtam beazonosítani. Ha azt mondod, hogy kell neki a +-15volt, akkor csinálok hozzá olyan tápot. Kérdés, hogy melyik kapcsolással tudok jobb eredményt elérni, invertáló, vagy nem, valamint fetes, vagy bipoláris tranzisztoros legyen az IC bemenete. Köszönöm.
Hello!
- Mekkora nálad, a vonalszintű bemenet? Mert ha 0dB-hez 775mV tartozik, akkor ennek jelenleg is +6dB a kimeneti szintje. De általában vonalszintű kimenet jele szokott 0dB körül lenni. Egy vonalbemenetnek, meg 50..100mV már elég szokott lenni. Én eddig, csak profi cuccoknál (vagy nagyon régen) láttam 600ohm-os és +6dB-es ki-bemenetet. Ez is általában a végfokok bemeneti szintje szokott lenni. - De ha a gyári kapcsolásban bármilyen IC is van, akkor is a tápfeszültség fogja elsődlegesen meghatározni a maximális kimeneti szintet (kivét ha trafó van a kimenetén) Abszolút maradék mentes esetben is, ha 9V a tápfesz, akkor ebbe kell beleférni a jelnek csúcstól csúcsig. Így, az RMS érték, nem lehet több 3,16V-nál. Egyszóval nem egészen értem, hogy miért nem elég a kimeneti jel.. (Egyébiránt nemigazán hiszem, hogy spec IC-t használnának.) - Ha invertáló kapcsolást csinálsz, akkor a mindegy, hogy a bemeneten Fet vagy mifene van. Tehát csak a kimenet kivezérelhetősége számít. Ha a terhelhetőséget nézzük (tehát ha az lenne a gond, hogy a következő fokozat terhelné a műveleti erősítőt és azért nincs megfelelő nagyságú kimenőjel), akkor közel a legjobb az NE5532, mert annak kimenő ellenállása elég alacsony. - A +-15V-helyett esetleg célszerű két db. 9V-os elemet használni. 5532-vel elvileg kb. 5V RMS kijöhet belőle. Ha ez nem elegendő, akkor nem tudom mire lenne szükség. (Ha a +-15V-ot, valami konverterrel állítod elő, akkor az biztosan zajongani fog) üdv! proli007
Van otthon egy keverőerősítőm. Ha rákötök a szimmetrikus mikrofonbemenetre egy mikit, akkor a csatorna és master hangerő is kb félállásban van, ilyenkor kellemesen, megfelelő hangerővel szól. Ha a harmonikát rákötöm a vonalbemenetére, akkor az említett két potit, több mint 3/4-re kell tekerni, kb. ekkora hangerőhöz, mint amit a mikrofon produkál. Múlt héten a szegedi művház komoly keverőjét is fel kellett csavarni, majdnem maxra, hogy hallani lehessen. Ezért gondoltam, hogy esetleg kicsi lehet a kimeneti jelszint. Volt nemrég egy kis Alesis keverőm, annak akkora volt a kimenetije, hogy 1/4 master és fél csatornaállásban, iszonyat hangerőt tudott a 2x90-es végfok. Akkor igazán mindegy, hogy invertáló, vagy normál kapcsolásban használom, ezek szerint a rendes tápfesz lenne a megoldás? A gyári keverők ezért tudnak akkora kimeneti jelet produkálni torzítás nélkül?
Ha +-15voltról használnám, trafós, stab IC-s tápot csinálnék neki, most is adapterről megy, 9v-os stabbal. Elemmel nem kínlódok. A kimeneten a rajzon lévő 10µF-os után, van egy 10k poti és innen egy 680 ohmos ellenálláson megy a kimenetre. Mellékeltem a saját, invertáló változatot is.
Hello!
Itt azért több gond is lehet.. - A rajzodon a bemeneten, a három ellenállás után, szükséges egy kondi (pld. 100nF), mert így a műveleti erősítő egyenáramot is erősít, ez eltolja a munkapontot. Az IC kimenetén féltápfeszültséget kell mérni egyenáramban. - A "gyári rajzon is ott vannak a kondik. De az nem Elektret mikrofonhoz van készítve, mert a mikrofonnak nincs tápfeszültsége. Nálad a mikrofon táplálása, hogyan van megoldva? - Az erősítő kimenetén, a poti előtt is kell egy kondi (pld. 10uF), hogy az egyenáramú jelet leválassza. - A szimmetrikus mikrofon bemenetnek elvileg 600ohm a bemeneti ellenállása, és csak akkor erősít rendesen, ha arra szimmetrikus jel érkezik. Tehát nem célszerű oda vezetni a jelet, célszerűbb egy LINE bemenetre. A mikrofonerősítő kis bemeneti ellenállása, erősen terhelheti a jelet. - Gyanítom, nem a tápfesz miatt tudnak kellő kivezérlési jelet adni az erősítők, hanem mert megfelelően vannak illesztve (feszültségben és impedanciában) a ki és bemenetek. üdv! proli007
Igen, a rajzról kifelejtettem a kondit, 10µF-os van a poti után. Az ellenállások előtt vannak 1µF-os kondik, tehát az electret kapszulákról a tápfesz le van választva, csak azt sem rajzoltam be. Ha így is kell a kondi, akkor tudok még utána is tenni egy 10µF-ost. Átjavítottam a rajzot kiegészítve, így néz ki most, csak 5db mikrofonnal.
Egyébként a vonalbemeneten használom, a mikrofonbemenetet csak a hangerő miatti összehasonlításra írtam. Esetleg mit gondolsz, ha kisebb erősítést állítanék be és csinálnék neki szimmetrikus kimenetet, akkor lehetne használni a mikrofon bemeneten is? Vagy még a poti után is tegyek egy kondit sorosan és zárjam le egy párhuzamos ellenállással. Mert ugye, most a poti állásától függően, változik a kimeneti impedancia is. Bocs a tudatlanságért, de nem tanultam az elektronikát, csak magamat képezem a szabadidőmben, de azért szeretnék valami tökéleteset alkotni. Azt mondják, már így is az a kijövő hang alapján, de én tudom, hogy még nem az. Köszönöm a segítséget.
Hello!
- Ha a bemeneten van kondi, akkor az ellenállások után már nem kell. (Megspórolhattuk volna ezeket a tisztelet köröket, ha a tényleges rajzot tetted volna fel..) - Ha a kimenti impedandiát a poti állásától függetlenül szeretnéd tartani, akkor tegyél a poti után még egy egyszeres erősítésű invertáló fokozatot - Szimmetrikus kimenet felől akkor gondolkodnék, ha így nem megfelelő. De először meg kellene próbálnod az NE5532-őt nem? üdv! proli007 |
Bejelentkezés
Hirdetés |




Bizony igazad van, ha a frekvencia valtozik akkor neha kisse elmaszik a ket jel, illetve az erosites merteke is aszimetrikus. Holnap nekiugrok ismet es kijavitom ezeket a dolgokat.










