Fórum témák
» Több friss téma |
Fórum » Labortápegység készítése
akkor én kérek elnézést.. gondoltam mindenki tudja hogy a .sch és a .brd az egale-é. énkérek elnézést!
Tudni, tudom, csak nem használom. A kép túl kicsi. Olyan nagy kérés egy pdf?
Ha jól tudom az Edison14 kolléga által épített és publikált tápról van szó, aminek a gyári változatát egy két finomítással építette meg. A kapcsolási rajz a működő képes, mivel én is megépítettem, a nyák tervről nem tudok nyilatkozni, de ha azzal lenne valami gond biztosan jelezték volna.
Használd az "eredeti" weboldalon lévő nyákot, az biztos jó. Link Ha kisebbet szeretnél, akkor nézd meg a mellékletben lévőt
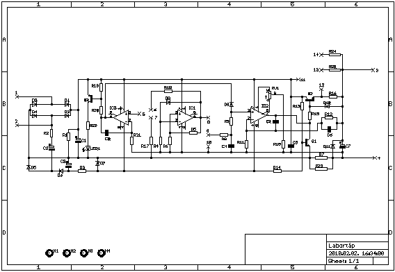
Na, így már más a leányzó fekvése! Ehhez én terveztem egy aranyos kis nyákot...
Az enyém 71*63.5mm!... Hm?.. a puffer mondjuk nincsen rajta.
Általában tartózkodok attól, hogy beleszóljak mások dolgába, de miután a tápegység az egyik legfontosabb készülék, a minősége pedig meghatározó lehet , ezért szeretnék néhány gondolattal hozzájárulni a megfelelő kiválasztásához. A leggyakoribb probléma az alul méretezés. Általában 0-30V és 0-3A körüli tápegységekre van igény. Ha ezt ki szeretnénk teljesen használni (tartósan), akkor bizony szép nagy fűtőtestet kell beleépítenünk. Mire is gondolok. Vegyük példának az 1V 3A-t. A puffer feszültség minimum 33V, de általában több, ebből 1V a kimeneten van, így 3A*32V az bizony majdnem 100W. Kétszer több, mint a pákád teljesítménye. Ez mind az áteresztő tranzisztoron disszipál. Egy TO-3-as tokkal pl. 2N3055, már megoldható, de közel csúcson van járatva, mivel 115W-ra képes és akkor szinte a tökéletes hőelvezetést kell megoldani. Egy TO-247-es tok a kb. 150W-jával már jobb megoldás, de nem ez az út az igazi. A rajzokon pont azért van 2-3 vagy több áteresztő tranzisztor, hogy legyen megfelelő felület a hő elvezetése miatt, hiszen egy 15A-es tranyó is simán tudná, ha nem fűtené szét magát 10 sec alatt. És ez csak 3A, hol van az 5A, esetleg a 10A!? Ezért, ha tartós, stabil tápot szeretnénk, akkor törekedjünk az előszabályozott megoldásra vagy adjuk lejjebb az igényünket. Az előszabályozás legegyszerűbb módja a trafó feszültségének az átkapcsolása. Hátránya a nem folyamatos szabályozási tartomány, de erre szinte soha nincs szükség. Régebben tirisztoros előszabályozóval oldották meg, de ma már a FET-es megoldások jobbak.
Egy másik gyakori hiba, amit megemlítenék, a nem megfelelő zavarvédelem. Egyrészt maga a táp is képes a kimenetén zajt kiadni, ami ugye nem igazán jó dolog, de a nagyobbik veszély, ha a tápegységbe visszakerül a terhelésről a tranziens. Ez akár a tápegység meghibásodását és egyben magának a tápról járatott készüléknek is a halálát okozhatja, ráadásul teljesen rejtélyes módon. Pedig csak azt a szempontot kéne betartani, hogy a táp szabályozó áramkörének a tápellátását soha ne arról az ágról oldjuk meg, amelyet terhelünk (és sajnos ez szinte minden esetben így van az amatőr tápoknál). Köszi a türelmet, remélem nem voltam túl hosszú, annak ellenére, hogy igyekeztem tömör lenni, ezért a kimaradt dolgokért elnézést kérek
köszi nagyon sokat segítettél! amit linkeltél ott minden megvan amit tudni szeretnék, köszi!
gondolom belefér 1 PC nek a tápdobozába.. azzal nemlesszgond
NOs épp egy ilyen gondom van, én kettős tápot készítenék, két sorbakötött PC-táp házba, hát mit ne mondjak, erősen határeset! Ld fotó. Igen zsufi lesz, pedig még hiányzik a másik táp, a hőmérők...a hűtőbordák is igen kicsinyek...Egyik megoldás erre hogy a trafót és amit még lehet, egy másik dobozban helyezem el, ami az asztal alatt lesz pl. Erre utal a bal oldalon hátul lévő csatlakozó, amit egyelőre nem használnék ki.
Sziasztok.
Segítséget szeretnék kérni az Alkotó féle 50V 5A-es tápegység ügyében. Megépítettem de felmerült egy probléma , nem tudja tartani a feszültséget növekvő terhelés mellett , valószínűleg én szúrtam el valamit. Szerintetek milyen jellegű lehet a hiba? Már egészen apró terhelés hatására is elkezd csökkenni a feszültség. Például ha a bemenő fesz 50 volt 1 amperen és ha a kimeneti feszültséget beállítom 10 voltra üresjáratban , akkor már akár 250mA-es terhelésnél is elkezd csökkenni a fesz. Ha valami konkrétabb dologra van szükség a hiba behatárolásához akkor írjátok meg nekem , egy képet a beültetésröl azé mellékelek.
Hali
A pc tápok kapcsolóüzeműek, ezért olyan 'kicsi' a méretük. Itt figyelembe kell venned a trafót, aminek van mérete (ez nincs rajta a nyákon, külön kell bekötnöd). Megfelelő hűtőborda sem fog elférni benne. Amennyiben kisebbet raksz, ventilátor szükséges. Ha a pc táp fém házban van és nincs szigetelő festése vagy bevonata (de amúgy is) szüksegése a földelése érintés védelem miatt. Ez akkor gond, ha kinnt helyezed el a hűtőbordát. Ugyanis el kell szigetelned a háztól vagy a tranzisztorokat szigeteled el a bordától (mint ahogy ezt fentebb is írták). Viszont eagle-ben tudsz faragni a nyákból. Ha ügyes vagy be tudod rakni állva a nyákot, így több hely jut a trafónak. Szó esett arról is fentebb, hogy célszerűbb (ésszerűbb) a meglévő házhoz tervezni a szerkezetet. Ebben látok igazat, most én is eléggé izzadok emiatt.
A NYÁK-ról ami jön le sárga és fehér vezeték, azokat rákötötted a kimenetre? Azoknak a segítségével figyeli a kimeneti feszültséget.
Szia.
Hát én a mellékelt kép alapján kötöttem össze . ha ez így nem jó akkor segíts nekem hogy hogyan kell átkössem hogy jó legyen. Előre is köszönöm.
Pont erre gondoltam, ez így jól van bekötve. Vár meg az okosok válaszát, ők biztos többet tudnak majd segíteni.
Sziasztok!
Kérdésem a következő szeretném megépíteni Pioneer féle 2.7.2-es verziójú labortápot 50V 5A-es verziót ami már a SOT93tranyókhoz lett tervezve.Valakinek van már tapasztalata a működését illetően?Mármint után építette már valaki? Köszönöm előre is a válaszokat.
Nem tudom a fotóról megállapítani, ezért kérdezem. Milyen műveleti erősítőt használtál?
Igyekeztem már mindenhol kijavítani, de régen volt egy hibás beültetés, ahol hibásanTL072-es IC volt, de valójában TL071 kell bele 2 db. Egyébként tudod állítani a kimeneti feszültséget és az áramkorlátot? Ha ez is rendben (kétlem), akkor meg kellene pár dolgot mérni. Mindjárt az elején, már a panelon célszerű a vizsgálat idejére összekötni +Uki-t és +Us-t, Illetve -Uki és -Us pontokat. Aztán az összekötött "+kimenet"-hez képest (ide kötöd a negatív mérőzsinórt) mérd meg a +-15V-ot (pl. a TL071 4-es és 7-es lábán könnyű megmérni), valamint a referencia értékét (az IC1 3-as lábán) aminek nagyjából 7V-nak kell lennie, méghozzá amit mérsz, azt stabilan tartania kell, függetlenül mindenféle terheléstől. A DC-OFF funkció működik? A feszültségállító potikhoz csak kettő vezetéknek kéne mennie, de nálad 3-at látok, és persze ez a DC OFF is egyben (rajz szerint). Ez miért van?
Szia.
TL 071-ek vannak berakva , egyébbként működik a feszültségszabályzás és az áramkorlát is, csak nem stabil a feszültség a terhelés függvényében. A fesz potihoz azért megy el 3 vezeték mert a stabilitás érdekében mindhárom tüske be lett forrasztva , de természetesen a potira csak 2 van bekötve , vagy 2 közösítve van. A méréseket is megcsinálom de azt már majd csak később (holnap). Azért köszönöm hogy próbálsz segíteni. Üdv:
Akartam módosítani de már nem engedte. így újat írok. A DC-off kapcsoló zárása az egyenértékű azzal hogy a feszszabályzó potit lehúzom 0 ohmra , vagy tévedek?
Igen, azt csinálja, csak gyorsabban mint ha lehúznád, illetve ha kikapcsolod a funkciót, akkor visszaáll az eredetileg beállított feszültség.
Sziasztok.
Azt szeretném kérdezni hogy miért nem valósultak itt meg tirisztoros előszabályozással működő áteresztős tipusú tápegységek? Mert úgy tűnik ezek sokkal gazdaságosabban működnek , mivel nem kell olyan sok áramot elfűteni. Előre is köszönöm.
Kizárólag az én véleményem szerint 3 oka van.
1. Mert nem a hő-hatékonyság a fő szempont, hanem a minél kifogástalanabb kimeneti jel. 2. A folyamatos előszabályzók gyors kapcsolgatással próbálják elérni a kívánt hatást (egyébként ha a váltót akarod kapcsolgatni akkor az inkább triak, nem pedig tirisztor, és egyébként a teljesítményszabályozásban elterjedt a "fázishasításos"-módszer, de az távolról sem labortáp.) De ez a kapcsolgatás felvet néhány problémát, amik közül a legsúlyosabb a megfelelően precíz szűrés megoldása. Az ilyen tápok kimenetén általában ott vannak a gonosz kis tüskék. 3. "tökéletlensége" ellenére is igen bonyolult kapcsolások ezek, egyáltalán nincs arányban a ráfordítás, a vitatható minőségű eredménnyel.
Szia.
Megmértem a feszültségeket , a +-15 volt 1 tizeddel nem stimmelnek 14.9 és 15.1 a TL071 4-es és 7-es lábain, és stabil. Az ic1 3-as lábán 7.3 voltot mértem és stabil. (terhelés hatására) Most is beállítottam terheletlenül 12 voltra és egy kis dc motor ami 115mA-re terhelte , de a fesz le is esett 10.2 voltra. Habár most csak egy 12 voltos trafó van rajta , de az 300 wattos, így nem indokolt az ilyen feszültségesés szerintem.
12V-os trafó van rajta??? Hm... Az, hogy mi indokolt, meg mi nem, azt azért nem ártana megmérni.
De amikor az 50 voltos 1 amperes labortápot kapcsoltam rá a bemenetére akkor is ugyanezeket a jelenségeket produkálta , igen most felhoztam a műhelyböl és itt nem tudok rátenni olyan bemenő áramot ami hivatalosan kellene neki. De gondolom ebböl is azért leszürhető az hogy nálam ez a kapcsolás most hibásan működik. De meg fogom mingyá oldani hogy megkapja az 50 voltját legalább 10-15 amperen és akkor is meglesnek a feszültségesések már ilyen minimális terhelésnél is.
Jelentkezem majd az uj eredményekkel. Üdv:
Sziasztok!
Egy kérdéssel fordulnék felétek, az Alkotó féle 50V/5A RT-és táp építésében vagyok a problémám az, hogy a tápban 2n3055-k vannak és a pufferelt feszem 65volt. Mi a tapasztalat ennyit elvisel még a tranyó vagy cserélnem kéne valami más típusra? Jól benéztem mert nagyon sok boltban 100 voltosként van feltüntetve az adatlapon meg csak 60 volt!
Van benne némi kockázat, és vannak lehetőségeid is.
-bevállalod és így hagyod -csökkented a feszültséget -cseréled a tranyót nagyobb feszültségűre
Szia.
Rákötöttem egy 160 wattos trafót aminek a szekunderén 46 voltot mértem ez egyenirányítva és átvezetve egy 10000 mikros 63 voltos elkón , 60 voltra módosult. Újfent beállítottam üresjáratban a 12 voltot , és miután rátettem a kis dc motort ami 120mA-el megterhelte , és ennek hatására újfent leesett a feszültség de most 10.3 voltra. Ezzel biztosítottam minden feltételt ahhoz hogy a kapcsolás jól működjön? Előre is köszönöm.
Bármelyik jó lehet. Én még 1000Ft alatt nem láttam 15003-at, így inkább a 3442-t javaslom. Esetleg a 3773 még jobb lenne, de félek árban is eltérő. Lehetőleg próbálj jobb minőségű gyártótól venni, elég sok furcsaságot lehet kapni. Nálam még az ISC gyártámány is megadta magát, igaz sokkal durvább körülmények között.
Ha a bemenet magasabb, akkor a kimeneti áram maximumát javaslom csökkenteni, mert így is elég határeset a melegedés. |
Bejelentkezés
Hirdetés |












