Fórum témák
» Több friss téma |
Fórum » PIC - Miértek, hogyanok haladóknak
Szia!
Köszönöm hogy írtál! A LED-ek közös vezetéke GND-re van kötve.
Biztos? Úgy tűnik, mint ha Vdd-re kötötted volna(vagy sehova). A kapcsolás nagyon egyszerű, valami bagatel hiba miatt csinálja ezt, nem valószínű, hogy a program miatt. Gondolom a 330ohm-ok benne vannak a LED-ek előtt? Nem olvastam el a cikket, nem lehet, hogy ez egy negatív futófény? Mondjuk ez a prgoramból kiderülne, de azt se néztem még, gondolom te igen!
Szia!
Úgy gondoltam én is, hogy vagy a tápra vagy a GND -re van kötve... Ellenőrizd le.. Idézet: „Tehát ha egyet sem fordítok meg, akkor nem indul el a futófény, ha egyet megfordítok, akkor elindul a futófény, de amelyiket megfordítottam, az "fordítva" viselkedik: folyamatosan ég, és akkor alszik el, amikor épp rákerül a sor a futófényben.” Amit írsz, az azt igazolja, hogy a közös pont nem megy sem a földre, sem a tápra. Ha egy led sincs megfordítva, akkor a közös vezetékről az áram nem tud semerre elfolyni. Ha bármelyiket megfordítod, akkor azon a led -en folyik át a többiek (amiknek világítani kell) árama a pic kimenetén keresztül a földre. Ez a led tehát világítani fog, ha legalább egy led-nek világítani kell, és neki nem kell. Ha rá kerül a sor a LED lezár kialszik, hiszen zárófeszültséget kap.
Köszönöm a segítséget, tényleg bagatel hiba volt: a breadboardon nem kötöttem össze az alsó két sort, közben mindkettőt GND-nek szerettem volna használni. Most teljesen jól működik, úgyhogy elkészült az első sikeres PIC-es kapcsolásom, hála nektek
Nagyon örülök, hogy be tudtam lépni a mikrokontrollerek világába
Jó reggelt!
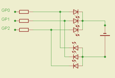
időközben rájövögettem ezekre a dolgokra. De arra sehogyan sem jutok hogy a GP0-2-ig levő lábakon semmi se legyen. U.i a 6 db ledem a totem pole elvén működne. De bárhogyan is próbáltam direkt bementre definiálni 1-nek mindig világítania kell mert ha az is bemenet akkor már 3-4 is világít. Így ez elfogadhatatlan. Nemértem. köszi a segítséget
Itt történik meg az ha mind bemenet akkor világítanak a ledek
A kapcsolasi rajzot elkuldted mar?
Sziasztok.Tudnak valaki kűldeni egy kapcsolási rajzot és egy programkódot arra, hogy hogyan lehet egy potenciómétert rákötni egy pic-re (mindegy milyen típus) és a potenciómétert állítgatva az egyre nagyobb számokat kűldjön át rs232 es porton ?
köszönöm előre is a válaszokat!
Idézet: és mit csináljon, ha a sok állítgatás miatt elérte a maximumot az átküldött szám --> azt akarod, hogy minden változásnál növekedjen az átküldött szám ( fogalmazz pontosabban, ha valamit kérsz, mert félreértjük! )? „s a potenciómétert állítgatva az egyre nagyobb számokat kűldjön át rs232 es porton ?” ![]() Steve
Nem találtam sot 23-6 -os tokot így ennyire rajzoltam le de azthiszem érthető.
Úristen. most látom lerajzolva
Ki kéne kapcsolni a comparátort, hogy a lábat felszabadítsd a kimenete alól! (BCF CMCON0.CMPON)
Ez igy nem lesz jo! Ez hogyan mukodne? Igy az osszes LED-nek folyamatosan vilagitania kell, es csak az elem belso ellnallasa korlatozza az aram erosseget.
UI: Korabban csatoltam a kapcsolast, ahogy meg lehet csinalni a 6 db LED meghajtasat 3 labbal. Nem veletlen ugy csinaltak meg a Microchip App note-jaban!
bocsi
végül is egy a/d átalakítóként dolgozna és pl minden fél voltos feszültségváltozásra ugrana egy értéket. és így a feszültségtartomány*2 értéket vehetne fel max feszen csak a max számot kűldené át, min feszen pedig 0át.remélem érthetően fogalmaztam már nincs itthon pic programozó eszközöm sajnos, ezért nemtudom kikisérletezni a dolgot...
Igen, néztem! És első látásra pofonként hatott az egyszerűsége. De aztán belezavarodtam hogy az 5 és a 6 led valamikor egy ütemben fognak működni az 1-4 -iggel. Pl ha működik az 5 vagy a 6 akkor csak akkor nem működhetne az 1-4 a ledek egyike sem ha ott semmilyen feszültség sem lenne. Azaz bemenetre lenne addigra definiálva, vagymi van már velem.
Mármint az ott a rajzon a középső Gp1 kivezetés ha ott 0 vagy 1 van és az 5 és 6 ledek valamelyike működik, azaz 1 vagy 0 van vagy fordítva a másik két Gp0 és Gp2 lábakon akkor a az 1-4 ledek valamelyike is kap feszt.
Ez kezd abszolut nem PIC kérdés lenni(arról nem is szólva, hogy egy szót sem értek amit írsz!), viszont a GP2 működik már ahogy írtam?
Persze működik, köszi! De pic kérdés a trudnai által közölt 3 lábbal !külön működtetett 6 led, amiről beszélek.
Szia!
Az ellenállások rossz helyre vannak rajzolva. - A pic lába és a ledek között kellene lenniük. (A pic lábairól jövő veyetékek csak a saját ellenállásukra mennek.) Ekkor az a led világít, ami nyitófeszültséget kap.. Az is belátható, hogy két sorba kapcsolt led -nek kétszer akkora feszültség kellene a világításhoz, mint egynek, az az egy viszont nem engedi a nagyobb feszültség kialakulását. A vezetékek küzül egy lehet bemenet, ekkor arra nem folyhat áram..
Idézet: „De aztán belezavarodtam hogy az 5 és a 6 led valamikor egy ütemben fognak működni az 1-4 -iggel. Pl ha működik az 5 vagy a 6 akkor csak akkor nem működhetne az 1-4 a ledek egyike sem ha ott semmilyen feszültség sem lenne.” Ha megnezed a rajzot, akkor lathatod, hogy ha a GP0 1, GP1 input es GP2 pedig 0, akkor ugye a a 6-os LED vilagit, azonban a 2-es es 4-es ami igy sorba van kotve azert nem fog, mert a kettonek a feszultseg esese ossze adodik (pl ha mindket LED-e 3V, akkor az ugye 6V, es neked csak 5V all rendelkezesedre...), igy nem lesz elegendo, hogy kinyisson, mar csak azert sem, mert igy a ket db ellenallas ami ott van fesz osztokent viselkedik. Nezd meg az igazsag tablazatat ebben a dokumentumban (2-es tipp). Probaldd ki a kapcsolast... A tablazatbn lathato, hogy nincs meg minden kpmbinacio, csak a DC-vel meghajtott allapotok. Ha pl 1-es 2-es egyszerre kell vilagitson, akkor multiplexalni kell, azaz gyorsan valtogatni a ket allapot kozott a megfelelo kimeneteket... Nem mondom, hogy a legegyszerubb szepen megcsinalni, de hat ez mar nem kezdoknek valo feladat. Egyszer kell jol megirni, es utana hasznalni akarmilyen projectekben. Amugy miert akarsz ennyire sporolni a labakkal? Miert nem veszel inkabb egy nagyobb PIC-et?
Sziasztok!
Sajnos a linkelt dokumentumban az áramkör hibás.... Tételezzük fel, hogy egy kimenet meg tud táplálni több led-et is (mondjuk 3 led áramánál sem emelkedik meg jelentősen a kimeneti alacsony szint, ill. nem csökken le a magas szint). Ekkor ha a GP0 alacsony és GP2 magas szinten van, akkor LED 5 világít. A GP2 pont továbbra is a Vdd, a GP0 pont a Vss közelében van. Így áram tud folyni a LED 3 -on és LED 1 -en keresztül is, azok is világítani fognak... Az ellenállásokat az elágazási pont elé kell vinni, és GP1 ágába is kell tenni egy ellenállást. A piros led -ek 1.5V -nál, a sárgák 1.8V -on már világítanak. 3V csak a fehér és kék színűeknek kell...
A multiplexeálással gondolkoztam, nem komplikált, de már letettem erről is, merthogy nem fér fel egy elem tetejére a bravúroskodásom. Ez egy haverom fej vagy írás játéka, meg egyéb felesleges dolgokat is írtam volna,de mint mondtam nem férnek el az alkatrészek csak a fej vagy írás játék. Köszönöm a segítségeteket. Amúgy igen. Én is ebben zavarodtam össze to:Hp41C. Most, hogy kész a nyákterv már mehetek is vasalgatni
bye
Van egy baj. Lehet az igényes "Miracell" elemnek köszönhető de mióta teszten megy egy 100mV-ot csökkent. Ha nem lehet ezen megszakítást írni akkor egy Sleep utasítással hogy spórolok energiát? Hova kerüljön. Most az Mclr-en van egy npn tranzisztor ami az érintésre mutatja fej vagy írás. De jó lenne egy idő után egy alvó minimális fogyasztásba küldeni. Ilyet még nem csináltam.
Én így kötném be(az egyik LED nyitó feszültsége kisöntöli a másik két sorba kötött LED nyitófeszét, ezért csak egy éghet), de fenntartom, hogy ez a téma itt off. Ennyi erővel az ohm törvényét is itt kéne kitárgyalni!
Igen! ezt mondtam én is, hogy mindenképp kell a Z állapot ehhez a verzióhoz. De a Sleep-ben kérném segítségeteket. Nos letelik az idő. Kap egy Sleep utasítást. Ekkor ugye megváltozik a TO és a PD. De ekkor mivan? Továbbra is vizsgálom a PG3-as lábat egy btfsc-vel és ha megvan ugrik a startra? Mert akkor gyakorlatilag ugyanazt csinálja mint most azaz vár hogy hozzáérjenek.
Ezt mondogatom én is... csak most nincs lehetőségem rajzolni...
Elolvastam tüzetesen, tényleg ezt írtad le!
Igaz, nem pontosan értem a feladatot, ezért kérdezem meg, hogy sleep közben nem baj, ha a LED-ek nem világítanak? Vagy mi is akar ez lenni most?
Most ugye 0-át vár az Mclr-en. Amíg ezt várja Xorol egy tárat amit majd vizsgálok, és dönti el hogy fej lesz vagy írás. Ekkor ha az ujjam rajtahagyom a kijelzés ottmarad ahol volt ha felengedem egy röviddel utána visszaugrik az elejére kialszik az állapot, és kezdi elölről. Nekem az kellene hogy amíg vár az elején egy idő után kapcsoljon energia takarékosra mert amint vettem észre ez így lehet hogy sokat fogyaszt. Szóval ne világítsanak a ledek ne csináljon semmit maradjon takarékon még újra megkapja az Mclr az érintés hatására a 0-át
Ennyi az egész prog. Hogy hova kellene a sleep mert ez egy perhecc játék és nem gyakorta van használva. És jólenne ha nem egy hétig működne.
Ez rendben van, de ha igy csinalod, akkor mar D2 es D4 egyideju vilagitasahoz is multiplexalnod kell, ugyanis az R1-D4 csomopontban a fesz osztodik ha R2 belep az aramkorbe... Tehat ha G0 magas, G1 es G2 alacsony, akkor ugye R1-R2 alkot D4-en keresztul egy fesz osztot amit a D2 kap majd, es emiatt ott a lecsokkent fesz miatt (ha kinyit) kevesebb aram fog folyni... Emiatt kell multiplexalni es elkerulni az ilyen felig-meddig allasokat.
Amugy szerintem ilyen trukkos LED meghajtas PIC-ekkel bele kell ferjen a PIC Miertek rovatba. Most nem azt targyaljuk hogyan szamljuk ki az elotet ellenallasokat |
Bejelentkezés
Hirdetés |




Nagyon örülök, hogy be tudtam lépni a mikrokontrollerek világába

bye 





