Fórum témák
» Több friss téma |
Fórum » Ki mit épített?
Ez a téma ha úgy tetszik a mi "kiállítótermünk", nem pedig a ki mit csinált volna másképpen, mások helyett, és legfőképpen nem javítós téma.
Minden készüléknek van saját témája, ott kell kitárgyalni a részleteket!
FONTOS! A kapcsolási rajzok keresésére is van saját téma, ott keressetek rajzokat!
Nagyon szép a formája ! Gratulálok! Miből van a doboz? Hogyan formáltad?
Nagyon szép, precíz, igényes munka! Gratula! (A doboz lakkozva, eredeti színével nézne ki jól- szerintem.)
Még két cucc amik nem nagy durranások de végül is látványosak, egy Plazma kivezérlésjelző és egy dekor dátum kijelző VFD csövekkel .Bővebben: Link
Bővebben: Link
Sajnos az eredeti fa szinét nem hagyhattam meg mert vad cseresznye fa és nem igazán szép csak lakkozva ezért kapott egy kis pácot majd a lakkot.
Szokás szerint szép lett. Bár én sem dugtam volna pác alá a vadcseresznyét. De hát ízlések és pofonok...
Végül is milyen tipusú FET lett a befútó? Érdekes doboz megoldás. Az elektronika el lesz burkolva?
IRF610 ami most bent van , az elektronika elburkolásán még gondolkodom ?
Így a hangzása igen meggyőző számomra még egy sima pár ezer forintos fejhallgatóval is . Anno a FET -ek csúnyán megtréfáltak mert ha jól emlékszem nem tetszett a dolog . de így ebben a felállásban nagyon is rendben van .
Igen! elsőként én is azt raktam bele amit találtam, de nagyobb impedancián nem találtam jelentős javulást. Igaz közben más is változott, de betudtam az eltelt időnek. Tetszik a dobozod! egy igényes szép forgatógomb
sokat emelne rajta.
Á nem sötét az szegény csak a fénykép az fénykép és a fényviszonyok nem megfelelőek.
Sziasztok.Elkeszitettem egy melynyomohoz a hangvaltot.Hat vagni vag de lehetne jobbis de azert meg mutatok kepeket rola
Gyanítom, hogy ez nem hangváltó, hanem aktív-szűrő. A hangváltó a nagyteljesítményű részre megy a hangfal és az erősítő közé, amit Te csináltál aktív-szűrő, pedig a jelforrás és az erősítő közé megy. A 741-es műveleti-erősítől pedig ne várj sokat, nem kifejezetten audio célra való ez a "dinoszaurusz".
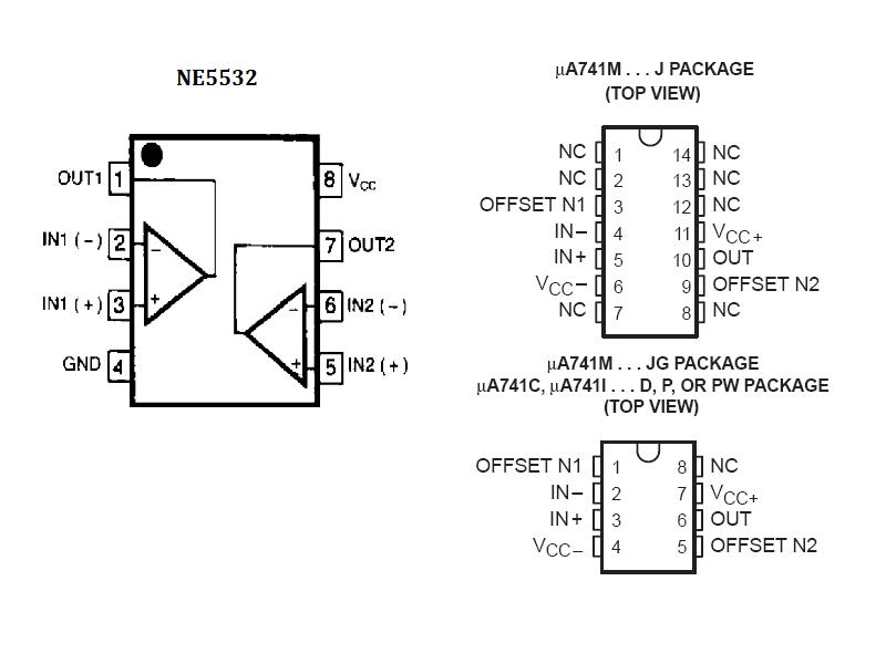
Van olyan ic amenek a labkiosztasa fix ugyanilyen? pl a ne5532 belehet tenni a helyere ugyanaz a labkiosztas? mert most van itthon 2 db.
Az ne5532 8 lábú, a Te 741-ed meg 14... Nem kompatibilis sehogy.
De arra gondoltam mintahogy belehet tenni a 14 labas helyebe fix ua741 csak 8 dipest mert most is az icbol 5 labat hanszalok a tobbi N.C.
Alldatasheet-en megkeresed az IC-k lábkiosztását, és összehasonlítod. Ezt én is megépítettem régen, nekem semmi gondom nem volt vele, kb 150Hz-nél vágott elég meredeken. Szerintem nálad valami nem jó.
Szia.Nekem is nagyon jol levagja a magasakat.De a kozep meg be be jon.Lehet az a baja hogy csak +/-14 voltrol megy?
Csak az a 0.5V/us, azt feledhetném.. Dip8 tokban, a 741 -el azonos bekötéssel LF151 .. 351 16V/us, TL050, TL060, TL070, TL080 13V/us...
Én azt nézem, de nem látom...
Ő az NE5532-őt linkelte, az dupla. Amire Te gondolsz az az NE5534, az tényleg szimpla és megegyezik a kiosztása.
Sziasztok!
Elkeszult a foraszto allomasom szerintem eleg jo csak elmenne egy 7 segmentes hofok szabalyzo A nyakot vasaltam Teszek fel par kepet.
Gratulálok ,szép lett.
Koszonom szepen
Esetleg ha van vkinek hofok kijelzoje az legyen szives dobjon meg par keppel
Az oldalon 2 forrasztóállomás is van hőfok kijelzéssel. PéldáulBővebben: Link
Nekem is épp ez jutott eszembe… Még direkt se tudnék ilyen képet összehozni, pedig sokszor tényleg jól néz ki
Üdv!
Készítettem egy kis erősítőt, TDA1558Q sztereó módban, 4választható bemenet, LM1036 hanszín, TA7666 kivezérlésmérőnek. A belvilág még rendezésre szorul, de már örülök, hogy ennyire elkészült.
Szép! Nincs melege a zárt dobozban? (légcsatorna)
Helló! Szép lett. Belül még kicsit "gombolyagos", de ha elrendezed jó lesz! A TA7666-os IC-vel normálisan működik a kivezérlés jelző? Múltkor oszt.társam csinált egyet de nem működött. Esetleg a nyáktervet elkérhetném?
A nélkül, hogy átlátnám az elrendezést, talán célszerű lenne a hátoldalon megcserélni a "ki" és a "be" csatlakozókat, mert akkor az érzékenyebb bemenetek nem közvetlen a trafó mögött lennénk.
Jó lesz ez még egy pár darab és egészen tökéletes lesz .
A belső elrendezés alapos átgondolásával a vezetékek hosszát és az elrendezését nagyon meglehet könnyíteni , elhiheted egy alaposan átgondolt és kivitelezett elrendezés sok bosszúságtól megmenekít. |
Bejelentkezés
Hirdetés |











A nyakot vasaltam 











