Fórum témák
» Több friss téma |
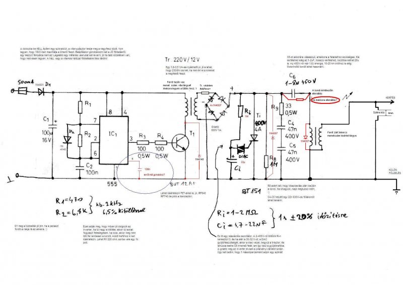
Ha ferrit trafót használsz inverternek akkor gyors dióda kell a tranyó mellé.Mivel 50-100KHz is lehet az üzemi frekvencia.Ha normál lemezes trafót használsz inverternek akkor jó az 1N 4007 is .Az egyenirányítás után pedig már nem kell gyors mivel egyenirányítva van szintén jó a 1N4007 .De ha ferrit trafóval van az invertered kialakítva a freki miatt gyorsnak kell lenni az egyenirányítónak is .ellenkező esetben ugyan úgy jó egy normál graetz is.A trafóhoz is meg a tirisztorhoz is .Az ellenállás értéke pedig akkora legyen hogyha rövidre zárod a trafót az ellenállással akkor ne folyhasson nagyobb áram a trafón mint amit a trafó üzemszerűen elbír . Az invertered kitöltési tényezőjét pedig be kell állítani kb 5-30% ra kísérletileg kell beállítani.Azért hogy az egyenfesz feleslegesen ne melegítse és ne fogyasszon áramot.Az r1 r2 c2 elemekkel állítható a frekvencia és a kitöltés .Ha van szkópod akkor egyszerű .De ha nincs akkor meg számítható is .Vannak 555 ös programok ahol lehet demózni . Google
De erről a rajzról még hiányzik a autó gyújtó trafóhoz a védő dióda.És a szikraköz sincs jó helyen .Az 1 és a nagyfeszt kell kivezetni.és az 1 es pontot földeld a telepítés helyén .Így viszont magától értendő hogy a szikraközt is az 1es és a nagyfesz kimenet közzé kell rakni de nem lehet nagyobb mint 8 mm.Ezt feltétlen tartsd be . És szikraköz nélkül ne próbáld mert tönkre megy az autó gyújtó trafód.Vagy az is ferrit ?De ez a rajz működő képes már sokan megcsinálták . üdv A nyák vizsgálatra nincs most időm . üdv
Szia!
De ott volt a rajzon a diófa az autógyújtó trafó két csavarján. De mind1 mert saját trafót szeretnék alkalmazni. itt az új javított rajz, meg a nyák terv, ha van időd nézd át és írj róla véleményt. Persze ha másnak van róla véleménye, szeretnék építő kritikát. Köszönöm ocy /ja és még vannak nyitott kérdések: A sütögetős kondin lévő ellenállás értéke, és az 555 5-ös lábán a kondi/
Bocs hogy beleszólok, de a szikra köz mért nincs jó helyen? Az 1-es pontra megy a kondi, a 15-ös pontra a negatív,így azt kell leföldelni. És a föld közé és a nagyfesz közé kell a szikra közt tenni. Ja és most látom hogy a gyt trafón lévő diódát is fordítva kéne betenni szerintem.
Ja és a kondira minek az ellenállás? Gondolom a kisütés végett, de arra viszont ott az R8 1 Mohmos ellenállás, az elvégzi ezt a dolgot. Viszont a T1-hez a dióda nem rossz ötlet,de oda valamilyen zennert kéne rakni szerintem, csak mekkorát?
Idézet: „Melékletben iderakok egy régebbi valaki álltal kreált nyák tervet szerinted jó ez nekem? ocy” Az a valaki aki kreálta ezt a nyáktervet,az én voltam és elmondhatom,hogy az a 4 darab,amit készítettem,azóta is éjjel-nappal megy folyamatosan,hibátlanul,immár kb. 2 éve a telet leszámítva, egy-kettő km hosszú 5 soros kerítéseket táplálva.A szikraköz jó helyen van,nekem bent van a dobozban.Az 555 ic 5, lábán 10nF a kondenzátor.A BUT12AF mellé jó ötlet védelemnek egy 200V zéner,bár én nem építettem be és eddig nem volt gond.A C6 kondival párhuzamosan szükségtelen az az ellenállás,hiszen ott van R8=1M kisütésre.A plusz diódát is feleslegesnek tartom a gyújtótrafóra mert ott van a C4-C5-R9 alkotta snubber.
Szia!
Elnézést nem volt időm vissza keresni hogy ki tervezte, ezért írtam hogy" VALAKI" De szeretném megkérdezni hogy az 555 lábainál, az én fejembe van a kuszaság, vagy a nyákterven. Én kijavítottam, ahogy szerintem kellene lennie, bár lehet hogy csak elszúrtam, ha lehet nézz légyszíves utána, ja és írd meg. Köszi ocy
Köszönöm,nagyra értékelem a véleményedet mert én csak egy szerkezetlakatos vagyok.
Hibás bizony a javított panelterv változatod,talán az is megzavart,hogy az enyémben nem találtad az 1N4148 diódát az 555 IC 6. és 7. lábán,mert nem is raktam bele azért nincs ott.A tirisztoros oldalon azt az ellenállást a gréc + oldala után iktatnám be (az enyémben nincs ez sem),értéke valahol előbbre fellelhető,nem emlékszem pontosan,talán 5k lehet.
Szia Remci.
Az agyt -n levő dióda jól van berakva ! Mert ha fordítva teszed be akkor nem az agyt primerén keresztül fog kisülni a feltöltött kondenzátor hanem a diódán át . És nem lesz szikra amiért dolgoztunk . De próbáld ki és rögtön megkapod a választ. A szikraköz pedig azért nincs jó helyen mert az agyt sincs jól bekötve !Nem a 15 és a 4.között kell Hanem az 1.kivezetés és a 4. kivezetés között. Bővebben: Link Itt sok mindenre választ találhat az olvasó. A kondenzátorral közvetlenül párhuzamosan kötött ellenállásra is .Nem ugyan az mintha a tirisztorral lenne párhuzamosan .Igaz ott is van de az más miatt van .És a trafóra kötött dióda polaritására is . De egyébként ha minden feleslegesnek vélt alkatrészt kihagyunk akkor is működik .A gyártók minden fillért meg akarnak spórolni .Ezért amit csak lehet kihagynak.Én pedig magamnak építgetek csak saját kedvtelésemre ezért nem sajnálom belőle cuccot .Ha valamit jónak találok .Ezért is építettem többféle kialakításút nem csak Diac-os vezérlésűt. Remélem Ez az ábra segít eligazodni .Sajnos több féle iromány van az autó gyújtótrafókról nem következetesen számoznak . üdv
Hi Wegg!
Nem tudom megnyitni az spl filét. Feltennéd valami más formátumba?
Szia.Kösz hogy átkonvertáltad én nem tudtam volna.Ráadásul ilyen hamar.
Most csak egy kérdésem lenne hogy csináltad . Az én Splan- omban nics ilyen konvertálási lehetőség. Kösz
Sziasztok!
Szerintetek érdemes tyúkokhoz villanypásztort csinálni? Ha érdemes akkor milyen magasságban?
Szerintem nyomkövetövel jobban jársz mert nagyon megvágja ha ugy ér hozzá az áram a toll pedig szigetel,de azért ki lehet probálni hátha.
Volt itt valami kis videó erről
![]() Sajna nem találtam meg!
Köszönöm, mindjárt ki is próbálom .
Szia Wegg!
A diódával kapcsolatban igazad lehet,olyan halványan van berajzolva hogy elnézhettem.Bár én nem tettem bele abba amit építettem.A szikra közt meg szerintem a föld és a nagyfesz kivezetés közé kell tenni,lehet az az 1-es vagy a 15-ös kivezetés akár,attól függ ki melyikre köti a földet és melyikre a kondi másik lábát.Én kipróbáltam így is-úgy is,de semmilyen különbséget nem láttam a szikra között.Különbség akkor volt érzékelhető mikor másfajta trafókat próbáltam (6v-os trabi,14 v-os Lada, Audi). A kondival párhuzamosan sem tettem ellenállást,mert az R8 így is kisüti a kondit ha megszüntetem az áramkör tápját. Én ez alapján csináltam a villanypásztoromat, szerintem ebből átrajzolva született a fentebb nézett rajz is.A különbség a kettő között,hogy nekem nincs bent az R2-vel párh.dióda, a tranyó BUT 11A, a tirisztoros gyújtást meg az új rajzról vettem át.Évek óta tökéletesen működik,Pedig hónapokig éjjel-nappal egyfolytában ment.
Igen igazad lehet a rajzot illetően .De mindenki azért adta közre hogy tovább éljen a gondolat.És szépen kerekedett mindenki örömére .Ocy -nak is ajánlottam pont a tirisztoros gyújtás rajzát mint alap infót.Szépen nyomon követhető a működés.A kondiról még annyit,hogy nagyon mostoha körülmények között üzemel.Feltölt kisüt
Na pont ezért az indukciós lövések miatt van közvetlen a kondenzátoron az ellenállás.És sokkal kisebb mint a rajzokon látható 1MOhm .Akkorára kell választani az értékét egyedileg hogy a U max -ra feltöltött kondenzátoron ne legyen látható fesz csökkenés .Így a kondenzátorra közvetlen jutó impulzus csúcsok le lesznek törve.Ezáltal lágyabb üzemben dolgozik a kondi "Védelem "alatt áll.És kikapcsolás estén ki is süti a kondenzátort.A Védődiódák és R és R+C szintén a nagyfeszültségű lökésektől védi a tirisztort .De ha valami jó nagyfeszültségű eszközök vannak használva akkor azok e védelmek nélkül is működnek . üdv wegg
Hi
Hihetetlen, valaki feltette az általam készített videót a YOU TUBE-ra.
Én mosom kezeimet, csak rákerestem google-ban, és linkeltem.
Hi
Ügye akkor csak jól emlékszem, és itt a fórumon láttam.
Rossz volt az R1 - R2 aránya,rossz választás volt a BD243C is.A tranyó megette az IC-t (bázisáram) és még segített a kitöltési idő felesleges hosszúsága is.Miért nem ragaszkodtál a rajzhoz,hiszen már sokunknak bevált ?!
Sziasztok!
Egy, már üzemelő villanypásztor ma beadta az unalmast. 220v-ról üzemel, a nagyfesz vezetéket a földeléshez közelítve áthúz. A kerítés dróthoz közelítve fél cm-ről húz át, nekem kicsit gyengének tűnik. A kerítésre ráerősítve nyugodtan meglehet azt fogni, nem ráz. Mit kellene megmérnem, mert ötletem nincs rá mi lehet a baja.
Szia!
Szerintem a karámnál keresd először a hibát. |
Bejelentkezés
Hirdetés |












