Fórum témák
» Több friss téma |
Mielőtt kérdezel, a következő két dolgot ellenőrizd!
I. A helyes tápfeszültségek megléte.
II. A kimeneten van-e egyenfeszültség.
Élesztés.
80W az a 160...
![]() A tápot csúcsteljesítményre kell (illendő) méretezni. A szinuszos (névleges) teljesítmény meg a csúcs fele, vagyis 80W. Ha sztereó végfokot akarsz, akkor pedig egyből már csak 2x40W.
Akitől kaptam a trafót, azt írta róla, hogy: "Az a 250VA úgy értelmezendő ahogy írja is a címke. Tehát 2prcig tudja, de utána 18perc hűtési időt kell hagyni. A tényleges folyamatos terhelés az 150-160VA. A 27V az üresjárati feszültség, 240V-os hálózatinál. Nálam ennyi van. A címkén is írja hogy 26,5V az üresjárati és terhelten a maximumnál 250VA-nál ez leesik 22,2V-ra."
Ahogy nézegettem a lehetőségeket eddig az LM3876-ot találtam. Lehet egyszeres táppal hajtani, és az adatlap szerint "Supply Voltage (V+) + (V-) 24V to 84V" bár ezt nem igazán értem pontosan.
Hali.
Egy 84V egyszeres tápot ha szimmetrizálsz, abból Kb +-40V jön ki, terhelve: +-37 körülbelül. Az ic adatlapján a +-35V van ideálisnak feltüntetve. Elviekben 56W-ot írnak a kivett folytonos terhelésre (+-35V-on), Hát nem tudom, elvileg elhajthatsz vele 2ic-t ha nem az a cél hogy csúcson legyen állandóan jártatva majd.
Természeresen nem az a cél, hogy állandóan koppon menjen. Egy sima sztereo szobai erősítőt szeretnék.
A trafón csak egy kimenet van, nem tudok +0- tápot adni neki.
Keresek neked valami jó tranyós rajzot, ha rám hallgatsz akk jobban fog szólni mint az ic-
![]() Lehet szimmetrizálni egy asszimetrikus tápot, feszültség kétszerezővel meg egyéb módokon de végfoknál nincs értelme, mert azok a kapcsolások nem fogják bírni a magasabb csúcsáramokat... Gondolok itt pár (2-3) amperre már.
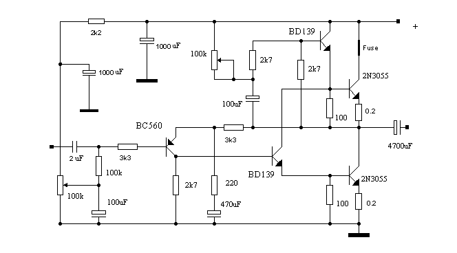
Mellékeltem amire gondoltam.
Ez egy nagyon jó kis egyszeres tápos kapcsi, 40V-ig belőve rajt a munkapontok. Igaz kb 3-4ezer Ft ba bent lesz a megépítése, de én akkor is csak biztatni tudlak rá, mert azért egy ic-s ebben a feszültségkategóriában nem fogja tudni azokat a paramétereket mint ez. (hogy őszinte legyek ic-ből amit elhallgathatónak vélek az az STK ill pár Lm széria ,persze ez szubjektív.) A csatoló kondik ha lehet legyen wima széria, a 2n3055 helyett javasolom a 2SC5200-at. A többi tranyó maradhat! A nyugalmit majd 70-90mA közé lődd be, ezután a kimenetet már Offsetelheted.
Üdv!
Ennyire sajnos nem vagyok benne az erősítő építgetésben, tranzisztorosat még nem építettem, (max a tda2030+bd249, 250 est.) Neigazán tudom, hogyan kell beállítani ezeket, műszerem is csak egy sima multi van. Azért gondolkoztam egy egyszerű IC-sben. Ha nem akad már akkor azért lehet belefogok ebbe. Köszönöm a kapcsolást!
Ha gondolod holnap reggelre csinálok neked egy nyáktervet róla, és segítek a pontos beállításában is!
Csak szerintem elégedettebb lennél a hangjával, ezért bátorkodtam ezt a rajzot linkelni!
Szia!
Tudom, hogy kicsit komolyabbnak tűnnek ezek a tranyós végfokok, de igazából egy multiméterrel túl lehet élni az építést. A nyugalmi áramot kell beállítanod és legfeljebb egy-két mérést kell majd elvégeszned feszültségmérő állásban. Ezeket szerintem emersys fórumtárs megmondja majd.
Rendben van, elfogadom a segítséget, és köszönöm szépen!
Remélem össze tudom majd hozni.
Igazán nincs mit.
Este Úgy is lesz most egy kis időm pestre menet, és onnét csak későn este érek haza. Elviszem a gépet és letervezem neked a nyákját. Az élesztését meg majd elmagyarázom privátban, vagy itt a fórumon.
Inkabb IC-s erositot javaslok, az az LM IC amit neztel jo is lehet neked.
A belinkelt tranzisztoros erosito (DoZ) A osztalyban mukodik, nagyon sok hőt termel es a trafod sem lenne megfelelo hozza.
Sok hőt termel az tény, de egy 200w os toroidnál, ugyan mért kellene ide több
Teljesen kinyitott bázis-nál nem vesz fel többet 3A nél, ha jól emlékeszem. Jut eszembe, nem is oly rég High End fórumtárs megcsinálta a JLH-T AB osztályúra, az sem lenne rossz választás.
Az a 200W-os toroid valojaban csak 150VA koruli, legalabbis azt irta rola gaboca, hogy akkora folyamatos uzemre ajanlott hasznalni.
Masreszt a highand altal kozolt kapcsolast sztem eddig senki nem epitette meg, csak papiron "mukodik". En nem ajanlanek senkinek olyan erositot ami nincs kiprobalva. Foleg nem olyan embernek aki diszkret elemekbol korabban soha nem epitett erositot es egyetlen multimeteren kivul nincs egyeb muszere. gaboca! Tovabbra is az IC-s kapcsolast ajanlom a kellemetlen meglepetesek elkerulese vegett es a trafod is jobban fogja szeretni
Udv.Lennel szives elkuldeni a nyaktervet es a beultetes amit csinaltal tda2030 es +bdk gondolom az asszimetrikus tappal csinaltad azt is .Nagyon halas lennek ha elkuldened megegyszer koszonom.
Koszonom.Mar neztem nem is egyszer.Sokat is olvastam.De az elozo ket icm szetpukkant es most varom hogy jojjenek meg ezek az ujak.
Üdv!
Én azt urbán elektronikás készletből építettem vagy tizenpár éve.
Jah.En meg tizenvalahany evvel ezelot meg jarni is alig tudtam. Koszonom a valaszt.Szereztem mar par infot egy nyakot megcsinalok belole es ha jo akkor meg a masodikat is.Megegyszer koszonom mindenkinek a segitseget.
Minden esetre azért megcsináltam a D.O.Z nyáktervét, unalmamban a pesti úton, ha netán még is emellett döntenél majd egyszer.
1képet rakok fel a tervről, ha kell elküldöm! Holnap gyártok is belőle egy panelt, mert a trimereken kívül mindenem van hozzá. Doz-t csak egyszer hallottam úgy is szólni , és elég kielégítőnek találtam mit ne mondjak!
Sziasztok! A kérdésem az lenne, hogy ez az erősítő működőképes-e, hangminőségben mennyire jó, és mekkora teljesítményre képes?
Az LM3876, amit kinézett magának gaboca, nem olyan rossz, mint gondolod. Én az Alesis stúdió referencia közeltéri monitorban láttam, és elhiheted, hogy jól és szépen szólt.
Szerintem alakits még azon a NYAK terven. Egyreszt a bemeneti csatolokondi es a kimeneti csatolokondi nagyon kozel vannak egymashoz, ez nem "egeszseges".
Masreszt javasolt lenne legalabb a tapszuro kondikkal parhuzamosan kapcsolni 100nF-os keramia kondikat is. Tovabba a kicsatolo kondit (mint ahogy a puffer elkokat is) erdemes tobb kisebb kondi parhuzamos kapcsolasabol eloallitani, raadasul ezzel parhuzamosan erdemes lehet meg egy 10µF koruli jo minosegu, nem polarizalt kondit is kapcsolni. Magyaran en a kicsatolot nem terveznem ra a NYAK-ra. Illetve a rajz azt sugallja, hogy a 2db BD 139 tranzisztort a hutobordara fel kell szerelni, holott azokat semmi szukseg a vegtranzisztrok melle felszereleni! Ha melegednek akkor sajat kis hutozaszlot v. bordat kell nekik adni es ugy megtervezni a NYAKot, hogy ezek elferjenek rajta.
Kedves pákatársak!
LM358-as IC-ről van bárkinek információja? Tapasztalat, vélemény? Nézegettem, hogy nagyon szépen kivezérelhető. Viszont milyen minőségben produkálja ezt? Nem a katalógusadat az ami engem most érdekel, hanem a szubjektív vélemények.
A csatoló kondik elhelyezését illetően, talán igazad lehet, azt ma délelőtt át is variáltam.
A meghajtó tranyók nyugodtan kerülhetnek egy bordára a végtranyókkal , mert így a meghajtó tranyók bétájának változása a végtranyók hőmérsékletével lesz arányos! (függetlenül az őket megvezérlő elő-fokozattól) Ebben nem látok problémát, h közös borán legyenek., mért is kéne hát plusz hűtőzászló ha nem muszáj? A hidegítés is már belekerült, ma még dolgoztam a tervel jócskán délelőtt. A csatolókondi G-luxon lesz, nem több darabból álló mert az itthoni cuccokból építeném meg, és ha meggyőz, akkor esetleg készül belőle stereo talán. Utána kap majd egy Proteles "letisztultabb végleges " nyák tervet, ahol a nagy áramú föld a felső réteg lesz, alul pedig helyet kap a huzalozott réteg., Egyenlőre csak a kíváncsiság vonz, :yes: Steelbird : nem vitatom az ic hangját, ezért is emeltem ki h az én megítélésem szubjektív ezzel kapcsolatosan hogy ic-k közül mi szól jól. A jobb hangú ic-k ről a véleményem annyi,: hogy egy csomó gondosan összeválogatott alkatrészek halmaza egy tokban .
[/OFF] Minden estre azért köszönöm előre is a figyelmességeidet, Lamalas
Sziasztok!
Segítsetek nekem egy kicsit! Építenem kéne a fiamnak egy megbízható végfokot a mélyládájához.Az igény 200W/4R,és a megbízhatóság.Kinéztem két tipust,de nem ismerem egyiket sem.Az egyik a 200-as Quad,ehhez lenne trafó,borda,táp,mert valahol a garázsban porosodik egy végfokhibás 405-ös.A másik a GPA 300M lenne,ezt pedig készen árulják mindenféle védelemmel.Ehhez venni kéne trafót,mert valószínű,hogy kevés neki a +-50V. Melyiket ajánlanátok?
Udv,
En a GPA300M-re szavaznek, habar a kapcsolast nem ismerem, de ha van mindenfele vedelem benne, keszre van szerelve akkor csak a tapegyseget kell elkesziteni hozza es mehet is a moka A +/-50V tapfesz elegendo hozza ha 4ohmos terhelese lesz az erositonek. 200W-ot nagyjabol ki lehet venni belole ha a tapegyseg is birja. Tehat nem szukseges uj trafot vasarolni ha van egy megfelelo(en nagy) trafo.
Kapcsolást nem találok,de képet és leírást igen. Én is erre voksolnék,mert benne van mindenféle védelem,és nem kéne külön csinálni hozzá.
|
Bejelentkezés
Hirdetés |














