Fórum témák
» Több friss téma |
Fórum » Skoda Octavia elektromos probléma
Sziasztok !
** Octavia 1.6 benzines 75LE. 2000-évjárat. AEE motorkód Szivargyújtó probléma, a reléje nem kap vezérlést a komfort-rendszert vezérlő modultól. Minden bizti és a relé jó. Valakinek ötlete, rajza, komfort modult hol találom ? Előre is kösz. Üdv!
Sziasztok!
Új belépő vagyok és egy problémával fordulnék hozzátok. 2005-s 1,4-s octavia-m van. Hidegen, napi első indításkor nehezen indul, de előfordult, hogy melegen is csinálta. Elég sokat forgat és olyan mintha csak 1-2 hengerrel indulna be! AC pumpa 2 éve volt cserélve, 2 hónapja cseréltem benzinszűrőt(gyárira), gyertyákat. Fojtószelepet kitisztítottam, alapbeállítást egy műhelyben megcsinálták. A hiba most is fennáll. Mi tévő legyek? Szakszervízbe nem akarom vinni, mert az egy vagyon!! Segítségeteket előre is köszönöm! Üdv.: lazaics
Szia!
1.5 éve próbálkozom a megoldással, szintén 1.4 Octavia. Nézz vissza, hogy miket írtam (octavia index fórumon is ), ugyanaz? Eddig több szervízben voltam vele. Motorkód BUD? Nagyon kiváncsi vagyok, hogy mi ez, tuti, hogy elektromos probléma, szerintem szgép. Üdv: Imi
Udv Hibbantpasi es Nokopasz,
Hasonlo hibaval kuszkodok en is (Octavia I 1998, 1.9 TDI SLX 110LE), neha nem indul a kocsi, csak porgeti,altalaban melegen. Nem csinalja tul gyakran de neha eleg kellemetlen tud lenni. Angol forumon olvastam hogy az ECU nem egedelyez uzemanyagot a az adagolonak ha a ford. szam nem eri el a 260ford/perc-et - ezert gondoltam aksira- amivel egyebkent nincs baj 2 eves es gondozasmentes. Tovabba emlitettek a homerseklet szenzort is. Olvasva a forumot hajlok arra, hogy nekem is hasonlo a problemam mint Nokopasznak. Ki tudnatok fejteni egy kicsit bovebben hogy hogyan kuszoboltetek ki a hibat. Segitsegeteket elore is koszonom. Udv, Istbar
Szia!
Igen, olvastam az írásaidat! A legszebb az egészben, hogy teljesen hibamentes! Tárolt hibája sincs, motorkontrol lámpa nem gyullad fel-hála az égnek! Egyszerűen nem értem! Ma ismét leszedtem a fojtószelepet, fémtisztára sikáltam, visszatettem, hideg motorral pöccre indult, csak ki tudja meddig... Motorkód: BCA Üdv: lazaics
Szia!
Amit most írok az nem vicc. Eddig cseréltek nekem: motor, lambdaszonda, hőfokjeladó, 1 db injektor, gyertyák. Magánvéleményem: Szakszervízbe ne vidd (ezt javaslom minden Octaviásnak). 1.5 éve nem sikerül megoldani, de én nem nyúlhatok hozzá, mert bukom a garanciát. Azt a tortúrát, amit én ezalatt végigéltem nem kívánom senkinek. Szerintem meg kell várnom, hogy lejárjon a gari és elvinnem egy autószerelőhöz. Egyébként tárolt hiba soha nincs, ennek ellenére meggyőződésem, hogy elektromos hiba. Olyant is csinált, hogy leállt durrogott, odhívtam azonnal a szerelőt és pöccre elindult. A tiéd azóta rendben van? Üdv: Imi
Szia!
Az igazat megvallva jobban indul, mint régebben, de a napi első indítás nem az igazi. Hallani lehet, ahogy szép sorban beindulnak a hengerek. Ez az autó taxi volt, 243.000. km van benne. Karban volt tartva, lekopogom, ezen kívül semmi baja! Bosszantó, mert az ember mást várna egy ilyen autótól, de legalább írna be hibakódot, ha valami nyűgje van..... Üdv.: lazaics
Szia!
Az AC-t már te cserélted rajta, gyári volt? Az üzemanyagellátás tuti rendben? Egyébként nekem tréler vitte és hibajel nulla volt. A szerviz mindig arra hivatkozik, hogy a hibatároló üres. Végül is nem baj ha nem megy csak hibajel ne legyen. Üdv: Imi
Nekem, ugyan ez a jelenség volt, mint már írtam!
Az utángyártott AC sem segített rajta. Csak a gyári! Azóta hibátlanul dolgozik a gép! ![]() Üdv
Hali!
2 éve volt cserélve, gyári ac lett beletéve, megnéztem a dobozát, mert tévedés miatt tettek bele újat, így a régit elhoztam!
Esetleg akkor annyit lehetne ellenőrizni, hogy a műanyag csövek rendesen fel lettek helyezve és nem szivárog sehol sem mellette! Ha pedig tévedésből cserélték akkor elvileg a régi jó! Egy próbát megér visszacserélni!
Üdv
Sziasztok!
Nekem egy olyan problémám van, hogy amikor a központi zárral, ami a vezető oldalon van, bezárom az autómat, akkor hallom, hogy mindegyik zár bezár. Viszont a probléma ott van, hogy amikor itt ki akarom nyitni az autót, akkor csak ez az egy ajtó nyílik ki, a többi nem. Még belülről sem tudom kinyitni a többi ajtót, csak azután, hogy gyujtást adtam rá. Ekkor is csak külön-külön és csak belülről tudom az ajtókat kinyitni. A központi zárat a vezető oldalon kicseréltem, de nem hozott eredményt. Előtte volt olyan - most valamiért szerencsére megszűnt, bár jó lenne tudni miért - , hogy véletlenszerűen a központi zárral bezárt autó egyes ajtaja magától kinyílt. Ennek nem tudtam a nyitjára rájönni. Ha valakinek van valami ötlete, hogy merre keressem a hibát, megköszönném! Üdvözlettel: Viktor
Szia
Nekem is volt hasonló, azaz amikor bezártam a központi zárat magától kinyílt az egyik ajtó! Probléma a zár elektronikájában volt, a nyáklapon az egyik vezető szál el volt égve, ezt áthidaltam, azóta tökéletesen működik! üdv
Helló mindenkinek!
Kérem segítsetek 2005-ös Octáviám van /BGU/ motor. Indítózás alatt az üzemanyag szivattyú reléje nincs húzva, a gyújtás ráadásnál a szivattyú hangját lehet hallani. Mi lehet a hiba, mert így nem indul. Ha lefogom a relét indul. Válaszotokat előre is köszönöm.
Szia
Köszönöm az infot! A problémám még mindig az a nyavalyás központi zár. Azért is furcsa, mert "állítólag" egy jót (ugyan használtat) raktam bele és ezzel is ezt csinálja. Mármint nem nyitja ki az összes ajtót. Üdv, Viktor
Szia! .... de csak azért, mert 67.
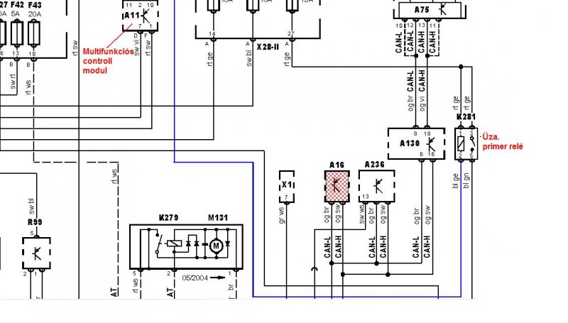
Nagy valószínűséggel a segédrelé nem kap áramot. Van neki egy 5A-s biztosítója, azt kellene megnézni, hogy ép-e. Azért nem indul e nélkül a kocsi, mert sem az injektorok, sem a lambdaszondák fűtései nem mennek. A relé a gyújtási főrelétől kap áramot, de az minden bizonnyal jól működik, mert az önindító beindítja a motort. Segítségnek rakok fel képet egy hozzáértőnek aki majd segíteni tud neked, hogy mit kell megnézni. ( a benzinpumpa az ábra jobb alsó sarkában látható)
Van a zárban vagy 5 mikrokapcsoló, lehet hogy azok között van a bűnös. Én is ezzel szívok egy ideje. Úgy zárok hogy kiszálláskor lenyomom a kárpiton a központi lezáró egység gombját (ezzel lezár mindent kivéve a bal első ajtót) majd kintről a kulcs segítségével. Nyitni már tudom mivel mechanikusan nyit.
Helló!
Köszi a rajzot, van aki megnézze. Amíg a rajzon le lehet követni, addig rendben van. A relé vezérlés pozitív oldala bizti rendben van, negatívot nem kap indításkor. Ha tudnál olyan rajzot küldeni, ahol a negatívot tovább le lehet követni, mert jelenleg egy darab dróttal testre van kötve. Így már gyújtás ráadásakor elindul a szivattyú. Az ajtó nyitásakor lehet hallani, hogy a benzinszivattyú zúg egy pár másodpercig. Hogyan lehet az, hogy indításkor meg nincs húzva. Lehet valami szerkezet még a relé negatív oldalában a stekkereken kívül, vagy direktben kap negatívot?
Kettő relének kell lennie, aminek beleszólása van az üzemanyag szivattyú működésébe. Az egyiket (a primer szivattyú relét) a kontroll modul látja el negatívval, a másikat a motorvezérlő. Nem tudom, hogy melyiket kellett direktben megtáplálnod negatív oldalról. A relétáblán milyen szám alatt van a relé, 53 vagy 447?
Helló!
Köszi, hogy ennyit foglalkozol a problémánkkal, már közel járunk a megoldáshoz. Az üzemanyag reléről van szó, melynek a biztosítója F42 5A. A relé táblán R3-al van jelölve. Nem tudom, hogy azonos típuson vagyunk e? A rajz stimmel. Ez van megtáplálva a negatívval. Az ECM 80-as pontjáról kap negatívot a rajz szerint. Csak nem autóvillamossági szerelők vagyunk nem tudjuk, hogy az ECM hol található! Motorházban?? Mert akkor már ki tudnánk csengetni. A relé dobozán /tetején/ 167 szám van, ez még gyári.
Helló! Erről a reléről van szó? A csengetésről szó sem lehet! Nem szabad külső áramforrásról az ECU felé ilyen vizsgálódásokat csinálni! Javasolnám, hogy vidd el egy szervizbe hibatároló kiolvasásra, mert lehet, más gond is ebből kifolyólag.
Szia!
Köszönöm a tippet. Végül meg lett a bűnös: egy kábel elszakadt az ajtóban, ezért nem működött rendesen a központi zár. Most, hogy ezt megjavították tegnap, szuperül működik. Üdv, mindenkinek
Na végre egy jó hír centrálilag. Örülök.
Helló!
Köszi a rajzot. Igen arról a reléről van szó. Szervizről szó sem lehet, sem anyagilag, sem szakmailag már 3-4 szerviznél próbálkoztunk, de nem tudták megoldani, mert ez a relé nem mindig rosszalkodott. Az ECU-t megtaláltuk, stekkerét kihúzva a relé aljzatból átcsengettük, itt szakadás nincs. Tehát az ECU nem adja a relének a negatívot, akkor cserélni kellene? Itt most mit lehet csinálni ki van hidalva. A gyújtással együtt indul a szivattyú!! Ezt így lehet hagyni? Nem tudom mennyibe kerülhet, lassan tankolni sem tudunk.
Tisztelt Fórumozó Társaim!
Újból a Ti segítségeteket kérem sajnos. Octavia AEE motorkódú autómnak elment az alapjárata. Kb 4-500-as fordulaton jár, de ha mozdítom a volánt pl. akkor le is áll. Egyik ismerős segítségével kiolvastuk a hibatárat és a következőt tárolta: 0282 - Throttle Position Actuator - V60 36-00 Open Circuit Kérem a segítségeteket, mit próbáljak csinálni, mert sajnos szervizre nincs pénzem, már tankolni is csak a legszükségesebbet tudom. Előre is köszönöm a tanácsokat. Csiba Imre, Salgótarján.
Első lépés a pillangószelep tisztítás. Ha ez nem segít hátsó (fekete) zárófedél leszerelés a látható két műanyag fogaskerék közül a nagyobbat finoman csavarhúzóval le kell emelni a kis fogaskerékről, ezután az alapjárati motornak testet és pozitívot kell adni, ekkor ha egyébként már alapból nem zárlatos a motor jól kipörgetni és kifújni sem árt levegővel. Ha amennyiben zárlatos ideiglenes megoldás a komplett ház cseréjéig ha a tankszellőztető (motortartó bakra csavarozott fekete doboz) szelepről lehúzod az alapjárati csövet, úgy, hogy a végébe egy egyszerű Ladához kapható benzinszűrőt teszel. Így kb 1000 f/min lesz és nem áll le a motor.
Köszönöm a gyors reagálást, megpróbálom a leírtakat és beszámolok a fejleményekről.
(Teljesen szereljem le a pillangószelepet, és takarítás, szétszedés után külső tápról adjak neki 12 V-ot?) Mégegyszer köszönöm szépen. Jó pihenést Neked és minden fórumozó társunknak.
Sziasztok Fórumozó Társak!
Lenne egy kis problémám egy octaviával 98-as 1.6i 75le AEE motorkódu. A jelenség a következő: Alapjárat ingadozik 900 és 500 között, fordulaton megy rendesen, valamint ha egyenletes sebességgel haladok ( normál fordulaton ) akkor is rángat a motor. Gázadásra húz rendesen. tanácsaitokat előre is köszönöm .
Samarának tartozom egy zsák sörrel ha erre jár! Már második esetben segített jó tanácsaival megoldani a gondomat, és így megkímélt egy csomó kiadástól!
Alapjárati gondjaim megoldottnak látszik, szétszedtem a pillangószelepet, megtisztogattam, (bár nem volt piszkos), levettem a fekete műanyag burkolatot és jó alaposan megmozgattam a fogaskerekeket. Féktisztítóval kitisztogattam, összeraktam - és láss csodát, működik! (El ne kiabáljam.) Taxis48 kollégának ajánlom olvasson vissza alaposan, ugyan ez a problémám volt és megoldódott. Fémkupakok ledobálása a gyertyákról, gyertyakábelek átvizsgálása, pillangószelep tisztítása, vákuumcsövek ellenőrzése. Samara mégegyszer köszönet!
Kedves Fórumozó Társak!
BFQ motorrkódú verdámba a hűtővíztartály, ablakmosótartály és a szervó hidraulikatartály között van egy fekete doboz. alapjáratban igen csattog. Mi a rák az?? Időnként köhögve indul hidegen, melegem semmi baja! Előre is köszönöm segítségeteket. |
Bejelentkezés
Hirdetés |





Nagy valószínűséggel a segédrelé nem kap áramot. Van neki egy 5A-s biztosítója, azt kellene megnézni, hogy ép-e. Azért nem indul e nélkül a kocsi, mert sem az injektorok, sem a lambdaszondák fűtései nem mennek. A relé a gyújtási főrelétől kap áramot, de az minden bizonnyal jól működik, mert az önindító beindítja a motort. Segítségnek rakok fel képet egy hozzáértőnek aki majd segíteni tud neked, hogy mit kell megnézni. ( a benzinpumpa az ábra jobb alsó sarkában látható) 




