Fórum témák
» Több friss téma |
Mielőtt kérdezel, a következő két dolgot ellenőrizd!
I. A helyes tápfeszültségek megléte.
II. A kimeneten van-e egyenfeszültség.
Élesztés.
Én félvezetős téren benne találtam meg a megnyugvásom egyenlőre (értem persze itt a nem "bömböltetést")
Bővebben: Link
Nyáklemezről lehúztam a réz fóliát. Elég lett volna a csavaroknál is. A házat az RCA aljzatnál 2mm-rel nagyobb átmérőre fúrtam ki.
Ügyes megoldás köszönöm szépen a segítséget!
Van gyári is. Nincs gond a szigeteléssel. Bővebben: Link
Ezzel is megoldható valóban, csak eléggé érdekes külsőt kölcsönöz a kész műnek egy-két esetben... Én inkább ezt ajánlanám, kicsit húzós, de nem feltétlenül itt kell megvenni: Bővebben: Link
Igen rca-ból valóban az van amit linkeltél de én egy olyan univerzális dologra gondoltam amit például reloop is írt mivel azt például lehet használni banán aljzatoknál vagy 6.3-as jack csatlakozónál is ha szigeteletlen kivitelű!
De természetesen köszönöm a segítséget valóban egyszerűbb egy az általad linkelt rca csatakozóval a szerelés! Még egyszer köszönöm mindkettőtöknek a segítséget!
Sziasztok!
Olyan kivezérlésjelzőre lenne szükségem, ahol az utolsó kigyulladt led ottmarad, aztán elkezd szén visszafele menni, amíg nem érkezik akkora jel, ami fentebbtolja és így tovább... Tud valaki ilyen kapcsolást?
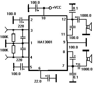
sziasztok ha valaki tud segiteni ha 13001 végfok egyszerü bekötési rajzot nagyon megköszönném
Szia!
Ezt légyszíves fogalmazd meg újra mert nem értem. Ha kapcsolási rajzra gondoltál akkor egyet gugliztam neked. Ott a mellékletben.
Szia!
LM3915 pont kijelzés módban a barátod. Kivezérlésjelző topikban találsz róla információkat.
Idézet: Nem azt szeretné ,hogy pont üzemmódú kijelzője legyen ,hanem egy csúcsszintjelzős kivezérlésmérőt. 3915 -el esetleg olyan megoldást tudnék elképzelni ,hogy két ilyen ic lenne egy ledsorra az egyik pont üzemmódban lassú visszafutással a másik vonal üzemmódban gyorsabb visszafutással és mint a multiplexes spektrum analizátornál egy áramkör nagyon gyorsan váltogatná a két ic kapcsolatát a ledsorral. Esetleg megpróbálható direktben mindkét ic rákötve ,de ennek nem ismerem a következményeit ,talán nem zavarnák egymást. „az utolsó kigyulladt led ottmarad, aztán elkezd...”
köszi
Hello!
Nem zavarnák egymást, kivéve, hogy kétszeres lenne a annak a Lednek árama, ahol a csúcsszint, és az oszlopszint is hajtaná. De egy csúcsérték detektor mindenképpen szükséges az IC bemenetére.. üdv! proli007
Sziasztok!
Lenne egy kérdésem,szobai erősítő bekötéséről,sztereo csatornára szeretnék rákötni 2 kis falat és egy sub-ot. Csatoltam file-t az elképzelésről,mielőtt kipróbálnám szeretném kikérni hozzáértők tanácsát ![]() Üdv!
És ha olyan feszültséget kapnak a ledek amin nem képesek töblett áram felvételére?
Így nem lehet.
Alapesetben a subnak külön erősítője, és egy lehetőleg jól kitalált sávszűrője vagy aluláteresztő szűrője van, ami mondjuk egy közösítő ellenálláson megkapja mindkét csatorna bemenetét. Ez azért kell, mert a sub szintjét általában meg kell változtatni. Ha csak egy sztereó erősítőd van, akkor abból nem tudsz jó megoldást összehozni. Olyan hangszóró kell mindkét oldalra, aminek van kellő mennyiségű és minőségű mélyátvitele.
A sub-ban van egy sávszűrő,amolyan sub hangváltó.
Én sem voltam benne biztos hogy működik azért kérdeztem inkább mint hogy lefüstöljön az erősítőm ![]() Tehát szereznem kell a sub-hoz egy erősítőt ![]() Van egy rossz Qualiton magyar,nem tudom érdemes-e megcsinálni? Köszi a választ! Üdv!!
Sziasztok!
Nemrég vásároltam az egyik fórumtársunktól egy "natúr" végfokmodult, LM3886 -os IC-vel. Kb gyári ajánlás alapján épült. Szeretném egy kicsit kituningolni, hogy 4ohm-os hangfalat +-36V-ról vigyen, kb 120W kimenő teljesítménnyel. A jelenlegi akadály: a kimeneti túláramvédelem és/vagy SOA védelem közbeszól. Arra gondoltam, hogy megtoldanám a kapcsolást 1-1 bipolárissal, és 1-1 0,33ohm ellenállással a tápágba, így tápáram vezérelté tenném a bipoláris tranzisztorokat. A problémám: A végfokmodul tápbemeneteit biztosíték követi, ez után pedig 470µF -es pufferek vannak, amik ugyebár rögtön az IC táplábai és a föld közé vannak kötve. Gyári kapcsoláson ez lehet a Cs kondenzátor. Amit nem tudok az az, hogy ha ezeket a kondikat kiveszem, vagy jelentősen kisebbre cserélem, akkor gerjedhet-e az erősítő? (bipoláris a kimenete, na de mégis...) Így viszont (pufferes állapotában) meg sem próbálom tápáramvezéreltté tenni, mert nem úgy működne, ahogy kéne (gondoljatok csak bele) Mit tehetek/mit lenne érdemes csinálni ebben a szituációban? Még annyi, hogy az IC kimenetére nem akarom rátenni a két tranzisztor bázisát, mert az úgy nem működne.
Akkor itt folytatom.
Miért is nem jó ez: Bővebben: Link Mivel nincs közép kivezetéses trafóm valahogy meg kellene oldanom egyszerű trafóval a szimmetrikus tápot. Amim van: 1db 11,5V/60VA toroid (lehet, hogy kettő is lesz) és 1db 24V/33VA lemezes trafó. Nem tudom ezekből mit lehet készíteni TDA2030 vagy TDA2050-hez.
Jó lenne letisztázni is a hangfalakat tényleg. Mert ha 4 ohm impedanciásakat hozol össze akkor nem éri meg foglalkozni a TDA20xx családdal mert ugyan ennyi pénzből mint írtam ott vannak a TDA autó erősítők amik teljesítményben és minőségben ugyan azt nyújtanák és ez a jelenlegi trafód is megtenné bőven a szerepét
Még mindig a szimmetrikus tápra szavazok és a TDA20XX család erősebb tagjaira. Ugyanis így nem kellene greatz híd, csak mondjuk 2db SB560 -as schottki dióda, össz-vissz 110Ft. ÉS azért azt se felejtsük el, hogy az autós erősítő IC-k tokozása nagy és nehezebb szerelni őket. Ezen kívül ha hidalasz, akkor a torzítás is ELEVE összeadódik (a két félhídé). A szaturációs feszültség is több lesz, a kimeneti teljesítmény meg kevesebb.
Semmivel nem lenne olcsóbb az autós erősítő IC.
Egy 4-5A-es dióda híd sem drágább 110Ft-nál és minek 50Hz-re schottki? Pazarlás. Szerintem a tokozás felfogatása a legkisebb gond mivel így is úgy is kell a relatív nagy borda. Egy autó TDA IC 1000Ft alatt van, pár kondi kell csak pluszba, nyákjuk meg tényleg nevetségesen egyszerű. (Nem mintha egyik TDAe is komplikált lenne
) 8 ohm-ra valóban esélye sincs az autósnak de 4 ohm-ra ugyan ott kötünk ki és a legegyszerűbb választás. Az autós IC-k meg valóban eleve hidaltak de én tapasztalatból mondom, hogy hangzásbeli különbség közöttük észrevehetetlen.
Ma veszek hangszórót. Ha kapok akkor 4 ohm, ha nem akkor 8 ohm.
Sopronban jelenleg csak TDA2030 kapható. Előbb kipróbálom azt aztán mehallom, hogy milyen és jön a következő. Bővebben: Link 6. oldalon van egy alapkapcsolás ami nem kér szimmetrikus tápot. Kérdésem, hogy ebben az esetben a táp földjére kell kötnöm a bejövő jel földjét? Mondhatnál egy autós IC-t mert én nem tudok. :hide:
Igen, viszont ekkora táppal ha elkészíted ezt a kapcsolást akkor szucsip-nek lesz igaza és teljesítményed nagyon kicsi lesz. Esetleg van az üzletnek alkatrészlistája?
u.i: Amit az utánam való hozzászóló írt az egy nagyon jó és olcsó IC. Ajánlom pl azt 4 ohm-ra.
Szia.En is nemsoka evel az icevel tda7377el akarok erositot csinalni mert van egy eleg jo nagy asszimetrikus tapom hozza.Nezd meg h mek ic eri meg neked jobban.
Nincs listája. Ez egy kis helyi vállalkozó boltja.
Tehát nem kerülöm el a szimmetrikus tápot? Kicsit elbizonytalanodtam a hangszóróval kapcsolatban is. A TDA2030 adatlapja: Idézet: „The TDA2030 is a monolithic integrated circuit in PentawattŽ package, intended for use as a low frequency class AB amplifier. Typically it provides 14W output power (d = 0.5%) at 14V/4W; at ą 14V or 28V, the guaranteed output power is 12W on a 4W load and 8W on a 8W (DIN45500).” Én ezért gondoltam a 4 ohm-ra. Elvileg itt nagyobb a teljesítmény.
Utolsó oldalon mint írtam keresd meg a feszültség / teljesítmény grafikont. Impedanciánként külön tárgyalja. Meg lehet oldani asszimetrikus táppal is mint észrevetted a mintakapcsolást is a katalógusban viszont a feszültség a kicsi. De ezt az ajánlott grafikonon észre is fogod venni.
Ezért is ajánlom inkább az autós TDA végfokokat. Pl Davidd ajánlott egyet. A TDA7377. Olcsó és nagyszerű párosítás a mostani toroid trafóddal. De rengeteg ilyen TDA ic van.
Ok. Látom. Nem úszom meg a szimmetrikus tápot. Annélkül még 10W sem lesz a teljesítmény.
Bár 28V táppal már menne.
Miből tudom meg, hogy az adott IC autós-e vagy sem?
Jelzésekre gondolok. |
Bejelentkezés
Hirdetés |








) 8 ohm-ra valóban esélye sincs az autósnak de 4 ohm-ra ugyan ott kötünk ki és a legegyszerűbb választás. Az autós IC-k meg valóban eleve hidaltak de én tapasztalatból mondom, hogy hangzásbeli különbség közöttük észrevehetetlen.




