Fórum témák
» Több friss téma |
Köszi a választ!
Én egy izmosabbat használtam fel. Bt151-t. Tudom hogy a legnagyobb mágneses hézagnál indukálódik a jeladó tekercsben akkora feszültség ami begyújtja a tirisztort,viszont a másik 2 darab mágnes közötti kisebb hézagnál is fog indukálódni feszültség csak kisebb értékű. De ezek a feszültségek a fordulatszám növekedésével elvileg növekednek és szerintem a potméter azt szolgálhatja a kapcsolásban hogy csak a legnagyobb feszültségre gyújtson. Ezért én úgy állítottam be a potmétert hogy alapjáraton még épp hogy legyen gyújtás. Ha ez így van ahogy gondolom,akkor a babetta tervezői okosabbak voltak hogy külön kis mágnest tettek fel a jeladó tekercsnek.Persze a simsoné sem rossz,mert bevált.1 éve hogy rajta van és nincs többé megszakítóval való kínlódás meg félelem hogy hol hagy ott,mert van hogy 40 Km-re megyek el vele. Egyébként van olyan zavar ha jár a motor hogy 555 meg a 2 tranzisztorral felépített multivibrátor nem állja meg a helyét fél méternél közelebb,még akkor sem ha fém dobozban van és külön tápról megy.A megszakítós 6 voltos trafót használtam fel és a gyertyahézagot 1 mm-re növeltem.Fordulatszámmérőt csináltam amiben van 2 db 555 és egy icl7106.Szerencse hogy az aránylag messze van a motorblokktól,de így is be kellett fémmel árnyékolni Bővebben: Link Közben néztem a 2 tirisztor adatlapját és ha jól látom akkor a bt 151 gate árama a tic106al szemben jóval nagyobb 2-15 mA. Szerinted érdemes lenne Megcsinálnom a nyemi félét is?Lehet hogy magasabb fordulatszámon valamivel jobb lehetne?
Nagyobb végfordulatot, és nagyobb teljesítményt az előgyújtás változtatásával lehet elérni. Ha a kapcsolásod korrekt módon (kihagyás, rángatás, stb ) nélkül működik, akkor a nyemi-féle (bár kidolgozott, üzembiztosnak itélt kapcsolás) sem okoz javulást. De mint mondják a pudding próbája....
A simson jeladóról azért lehet rosszat is hallani: hajlamos a tekercskivezetés a szakadásra, bár lehet javítani, de ez bizony bontással jár.
Szia milyen motorod van ? Nekem s 50-es és akárhogy csinálom nem tudok hozzá jó minőségű megszakítót kapni pár nap után beég a gyujtásrendszer egyébként tökéletes.
Elegem van a megszakítókból annyira gagyik hogy átlátni a pogácsák között és mire bereszeled addigra a kemény felső réteget lereszeled. Ezért most elektronikus gyújtást szeretnék építeni. Mint a tirisztoros gyújtás de minimál költségvetésből! ![]() A jeladót is magam készítem már meg is van a koncepció csak időm legyen megcsinálni. A kérdésem hogy neked gyári tirisztoros lendkereked és alaplapod van vagy csináltad valahogyan?
Szia! Ha beég a megszakító, az csak a kondenzátor hibájára utal. Nincs ívoltás a pogácsák között. Talán még adhatnál egy esélyt a mechanikus gyújtásnak a hibás alkatrész kidobása után. Az biztos, hogy az elektronikust ha egyszer beépítetted a megbízható alkatrészekből, akkor a megszakítóból eredő problémákat el lehet felejteni.
Szia én minden esélyt megadok a mechanikus dolgoknak sőt útálom ha egy simson nem gyári állapotú!
Hidd el én sem tennék bele elektronikus gyujtást ha a megszakítós jó lenne. Régebben valahogy jók voltak az alkatrészek emlékszem beraktam egy megszakítót és ment évekig. Legutóbb 4-5 évet ment probléma nélkül. A mostani dolgok meg egyszerűen kisipari vackok. A kondit kimértem és cseréltem is. De a hiba akkor is a megszakítóból ered mert nem párhuzamosak a pogácsák. Ezért csak 1 ponton érintkeznek és beég. Próbáltam reszelni de már túl vagyok 1 marék megszakítón . Az árából vehettem volna tirisztoros gyújtást.
Nem akarlak meggyőzni semmiről sem, de azért ha ezt elolvasod, talán segít eligazodni a témában.
... majd elfelejtettem ezt megmutatni, a többi között (mert, hogy van többféle megoldás is), csak ez 6V-s .
Köszi de ezeket már végigjártam és a megszakítót száműzni fogom szakmai kihívásból
Szia
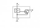
Esetleg Hall szenzoros CDI gyújtás? A megszakító helyére egy kis panelre tudod rögzíteni a Hall szenzort. Erre a panelre símán elfér egy egyenirányítás és stab kocka is. Ezt bármelyik tekercsről táplálhatod, nagyon kicsi áram kell neki. A lendkerék megszakítót lökdöső bütykét meg kell fúrni, ide beragasztani egy pici mágnest. Ez adja a jelet a Hall-nak. A mostani gyújtótekercset át kell tekertetni, úgy, hogy kb. 300v-os feszültség jöjjön le róla. Ez táplálja a CDI nagyfesz részét, a Hall pedig kapcsolgatja a tirisztort. Ha jól megépíted az elektronikát, akkor többé nem lesz gond a gyújtással. Én az ellenállásokat kicsire méreteztem, erre figyelni kell. A motorgyújtás fórumban vannak működő elektronika rajzok. Ha kell, megtervezem a kapcsolást, de szerintem Mex jobban vágja nálam, neki ez a szakterülete, nekem inkább a hangtechnika.
szia!
Van egy haverom aki fúrt a lendkerék oldalába egy kis mágnest és hall jeladóval ment neki. most több hall jeladó is van neki a kuplung oldalán ,így előgyújtást is tud szabályozni. De hallva a sok hall ic halált én úgy döntöttem hogy veszek inkább egy gyári tirisztoros alaplapot egy lendkerékkel. Mind a 2 használt gyári cucc,de bevált már egy éve pont Az elektronikát meg összedobtam hozzá.Már tele van elektronikával a motor.feszültségszabályozó az első lámpának,mert 45 wattos égő kellene bele de én 35-öset tettem bele hogy kisebb fordulatszámnál is világítson.De hogy ne verje ki ezért csináltam egy tirisztoros feszültség szabályozót rá.Meg visszajelző ledeket amik sötétben elhalványulnak hogy ne vakítsanak el.LCD-s fordulatszámmérőt.Minden ledes csak az első lámpában van izzó.Szóval van benne minden csak előgyújtáson töröm a fejem már régóta.Elég lenne csak pár fok is.arra gondoltam hogy a gyújtást jó előre tenni és a fordulatszám növekedésével kevesebbet késleltetne egy elektronika a jeladótekercstől kapott jelen.egyébként egy oldallal ezelőtt van egy link,feltöltöttem youtube-ra egy videót.Csak a világítás és a visszajelzők vannak felvéve,és a fordulatszámmérő. Am S51. Én azért dobtam el jó messzire a megszakítósat mert nagyon megszívatott.Azt mondtam mikor kiderült hogy mi a probléma hogy ez hihetetlen. Apukám kiskora óta autókat szerel,ebben is dolgozik.autószerelő és autóelektonikai műszerész egy renault márkaszervíznél.Es vágja nagyon.A simson meg örökké rosszalkodott. Itthon sosem.de ha elmentünk vele messzebbre akkor előjött. Menet közben semmi baj nem volt.Ment tökéletesen,de ha le lett állítva akkor volt hogy az istenért nem akart beindulni.kondenzátor ,trafó ,gyújtóvezeték,gyertya,vezetékek,gyújtótekercs mind lett már cserélve kínunkban.És kiderült hogy a lendkeréken repedt egy mágnes.És pont az a mágnes aki a gyújtótekercs fölött van mikor gyújtást kell adni.Pedig elméletileg ha egy mágnes elrepedt.onnantól kezdve akármennyire van összenyomva már 2 külön mágnesnek számít.Mindkettőnek kialakul az északi és déli oldala.Ez meg hol jó volt hogy nem...De mióta ez a tirisztoros van rajta azóta ha nem is elsőre mert hideg van de 3.-ra tuti indul
Azért én megrajzoltam a Hallos CDI-t. Mex még ránézhetne, nem kell-e valamit finomítani rajta. Talán valakinek jól jöhet.
sztem menni fog,de a Hall ic-t lehet be kell majd árnyékolni.Nem tudom mennyire érzékeny ,de amivel én játszottam az nagyon érzékeny volt.Megzavarta a gyújtószikra,és a környező mágneses terek amik a tekercsekből jöttek.
Igen, szerintem sem árt egy árnyékoló lemez. Igaz, hogy a Hall a főtengely felé nézne, de azért van ott mágneses tér rendesen.
Nyugi én sem ma kezdtem a szakmát 10 éve autóvillamossággal foglalkozom és 20 éve simsonozom kb.
Ezért merem állítani hogy nem a konstrukcióval van a baj hanem a kisipari alkatrészekkel. Az elképzelésem a következő van hall érzékelőm autóból bontott de működő darab. Ennek 5 volt kell ezért a mostani világítótekercsről amiről a féklámpa megy (mert van egy tekercs ami a töltőtekercs és féklámpa tekercs egyben 2 kivezetéses) Erre rakok egy grace hidat puffer kondit stab ic-t és erre a hall ic-t. Még utánna nézek mekkora bemenő fesz van a stab ic adatlapján mert egyszer mértem már terhelés nélkül 40 voltot is a tekercsen.
Van vasam amit nem használok hány menet és milyen huzalból kell rá hogy 300 voltot adjon le kb?
Van erről valami adatod? Ha nincs akkor visszabontok egy világító tekercset bemérés után. Hallottam a gyári tirisztoros tekercsben van valami rövidrezárt menet is tudsz erről valamit?
Köszönöm a fáradozásod tetszik a rajzod van is hozzá ithol minden.
A tirisztort meg ha nem találok rakok bele tic 106-ot mert az valahol van nekem csak még nem tudom hol. Ha jól sejtem az 1 mikrós kondi legyen olyan 600 voltos legalább.
Nagyon szívesen. Elvileg a stab IC-k max. 35v-ot bírnak el, úgy emlékszem. Szerintem is jó a tic106, abban is van több féle áramú és feszültségű. Az 1mikrós kondi nálam 400v-os, de ha 600v-os van neked, az csak nagyobb biztonságot nyújt. Ki lehet próbálni 1 és 2µF közötti kondival, elvileg függ a gyújtótrafótól. Nekem az 1µF bevált. Ha neodím mágnest használsz, vigyázz vele, mert 80fok körül, elveszti a mágnesességét. Nem tudom, mennyire melegszik fel az a része a motornak.
A lendkerék szerintem nem megy 80 fok környékére mert kézzel még fogható bármilyen hosszú út után is.
Volt rá példa hogy elnyítr ékkel jöttem haza 20 kilóméterről és néha helyére kellett igazítani a lendkereket mert nem volt nállam kulcs hogy erősen meghuzzam a lendkerék csavart . A célom hogy minél kissebb tömegű legyen a mágnes hogy minél kissebb mértékben avatkozzak be a kiegyensújozott lendkerék lelki világába.
Akkor érdemes neodím mágnest használni. Én a midi harmonikába használom őket. Most 5-ös átmérőjű, 2-es vastagságú van. Pici a súlya és nagyon erős. Ilyennel 2-3 mm távolság is lehet a Hall és a mágnes közt. Ha befúrod szintbe, akkor a lendkerék egyensúlyozása sem változik (talán, de ha mégis, az elhanyagolható).
Közben elsiklottam az egyik hozzászólásod fölött. A motorgyújtás fórumon, az utolsó 2-3 oldalon, valaki írt adatokat, a nagyfesz tekerccsel kapcsolatban. Azt elfelejtettem, hogy a rajzon megadott Hall elem, nyitott kollektoros kimenetű és pergésmentesített. Ha mást használsz, akkor a Hall környékén módosítások kellenek.
Hall szenzorért most szétszedtem egy gyujtáselosztót de nagynak találom .
Ezért szétszedtem egy számítógép ventillátort amiben van de az bipoláris . Azon agyalok hogy a ventillátor mágnesét kellene a főtengelyre vagy lendkerékre központosan felrögzíteni. Idézet: „Azt elfelejtettem, hogy a rajzon megadott Hall elem, nyitott kollektoros kimenetű” Akkor gond van, a bc212 bázisába kellene egy ellenállás, különben akkora áram fog folyni amekkorát a stabkocka enged.
Igen, de ott van, a 10k-s hivatott erre a célra.
Próbaképpen kipróbálhatod a rendszert megszakítóval is, akkor a Hall szenzort el kell hagyni és a megszakítót a tranzisztor bemenetére kötni. A 10k maradjon ott, de a tranzisztort cserélni kell npn-re, pl. BC237. Lehet, hogy legegyszerűbb lenne venni egy gyári nagyfesztekercset.
Sziasztok!
A tekercses jeladót teljesen elvetettétek, mint megoldást? Csak azért kérdezem, mert vmelyik robogós topicban találtam egy remek weboldalt, cseh megoldásokkal, ahol a jeladótekercset egyszerűen egy 12V-os gk. relé behúzótekercséből oldották meg. Méretéből adódóan elférne a megszakitó helyén, a jeladó mágnest is aránylag könnyű könnyű lenne elhelyezni, és nem érzékeny a melegre annyira, mint egy Hall-elem. Itt a link, érdemes mazsolázni rajta. cdi gyújtások cseh módra, stb. üdv: hp
A 10k nem csinál egyebet, mint a hall kimeneti tranyó kollektorát húzza fel tápfeszültségre, és a bc lezárását biztosítja. A bázisáramot viszont nem képes korlátozni.
Gondolkodj! ha a hall tranzisztora teljesen kinyit, akkor az emitter-kollektora közt pár tized volt csak a feszültségesés. Mivel a bc212 bázisába sorosan nincs áramkorlátozó ellenállás, így a stabkockából érkező 5V feszültség akkora áramot hajt át az emitter-bázis átmenetén, amitől nagy valószínűséggel a bc lehidal... Vagy a stabkocka korlátoz 100mA-nál.
A 10k a soros áramkorlátozó ellenállás. Kicsit nehéz átlátni a Hall belső felépítését, még én is gondolkodom rajta, ha egy ideig nem használom. Az 1. lába megy a +5v-ra. A 2. láb a test. A 3. láb a hallban lévő npn tranzisztor kollektora, az emitter pedig szintén a testre van kapcsolva. Vagyis, ha a Hall jelet kap, a pozitívon lévő fogyasztót kapcsolja a 3-as lábon keresztül a testre.
Igen, ezt én is így gondoltam, és erre írtam az előző hozzászólásaimat. Vagyis, ha a a rajzod szerint készítik el az áramkört, akkor a legelső nyitásakor a hall tönkreteszi a bc-t, és valószínűleg maga is károsodni fog.....
Ha van az asztalodon egy bc212 kipróbálhatod, adj neki 5V-ot, kösd be a 10k úgy ahogy a rajzodon van, a hall kimeneti tranzisztorát pedig helyettesítsd egy kapcsolóval, és köss be egy árammérőt is.
Nagyon ötletes tényleg a reléből készített jeladó
Kreatív megoldás ! Egy próbát megér . Köszi.
A nagyfesz tekercset is meg tudom oldani.
Az alsó sorban egy sor úgy van tekercselve hogy rövidre van zárva mindkét vége le van testelve. Felette pedigúgy gondolom celofán szigeteléssel ellátva soronként esetleg lakkozva van a nagyfesz tekercs . |
Bejelentkezés
Hirdetés |












