Fórum témák
» Több friss téma |
Fórum » Theremin
Témaindító: Nils_Europa, idő: Okt 4, 2007
Témakörök:
Sziasztok!
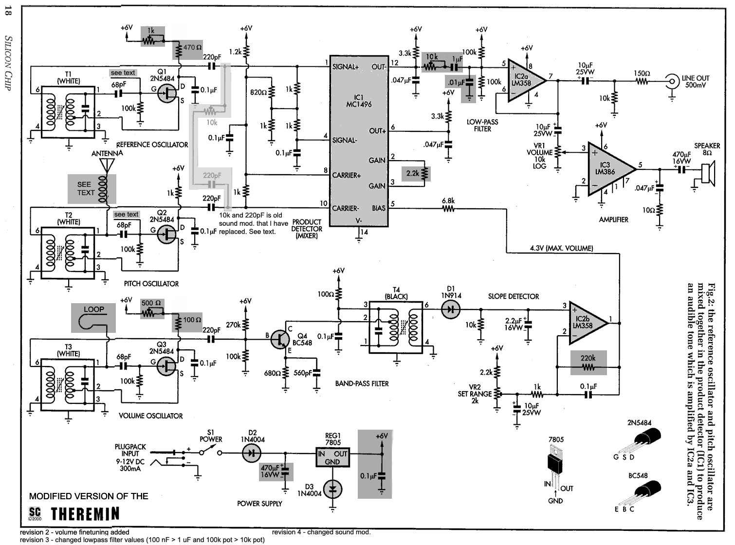
Már többen kértetek beültetési rajzot a Thereminhez, így most felrakom ide azt is (korábban még nem volt meg, azóta csináltam)
Köszönöm!
Szia!
Én is megépítettem a Hidi Péter által megépített theremint. Lenne egy kérdésem a T1 T2 T3 T4 jelű hangolótekercsekkel kapcsolatban. Azt szeretném tudni, hogy melyik fehér tipusú tekercs lenne a jó ? Mert én bontottam rádiókból s volt olyan amelyiknek nem volt mind az 5 lába kivezetve. Vagy ha esetleg meg tudnád mondani kb uH-re hhogy milyen az értékük az nagy segítség lenne. Vagy ha bárki tudna segíteni azt megköszönném./hidi Pétert nem tudtam e-mail-en elérni s a fórumon is rég volt/ Most itt tartok.
A téma címe fogott meg, nem tudtam én sem, hogy mi ez, már 1 órála olvasgatok.
Sziasztok!
Elkezdtem éleszteni a theremint csak van egy gondom. Nagyjából tudom hangolgatni de csak akkor ha az LM386 3-as lábát megfogom kézzel. Valamelyk tekercs vagy valami más? Előre is köszönöm.
Kész lett a Theremin, amit tudnia kell azt tudja.
Szia!
Szép munka! Mi volt a megoldás arra a hangolás gondra?
Köszi. A hangoló tekercsekkel volt a probléma.
Kész a második változat!
Szép lett. Bár azt a néhány drótot eldughattad volna az ablak alól. A hangjáról tennél fel valamit?
Sziasztok!
Mai nap megrendeltem Hidi Péter által feltett teremin alkatrészeinek nagy részét, pár dolog hiányzik még, pl a fekete T4-es hangolótekercs; valaki tud abban segíteni, hogy hol tudok venni? Illetve Bővebben: Link Hidi Péter 2010 Aug 14-ei üzenetében a beültetési fotóján jobb szélen van egy fekete szikszalagozott tekercselés ami ha jól gondolom az antennához csatlakozik. Erről a tekercsről tud valaki segíteni, hogy hogyan tudok csinálni vagy venni, vagy mi a szerepe? Elég laikus vagyok még, előre is köszönöm ha tud valaki segíteni, Üdv refil
Lajos1969 Te honnan tudtál megfelelő hangoló tekercseket beszerezni? Illetve van egy megnyilazott, szikszallagozott tekercselés a feltöltött fájlok között (küld1) amiről nem találtam semmilyen információt, az mire kell, meg milyen paraméterekkel tudnék utána nézni?
Köszönettel, refil Csatoltam Hidi Péter által feltett nyáklap vektoros rajzát hátha esetleg valaki úgy csinálja a nyáklapot mint én
Sima légmagos tekercs, induktivitás lemérve én egy kazettás magnó mágnes tekercsének a tekercsét használtam fel. Az induktivitása antenna függő.
Sziasztok nem tudom, hogy jó helyre teszem-e fel a kérdésemet de itt fordulnak meg a legtöbben. Annyi lenne a gondom, hogy megépítettem ezt a theremint s minden bekapcsolásnál hangolni kell a tekercssel ez mitől lehet? Mivel tudnám kiküszöbölni ezt a hibát?
megépítettem ennek az egyszerűbb kivitelét is és annak nincs ilyen problémája. Nagyon megköszönném ha valaki tudna tanácsot adni.
A hangoló tekercseket kisrádiókból termeltem ki.
T1 vagy T2-vel kell mindig újrahangolni.
Keress valami jobb hőfokfüggésű kondit a rezgőkörbe. Annó én hajszárítóval fűtöttem és közben mértem, hogy mennyit mászik el. Nálam a téglalap alakú ruszki zöld kerámia vált be.
A 68 pF-ra gondolsz? Sima kerámia van benne majd keresek más milyet és kipróbálom. Köszi .
A kék új fajta van benne próbáltam gyújtóval de elég stabilnak tűnik.
Illetve, az antennával soros 1nF-ot ideiglenesen zárd rövidre. Ekkor is elhangolódik?
Köszi majd kipróbálom most nem tudom ha van még valami tipped előre is köszönöm. Az az érdekes, hogy az egyszerűbb változat atom stabil pedig az a része ugyanolyan.
Kivéve az 1nF-ot... Vagy oda is betetted?
|
Bejelentkezés
Hirdetés |























