Fórum témák
» Több friss téma |
Fórum » PC táp átalakítás
Bővebben: Link
Ha ezek után is van kérdésed, szívesen segítünk.
Azt hiszem ez volt az az írás! Köszi, nézem is!
Igen, ez volt az, már biztosan emlékszem! Köszönöm még egyszer, elég sok mindenre kitér. Az én problémámhoz még kicsit bonyolult is, hiszen nekem nem kell szabályozható legyen, így egy csomó potméterre nincs is szükségem. Egyetlen kérdésem van csak: A cikkben leírt tápegység maximális kimenő áramerőssége 4 A. Ez az épp bántalmazott tápegység maximuma, vagy ne is álljak neki trükközni ezzel?
Ha csak a 12V-os ágat használod, akkor meg kell nézned, hogy a táp eredetileg mekkora áramerősséget tud a 12V-os ágon. Ezt a teljesítményt tudod kivenni belőle. Esetleg a 12V-os ágon lévő diódának nézd meg az adatlapját, hogy tényleg tudja-e azt az áramot.
Ok, köszönöm. Akkor ha tud 8-10 A-t a táp, akkor sok dolgom nem lesz vele, maximum a fesz. figyelést kell átrakni a 12 Voltos ágra.
Elég homályos a képed.
Szerintem a készenléti táp 2 nF 1000V kerámia kondija. Biztos 1N4007 van ott? Te tetted oda? Nem lesz kicsit lassú? Az eredeti rajzon 1000V 1A-es Schottky dióda van. Remélem a mellékletek segítenek. Azért, hogy legközelebb ne legyen "pukk", köss a javítás idejére sorba egy 60W-os wolfram izzót a táppal. Ha a biztosíték elszállt, akkor akár a lábaira is forraszthatod az izzót.
köszi. valami hasonlót vagy ezt találtam én is..
ha jut rá idő neki ugrok..
sziasztok!
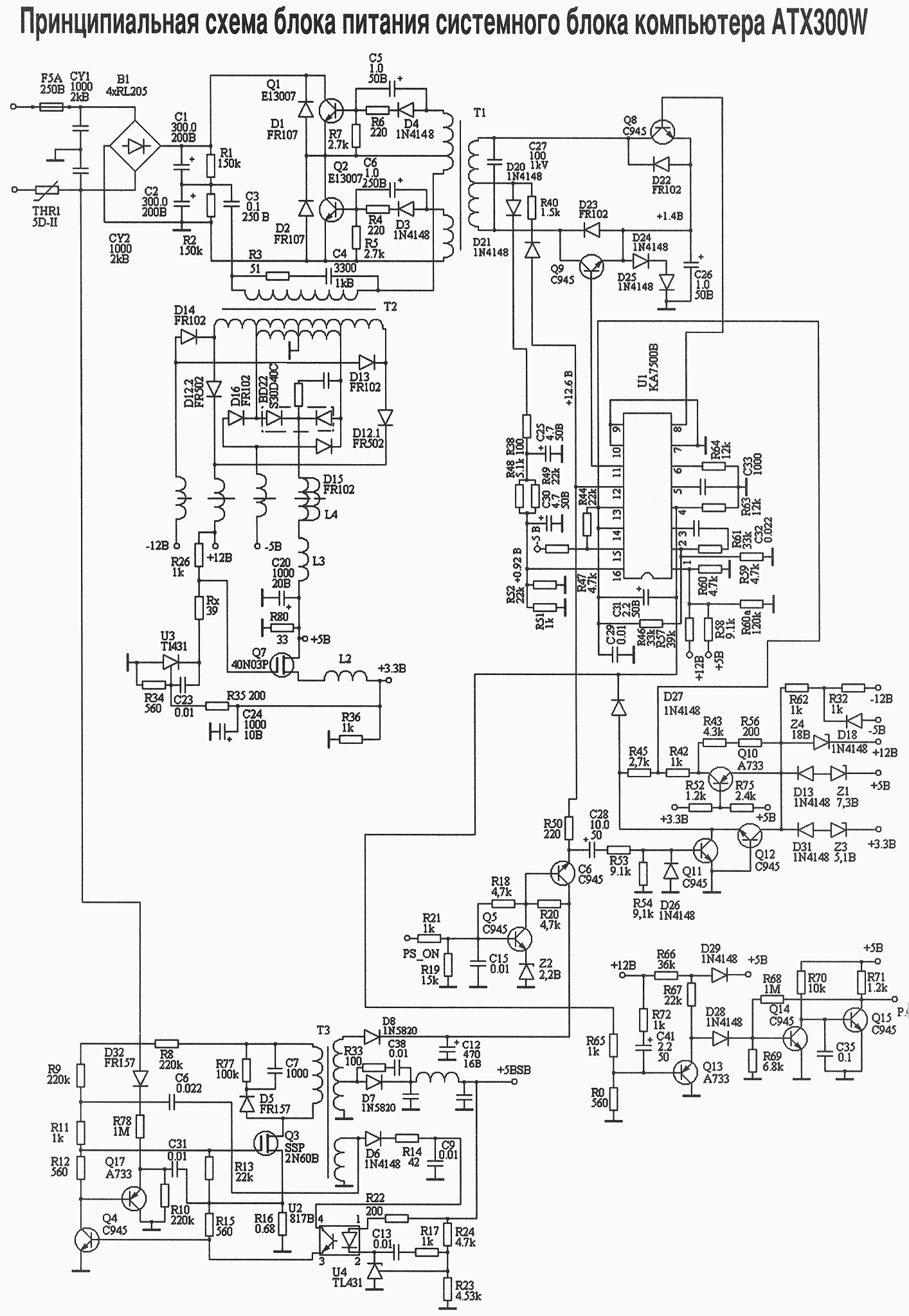
nekiálltam átalakitani a codegen 300x atxes tápomat de problémába ütköztem. A védelmet szeretném kiiktatni. KA7500B ic van benne ami kompatibilis a TL494-el. Elvileg a 4es lábát kell lehuzni gndre ugy, hogy kiszedem a feszültségosztó felsö tagját de nem tudom h melyek azok az ellenállások. van egy kapcsolási rajzom hozzá(elvileg jó is). Légyszives mondjátok meg h melyik ellenállásokat kell kiszednem.Köszi
Így első ránázásre D27 a védelem, R65 pedig a power good jelzésére szolgál. A D27 kiemelésével már nem lesz korlátozás, a 4-es lábon csak a lágyindító áramkör marad, amit hagyhatsz is, az induló tranziensek után R63 földre húzza. Meg az R65-R0 bázisosztó, de nem hiszem hogy sok vizet zavarna. Ha nem kell a powergood(márpedig miért kellene?), akkor én kivenném R65-öt is, hogy nehogy bezavarjon onnan valami. Akkor garantáltan nem lesz gondod a 4-es lábbal.
köszi a segitséget
![]() kivettem az R65 ellenállást is de akkor nem indult el a táp amikor visszaraktam akkor viszont igen. ez mért van?
Ez egy jó kérdés. Ha a kapcsolás pontosan a rajz szerinti, akkor elvileg semmi köze nem lehet a vezérléshez, ez csak az alaplap számára küldi a Powergood jelet, ha a feszültségek beálltak. Biztosan nem megy más a diódán és az ellenálláson kívül a 4-es lábra? Amúgy elvileg a dióda kivételével a védelmet kiiktattad, úgyhogy akár úgy is maradhat. Eddig ahány tápot csináltam, a védelmi áramkör felől mindig egy dióda ment a 4-es lábra. Ezt kiiktatva védelem nélkül ment.
Szia
Köszönöm a kapcsolási rajzot A helyzet annyiban változott hogy kicseréltem a hibás alkatrész meg még egy pnp tranyó is sérült volt a733 én cseréltem la733 a táp nem indul áramot kap az elkók feltöltödnek probáltam indítani zöld+gnd-vel de nem reagál a tranyó okozhaja a hibát rá mértem és jónak tünt Karakterisztikáját tekintve mellékeltem pdf-et
más nem megy a 4es lábra. viszont most már van egy nagyobb probléma. használat közben egyszer csak zárlatos lett. van valakinek ötlete hogy mi lehet a gond?
Az 5V SB megvan?
A KA7500 lábain kb. az alábbi feszültségeket kell mérned:
láb bekapcsolva kikapcsolva 1. 2,45 V 0,00 V 2. 2,45 V 2,40 V 3. 2,50 V 0,00 V 4. 0,00 V 5,00 V 5. 1,52 V 1,50 V 6. 3,60 V 3,50 V 7. 0,00 V 0,00 V 8. 1,32 V 1,50 V 9. 0,00 V 0,00 V 10. 0,00 V 0,00 V 11. 1,40 V 1,50 V 12. 1,50 V 9,20 V 13. 22,00V 5,00 V 14. 5,00 V 5,00 V 15. 5,00 V 5,00 V 16. 0,00 V 0,00 V Általam mért adatok. A cserélt tranyó melletti 4,7µF 50V-os kondi kiszáradása is szokott meglepetéseket okozni.
Attól függ mit csináltál, mit jelent a használat közben. Mivel nincs rajta védelem úgye, rövidzárral, vagy rövidzár közeli terheléssel elvileg simán ki tudod nyírni. Mi lett zárlatos? A szekunder egyenirányító? Elképzelhető hogy nem tudja a tápegységre névelegesen írt teljesítményt, cserélni kell nagyobbra.
egy erösítőt hajtottam róla. védelem nélkül próbálgattam h mennyit bír de ugy látszik hogy ez sok volt neki. érdemes vele foglalkozni vagy inkább szerezzek be egy másikat? abban meg bennhagynám a védelmet nehogy mégegyszer ezlegyen.
Nem valószínű hogy nagy baja van. Keresd meg a hibát, valószínű szekunder dióda, vagy primer tranzisztor ment el. Nekem a legutóbbi zárlatomnál egy primer tranyó ment tönkre. Csere után ugyanúgy megy. Mindenképpen izzóval, szisztematikusan élesszed a javítás után, hátha esetleg van még rossz alkatrész.
Esetleg csinálhatsz egy egyszerű söntös rövidzárvédelmet a 494 15-16-os lábán lévő ME-vel. Teszel akkora söntöt, hogy ne legyen rajta nagy veszteség, ez megy a 16-os lábra, majd a 15-ösre osztasz le a legnagyobb áramnak megfelelő referencia feszt. Így ha túl nagy áram lesz a söntön, visszaszabályoz. Mégjobb, ha hiba esetén leáll, ezt RS-szerű tárolóval tudod megoldani, akár az ME pozitív vissazcsatolásával. Én az eredeti védelmi áramkörökkel(LM339) oldottam ezt meg, és szépen működik. Rövidrezárt kimenettel lekapcsol, és amig nem húzom ki nem indul újra).
az egyik dióda hibás volt a szekunder oldalon.ki is vettem és a 12 voltos ág és a gnd között megszünt a rövidzár viszont most lehet h hülyeséget mondok(kezdö vagyok) de ahol kapja a 220at a nyák ott még mindig rövidzár problémák vannak ami szerintem az egyenirányító diódák hibája mivel méréseim szerint azok is hibásak. lehetséges ez?
Hogyne!
A szekunder dióda rövidzárral túl lett terhelve a primer oldal is. Ezek szerint az egyenirányító dióda volt a leggyengébb láncszem. Vagy cseréled a hibásat hasonló paraméterűre, vagy rakhatsz bele rendes Graetz egyenirányítót. Mérd ki a primer tranókat is mindenképp, azok is szeretnek hullani hasonló körülmények között.
hát a bázis meg a collector rövidre van záródva ugyhogy gondolom ezis kuka. valamit megkell hogy nézzek még rajta vagy csak ennyi(bár már gondolkodom h egyszerübb lenne szereznem egy másikat.
A félvezetőket átmérheted, nem túl nagy meló, más nem hiszem hogy tönkremehetett. Így hirtelen ennyit tudok mondani, az izzós élesztésnél úgyis ki fog bukni ha valami gáz van még. Mindenesetre ha kidobod, szolj hogy melyik kukánál keressem
azokat még megnézem. ha kicserélem a diódákat izmosabbra akkor birni fogja a nagyobb terhelést?
egyenirányító diódák: RL205 szekunder utáni diódák: FR302 tranzisztorok: D13007 milyenekre kell cserélni hogy ne égjen le? amúgy a bagolai szemétlerakóba tudnád megtalálni
Kifejtenéd bővebben, hogy melyik ágat, mekkora maximális/statikus árammal szeretnéd terhelni? FR302=3A, RL205=2A-rel terhelhető. Ha nagyobbra cseréled, akkor nemcsak a diódákat, tranzisztorokat, de a tekercseket is cserélned kell. Ha a terhelés kisebb, mint a táp oldalán levő adatlapon van, és leégett, akkor más baj is van. Eredeti feszültségen üzemel, vagy megelmelted a feszültséget? ...
a 12 voltos ágat terhelem. a feszültséget 12.5 voltra felemeltem. elvileg a +12 voltos ágon 13 A-t kellene tudnia az adatlap szerint. védekmet kiszedtem belöle és igy használtam egy 300w-os erösítőhöz( na persze nem teljes hangerön csak kb félhangerön aztán egyszer csak egy nagy szikra a tápban és elhallgat). hát az erösítöhöz kellene kb 30A de ennyit nem várok el tőle ha már tudna 15A-t az már jó volna.
Kevesellem a tápot. Az erősítőd mit ér? Nem lenne érdemesebb másik, nagyobb táppal és testre szabott védelemmel kísérletezni? Inkább hallgasson el a védelem miatt, mint felrobbanjon. A tápra írt 13A a maximum amit ki tudsz belőle venni, minimum 20-30% ráhagyással kell tervezned, vagyis 10A-nél többet tartósan (statikusan) nem vehetsz ki belőle, ha sokáig szeretnéd használni. Milyen hatásfokú az erősítőd, 300W leadott színuszos teljesítmény mellett mekkora a felvett teljesítménye? 300W-hoz elég a 12,5V? Ha mégis kockáztatsz akkor FR502....507 -et tegyél be az FR302 helyett+ trafó és tekercs csere. Nézd meg Chirio leírását.
ez egy autós erösítő de most szobában használom. akarok majd csinálni hozzá egy rendes tápot de most csak ez van. igazad van elég lesz a 10A igy legalább nem lesz vele gondom
az erösítő típusa RTO SX-7000
Helló!
Hogyha a pc táp dobozába építek egy erősítőt akkor a jel földet rá kell kötni a dobozra?
Szerintem rálehet, csakmert a PC tápáramkörnek is rajt van a negatív a dobozon.
De úgy értve hogy csak az erősítő van benne semmi más
|
Bejelentkezés
Hirdetés |












