Fórum témák
» Több friss téma |
Fórum » Kapcsolási rajzot keresek
Témaindító: Kallai Csaba, idő: Márc 11, 2006
Témakörök:
Ennek az IC-nek 63V a max. bemenő feszültsége !!
Ez ide semmiképp sem jó!
Mindenképp valami kapcsoló üzemű dolog kell neked, csak nagyon nem mindegy, hogy mekkora áramot akarsz !!
Üdv. mindenkinek!
Keresem a Videoton SPA-300 végfok kapcsolási rajzát. Ez kb. egy időben készült a szintén végfok VMS-250 el amit annó a HFM 1991/3ban tesztelt.Kösz.a segitséget.
Nem nekem gond: ha elhiszi neked és bevásárol, netán be is építi, aztán meg az arcába robban . . .
Mielőtt tanácsot adsz, gondold át, legközelebb!
Sziasztok!
Keresem Sony str-vx10l erősitő kapcsolását.Bővebben: Link Segitséget előre is köszönöm! :worship:
Itt megtalálod.
Sziasztok!
Nem hittem el és nem vettem meg egyből. Van három napelemem. Ha nem süt a nap és még lefelé is fordítom, akkor mérhető rajta 60 volt. A maximumot nem mértem, de elvileg 200volt is lehet. Nos ehhez kéne, hogy töltsem róla a 57,6Voltig az aksikat. Sajnos amit találtam, az nemcsak hogy bonyolult, és tele van tekercsekkel, de sajnos ideális esetben is csak 68% a hatásfoka. :S Köszi, hogy aggódsz az épségemért... Egy robbanás nem éppen kívánatos dolog.
Hello!
"Sajnos amit találtam, az nemcsak hogy bonyolult, és tele van tekercsekkel," Nem segítség, csak egy kis megfontolandó gyakorlati szemlélet. Nem véletlen.. Amit szeretnél, az igen csak ostromolja a határokat. 60V-ból 57,6V-ra szabályozni, már az LowDrop (kis maradék feszültségű) kategória. A 200V-os eszközök (Fet-ek, mert itt szinte csak az jöhet szóba) bekapcsolt Rds ellenállása meg már nagy. De amit találtál rajzot, nem gondolnám hogy képes volt ezek paraméterek teljesítésére, a 68% hatásfok és a kazal tekercs ellenére. Én nem igazán értek a kapcsolóüzemű dolgokhoz (mert fizikailag nem építek ilyesmit), de szerintem ekkora feszültség é áram tartományra, csak több eltérő működésű fokozat, összehangolt működésével lehet megvalósítani. És akkor igaz lesz a kazal alkatrész, bonyolult működés.. De amúgy is szkeptikus vagyok, azzal kapcsolatban, hogy egyáltalán szükség van-e ekkora működési tartományra. Vagy is ha valaki ténylegesen használható dolgot szeretne építeni, akkor célszerű pontosan meghatározni, majd minimalizálni a ténylegesen szükséges paramétereket. Mert a maximalizmus szép dolog, de általában csak ideológia képződik belőle. Legalább is hobbi szinten. Mert profi cuccoknak nem véletlenül annyi az ára amennyi.. (Mind ezek mellett, az aksik feszültségének kiegyenlítéséről is gondoskodni kell. Persze vannak 230V-os aksitelepek, de azok speciális aksik, és állandó gondozás alatt állnak. Gondolom neked nem ilyenek vannak.) üdv! proli007
Sziasztok!
Keresek Fok-gyem TR9193/A dual labortáphoz kapcsolási rajzot. A Google csak egyet talált de az nagyon rossz minőségű. Köszönöm előre is a segítségeteket.
Szia!
Oh, sokszor kaptam a fejemhez már, hogy maximalistaként állok hozzá mindenhez. Az áramkör, amit én találtam, az nem fet-es. és csak írták a dokumentációban, hogy ekkora a hatásfoka. Egyébként, az sem zavar, hogy bonyolult, mivel annál érdekesebb. 3darab 24V-os aksim van, meg 3 napelem. A napelemek 60V-ot adnak le minimálisan. Az aksik sorban 62V. A töltésre kellene a rendszer. Csak sajnos sehol nem találok semmit.
Szia!
A frekvencia váltók belső tápja (ezek 600VDC-ről járnak) gyakran UC384X alapú. Ezzel szerintem meg lehetne oldani. Kész rajzom nincs, de az IC adatlapja általában tartalmaz applikációt (230VAC feszre, de a DC körtől kellene kiollóznod). Ha nem szükséges galvanikus leválasztás, akkor a kimeneten lévő trafó helyett tehetsz egy DC fojtót, és polaritás váltó kapcsolásra átalakíthatod. Jó lenne tudni, mekkora áramról, vagy összteljesítményről van szó. Ha nem világos, amit írtam, nagyjából lerajzolhatom.
Helló!
Építettem egy led kockát (3x3x3).Ehez keresek valami villogó effektet. A segítséget köszönöm.
Találtam egy rajzot csak ezt úgy kéne átalakítani hogy a kockát villogtassa.Ebben kérnék segítséget.
Bővebben: Link
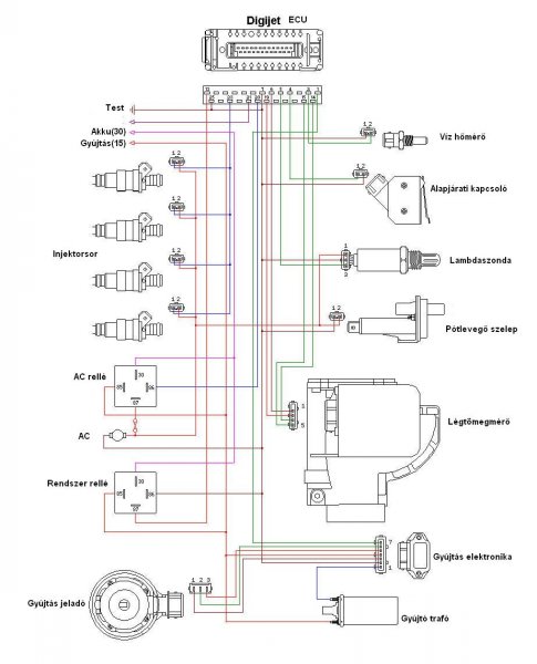
Üdv!
Nem tudna nekem valaki segíteni hogy a 21-es lába az ECU-nak mire szolgál? Ki van vezetve de nem tudom mi volt rákötve. Köszi!
Sziasztok! Ennek a rajzát keresném PIC Polywhatsit mert szeretném megépíteni de sehol nem találom. Az EPE magazin 2001 decemberi számában jelent meg. Előre is köszönöm ha valaki tud segíteni! http://www.epemag3.com/index.php?option=com_content&task=view&id=27...mid=53
Tessék:
Bővebben: Link
Mellékelek néhány rajzot. Az első kettőt kiindulási alapnak szánom. A harmadikon próbáltam átrajzolni olyanra, amilyenre neked kellene.
Ha érdekes lehet, akkor tovább finomíthatjuk.
Miért nem sikerült? Belemész az EPE mappába, azon belül a 2001-es mappába, kiválasztod a PDF-et, rákattintasz kettőt, megjelenik a letöltési oldal. Rákattintasz a "Download now"-ra, vársz pár másodpercet, majd a "Download file now"-ra kattintasz.
Köszi az infót sikerült! Most már ezt is tudom mindig tanul az ember.
üdv mindenkinek
én is keresem ezt a frekimérő rajzot TEXO B10
Kedves kollégák , szeretném megszerezni az SONY STR 333L nevü rádios erösitőnek a kapcsolási rajzát , kaptam egyet , aminek nem megy a rádió része , jó lenne a hibát megtalálni , legalább a tápokat le tudnám ellenörizni , kérlek titeket aki tudna kapcs. rajzot vagy bárminö tanácsot adni nagy köszönettel venném Tisztelettel Feri
Szia!
Nem tudom mennyit segít, de L-est nem találtam.
Nagyon köszönöm , már ragasztgatom illesztem össze , nagyot segitettél , üdv. Feri
Még annyit kérdeznék , hogy te csináltál pdf filet , azt hogy kell , például egy jpg filebol pdf-et csinálni . ha megvan neked JPG vagy más képfilében ugyanez légyszi tedd föl úgy is ha lehet , Nagyon köszönök mindent Feri
Kiszedtem, összeillesztettem és igyekeztem a kuszaságokat kivenni belőle színekkel...
|
Bejelentkezés
Hirdetés |




:worship: 










