Fórum témák
» Több friss téma |
Nem. Mivel éleszted? 100n-s kondi kettő is kell a két Vdd-re lehető legközelebb a lábhoz. (De ezt már annyiszor leírtuk, hogy fizikai fájdalmat okoz!)
Vagy a program. A program nem a kivansagaink, hanem az utasitasaink szerint mukodik. A leforditott programot a MPLAB szimulatoraban lepesrol lepesre vegig lehet probalni, majd utana beegetni a PIC-be. Igy tavolrol nem lehet tudni, hogy mi okozza a problemat. Lehet program, rossz bekotes, rossz csillagallas. Esetleg ha csatolnad a programodat, lehet hogy tobbet tudnank mondani.
Pleeezz áruld el hogy hol... 4520* ra keresve nem sok találat van
![]() Ezt keresem reggel óta ezen a fórumon... Ha volna egy rajzod?
Flowcode-ban szimulálva és a 16F690-en működik...
Úgyhogy a bekötésre voksolok, pláne hogy kondikat nem raktam a PIC-re. (Gondoltam megy úgy ahogy a 16F690-el) Tévedtem - Hátha watt nemcsak letol itt hanem mutat is valamit - mint ahogy Te a szenzorral kapcsolatban
Ez ugy szokott inkabb mukodni, hogy Te mellekeled a kapcsolasi rajzot es a programot, es szabatosan leirod mi nem mukodik vagy mi mukodik maskepp mint amit szerettel volna csinalni. Ekkor mi at tudjuk nezni es tudunk esetleg segiteni...
Csak egy kérdés ha lehet. Miért nem állítod be a flowcode-ba a 4520-as picet? Elvileg tudja és akkor egyből lehetne a flowcode-al égetni és ha baja van még azt is kiírná..
Így történt.
Hiba nélkül lefutott az égetés. Nyilván rosszul raktam össze a vasat és az az oka a gondomnak. Keresek hozzá egy rajzot hátha okosabb leszek...
Köszönöm a lehetőséget.
Keresek egy programot amivel meg tudom rajzolni a mostani bekötést...
Ez nem PIC specifikus kérdés, minden PIC-et a CMOS áramkörökre vonatkozó alapok szerint kell bekötni és kezelni. 100nF
A "mivel éleszted" kérdésre nem válaszoltál! Gondoltam elárulod milyen az áramköröd, milyen programot írtál rá. Vagy szerinted mi látók vagyunk? Egyébként nem ártana előbb elektronikát tanulni, utána PIC-el foglalkozni! Ez olyan, mint ha valaki atomreaktort kezdene építeni és azt kérdezné, hová kell tölteni az atomot!
Cadsoft Eagle demo ingyenes, meretkorlatos, de jol hasznalhato kapcsolasirajz, es PCB tervezeshez.
Találtam egyet.. TINA!
Mégiscsak női név ![]() Gyors betanulás után, itt a rajz... [/OFF]Volt gyors segítség itt a fórumon, köszi mindenkinek![OFF]
Az hogy noi nev az nem elony, vagy hatrany. Ez a program egy jo szimulator, de a rajzkeszsege bizony eleg korlatos. Az Eagle jobb valasztas, es bonuszkent amit a kapcsrajzon felteszel es osszekotsz a PCB-n automatikusan megjelenik. A cadsoft oldalarol szabadon letoltheto libek vannak az alkatreszekhez, de Te is tudsz szerkeszteni alkatreszeket. De vegulis ez a kerdes itt off.
Jó is ez a Tina, miután egy táplábat rajzol egy olyan PIC-nek, aminek kettő van! Ha valaki ezt tudja, akkor nincs gond, de ha nem, akkor a végén csak egyet köt be, ami akár tönkre is teheti a PIC-et nagyobb terhelésnél...
És ismét 100nF!
Varj watt, ez meg akar jo is lehet, ez a 38 labu valtozat.....
Ez biztos nem a 18F4520 lábkiosztása! Kár hogy az egyik bemenetre kötötted a tápot!!
Pillanat, gyorsan tanulok...
Ha az Eagle a javaslatod akkor azzal kezdem az ismerkedést...
Tényleg, ezt nem is ismertem, megnézem az adatlapot!
Azért nem eszik ilyen forrón, mert nincsenek felszámozva a lábak, csak a funkcióik (azok is hiányosan) vannak feltüntetve! Így akár jó is lehet, csak nem árt az adatlapot mellé tenni!
Az rendben van, de ha (majdnem) minden labat feltuntetnek a rajzon akkor azert nem artalmas sorrendbe tenni oket (es beszamozni legalabb a kerek ertekeket es az 1-est. Na mindegy, Eagle is kepes nem sorrendbe tenni a labakat ami engem zavar azert, de ott legalabb megvan a szamozas.
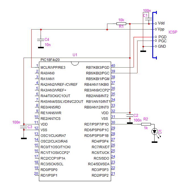
Csatoltam egy alap bekötési rajzot. Az ICSP csatlakozó sorrend nem a PICKit2 szerinti, nincs rá szabvány, a felhasználónak kell figyelni rá, hogy jól kösse össze az égetővel! Az ICSP-ről az oldalamon is olvashatsz, ha érdekel.
Ezért használok profi rajzolót és lemondok a autoroute-rol. Az imént csatolt rajzban a PIC rajzolatát én készítettem. Bármit villámgyorsan meg lehet rajzolni. A nyákot úgy sem tudja egy program olyanra tervezni, amilyenre kéne, hacsak nem töltök el ugyanagnnyi időt azzal, hogy melyik vonalat merre, mekkorára, mit hová rögzítve, nem beszélve arról, hogy ha valamelyik áramköri elem nincs meg...
Idézet: „Eagle is kepes nem sorrendbe tenni a labakat ami engem zavar azert, de ott legalabb megvan a szamozas.” De senki sem akadalyoz meg egy uj bekotesi rajz megszerkeszteseben. A Tina viszont nem is ad ra alkalmat.
Sziasztok!
Nekem az a kérdésem, hogy lehet e PIC-el Bluethoot modult építeni, mert a mobilom van BT, és jobb lenne azon keresztül küldeni a zenét , mintha folyton szét kéne bontatni a teló hátulját..?! Lényeg, létezik ehhez kapcsolás..? [OFF] ///Assemblyt nem tudom tanulni még, mert nincs vacak demo boardom, Szegeden nem találni... ///
Azert elobb kellene egy kicsit foglalkozni az alapokkal, majd egy par ev mulva megnezni a BT, zene kezeleset. Demo panel doksit talalsz a konyvespolcomon. Csak a nyakgyartast kell megoldani.
Szia! Előre bocsájtanám, hogy kezdő vagyok, tehát ne vedd 100%ra amit mondok. Ha csak a számítógép és a telefonod összekapcsolásán van a hangsúly, akkor olcsóbban kijösz egy számtech-boltban kapható bluetooth modullal. Ha jóltudom, az olyan pic ami kifejezetten usb-s kommunikációra (is) használható, az 18F es széria PL:18F2550 Itt Vácon 2800Ft... Amúgy pic párti vagyok
Nem bluethoot zene kezelés kéne, hanem, hogy a BT-n keresztül átküldjem a zenét...
A pichez egy BlueTooth modul kell, a modul kimenete egy (3.3V -os jelszintű) aszinkron soros vonal. Szint illesztés után mehet egy pic uart lábaira. A biztonságos átvitelhez megszakításos adást és vételt kell megvalósítani a kontrolleren. Ezen kívül valamilyen protokoll is kell a zene adatainak blokkokra osztására, a blokkok átvitelére, az átvitel ellenőrzésére, hibák javítására...
Úr Isten, akkor hagyom, és köszi mindenkinek a segítséget, hogy felvilágosítottatok engem.
Szia!
Nem olyan nehéz... Egy kicsit olvasgatni kell, letölteni mintapéldát és először egy PC-t kell a egy pic -kel összekötni közvetlenül - vezetékesen. Egy 16F627A - 628A is megfelel. Aztán jöhet a vezeték nélküli kapcsolat... Mintának a propeller óra ébresztős bázisát ajánlanám - a kapcsolás és a forrás is letölthető a topikból. |
Bejelentkezés
Hirdetés |







/// 