Fórum témák
» Több friss téma |
Szia Hp41C!
Ok akkor úgy csinálom, hogy ki tudjam vágni a panelről vagy legalább is könnyen ki tudjam szigetelni.
Szia Hp41C!
Próbálgatom ismerkedek az alkatrészekkel létezik, hogy a TSOP1736 3 out lába folyamatosan 4,5V-on van? Úgy gondolom nem kéne, de új alkatrészről van szó ezért a bizonytalanságom.
Szia!
Van benne, a kimenetére kötve egy 80k körüli, a táp lábára menő felhúzó ellenállás...TSOP17xx adatlap
Ok. azt láttam akkor jó az infra, és csak akkor "éled", ha jelet kap?
Az 555 volt hibás mert a dvd irányítóra reagált.
Szia Hp41C!
Kiszámoltam az infra frekvenciáját (még mindig a próbánál tartok)555-sel állítom elő a 36Mh-et. R1:1k R2:20K C:10nf ha jól váltottam (0,001mF- ra jött ki) Így 35,1KHz-ra jött ki ezen a frekvencián kell működnie ? Ha van más jobb lehetőség szívesen venném. Kösz!
Szia!
Kellene működnie, ez csak 2.56% eltérés, a -3dB pont 10% eltérésnél van... A jelet meg kell szaggatni, folyamatos vétel nem megy a beépített AGC miatt.
Szia!
Gondolom véletlenül elírtad, nem 36MHz-cel, hanem 36kHz-cel működik az infrás kommunikáció. Ehhez képest a 35,1kHz jó lehet. Elő lehet persze állítani kvarcoszcillátor leosztott jelével, mikrokontrollerrel stb.
Úgy gondolom működik. Amennyiben az Ir érzékelőre irányítom az Ir ledet 1V:-os változást mérek
Igen elírtam!
De ez már bonyolítaná az eredeti célt.
Szia Hp41C!
Egy kicsit elkalandoztam a Nagy teljesítményű DC-motorvezérlés felé , de nem sok eredménnyel. Sajnos még nem kaptam műnyomó papír, ezért állt le a projekt egy kicsit, mivel így számomra új technikával szeretném megcsinálni a nyákot. Az elő nyákom csőtollal és színezett sellakkal rajzoltam utána jött az alkoholos filc korszak, és most a vasalásos módszer. (fejlődés) Nos vissza térve a mára dobott valaki egy e-mailt.hogy értékeljem az infra vezérlést. Mivel a te változatodat csinálom meg neked (másnak nem is volt ötlete) adom a pontokat. Szeretném megkérdezni mi a véleményed, két garnitúra nyákot csinálok (már megrendeltem a mü.papirt a HEStore.hu-n) vegyem meg az anyagot az al kockához is? Melyhez ugyan olyan anyagok kellenek.
Szia!
- Köszönöm a pontokat. - Az "al" kockához - hiszen egyenrangúak - ugyan azok az anyagok kellenek. Bemérésnél a fokozatos beültetést ajánlom. Tápnál kezdeni, ameddig csak lehet kontroller nélkül lemérni mindent... - Műnyomó papír a Pantok kft -től vásárolható / rendelhető. Egyesek szerint a fényes, vastagabb újságpapír is jó - még nem próbáltam... Sok sikert, ha elakadsz, írj hozzászólást.. Még egyszer köszönöm a pontokat,
Szia
Nagyon szívesen, de hisz te segítettél szinte csak! Úgy gondoltam figyelmes beültetés után,úgymond csatornánként lepróbálóm. A négy led kimenetet ir kimenetet stb.. Mikor már külön külön működnek csak utána teszem be 16F628-at. Kösz a címet, de már megrendeltem a HEStore.hu-n
telefunken COMPACT SYSTEM 3200 hifi távirányitó kódot keresek
előre is köszönöm.
Sziasztok!
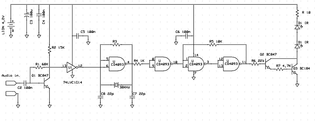
Mostanság teli van a net mobiltelefon audio headphons csatlakozójába dugható IR led alapú "Android mobil távirányítókkal". Valamelyik topicban (most nem találom..) felvetették hogy nem működhet, mivel a mobil kimenete nem képes az IR vivőjének (36 - 40 KHz) a lesugárzására mivel nincs ekkora sávszélessége, a freki átvitele korlátozott. Nos, annyit sikerült kibogarásznom hogy a dolog a következőképpen működik. Az android app előállít 19KHz es vivőt és az antiparallel kötött IR LED ek ezt lesugározva ellenfázisban, már kijön a 38 KHz. Ami ugyan még mindig "öszvér" megoldás, de elvben működhet, bár még egy jó HIFI minőségű mobil audio végfok esetében is feszegeti a határokat a 19KHz átvitele. Én más irányból közelítettem meg a kérdést... Egy kapuzható 38KHz es kvarc oszcillátort vezérelnék az IR protokoll szerinti jelsorozattal. Elvben azt szeretném megvalósítani hogy pl egy MP3 lejátszóra rögzített távirányító jelsorozattal tudjak vezérelni bármit, ami attól függ mit tartalmaz az audio fájl. Így lehetőség volna megfelelő sorrendben felvéve az egyes nyomógombhoz tartozó jelsorozatokat, pl. macro ban vezéreljek egy készüléket... stb Össze is raktam ezt a kis áramkört, az infra protokol analizátor szerint minden ok, mégsem vezérli a készüléket. Vajon miért? Én ara gondolok hogy az audio jel erősítésekor a jelsorozat torzulást szenved amivel már a vevő utáni mikrovezérő hibajavítása sem tud mit kezdeni. Mellékeltem a kapcsolást, szerintetek miért nem működik? A hozzászólás módosítva: Szept 3, 2017
|
Bejelentkezés
Hirdetés |





