Fórum témák
» Több friss téma |
Fórum » Házilag építhető fémkereső
Szia. Köszönöm a segítséget. Az első verzió tökéletesen működik, az még érthető is számomra. A másodikra viszont nem bírtam rájönni. Le tudnád írni lábkiosztással, mit hova kötözgessek?
üdv: killer
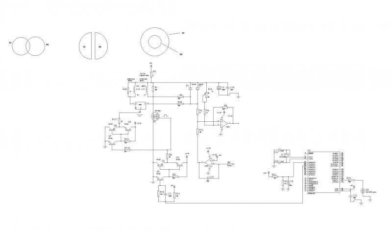
Elkészült a Clone PI2 SMD verziója.
![]() Arra kérlek benneteket, néznétek át! Ugyan már ki is marattam kétoldalasra, de bármikor módosítható. Az az igazság, hogy egy a neten fellelhető verziót alakítottam kicsit át. Némi furcsaságok voltak azon, ezeket igyekeztem kiküszöbölni. Próbálom csatolni az anyagot meg képet is igyekszem feltölteni. Természetesen, ha legyártattam volna szebb lenne, de a "teremtés" öröme elbűvölt. ![]() Keresőfejet is sikerült műgyantából önteni. Vettem egy eredeti koptatót aztán ez lett a sablon. Üdvözlet Mindenkinek!
Azt hiszem ez a fej, aminek az elkészítését a szerző ecseteli pont ehhez való. Csatolom...
Elkezdtem belepakolni az eddig meglévő alkatrészeket. A jövő héten jön meg a többi. Aztán teszt és bedobozolás...
Fejnek az előzőhöz készültet használom, majd később készítek precízebbet.
Hello!
Talán egy rajz egyszerűbb.. üdv! proli007
Ez a készülék szelektál?
Kíváncsi lennék rá. Az én általam épített szelektálós PI készülék nem túl megbízhatóan szelektál.
Sziasztok!
Szeretnék építeni egy kicsit komolyabb detektort ami nem tartalmaz AVR-t vagy PIC-et. Már építettem keresőt az equinoxot de úgy gondoltam építenék egy kicsit komolyabbat is. Melyik kapcsolást vagy milyen fajta keresőt javasoltok? (én így elsőre a silver star-ra gondoltam)
No erre én is kíváncsi leszek. Az eredeti orosz fejlesztés alapján működne. Van ennél újabb fejlesztés is, dupla tekercses, csak nem tudom, hogy ahhoz publikus hex van-e?
http://www.youtube.com/watch?v=RGK9YtPAILU Itt még a hang is más (arany, réz, vas-alumínium).
A műszerezettségedtől függ, hogy minek érdemes nekiállnod. Szkóp, frekvenciamérő nélkül nem érdemes nekiállni a Silvernek.
Hát azok nincsenek :rinya: de az iskolában talán vannak
. Ha nem tudok műszerhez jutni mit ajánlasz? esetleg ne is álljak neki bonyolultabbnak szkóp nélkül?
A keresők közül talán a PI-készülékek azok, amiknek a legkisebb az oszcilloszkóp és frekvencia mérő igényük. Persze ez nem azt jelenti, hogy korrektül be lehet állítani nélkülük. Ha jól és hibamentesen elkészíted, akkor különösebb állítás nélkül is működhetnek. Legfeljebb nem a legérzékenyebben. Ezek alapján ajánlhatom a Delta Pulse-t, vagy a Hammerhead-et. Persze, ezeket is el lehet szúrni, nem kicsit, nagyon. És akkor jöhet a szkóp és társai.
Köszi a segítséget!!! :yes: :taps: ezek körülbelül milyen mélységet tudnak? Esetleg valami ilyesmi PI-t építettél már? (rászorulnék egy kis segítségre) Ja és ezek vagy a Silverstar tud többet? (Megpróbálok már felhajtani egy szkópot
)
Amit PI-t építettem:
Puls Star-G: Remek érzékenység. Szelekció, amely elég megbízhatatlan. Kezdőknek nem ajánlom, mert bonyolult (20 IC) és a neten fellelhető dokumentációban sok a hiba. Delta Pulse: Megbízható, nem túl bonyolult gép. Elég érzékeny. Mély-keresőnek inkább való, mint kis fejjel való használatra. Hammerhead: Inkább a Delta kategóriája, de nem annyira kényelmes gép. Equinox: Lerágott csont. Sandbanks: Régi, egyszerű kereső, stabilabb az Equinoxnál, de nem tud nagyobb mélységet. A mélységekről meg hozzávetőlegesen. Adott egy sörös doboznak a nyitófüle. Levegőben 25-30 centi között érzékelem. Ha elásom, és molyolok fölötte, akkor 15-20 centi körül érzékelem. De ha rendes körülmények között keresőzök, nem hiszem, hogy 10 centinél mélyebben megtalálnám. A Silver Star a PI gépeknél annyival tud többet, hogy megbízhatóan szelektál. De mélységre nem biztos, hogy jobb.
Vásároltam ebayen egy ilyen fejet, AN/PSS-12 katonai fémkeresőhöz való. Azt mondják, hogy a Hammerhead-et érdemes megcsinálni hozzá, milyen egyéb lehetőség van esetleg?
Két tekercses PI az eredeti készülék, de valami bonyolult módon van hajtva, nem értettem teljesen.. Ha esetleg tudtok valamilyen AVR-es megoldást ehhez a dupla tekercses fejhez, nagyonis érdekelne, főleg olyan, amivel valamennyire ki tudom találni, milyen a fém. Vízben vajon mennyire lehet használható?
Szerintem nem bonyolult a két tekercses PI. A Hammerheadnál így van: http://www.geotech1.com/pages/metdet/projects/hammerhead/HHd1.pdf
De mindegyik PI-re rá lehet szerkeszteni. Én a Deltát próbálgatom 2 tekerccsel.
Van egy megoldás amit találtam a geotech fórumon, idecsatoltam. Itt simán egy 4066-al kapcsolja rá az RX tekercset. Azt nem tudom, ez mennyire jó, van-e egyáltalán értelme így.
Majd ha megjön a cucc, kísérletezek vele, megnézegetem szkóppal. Első körben biztos, hogy a kéttekercses hammerhead-et építem meg hozzá, aztán meglátom, hová lehet továbbmenni mikrokontrollerrel. Lehet, hogy inkább csinálok saját fejlesztést. Téli estékre jó elfoglaltság, (kár, hogy már a századik)
Ennek a kapcsolásnak én sem látom az értelmét. Először is, egy erősítőre két különböző tekercs jelét eresztjük. Nagy kotyvaszjel lesz a kimenetén. Másodszor, aki ezt tervezte, az nem tudta, hogy egy 4066-os mekkora feszültséget képes elviselni károsodás nélkül a ki-be kapcsain. Egy jól megválasztott tekercs indukciós feszültsége csak 100-szorosa ennek a feszültségnek. Tehát a 4066 még ramaty tekercsnél is, az első impulzusnál átüt. Harmadszorra, a diódákra menő ellenállásokon keresztül mégiscsak gerjesztve van valamelyest a vevő tekercs is, ami szerintem megint csak nem jó ötlet.
Sziasztok!
Nem tudom ki építette meg az equinoxot, segítségre lenne szükségem. Amikor megépíttettem működött most hogy be akartam dobozolni kipróbáltam és nem megy. :no: Hiába csinálok vele akármit hangolhatom fémnél nem visít másként. (mostanában csak sípol és már kattogni sem nagyon tud) Szerintem a TL072 ic-el lehet a probléma. Valaki tudna ebben segíteni?
Na, akkor jól gondoltam, hogy nem egy okos megoldás ez. Mindegy, ráérek fejlesztgetni, az lesz a legjobb, ha csinálok sajátot okosan.
Viszont, érdekel valakit Hammerhead NYÁK lemez? Kétoldalas, furatgalvános, lakkozott, profi kivitelben? Olyan 2000-3000Ft körül lehetne csináltatni, nekem csak 2 darab kéne, így még elég drága az egy darabra eső költség. Pl. 10 darabnál már csak 2100 lenne. Infó itt, a D változat átmenő furatos változatát csinálnám.
Az építés sava-borsa a nyák készítés. Ezt csináltatott nyákkal akarod elrontani?
Hmm, most igen.
Kétoldalasat nem igazán tudok/akarok csinálni. Szeretném, ha lenne egy működő, bedobozolt fémkeresőm, aztán majd ha nekiállok fejleszteni, fogok én maratni pont elég nyákot. Meg más témában is csinálok sokat, ezt most szépre szeretném.
Értem. Remélem az a nyák, amit rendelni akarsz, azon rajta vannak a C19 pozíció számú kondinak a töltését őrző sávok. Mert azokon a nyákokon, amiknek a rajzát le lehet tölteni, ezeknek a sávoknak nyoma sincsen. Ez miatt a Hammerhead kikapcsolt AutoTrack Speed kapcsoló mellett használhatatlan, ha változatlan nyák mintázattal építed meg.
Öhhm. Ez a töltést őrző sáv azt hiszem, magyarázatra szorul számomra.
Elolvastam alaposan az ott levő leírást, ott kitér az autotrack használatára, ott azt mondja, hogy JFET vagy inkább CMOS műverősítőt érdemes rakni, ha használni akarom, máskülönben IC8b bemenetén át feltölti a kondit.
Ha az IC8b 5-ös lábát szemléled, látható, hogy a kapcsoló kikapcsolásakor a láb egyenáramúlag a levegőben lóg. Ez miatt a kézi hangolás elmászik, használhatatlan.
Ezt szerintem, olyasmi töltést őrző sávokkal tudod megoldani, mint a Silver Star-nál alkalmaznak a C17 és C18 kondiknál. http://www.freeweb.hu/femkereso/fepites.html A nyákrajzon szemléletesen látható a dolog. Szerintem ez a Hammer hiányossága. Amúgy jó készülék, csak én nem szeretem az automata hangolást.
Jaértemmár így, akkor ez inkább töltést meggátló sáv, márminthogy a nyákról a szivárgóáramok se tudják feltölteni a kondit egyenáramúlag, ha a bemenete már elég jó az IC-nek. Ellenben amit láttam egy adatlapon, hogy a bemenő lábakat felhajlítva, a levegőben szerelve is megoldható a szigetelés.
Hello!
Ma összekötöztem ahogyan a rajzon áttervezted. Így is működik. Mi a külömbség a két kapcsolás között? Erősített jelet küld a buzzerra? Köszönöm a segítséget.
Volna egy kérdésem. Adott egy PI készülék, és hozzá a fej. Ha a készüléket RCA aljzat-dugó kombinációval kötöm össze a fejjel, minden OK, jól működik, frankó az érzékenység. Ha átépítem XLR3 (mikrofon) csatlakozóra, akkor ahhoz, hogy egyáltalán érzékeljen, a mintavételezési késleltetést sokkal későbbre kell állítani és az érzékenység is csapnivaló lesz. Mi okozza ezt?
|
Bejelentkezés
Hirdetés |









. Ha nem tudok műszerhez jutni mit ajánlasz? esetleg ne is álljak neki bonyolultabbnak szkóp nélkül?






