Fórum témák
» Több friss téma |
Köszi szépen válaszotokat!
Honnan szerezzek olyan fetet ? ?Amúgy megvan ennek a biciklinek a gyári elektronikája, azért lett kivéve mert beázott és elromlott az egész, de attól még lehet hogy jó a fet nem? ilyen fekete dobozka, ami 20000 ft lett volna bele. Most azért építettem bele egy másik elektronikát, ami vezérli. köszi!
Szia!
A Lomex-ben kapsz olyan fetet, ami az ilyen elektronikákban szokott lenni: 21-09-84 PJP75N75 (PJT) RoHS N-POWERFET ENHANCEMENT 75V 75A 105W 0.011R TO-220 A kapcsolás hány voltról jár? Az 555-ös, illetve a fetmeghatás 15V-ról kell hogy menjen. Ha 24V-ra kötötted, attól biztosan előbb-utóbb megpusztulnak. Egyébként valamilyen áramszabályozott megoldás kellene, mert mint már előttem mondták, induláskor, lejtőn felfelé elég nagy áramok alakulnak ki.
Vegul is jo a 3205, de lehetne esetleg ketto parhuzamosan igy a disszipacio jelentosen lecsokken. Lenyeges, hogy a FET(ek) Rds(on) ellenallasa minel kisebb legyen. Szoba johet meg a IRF1405 a 5.3 mohm csatornaellenallasaval.
Szia!
Köszi a válaszod, 12V-ról jár az áramkör (7812-es IC-vel) és a fet is 12V-ról nyit, és 24V-os a motor. úgy jó? Rendelni nem nagyon szeretnék, azért kérdeztem.
Köszi!
Az IRF1450-ból egy is elég ahogy néztem a paramétereit ugye?
Szia!
Nekem a kapcsolási rajzon szereplő dolgokkal van egy kis problémám. Lehet, hogy nem tüntettél fel rajta mindent, de nem látom azt a 7812-es IC-t. Márpedig az NE555 nem működik 24V-on. Vagy inkább azt mondanám, hogy igen rövid ideig megy csak. ![]() Valamint a FET Ugs fesz. határértéke a legtöbb esteben 20V, vagy az alatti. Valamint egy a gate-re egy soros ellenállást is tennék, kb. 47R-t. Nagyon fontos még , hogy a FET részére jól illeszkedő hűtőbordát is tegyél fel. Egyébként a az IR1405 FET nagyon választás. DE!!! Ennek is max 20V lehet a gate fesz.! Üdv!
1405. A lenyeg az lenne, hogy a motor utjaba minel kisebb ellenallast kellene tenni. Megfogott allapotban a motor igen nagy aramot kepes benyelni. A FET tullepi a megengedett disszipaciot. Valoszinu ilyen hiba miatt durrog ki a FET. A ket paralel FET-en elosztodik az aram, es igy egyenkent sokkal kisebb lesz a disszipacio. 24, 36 voltos targocavezerlokben is hasonlo megoldast alkalmaznak.
Sziasztok!
Van 12V-os stabkocka csak az nicns rajta a rajzon, meg van sosor ellenállás igaz csak 10 ohm-osat tettem, illetve még a dióda a motornál persze. Hűtőborda majd az elektromos motor váza lesz. És akkor 2 fetet teszek bele, viszont még lenne egy kérdésem, mivel megvan a gyári elektronikája a motornak, csak valami baja lett, azért kellett most ezt a pwm-et csinálnom és abban is van 2 fet, és az biztos jó lenne hozzá de sajnos nem tudom megnézni milyen mert be van öntve azzal a fekete anyaggal amivel az elektronikát szokták lestabilizálni, és hogyan tudnám kimérni hogy mi a lábkiosztása, és hogy működnek-e?köszi előre is!
Megvan az egyik neve f1010e ami 84A és 60V mosfet
A másik meg fmb24l de az szerintem schottky doóda. Hogy bírnám letesztelni hogy működik-e a fet? mert a pwm-hez jelenleg nemférek hozzá. köszi!
Valakinek korábban pont erről írtam privátban, tehát elnézést kérek a stílusért, de a lényeg érthető lesz:
Tudod mi az a lámpázó? Máshogyan folytonosság mérőnek, vagy kijelzőnek is mondják. Ez egy 12V-os elem ( fotoelem, vagy valami hasonló ) sorbakötve egy ellenállás, meg egy LED. Az ellenállás legyen akkora, hogy 2..3 mA-nél ne tudjon több áram folyni. Tehát, ebből a nagybonyolultságú áramkörből kilóg két vezeték, az egyik az elem egyik sarka, a másik meg mondjuk a LED szabad lába. Ugye, ha ezt a két pontot összekötöd, akkor világít a LED. Tehát, ezzel meg tudod nézni, hogy pl. egy trafó primere nem szakadt e, vagy egy relé mely pogácsái vannak alaphelyzetben, vagyis áram nélkül rövidre zárva. És, hogy ez még mire jó? Pl: diódát úgy mérünk meg vele, hogy a két drót közé betesszük a diódát. Ha egyik irányba tesszük be, akkor világít a LED, ha a diódát megfordítjuk, akkor nem világít a LED, hiszen a diódára úgy kerül fesz, hogy lezár. Ha a LED egyik irányban sem világít, akkor a dióda szakadt. Ha meg mindkét irányban világít, akkor a dióda zárlatos. Hogy mérünk ezzel FET-et? MOSFET-et? A FET-nek van egy gate-je, ami mindentől el van szigetelve, tehát, ha az előző lámpázóval rámérsz, akkor szakadást látsz, vagyis nem világít semelyik irányban a LED. Ha egyik irányban világít, akkor kuka. Tehát, ezzel a méréssel már meg tudtad határozni, hogy nagy valószínűséggel jó a gate. Még lehet szakadt, bár én még ilyet nem láttam. Ha a gate a drain-hez világít, akkor is baj van, mert átütött a gate-drain réteg, aztán ez is kuka. A FET-ekben van egy úgynevezett substrat dióda, ez tulajdonképpen a drain-source közé van kötve. ( gyártáskor ez alakul ki, tehát a tokon belül van és nem is lehet kikötni belőle ) N csatornás FET esetén a drain-re megy ennek a diódának a katódja. Ebből az következik, hogy a drain-source kivezetés egyik irányban vezeti az áramot, függetlenül attól, hogy a gate milyen potenciálon van. Ahhoz, hogy a FET drain-source csatornája vezessen áramot, fel kell tölteni a gate-source átmenetet, vagyis kell rá tenni 5...10 V-ot, úgy, hogy a gate legyen pozitív. ( N csatornás FET esetén ) Ezt elég egy pillanatra is megtenni, mert a gate-source között van egy jó nagy kapacitás, ami ilyenkor feltöltődik és csak nagyon lassan sül ki. Tehát, ez a kapacitás feltöltődik, ekkor a drain-source is vezetni fog. Vagyis, ha rámérsz a drain-source-ra, akkor azt látod, hogy mindkét irányban vezeti az áramot. Egyik irányban a drain-source, másik irányban a substrat dióda. ( a gate-et hiába lámpázod, semelyik elektródához nem szabad, hogy világítson, hiszen, ő el van szigetelve a tranyón belül mindentől ) Ha most a lámpázó kivezetéseit megfordítod, vagyis ellenkező irányú feszültségre töltöd fel a gate-source kapacitást, akkor azt kell látnod, hogy a drain-source között ( a csatornában ) megnő az ellenállás és nem vezeti az áramot. Természetesen, ha a lámpázó polaritását megfordítod, akkor a drain-source megint vezet, hiszen kinyit a substrat dióda. Ha így megnézel egy FET-et és ezeket látod, akkor a FET biztosan jó. A nagybonyolultságú lámpázóval sima tranyót is lehet vizsgálni. A tranyó ( bipoláris, BJT ) tulajdonképpen mérés szempontjából két diódából áll. Van egy a bázis-emmitter között, meg egy a bázis-kollektor között. Ezeket simán meg lehet nézni, ahogy az előbb leírtam. A kollektor-emmitter között nem vezethet egyik irányban sem, ugyanis a tranyókban általában nincs dióda a kollektor-emmitter között, vagy azt külön feltüntetik. Ettől kivétel a monolitikus darlington, mert ott szokott lenni substrat dióda, de a katalógusok ezt le is írják. Arra azért vigyázni kell, hogy a bázis-emmitter diódák letörési feszültség max 7 V szokott lenni, tehát, a 12 V-os lámpázó halványan fog világítani akkor is, amikor nem kellene. Ennek megakadályozására legjobb módszer, ha a lámpázó feszültsége max 4,5 V. Tehát, jobb helyeken két lámpázó van, mert a 4,5 V kevés a FET-eknek. ( többnyire ) A tápfesz pozitív pontjára ( motor felső kivezetése ) és a FET(ek) source-ra tegyél egy 10µF körüli MKT, vagy MKP kondit, különben a huzalozás szórt induktivitásában tárolt energiát kénytelen lesz a FET megenni és ez jócskán melegítheti, esetleg agyon is ütheti, hiszen jó nagy túlfeszültségek fognak generálódni a FET kikapcsolásakor. ( Valójában sokkal több kondi kellene ide, elkóból egy szép nagy kupac, mert az akksik nem szeretik a hullámzó egyenáramot. A kondik átlagolnák az áramot, tehát az akksik csak sima egyenáramot kellene, hogy szolgáltassanak. Ezt az olcsóbb kütyükből kispórolják, legfeljebb rövidebb lesz az akksik élettartama. ( de ez azért nem biztos, lehet, hogy semmi problémájuk nincs a nagyfrekvenciás árammal )
Köszi a válaszod!
Kimértem szakadásmérővel, és egyik láb között sincs rövidzár, de persze attól a dióda még működhet az s-d között mert ez a szakadásmérő í diódát soha nemmérte, szóval nagy valószínűséggel jó a fetem, még annyit hogy ugye minden fetnek ugyanaz a lábkiosztása?
Hali!
Fesz. szabályzót keresek max 500W-os DC motor 12V. feszültségére. Amit tudnia kell azt ezzel a videóval érzékeltetem:itt vagy itt ez az utóbbi példa csak a működést illusztrálja mivel az egy szervó moci és nekem sima dc mocihoz kell a vezérlés. Ha valaki tud az első videón látható vezérlést megvalósító kapcsolásról kérem ossza meg velem. Üdvözlettel:Sumi ide is be linkeltem mert nem biztos, hogy az egyszerű vezérléshez való bocs
Sziasztok!
Egy DC motort hajtottam meg PWM-mel. Szkópra kötöttem a kimenetet, és azt tapasztaltam, hogy a jelben igen nagy tranziensek adódnak a felfutó éleknél, gondolom a motor áramfelvétele miatt. Hogyan lehetne ezt szerintetek kiküszöbölni de legalábbis csökkenteni?
Sok PWM áramkör boldog lenne, ha csak ilyen torzitás jellenne meg a jelben. Ettöl sokkal rosszabb dolgok is keletkeznek.
Talán a szondád is tul van kompenzálva, és emiatt rezzen be.
Valóban ahogy az előttem szóló is írta, lehet kompenzálatlan mérőfej illetve hibás mérés (pl hosszan lelógó GND csipesz).
Második körben a nyák kialakítását kell átgondolni. Ha azoknak a köröknek ahol nagy áramok folyak nagy az induktivítása (pl szó szerint nagy áramhurkok) azokon alakulhat ki a tüske ami hozzáadódik a tápfeszhez és a kimenőfeszültséghez. 0V-túllövésre nehéz lecsökkenteni és felesleges is, de mindenképpen lehet csillapítani. Nyákot kell optimalizálni, esetleg a kapcsolási időt növelni. R-C snubbert rátenni a körre.
Van a tápfeszültségen hidegítő kondi?
Szerintem részben mérésügyi lehet a problémád. Próbáld ki, hogy abban a mérési elrendezésben, amiben a felvétel készült, a mérőfej meleg pontját érintsd a gnd vezeték csipeszéhez. Elvileg egy sima vonalat kellene látnod, holott látni fogod a kapcsolási tranziens egy részét.
Szerintem másrészt normális amit látsz, mert ahogy a mások is írták, a félvezető kikapcsolásakor az áramkörben lévő induktív és kapacitív elemeken beleng a rendszer. Ha ez zavar (vagy a rádiózást zavarja), akkor a kapcsoló elem "nyakára" telepített r-c-d túlfeszültség védő hálózattal (snubber áramkörök) lehet mérsékelni a tranzienst.
Üdv mindenkinek!
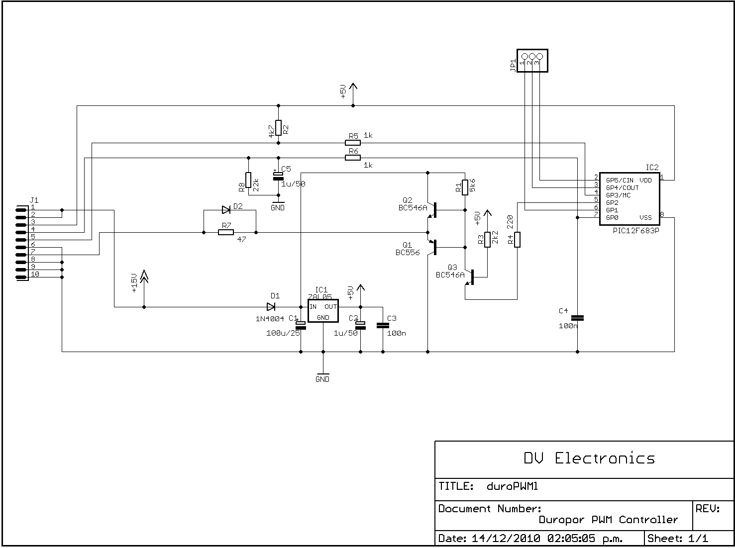
DC motorokat szeretnék vezérelni PWM-mel. Elég ha 1 irányba forognak a motorok, tehát H-híd nem fog kelleni. Az egyik motor terhelve 5 A-t vesz fel, a másik 3 A-t. A PWM jelet egy atemga8 szolgáltatja. A kérdésem az, hogy ebben az esetben alkalmas a vezérlésre a csatolt képen látható kapcsolás? Ha nem, akkor tudtok ajánlani egyet ami igen? ( Ezt én rajzoltam az adatlapot silabizálva, de be kell vallanom nem nagyon értek a tervezéshez. Tehát ne kövezettek meg ha hibás). A rajzon R2 helyére kerülne a motor.
Sziasztok!
Köszi a választ mindenkinek! A mérési pontatlansággal kapcsolatban annyi igazság lehet, hogy a mérési elrendezés eléggé hevenyészett volt mivel híján voltam a megfelelő típusú és mennyiségű kábeleknek szóval elképzelhető ilyesmi is. A meghajtó egyébként NI termék, szóval sajnos abba nem igazán "látok bele", azonban furcsállom, hogy a modulált négyszögjel csak terhelt kimenet esetén mérhető ha nincs rákötve semmi csak valami amorf katyvaszt látni. ![]() Más: a snubber áramkör tervezéséhez tudnátok támpontot adni? Úgy értem mely paramétereket vegyem figyelembe az alkatrészek értékeinek számításakor?
Szoval ez igy nem fog sokat dolgozni. Az elso, hogy a motor a D korbe kell kotni, parhuzamosan egy szabadonfuto diodava. A meghajtas igy nem egeszen eleg, mert a FET bekapcsolasahoz kell azert 8-10 V. A mellekletben a Q1,Q2,Q3 egy FET meghajto, ami 12 voltos szinttel hajtja a FET G elektrodajat. Ez biztosan mukodik 20-30A aramig.
Köszi a rajzot! Tanulmányozom. Itt a +15 V mennyire kőbevésett érték? Mert az egész rendszer egy 9 V-os elemről fog üzemelni. az AVR kap róla +5V-ot egy 7805ösön keresztül (tehát a +5 Voltos rész megoldott). Logikai vezérlésű FET-hez is kell a meghajtó? Az sem kapcsol 5 V-ra?
Mindig meg kell nezni az adott eszkoz adatlapjat. A legfontosabb, hogy a bekapcsolt allapotban teljesen ki kell nyitni a FET-et. A logikai FET-ek sem nyitnak ki teljesen 5 volt meghajtasnal. Az en meghajtom a tapfesz teszi ki a G elektrodara. Termeszetesen lehet kisebb taprol uzemeltetni. Meg egy lenyeges szempont a G meghajtasara. Nagyon fontos a kis ellenallas, mert a G elktroda kapacitaskent szerepel ( 4-5 nF) es a gyors zarashoz, es nyitashoz jelentos aram szuksebes, ellenkezo esetben a zarasi es nyitasi idok megnovekednek, es ezzel ezekben a szakaszokban jelentosen megno a FET disszipacioja.
Nagyon kétlem, és bármelyik, még a legprofibb áramkör is elképesztö mennyiségü szemetet generál PWM hajtásnál.
Ezért irtam, hogy sokan nagyon boldogok lennének, ha csak ilyen torzitást látnának a jelben. Ha ezt a jelet motorra kapcsolod a tranziensek százai adodnak hozzá (a motor maga is fordulatonként minimum 3x fogja megszakitani a "sima" PWM jelet, igy az oszcin gyakran még szinkronizálni sem fogod tudni). Ez ellen teljesen felesleges extra áramkörökkel bonyolitani a dolgot, legfeljebb némi szürö kell majd rá, hogy a szomszédok tudjanak TV-t nézni vagy rádiot hallgatni. (De ha egy modern szaggatos villamos (stb.) mellett élsz, akkor talán már élvezhetted annak a hatásait , pedig ök általában igyekeznek kiszürni a zajokat.... )
Nem tudni milyen a kapcsolásod.
Ha nyitott kollektoros, akkor nyilvánvalo, hogy terhelés nélkül nem fogsz látni semmit. Ilyen esetben nem árt állandoan egy kis terhelést épiteni a rendszerbe (nagyobb ellenállást párhuzamosana motorral), mert akkor minden jel rendben lesz, és esetleg a mérési hibáidat is láthatod (motor nélkül a PWM nem csinál olyan berezgéseket - ha mégis látsz, akkor rossz a szondád). A snubbert meg egyelöre felejtsd el.
Kb. 20 éve kapcsoló üzemű tápot fejlesztettünk. Ott is hasonló belengéseket tapasztaltunk. Már nem emlékszem milyen szempontok miatt volt fontos, de egy sima RC tag a lengések zömét leszedte. Nem mondtam hogy muszáj, de nekünk akkor ez segített.
A kapcsolo üzemü táp azért egy kicsit más, mint a PWM meghajtó.
A tápban (és az ohmos terhelés esetén a PWM-ben is) kerülendö az ilyen tulcsapás. Rendszerint segit az egyszerü RC szürö, habár néha kérdéses, hogy mitöl rezzen be a jel éle. (Sokkal jobb lesz a dolog, ha azt sikerül kideriteni.. .)De ha egy ilyen PWM jelet egy motorra kapcsolsz (komplex - szinte leirhatatlan terhelés), akkor ilyen berezgésekkel aligha érdemes foglalkozni...
Üdv ma építtetem egy pwm szabályzót egy fúróhoz de nem tudom használni mivel a ka555 ( nem volt otthon ne555) vagy ugyan az nem tudom elvileg igen kicseréltem ,meg a irf3710 is kicseréltem egy irf540 esre meg a poti nem 47kr hanem 50kr volt csak otthon illetve a diódák in4151 egyesek az a probléma hogy a a ka555 melegszik 4,5 volton és nem is szabályozható mi lehet a hiba mert hiába tekerem a potmétert nem történik semmi ja és az elrendezés mindegy hogy hogyan állnak az alkatrészek mármint hogy nem egészen a kapcsolásnak megfelelően építtetem meg ezt építtetem meg
|
Bejelentkezés
Hirdetés |




?







