Fórum témák
» Több friss téma |
Fórum » PC táp átalakítás
Szia!
Igen sokszor sok helyen 10...50K -s trimmerig minden előfordul, én javaslom az 1. -es lábon levő ellenállást a föld felé hagy a helyén, a fölső feszültségosztó ennelállásokat szedd ki, semmi se maradjon azon az ágon, majd akassz be egy 40k -s trimmert(+12V | IC 1. láb | null), ezzel föl tudod tornászni a feszültséget 28V -ig! Lenebb is viheted, de 7V alá nem ajánlatos, mert enyhe ciripeléssel jelzi ez neki már megterhelő! Én ezt úgy oldottam meg, hogy meghagytam az 5V -os ágat(ezt lehet butítani ciripelés nélkül) is, kiszedtem egy 110V-230V -os kapcsolót egy másik tápból, és azzal tudom változtatni, hogy éppen az 5V vagy 12V -os részt akarom stabilizálni.
Üdv!
Egyenlőre maradnék a 12 voltos ágnál. Válaszod köszönöm de még mindig választ várok a feltett kérdéseimre.
Itt most először is az a kérdés hogy melyik verzióra alakítasz. Meghagyod a trafó közepét a kettősdiódával (mert elég a max. 25V), vagy pedig kiemeled a trafó közepét a nyákból és teszel be egy graezt-et mert 25V-tól nagyobb feszültségre van szükséged. Egyik esetben kell "vágni" a másik esetben nem. Az áramszabályozással ne foglalkozz, először működjön a feszültségszabályozás rendesen.
Azon mit értesz hogy egyre zajosabb a táp? Ha a zizegésre (ciripelésre) gondolsz az olyan is lesz mert E magból van a meghajtótrafó. Ha kicserélnéd gyűrűre az teljesen csendben lenne.
+-36V-ot szeretne erősítő tápnak, emiatt a földet nem kell leválasztania, csak trafót tekernie, szerintem.
Akkor a helyében első körben kipróbálnám a feszültség kétszerező egyenirányítást, elég 2 dióda és trafót sem kell tekerni.
Előszőr a feszszabályozást akarom megoldani aztán megnézem azt a feszültségkétszerezőt. Minél több teljesítményt akarok kihozni +-36v on . Előszőr veszek egy forrasztópisztolyt mert a régi tönkrement.
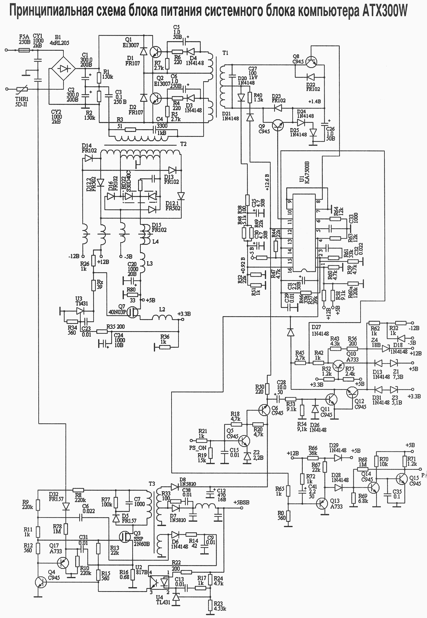
Valaki?Amúgy Codegen 350 wattos tápot alakított már valaki át? Nem lelek hozzá kapcs rajzot, a multi meg szinte mindent mindennel összesípol.
Korábban írtad, hogy a tápodban nincs LM339 IC.
Küldök egy Codegen táp rajzot melyen tranzisztorok vannak az IC helyett. A minősége kicsit kívánnivalót hagy maga után. De van rajz.
Üdv!
Nagyon köszönöm. Válaszokat még várom... Dániel
Találtam egy jobb rajzot.
Üdv!
Köszi a rajzot. Amarton cikke alapján belerajzoltam a módosítások egy részét, egyenlőre csak a fesz szabályzó egyik részét. Nem nagyon értem hogyan kell átkötni az 5 V ről a 12 V re az ellenállásokat így ha valaki elmondaná hálás lennék illetve hogy hova is kötendő a biztosíték. A cikk azt írja állandó GND re kel a 4 es lábat kötni. A 4 es lábon maradhat az a kondi ami a 14 es lábra megy vagy azt is ki kell szedni? A mellékelt rajz átalakítás alatt áll nem végleges.
I. Megkeresed az IC 4 -es lábát, majd leköveted a nyákot, egyik fele egy ellenálláson keresztül a GND -re megy, a másik valahova az oszcillátor felé, na amelyik az oszcillátor felé megy vágd el egy tapétakéssel, vagy szedj ki mindent arról az ágról csak az ellenállás maradjon ami a földre viszi(kondi sem kell). Tehát a 4 -es lábon csak egy ellenállásod van a föld felé! Ezzel kinyírtad a védelmet, a kondik legyenek kicserélve, külömben fölszállnak a mennyekbe!
II. Megkeresed az IC 1. lábát. A nyákon követve két irányba tart, az egyik úgy ahogy van a földbe(vagy egy ellenálláson keresztül), azt hagyd úgy ahogy van! A másik irányt követve arra leszel figyelmes, hogy 2-3 ellenállásban végződik, vagy útközben kapcsolódnak ehez az ághoz, ezek lesznek a feszültségek amelyeket figyel(az ellenállások másik fele a kimenő feszültségeken van). Itt két dolgot tehetsz: a) nagytakarítás, mindent kinyírsz arról az ágról(üresen lóg az éterben) b) elvágod egy tapétakéssel az ágat így egy mozdulattal mindent kinyírtál Fogsz egy 20-40k -s potencióméttert majd bekötöd(12V | IC 1. láb | null ). Tekergeted. Üdv!
Üdv!
Akkor lényegében az 1 es láb is csak GND re van húzva egy ellenálláson keresztül, és ezzel phuzamban a poti. Közben néztem azt a részt ahol a diódát kell cserélni. Itt az a gondom hogy az egyik dióda amit cserélni kéne az egy tokban van egy másikkal amit nem kéne bántani. Visszáb van a kapcsrajz (amit laszlokunstar csatolt) ott a D12 es diódáról van szó. D14 et és D12.2 öt kéne nagyobbra cserélni és D16 ot rövid zárral helyettesíteni.
A feszültségszabályzás már megy?
Nem egésszen vágom milyen diódákról van szó, -12V -os ág?... Esetleg egy képet tudnál küldeni róla? Ha a -12V -os ággal bajlódsz, akkor kövesd vissza a nyákon a -12V -ról visszafele mi van, álltalában 2-3 dióda, azokat vagy kicseréled Schottky -kra vagy átkötöd és ahol több helyet kapsz beraksz egy 3 lábú Schottky -t.
Egyenlőre elméletben megy a dolog. A leírtak alapján már menni fog a fesz szabályzósra való átalakítás.
Igen a -12 voltos ágról van szó. Megnéztem még egyszer és 3 diódáról van szó mindegyik szóló tehát nem lesz velük gond( az elöbb elnéztem valamit). Számomra nem egyértelmű még pár dolog: A biztosítékokat hova is kel bekötni? Ha az átalakítás megvan akkor lényegében 3 kivezetésünk lesz föld negatív és pozitív ha jól tudom. Mely pontok lesznek ezek? Hogy értendő az hogy amíg a diók nincsenek cserélve addig nem terhelhető a negatív rész túlzottan?
Nos amíg a diódák nincsenek cserélve addig a negatív rész 0,6A -ig terhelhető.
A kivezetéseid: Egyik ágban: a régi sárga vezetékek(+) és a GND(-) A másikban: GND(+) és -12v(-) Ha a +5v -t is ki akarod vezetni(alacsonyabb feszültségeken érdemesebb használni), akkor régi piros vezetékek(+) és GND(-). A régi fekete vezetékek is GND-k! A biztosítékokat értelemszerűen a +12v és -12v ágakra, vagy ha javasolhatom használj egy biztosítékot, közös GND -t, és kösd be a GND-be, ezzel egyszerre mindenik ágat véded egy biztosítékkal. Tehát GND -> biztosíték -> közös GND -k.
Köszönöm szépen az információkat és a segítséget.
Holnap még kérdezek de most megyek aludni mert késő van. Üdv!
Üdv!
Elakadtam a diódakeresésben.Multival nem tudom visszakövetni mert minden a közelében lévő diódával kontaktust mutat. Ha jól értelmezem a leírást és a kapcs rajzot akkor rajz szerint D14 és D13 at kell kicserélnem? kapcsolási rajz Valkai nem rendelkezik ennek a tápnak a nyáktervévével?
Igen, azt a kettőt kell. Javaslom az ágon menj visszafele a trafóig majd emeld ki a diódák egyik lábát. Bekapcs, ha nincs azon az ágon áram akkor kinyírtad
, most jöhetnek a cserediádák! Amúgy a negatív égakban levő diódák nem lehetnek hűtőbordán, így csak sima diódákat kell keresned.
Ja és ne rajz szerint menj, az egy ábra, semmi más, minden táp más, két egyforma tápot nem kapsz csak ha a model egyezik, ennek elég kevés a valószínűsége...
Üdv!
Igen tudom hogy a rajzok nem pontosak de már a sáv visszakövetésekor 4 diódát találtam, alaposabban átnézem és este fele jelentkezek mi a helyzet. Nem rossz ötlet a dióda félig való kiemelése.
Sok szerencsét, majd írj mi van, csak egy tűvel húzd ki az egyik felét, tuti módszer
.
Sziasztok! Engem az érdekelne, hogy egy PC tápból ki lehetne-e csikarni a trafó bolygatása nélkül 45V-ot? 3db sorbakötött 12V 14Ah-s zselés akkuhoz kellene töltőt építenem, és hagyományos trafóm nincsen itthon megfelelő, PC tápból viszont van egy rahedlira való
Itt a videó egy része amit a labortápos topikban ígértem. ATX labortáp teszt a konyhaasztalon: Bővebben: Link
Annyira azért nem rossz.
És esetleg tudnál valami kiindulási alapot is adni, hogy hogyan? Én konkrétan egy 200W-os AT-s Codegen tápot szemléltem ki áldozatnak, nekem végülis 45V mellett 4A-re lenne szükségem. A segítségedet előre is köszönöm
Két oldallal előrébb találsz rajzot. A főtrafó kimenetéről minden alkatrészt szedj ki a snubber (RC tag) kivételével. Kiemeled a nyákból a trafó szekunderének közepét (mellette lévő vastag sodrat). Megkeresed a trafó két végét (+ és -12V-os ág, egy kettősdióda lógott rajta). Ide teszel gyorsdiódákból egy graetz-et ami legalább 6A-t elbír. Erre rákötöd a volt +12V-os ág fojtóját és egy 470µF legalább 63V-os kondit. Az így kapott negatívot összekötöd a régi test-el. Az IC 1-es lábára akkora osztót teszel hogy 45V-ot kapj a kimeneten. Kezdésnek ennyi.
Üdv!
1-es lábat egy ellenálláson keresztül földre húztam többi ellenállást kiszedtem onnan, 4-es láb szintén egy ellenálláson keresztül földre megy, de itt volt egy elágazás ami egy tranyó hoz megy ott átvágtam a fóliát látszik is a panel viszont még mindig összesípol ez a rész a lehúzó ellenállással.Illetve egy sávon van a lehúzó ellenállás két másikkal ami az 5 ös és 6 os lábra ment azokat is kiszedtem. A -12 volthoz menő diódákat még mindig nem találom, lehet hogy egyenlőre nem lesz szimmetrikus tápként használva. A kimenetekre sorosan megy a bizti vagy valahova máshova?
Kimaradt hogy 2 es láb jelenleg a levegőben lóg nincs sehova sem kötve onnan is kiszedtem az ellenállásokat.
1. a kettes lábra vissza mindent
2. 4 es láb egy ellenálláson keresztül a földbe megy, semmi más nincs rajta, átvágtad, oké! 3. 1-es láb lásd mellékelt kép, így kell kinéznie! Előbb old meg ezt, hogy szabályozható legyen majd utána állj neki a negatív ágnak! A biztosíték le lett írva, de leírom még 1x röviden. Két megoldásod lehet: I. egyszerre védel mindent, közös GND -t használsz egy soros biztosítékon keresztül. II. egyenként véded az ágakat, ahány kivezetésed annyi biztosíték. Üdv! |
Bejelentkezés
Hirdetés |







Esetleg egy képet tudnál küldeni róla? Ha a -12V -os ággal bajlódsz, akkor kövesd vissza a nyákon a -12V -ról visszafele mi van, álltalában 2-3 dióda, azokat vagy kicseréled Schottky -kra vagy átkötöd és ahol több helyet kapsz beraksz egy 3 lábú Schottky -t.






