Fórum témák
» Több friss téma |
Fórum » Hangváltók (készítése)
A mértékegységeket a mérőszámtól szóköz választja el. A személynevekből képzett mértékegységek (Volt, Ohm, Amper, stb.) nagybetűvel írandók!
MKP kondenzátort válasszad!
Köszi a választ.
Hali! Még annyit szeretnék, hogy le tudnád nekem rajzolni a bekötését. Előre is köszönöm üdv.
Melyikét???
- pezo simán - piezo+papír magassal?
Helló! piezot simán. Köszi előre is. Nem nagyon értek hozzá. Ha úgy le tudnád nekem rajzolni,hogy a kondi hova megy meg az ellenállás meg az mind1 ,hogy hova megy a + meg a -- .
Helló! Nagyon szépen köszönöm a segítséget. Még egy kérdés a mély hangszóróra nem teszek hangváltót csak a piezón lesz az nem lesz baj? Váűálaszod előre is köszönöm.
2 utasnál nem mindig kell, és nem lesz baja, ha teljes sávon engeded szólni!
Ezt a piezó elé?
Attól még nem lesz alkalmas ,hogy paint-tel odaírod ,hogy piezzó. Ez nevetséges.
kifejtenéd bővebben, hogy mitől nevetséges a rajz???
Hát persze.
Az piezó 10k ohm körüli impedanciáját ,és az érzékenységet illeszteni kell. De van erre topik is keresd meg agressiv felhasználót ,ő ebből doktorált.
Helló! Nézd meg a gugli találatokat: piezo crossover
kereső szóra.
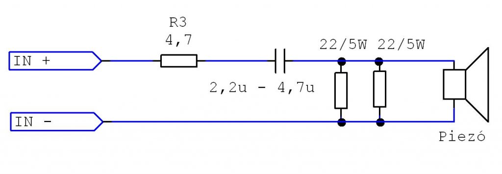
Kösd be így, aztán majd meglátod (meghallod) hogy kell e alakítani rajta.
Az R3 ellenállás a piezó érzékenységét csökkenti 105 dB-ről a mélyközép érzékenységének megfelelő szintre. Értékét méréssel esetleg meghallgatásokkal lehet beállítani, amit odaírtam nem mérvadó, ettől valószínű hogy nagyobb kell. A soros kondi értéke a kereszt frekitől függ, kb a 2,2u-4,7u lesz megfelelő, de ezt is majd ráfüleléssel kell megállapítanod. A párhuzamos 22 Ohm/5W-ok helyére tehetsz 3 db 27 Ohm/5W-ot is.
Igen valóban a piezó érzékenységét csökkenti kell és az maradt le, de az rá ért volna utána mikor már kész a váltó és beszereli és meghallgatja, hisz teljes sávon ment volna a mély, így nem lehet előre megmondani milyen értékű ellenállást tegyen majd be!
Nagyon sokféle verzió és találat létezik!
Sokkal följebb váltana mint 8 Khz. Amúgy szó sem volt eddig külön papír magasról amikor a tanácsot adtad a váltóhoz ,ez csak így utólag keveredett a történetbe. Így nem lehet segíteni! Bassmester által felrakott rajzal már lehet mit kezdeni.
Rendben oké vettem! Én vetettem fel a +magas lehetőségét, mert magas vágási frekin szól szépen és egyenletes átvitellel a piezo, lejjebb engedve csak csörömpölés lesz majd hallható, de ezt is van aki szereti!
A tekercs akkor sem jó oda, mint ahogy "lerajzoltad".
Hát az most ott ellenálást szimbolizál. Igaz tekercs jelölése ,de mellé van írva ,hogy R.
Rosszul értelmezed a rajzot, mert gyorsan készítettem és tekercs rajzot tettem ar R1 helyére de az ellenállás akar lenni, hisz oda írtam, csak az ábra nem ellenállást mutat!
Helló !
Olvasgattam a hangváltókról itt az infókat, és arra gondoltam, hogyha egy zobellel a hangszóró impedanciáját nagyjából állandó értékre hozzuk a frekvencia függvényében, akkor mi változik a hangban ? Mert a hangszóró impedanciája attól még nem változik. Az hogy vele párhuzamosan van kötve valami, és így a kettőnek együtt állandó az impedanciája, akkor mi van ? A hang csak a hangszóróból jön. Azon meg nem változik semmi. Vagy ezek a dolgok máshogy működnek ? Valaki szaki ha el tudná magyarázni, megköszönném. Üdv !
Ezek szerint nem figyelmesen olvastad el!
Hogy egyszerű legyek: Minden befolyásolja a hangot akár párhuzamosan van a hangváltóban akár sorosan...
Értem hogy a hangot befolyásolja, de hogy miért lesz ettől jobb, azt nem értem.
Azok a frekvenciák, amiknél eddig nagyobb ellenállást mutatott a hangfal, most szépen részben elmennek a zobel felé, nem ? De az meg nem ad hangot. ![]() :nemtudom:
Azért lesz jobb, mert a végfokot érdemes egyenletes terhelésnek kitenni, ezen segít a zobel kör. Aztán a hangszóród rezonancia frekvencián mutatott magas impedancia kiugrását korrigálni érdemes. A zobelkör beszerelésével a hangváltódnak megváltozik a karakterisztikája. Bár ezzel finomhangolni tudod a váltódat. Főleg akkor érdemes ezt beszerelni, ha 6dB/okt. váltó van a mély előtt, vagy is csak 1db tekercs.
Sziasztok!
Hangváltó készítésében kérném a segítségeteket. Adott egy hangfal pár, ami csak mély sugárzóként funkcionálna, de még nincs benne hangváltó. Ebben szeretném a segítségeteket kérni. A hangszóró(k) adata(i): Size: 12" / 160mm Impedance: 8ohm Power handling: 150 / 300W Frequency range: 28Hz - 2.8kHz Voice coil: 51 mm Sensitivity (1W/1m): 91 dB Magnet size: 40oz Re: 7.3 Ohm Fs: 28.5 Hz Qms: 3,53 Qes: 0,79 Qts: 0,64 Cms: 550,71 ?m/N Mms: 56,63 g Vas: 194,53 liter BL: 9,68 T*m SPL: 90,75 dB/W/m EBP: 36,10 Előre is köszönöm a segítséget!
Sziasztok! Az lenne a problémám hogy a kocsiba úgy van gyárilag hogy fenti kis hangszóróból jönnek a magasak lentről a mélyek. Az lenne a bajom hogy fentről sok középmagas jön, ezért kikellett kötni, de egy meg kevés a magas ami lenti 2 utas jblből jön (arra lett kicserélve. Elméletileg ugye az alsó hangszóró telibe kapja a hangot mindenféle szűrő nélkül, a magasról meg egy kondenzátor vágja le a mélyeket. Ha azt akarom hogy magasabb hangokat engedjen át, jobban vágja le a mélyet akkor kisebb vagy nagyobb kondit rakjak be? Hogy lehet kiszámolni a vágási frekvenciát?
Köszi!
Kisebbet. Ha csak egy kondi van akkor egy sima 6dB meredek felül-áteresztő szűrőt kell számolni.
Köszönöm, és milyen képlet alapján tudok számolni? Nem találom sehol a felüláteresztő számítását.
Találtam egy jó internetes kalkulátort, de az szerint ellenállás is kell. Tényleg kell az is, nem elég egy kondi?
Szia! Ellenállás az érzékenység csökkentésére kell!
|
Bejelentkezés
Hirdetés |






