Fórum témák
» Több friss téma |
Fórum » PC táp átalakítás
Megpróbáltam a +12V-ot rákötni a +5V-ra, de a táp leáll. :no:
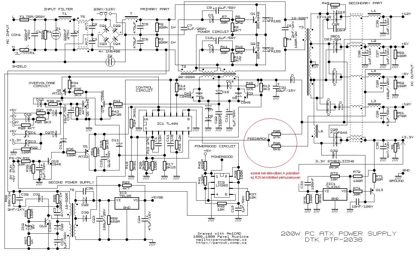
Nem a két ágat kell összekötni, hanem a TL494 figyelőellenállását kell átkötni a 12 V-ra, ami eredetileg az 5 V-on volt.
hali esetleg képt nm tudna valaki feltenni,hogy pontosan melyik a figyelő ellenállás?
Az optocsatoló és az UC3844N a lényeg.
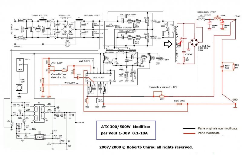
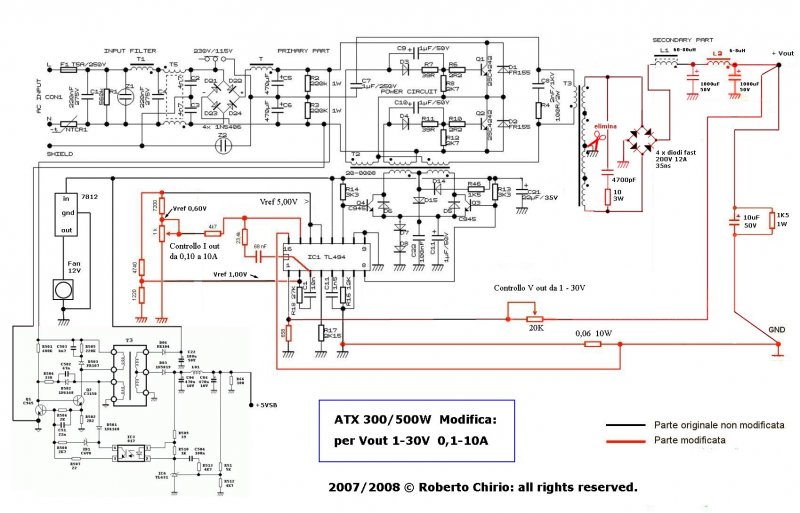
Az optocsatolónál kell egy átkötés és ellenállás csere a TL431-nél. Mellékelek egy lehetséges átalakítási rajzot, reméljük szerencséd van. Esetleg jobb, ha az átkötést egy 11k-s ellenállással végzed, és a 3,9k-s ellenállást nem változtatod meg. Az optocsatoló esetleg elszállhat.
Sajnos kitartó keresés után sem tudtam megtalálni az alkatrészeket. Azt hiszem nem kinlódom ezzel a régi AT táppal, hanem a hétvégén veszek egy becsületes ATX-et és azon eszközölöm a változtatásokat. Mindenestre köszönöm a segítséget!
Azt nem írtad még, hogy milyen célra szeretnéd átalakítani.
1 esélyt még adjál neki, szerintem kicsi a 15 ohmos terhelés az 5 V-on, csak 333 mA-rel terheled. 1 A felett nézd meg mi a helyzet, hátha...
Megpróbálom! Egy hangfrekvenciás erősítőt szeretnék táplálni vele.
Felhívnám figyelmedet, hogy kerüld a kínai tápokat, lásd fényes hajlékony fémház, ezekben ugyanis 90% 2003 valamint 2005 -ös IC van, ami nem kis fejfájjást fog majd kozni neked!
Javaslom keress matt szürke tápokat, azokban álltalában amcsi IC van, amit már nem olyan nehéz bütykölni, javaslom a Delux -ot!Üdv!
Figyelni fogok rá, kösz!
Most bontottam egy matt szürke tápot. 2003-as IC van benne. szerencsére, csak 3 kondi púpos benne.
A 2003 nem olyan nagy gáz, a 2005! Mmmmm, aminél külön tekercsen van a -12 és a +12-őt is úgy állítja elő, hogy az egyenirányított 5voltra ülteti rá a plusz feszt.
Na az a kihívás...
Na van egy kis problámám a pc táp átalakítással. Váltó feszt ad le csak max 7 voltot. Annyit csináltam h a tl494 ic 1es labara tettem 22k trimert a masik labat pedig a 12v kimenetre. pufferkondikat cseréltem. és tl494 es ic 1 es labara meg tettem 470 ohm ellenálást a másik végét pedig a gnd-be. Mást nem módosítottam.
Ezek szerint a 22k-s potméter párhuzamosan van kötve a figyelő ellenállással? Akkor lehet a 7 V. Nagyobb a visszacsatolás feszültsége.
Ezt a váltófeszültséget nem értem. A trafó kimenetén ott vannak a schottky diódák, a dióda és a föld közé van kötve az elektrolit kondenzátor. Az elko + ága és a TL494 1-es lába között van a 22k-s potenciométer. A diódának egyenirányítania kellene. A TL 494 1-es lába és a +12 V között még van egy ellenállás is. Azt iktasd ki, valamint az 5V-on levő figyelő ellenállást (visszacsatolás) is.
De a mellékelt rajz szerint be kell iktatni egy diódahidat, amit meg nem csináltam. És a 5v on lévő figyelő ellenállás melyik lábra csatlakozik?
Egyikre sem. A 20k poti a "figyelő ellenállás".
De van egy lm 339 ic a tapon a tl494 mellet azt nem kell babrálni?
A 339-es komparátor a "power ok" jelzés elkészítéséhez kell.
Az az a rajz, amiről beszéltem és mellékelted, mely alapján meg kell valósítanod.
Minden táp más, de a fő elvek azonosak. A mellékleten bejelöltem a visszacsatoló ellenállásokat.
Egyenirányítás nélkül hogyan szabályozzon az IC?
Üdv Inhouse
De nekem nem szabályoz rendesen, mert ha maxra tekrem a potit van 6, nemtudomhány volt és ha lejjeb veszem akkor van 7 volt de VÁLTÓBA!! Sztem kell oda valami egyenriányítás csak nemtudom hova.
Ahol bejeloltem ott el kell vágni egy trafó szec. tekrcsét a földtöl? ÉS az nem a főtrafó lenne?
Az izoláció miatt tud a tápod dupla akkora feszültséget. A "régi" negatív ágon levő kis áramú diódákat ki kell cserélni! Az előző 2 hozzászólásomban említett ellenállásokat pedig kivenni!
Jó lenne már tudni, hogy mit is alakítátottál át és hogyan...
Nincs a szekunderen rajta az egyenirányítás? Akkor mit vársz, hogyan működjön a dolog? Üdv Inhouse
De hány A -es egyenirányító dióda kell?
Na szóval leírom mit is alakítottam át. (Egy ATX táp volt benne lm 339 és egy tl494 ic) Előszőr pufferkondikat cseréltem. Aztán kivettem az lm 339- et. A tl494 1 es lábáról le szedtem mindent. Ráraktam az 1 es lábra a trimmer poti egyik lábát (22k) a másikat pedig a +12v ra raktam. Az 1 es lábra még ketult egy 470 ohm-os ellenállás és a másik vége a gnd-be.
És nekem itt ahol bejelölöm nem azt a trafó gnd kivezetését kell elvágni amit mellékelek?
Pontosítok. Kiforrasztod a panelből a föld vezetékét a trafónak, és zsugorcsővel leszigeteled. A forrasztásnak a végén nem szabad elválnia. A képen a bal oldalt levő vastag hosszú vezetékkorbácsról lenne szó.
Shottky dióda lesz csak jó, olyan mint a kisfeszültségű oldalon a hűtőbordán van. Általában dupla schottkyval szokták megoldani. Mekkora? A tervezett kimeneti feszültséghez és áramhoz igazodjon. A régi is lehet, hogy használható. Lehet válogatni. A 230V 60w-os izzót a teszt idejére ne felejtsd el bekötni sorban a táppal!
Ez alapján még mindig nem értem, hova lett az egyenirányítás?
Üdv Inhouse |
Bejelentkezés
Hirdetés |






Javaslom keress matt szürke tápokat, azokban álltalában amcsi IC van, amit már nem olyan nehéz bütykölni, javaslom a Delux -ot!










