Fórum témák

» Több friss téma
Fórum » Elektronikában kezdők kérdései
- Ez a felület kizárólag, az elektronikában kezdők kérdéseinek van fenntartva és nem elfelejtve, hogy hobbielektronika a fórumunk!
- Ami tehát azt jelenti, hogy a nagymama bevásárlását nem itt beszéljük meg, ill. ez nem üzenőfal!
- Kerülendő az olyan kérdés, amit egy másik meglévő (több mint 17000 van), témában kellene kitárgyalni!
- És végül büntetés terhe mellett kerülendő az MSN és egyéb szleng, a magyar helyesírás mellőzése, beleértve a mondateleji nagybetűket is!
Lapozás: OK   1460 / 4047
(#) adam21. válasza pucuka hozzászólására (») Szept 26, 2011 /
 
És még annyit, hogy ezt az R4 és R1-en átmenő áramot és feszültséget hogyan lehet kiszámolni, úgy hogy nem vonogatok ki egymásból semmit(ahogy az előbb leirtad)?
(#) lacroix hozzászólása Szept 26, 2011 /
 
Sziasztok!

Én nagyon új vagyok itt, most kezdtem szinte az elektrot is.
Kérdéseim:

1, PIC és AVR-ek között mi a különbség? 3esetleg erről doksi van valami magyar? jelenleg Arduinoval próbálkozom.

2, honnan tudom, hogy egy arduino hány db mikro szervot képes meghajtani? egyáltalán képes DC motort is, steppert? Mi a különbség a motorok közt?

3, Láttam a motoroknál olyan értéket, hogy 2 kg/cm, ez mit takar? (nyomaték..?) Honnan tudom, hogy maximum hány km/h-ra képes egy motorra, illetve a sebesége mekkora?

4, Igaz, hogy egy DC motorhoz valamilyen panelre van szükségem, mert ahhoz nagyobb áram kell, vagy vmi ilyesmi?

Előre is köszönöm a segítségeket.
(#) adam21. válasza adam21. hozzászólására (») Szept 26, 2011 /
 
Az I4 áramot úgy számoltam ki, hogy I4=(I2/(12100))*100 = 0,077mA.
Ez jó lenne?

I2 az az R2 után lévő áram, ezt elosztom R4:R1 arányban majd szorzom a kisebb ellenállással?
(#) pucuka válasza adam21. hozzászólására (») Szept 26, 2011 /
 
Tőlem aránypárral, vagy lin egyenletrendszerrel is kiszámíthatod. A négy alapműveletet akkor is el kell végezned.
Az U5 feszültség megoszlik az R2, és az (R1×R4) között. ha megvan a feszültség az R1, R4 -en, abból számolhatod az ellenállásokon átfolyó áramot egyenként.
(#) adam21. válasza pucuka hozzászólására (») Szept 26, 2011 /
 
De amit az előbb leírtam az R1, R4-re az a kiszámítási mód jó?
(#) pucuka válasza adam21. hozzászólására (») Szept 26, 2011 /
 
Nem tudom mi az az I2, az R2 utáni áram. Ha az R2 -őn átfolyó áramra gondolsz, akkor jó.
De ha tudod az I2 -őt, akkor tudod az R2 -őn levő feszültséget is, illetve az R1, és R4 -en levő feszültséget is. Amiből számolhatók az áramok. De ha neked jobban fekszik az aránypár, számold azzal, de azzal könnyebb tévedni, és nehezebb átlátni, ha netán hibáznál.
(#) adam21. válasza pucuka hozzászólására (») Szept 26, 2011 /
 
Igen, az R2-őn átfolyó áramról beszélek.
Az R2 feszültsége meg van határozva, az a baj hogy az R1-et és R4 feszültséget nem tudom, hogyan lehetne nem aránypárokkal meghatározni, mármint azon kívül amit korábban javasoltál, hogy U5-U2.
(#) pucuka válasza adam21. hozzászólására (») Szept 26, 2011 /
 
Lehet bonyolítani, de minek. Minél bonyolultabb valami annál nagyobb a hibalehetőség. Felírhatsz egy egyenletet az I4 áramra, aztán szépen sorban behelyettesíted az ismert értékeket, amiket még nem ismersz azokat szintén behelyettesíted az ismert értékekkel, és igy tovább egészen addíg, amig a képletben csak ismert értékek szerepelnek. Utánna elvégzed az egyszerűsítéseket, és kiszámolod az I2 áramot.
(#) pap1k hozzászólása Szept 26, 2011 / 1
 
van egy nv 8600gt silent video kartyám,jatékoknal saktabla szerűen ,apro kockak al telivan amonitor alig latok valamit,legyszi segicsetek kőszi
(#) sastas válasza pap1k hozzászólására (») Szept 27, 2011 /
 
Kérlekszépen, neked megsült a videókártyád. Vagy beviszed szervizbe és "megcsinálják". Vagy inkább veszel egy újjat. Ezzel házilag semmit nem tudsz kezdeni. Nekem is pont ugyanez volt kb. fél évvel ezelőtt.
(#) lacroix hozzászólása Szept 27, 2011 /
 
Szerintetek lehet Arduinora rákötni egy webcamot és arról valahogy kinyerni a képet? Bluetooth, wifi, stb..?
(#) Action2K válasza lacroix hozzászólására (») Szept 27, 2011 /
 
Szia! Lehet. De lehet, hogy nem a legpraktikusabb módon.
Viszont, nem szeretnélek megbántani kedves László druszám, de mint írod, s a kérdéseidből is látszik, nagyon kezdő vagy. Nem tudom, hogy 10 évvel ezelőtt milyen szinten elektronikáztál, de, mielőtt fejest ugrasz a Niagarába, nem ártana előtte megismerkedni a fürdőkáddal. Azaz, az elektronikát is szépen lassan kell elsajátítani, hogy ne csak a "huhh, végre működik" módon élvezd ezt a hobbit, hanem értsd is, hogy mi, miért, hogyan van. Ha szépen, fokozatosan haladsz, akkor egyre komolyabb és komolyabb dolgokat építhetsz, s a végén eljutsz oda, hogy könnyedén megépítsd a szíved vágyát, egy saját robotot. Programozásban, ha elgépelsz valamit, kijavítod és minden jól működik. Az elektronikában elkötsz, elszámolsz valamit, s füsté válik. Kár egy 53$-os fejlesztőeszközt egy mozdulattal az örök vadászmezőkre küldeni.
(#) lacroix válasza Action2K hozzászólására (») Szept 27, 2011 /
 
Mit jelent, hogy "nem a legpraktikusabb módon"?

10 évvel ezelőtt egy 4 éves szki-t húztam le, alapok megvannak kb. Illetve most pár alap kapcsolást. Persze ez a kamerás dolog még csak elméleti dolog lenne, első körben egy egyszerű kis serial/BT-s szervos cuccot csinálok, ez azért tényleg gyerekjáték. (majd androiddal vezérlem)

Viszont ezek után kellene majd a kamerás cucc, de ezt nem sok helyen láttam. (amit láttam az valami egyedi kamerás modul volt hozzá, nem egy webcam)

Egyébként ez annyira szerintem még nem robotika, ha mozgatok 2-3 szervot... De azért igen elismerem, hogy rám fér a tanulás, esetleg tudnál ajánlani oldalakat ez ügyben?

Leginkább Arduino érdekelne, shield-ekről info, szervokról. (feszültségek, áramok, szervo/dc/léptető motorok, sebesség, nyomaték, ilyesmik) Szerencsére elég gyorsan tanulok.
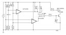
(#) blackdog válasza pucuka hozzászólására (») Szept 27, 2011 /
 
Sziasztok!

pucuka ötlete alaphán addig jutottam, hogy van tisztességes H és L szintem komparátorrak és fesz. osztóval.
Viszont a kimenet kapuzása nem jön össze.

Mellékeltem egy grafikont, hogy hogyan szeretném megvalósítani. A NAND kapuval az a gondom, hogy nincs meg a hiszterézis gyakorlatilag ugyan ott kapcsol be és ki.
(#) Action2K válasza lacroix hozzászólására (») Szept 27, 2011 /
 
A webkamerák nem szabvány USB eszközök. Mind egyedi driverrel megy. Ezt Neked kellene megírnod, viszont a gyártó semmilyen kommunikációs protokolt nem ad közzé. Ezért láttad az a spec kameramodult, ami vagy szabványos, vagy van doksi hozzá.

2-3 szervó összehangolt mozgatása, már majdnem robotika, még akkor is, ha csak egy kis játékautó.

"feszültségek, áramok"
Ezen alapfogalmak ismerete, egymáshoz való viszonyuk, mértékük, határok, szintek... mind egy egy nagy témakör. Akár itt a topikok között, de a cikkek között is találsz olvasnivalót róluk.

"szervo/dc/léptető motorok, sebesség, nyomaték"
Ezek mind-mind más technikával működő motorok. A fórumon és cikkek között mindről van olvasnivaló.

Idézet:
„Szerencsére elég gyorsan tanulok.”
Az jó, mert nagy a "tananyag".
(#) proli007 válasza blackdog hozzászólására (») Szept 27, 2011 /
 
Hello!
A komparátor IC egy "nullkomparátor". Ami azt jelenti, hogy az átváltás a kimeneten mindig akkor van, ha a két bemenet feszültség szintje azonos. (Vagy is nulla a különbség közte) Így hiszterézise sincs, csak akkora, mint ha a kimeneti feszültség változást elosztanánk a nyílthurkú erősítéssel.
Hiszterézist pld. úgy tudsz készíteni, hogy pozitív visszacsatolást alkalmazol, a kimenetről, a nem invertáló bemenetre. Ez estedben egy soros dióda-ellenállást jelent, úgy bekötve, hogy a dióda katódja nézzen a komparátor kimenete felé. (A dióda csak azért szükséges, hogy a hiszterézis állítása, ne hasson vissza a bekomparálási pontra.)
Na ez a grafikon varázslatos, én ebből nem tudom mit szeretnél. Inkább írd le, logikailag mit szeretnél..
üdv! proli007
(#) proli007 válasza kisDohi hozzászólására (») Szept 27, 2011 /
 
Hello!
Ha jól láttam, nem válaszoltak a kérdésedre.
Azt írod, hogy ASATBIL módban üzemelteted. De ez a mód tulajdonképpen egy ütemadót takar. Mihez nem egy, hanem két idő tartozik.
Van egy idő, míg húzva van a relé, és egy a másik, míg el van engedve. Majd az egész kezdődik elölről. A két idő, a kondi töltés és kisütés idejétől függ.
Töltődni az R1-en és a diódán keresztül fog. Tehát gyakorlatilag csak az R1-et kell figyelembe venni. Az idő kb. Ton=R1*C1*0,69 (Eddig a relé húzva lesz.)
Kisülni, pedig az R2-őn és az IC-n keresztül fog. Tehát Toff=R2*C1*0,69 lesz. (Eddig lesz a relé elejtve.)
Ez szerint kiszámolhatod a szükséges időket.
üdv! proli007
(#) blackdog válasza proli007 hozzászólására (») Szept 27, 2011 /
 
Nos a következőt próbálom elérni:
Most ugye van két logikai szintem. Az egyik legyen (A) akkor vált magas szintre, ha a hőmérséklet 35°C fölé megy. A másik legyen (B) akkor magas, ha a hőmérséklet 45°C fölé megy.

Én azt szeretném, hogy akkor kapcsoljon be a ventilátor, ha elérte a hőmérséklet a 45°C-t és csak akkor kapcsoljon ki, ha a hőmérséklet 35°C alá csökken.

Alap eset, hogy melegszik a hőmérséklet:
Ekkor előbb A lesz H szinten majd B és ekkor bekapcsol a venti.
Ha elkezd visszahűlni akkor előbb B majd A megy alacsony szintre. És kikapcsol a ventilátor.

Sajnos eddig csak annyit értem el, hogy stabilan kapcsol be-ki 45°C-on. A 10 °C visszahűtés nem tudom elérni.

Abban a grafikonban a logikai szinteket és ventilátor állapotot próbáltam szemléltetni.
Bízom benne, hogy most sikerült jobban fogalmaznom.

üdv.: blackdog
(#) proli007 válasza blackdog hozzászólására (») Szept 27, 2011 /
 
Hello!
Ezt alapvetően egyetlen komparátorral is megoldhatod. Kapcsolási szintet 45fokra állítva, a visszabillenést meg a visszacsatoló ellenállással 35fokra. De alkalmazhatsz két null komparátort is, kimenetükön egy RS tárral. (Nem csak egy kapuval) ekkor a bebillenést egyik komparátor végzi, míg a kibillenést egy másik.

TEMP-COMP.png
    
(#) jokerkiller hozzászólása Szept 27, 2011 /
 
Hali! Egy régi sima csatlakozós billentyűzetet szeretnék átalakětani usbssé. Nem vágtam le a csatit a végén hanem a vezetéken vágtam egy 4 cmes rést és 4 db vezetéket találtam. Van egy piros egy fehér egy sárga és egy zöld. Na az jó hogy 4 vezetéke van mert az usb csatinak is, de nem tudom hogy melyiket melyikhez kell kötni. Na ebben kellene most egy kis segětség.
(#) dawe69hun hozzászólása Szept 27, 2011 /
 
Helló van egy kapcsolási rajzom, én csináltam, gyakori kérdéseken már mondták h van vele baj
Az a gyanúm, hogy hibáztam amikor a VDD és a VSS eket rákötöttem + - ra...de nem biztos...ja és mondták h 5v kevés stb.
picel akarom vezérelni a ledeket...fényerősséget állítani remélem tudtok segíteni, továbbá elméleti segítség is kéne, hogy hogy számítom ki h elbírja e, hány v kell neki, hova milyen ellenállás kell esetleg szal minden számítás ami egy ilyennél szóba jöhet... nagyon kezdő vagyok, most kezdett el a dolog érdekelni, még csak elméletben nemsokára viszem át gyakorlatba...ha jó lesz minden

itt a rajz: http://imageshack.us/photo/my-images/199/krds.jpg/

Tisztelettel, Dávid!
(#) blackdog válasza proli007 hozzászólására (») Szept 27, 2011 /
 
Köszönöm a rajzot.
Hazafele jövet épp én is azon filóztam, hogy flip-folp lesz a megoldás, de amit küldtél az egyszerübb. Előbb ezt próbálom ki amit rajzoltál.
(#) blackdog válasza jokerkiller hozzászólására (») Szept 27, 2011 /
 
A régi alatt AT vagy PS/2 csatlakozót értesz?
(#) jokerkiller válasza blackdog hozzászólására (») Szept 27, 2011 /
 
Lila a csatlakozó akkor szerintem PS/2 nem ?
(#) adam21. hozzászólása Szept 27, 2011 /
 
Üdv.
Van itt ez a kapcsolási rajz.
R1=1000 ohm

R2=2000 ohm

R3=3000 ohm

R4=4000 ohm

R5=5000 ohm

Kiszámoltam papiron az eredőjét: 8,111 kohm
Szimulációs program szerint meg csak 591.195 ohm.

Mitől lehet ez?

Névtelen.png
    
(#) proli007 válasza adam21. hozzászólására (») Szept 27, 2011 /
 
Hello!
A szimulátornak van igaza. De ha kicsit jobban megnézted volna a rajzot, akkor láthattad volna, hogy R1 (sőt R2 is) párhuzamosan a kapcsokkal, tehát ennél az 1000ohm értéknél, az eredmény már nagyobb nem is lehet.
Ne csak számolj, figyelj is..
üdv! proli007
(#) blackdog válasza jokerkiller hozzászólására (») Szept 27, 2011 /
 
Akkor vegyél PS/2 USB átalakítót, ha nem akarsz kínlódni.
(#) jokerkiller válasza blackdog hozzászólására (») Szept 27, 2011 /
 
Na ne már ! Mindkét oldalon 4 vezeték van. Már tudom hogt melyik láb a a VCC és melyik a GND márcsak a data+ meg data - maradt. Akarok szenvedni légszi segíts !
(#) blackdog válasza jokerkiller hozzászólására (») Szept 27, 2011 /
 
Google
PS/2 to USB
Épp én is szenvedek.
(#) szucsip hozzászólása Szept 27, 2011 /
 
Sziasztok!

Ez a műszer "lágyvasas" lehet? Honnan lehet tudni, hogy effektív értéket mér-e vagy nem?műszer
Következő: »»   1460 / 4047
Bejelentkezés

Belépés

Hirdetés
XDT.hu
Az oldalon sütiket használunk a helyes működéshez. Bővebb információt az adatvédelmi szabályzatban olvashatsz. Megértettem