Fórum témák
» Több friss téma |
Most visszapakolom a Q003-at , leszedem az áthidalásokat és lesz ami lesz, egy kis medve van benne, de ez betudható az adapternek és a műanyag doboznak.
Kipróbáltam, tisztán jól szól, de torzítva nem jó: egyszerre szól mindekét csatorna a tiszta kicsit dominánsabb. Megmértem a Q002-t és Q003-at az értékek olyanok mint előtte: drain, surce fél tápfesz, gate: torzítva Q002-n 0.09v tisztán -0,6v, Q003-nál pont fordítva. A flip flop lehet szerintem a tetes.
Bár nem fér a fejembe az a negatív feszültség sehogyan, ha a földhöz képest mérsz, ha azt leszámítjuk akkor az a két fet teljesen jó vezérlést kap, ellen ütemben dolgoznak. Mérj rá a flip flop kollektorokra, ott mérj feszültséget. Szerintem az egyszerű, mint a faék, úgyhogy jó lesz...Túlbonyolítjuk az egészet,kezd az az érzésem lenni, hogy valami triviális probléma van...milyen jfetet raktál bele?
Nem tudom milyen panelt használsz, de ha a neten legelterjedtebbet, akkor arra vigyázni kell, hogy a tranyók olyan lábkiosztásúak kellenek, hogy legyenek(ha nem akarsz lábat hajtogatni persze), aminek a szélén van a bázis\gate CEB\GSD,GDS lábkiosztás (akkor sem a beültetési rajzot követni, hanem megnézni a beültetéskor, hogy az adott alkatrész pl bázisa milyen alkatrészre megy és úgy fordítani) . De azt mondtad már működött, szóval ez is kicsukva...Nem tudom mi lehet a baja, ezt neked kell megtalálni, valami elkötés, kontakt stb lehet, nem hinném, hogy egy bipoláris tranzisztor vagy jfet normál használattól tönkremenne!
Ha tovább görgetjük az elképzelést: ha a tiszta csatorna jól szól ,akkor tuti jó a Q002 és áramköre, mert a torzat ott ő lekapcsolja. Ha váltasz meg szépen odakapcsolja. Ettől még lehet mondjuk "örökké zárlatban" a másik kettő...De ez is előrelépés, ha a 2es jó
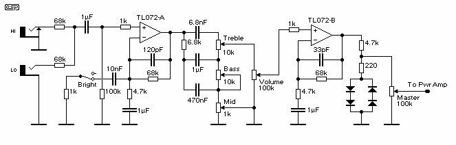
Sziasztok azt szeretném kérdezni, lehet egyszerű a kérdés de nem tudom.. hogy ebben az előerősítőben 2db tl072-t kell használni vagy elég egyet is? válaszotokat köszönöm...
Üdv, ebben egy TL072 kell, mert az dupla műveleti erősítő, a tápfesz lábak nincsenek rajta a kapcsoláson se a lábaknak a száma. Ezt adatlapon tudod megnézni itt . Ezen az adatlapon a TLxxx-ek vannak innen tudod meg hogy melyik láb micsoda. Ezek az IC-k plusz-minusz táppal működnek +-18v-ig semmi bajuk, a kapcsoláson nincs rajta a táp része, ezt könnyen lehet csinálni akár 2 ellenállásból és 2 kondenzátorból.
[OFF]Mellesleg ma feleltem egyesre a műveleti erősítőkből, hála a nemkészülésemnek és a ˝kíváló elektronika oktatásnak˝
Helló! Nekem összejött egy négyes
ZSozsóó: Lerajzoltam a kapcsolási rajzot, remélem így már jó (már megvettem hozzá az alkatrészeket). Kösz a segítséget!
Mellékeltem a beültetési és nyákrajzot. A tranyókat gondos adatlap\kapcsrajz\beültetési nézegetés után raktam be, mert ugye nem egyszer kellett lábat hajlítani az elhelyezés miatt.
Ez ha kész lesz majd kölcsön kérem kipróbálásra
BF244c van benne, ahogy az alkatrész listában is szerepel, kicseréltem a Q009et bBF245cre, de semmi változás.
Nagyon tetszik így már
Minőségi alkatrészeket bele (nem kell sajnálni, filléres költség) és R&R !!! Remélem hangot majd küldesz róla!!! :yes: Zs.
*** aki segíteni tudna nekem elektromos gitárom bekötésében!
2db sima 1-es pickup 1db dupla,egy hangerő egy tone és egy 5utas switch-t kellene bekötni! Van nagyon sok rajzom a bekötésekről,melyeket részben értek is viszont az 5állású elosztóval bajban vagyok! Ha valakinek van ilyen irányú tapasztalata és lenne kedve segíteni azt szívesen venném! A legjobb az lenne ha gyöngyösi vagy környéki lenne! A gitárt kaptam és az elektronikája darabokban volt! Megkíséreltem a bekötést de elakadtam! Bízok benne,hogy megtalálom azt az embert aki ebben segíteni tudna nekem és talán más fórumtársnak is segíthet hasonló problémákban! minden segítséget előre is köszönök! :worship:
Pont ilyen jellegű témát nem találtam!
De köszönöm az építő jellegű hozzászólást! Most már képben vagyok! Köszönöm!
Sziasztok!
Van egy Ibanez TS7 pedálom és elkezdett furán viselkedni. 3 potméter van ugye Drive, Tone, Level. Az utóbbi 2vel semmi gond teszik a dolguk, a Drive azonban nem reagál a tekerésre, mindig maximumon marad hiába állítgatom. Gondoltam kicserélem, így is lett de a probléma nem szűnt meg. Mit gondoltok mi lehet a baja illetve mit lehet tenni? Esetleg egy kis tanács jó lenne, hogy merre keressem a hibát. Kösz előre is!
Szia!
A pedál maga torzít, vagy "tisztán" szól? A nem reagálásból ez nem derül ki egyértelműen!
Torzít.
Gyakorlatilag olyan mintha folyamatosan fullra lenne tekerve a drive.
Rámértem a flip flop kollektoraira szerintem jó: ˝tisztán˝: Q005-ön 0,02v Q006-on 6,22v torzan: pont fordítva. Viszont méregettem a Q002 és 3-nál. A diódák flip flop felőli lábán 5,5v van vagy 0,06 , egymással ellentétesen a diódák másik lábán Q002-nél torzítva 0,09v tisztán -0,89v. Q003-nál torzítva -0,7v tisztán 0,07v. A diódák jól vannak behelyezve és működnek, bár nem tudom hogy elfogadható értékek-e amiket mértem, de gondoltam megosztom, hátha segít a megoldáshoz vezető út ˝ki világításában˝
Hali!
Mérj egyet úgy kérlek, hogy a műszer negatív zsinórját (általában fekete) ráteszed a referencia pontra (4,5V, ezt először mérd is meg, hogy tényleg oda tetted-e), a pozitív zsinórt meg a vizsgált 3 jfet gate elektródájára és váltogasd a csatornát. Így mit mutatnak, az lehet beszédesebb! Esetleg, ha úgy könnyebb a feketét teheted a source-okra is a pirosat meg a gate-ekre...A 3 ominózus jfetet mérd meg (q9,2,3) mindkét filp flop állásnál! Zs. :yes:
Szia!
Tűnődtem a problémádon, sok ötletem nincs. Esetleg egy darab dróttal, fogóval, bármivel zárd össze a poti két szélső lábát (hideg és meleg pont, általában az egyik össze van kötve a csúszkával, ha csak csúszka és hideg\meleg pont van, akkor értelem szerint azt zárd össze). Ez a teljesen minimumra csökkentett gain poti állásnak felel meg. Ha úgy sem tisztul ki, akkor érdemes ellenőrizni a poti vezetékét, valószínű nem a potméterrel van a baj, ha semmi előjele nem volt, nem gyakori, hogy egyik napról a másikra egyszerűen nem működik egy poti...Egyelőre kb ennyi ötletem lenne. Esetleg meg lehet mérni az IC lábain a feszültségeket, hogy minden rendben van e, földhöz (elem negatív) mérve kell lennie egy 0-nak egy tápfesznek, meg a többin kb a tápfesz felének. Ha ez oké, akkor nagy baj nem lehet! Zs.
Megmértem: tisztán/torzítva: Q009 -3,92/-0,4v Q002 -3,92/-0,42v Q003 /-0,4-3,93v . Elvileg jól mértem, fekete a source-ra.
Nem tűnnek olyan nagyon rossz értékeknek, sőt! Ez azt mutatja, hogy nagyon is rendben van! Egyelőre nincs ötletem mi is történhet :no:
Amikor mértem, akkor valamit véletlen rövidre zártam, és valamennyi füst távozott a masinából
Utána méregettem, de minden rendben, a füstölős alkatrész ismeretlen, de semmi hibát nem találtam Idézet: „Minden alkatrész füsttel működik, mivel ha kijön belőle elromlott”
Helló !
Az erősítő bemenetére 68K-s ellenállást szoktak tenni, ha nagyjelű a pikap. (ha jól tudom) Miért vezérli az túl a csövet ? (néhány száz mV) A cső anódellenállásáról a másik cső vezérlőrácsára sokkal nagyobb jel megy, nem ? Szóval, nem értem. Valaki nem tudná néhány szóban elmagyarázni? Hálás lennék. :worship:
Ma vettem a bátorságot, és megkérdeztem az elektro tanáromat(az eredményen nem lepődtem meg
). Elmondtam szépen mi bajom, de félbeszakít ahogy a torzítót kiejtettem: ˝nem értek hangtechnikához˝. Azért kifejtettem neki, de semmit nem tudott hozzászólni. ![]() Ma kicseréltem a Q002,3,9-et teljesen újra. Eredmény: most már tisztán is szól valamennyire torzítva Most az a rész fog következni, hogy a Q002 és Q003-nál megfordítom a diódákat, aztán lesz ami lesz(bár nem tiszta, hogy miért záró irányba kell berakni)
A diódák jól vannak úgy, azt ne bántsd szerintem! Komolyan mondom nem tudom mi lehet a baja. Ha egyszerre szól ,akkor lehet annyi van ,hogy átvezet a torz és a tiszta jfetje is. Esetleg egyesével kéne kipróbálni őket valamelyik pozícióban...?Szkóp + generátor segítene! Zs.
Helló. Menjen haza és tanulja meg!
ZSozsóó: összeraktam a overdrive-ot. Szerintem jól szól, majd a napokban rakok fel hangmintát Ami problémám van vele, hogy amikor bekapcsolom, körülbelül 3 másodperc alatt hangosodik fel (olyasmi mint ahogy a csöves erősítő felfűt). Ennek mi lehet az oka?
Kipróbáltam, és igazad van, torzítva szól. Visszapakolom, és ha végképp nem tudom megcsinálni, akkor kiszedem a Q003-at, a Q002,9-et meg kikapom és áthidalom. Lesz egy csak torz csatornám, kapcsoló nélkül. A fejemben már van egy kapcsolótábla relékkel,(van 5 db 12voltos két áramkörös relém) és ha kész lesz, akkor nem is kell kapcsoló. Mondjuk egyik effektemben sincs ilyen kapcsoló. De még szenvedek vele egy kicsit
|
Bejelentkezés
Hirdetés |





ZSozsóó: Lerajzoltam a kapcsolási rajzot, remélem így már jó (már megvettem hozzá az alkatrészeket). Kösz a segítséget! 
Minőségi alkatrészeket bele (nem kell sajnálni, filléres költség) és R&R !!! Remélem hangot majd küldesz róla!!! :yes: Zs.
Utána méregettem, de minden rendben, a füstölős alkatrész ismeretlen, de semmi hibát nem találtam

Most az a rész fog következni, hogy a Q002 és Q003-nál megfordítom a diódákat, aztán lesz ami lesz(bár nem tiszta, hogy miért záró irányba kell berakni)
Ami problémám van vele, hogy amikor bekapcsolom, körülbelül 3 másodperc alatt hangosodik fel (olyasmi mint ahogy a csöves erősítő felfűt). Ennek mi lehet az oka? 




