Fórum témák
» Több friss téma |
Mielőtt kérdezel, a következő két dolgot ellenőrizd!
I. A helyes tápfeszültségek megléte.
II. A kimeneten van-e egyenfeszültség.
Élesztés.
Hello!
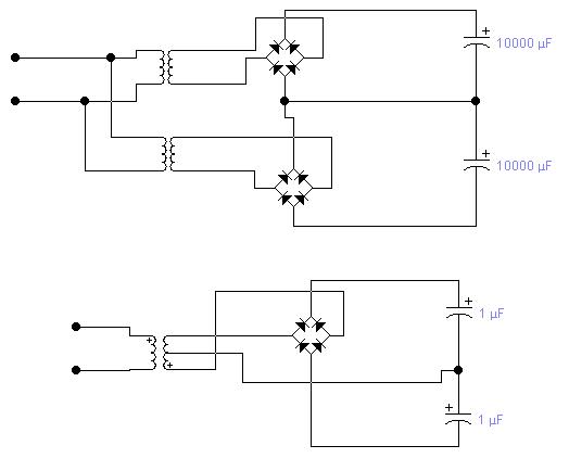
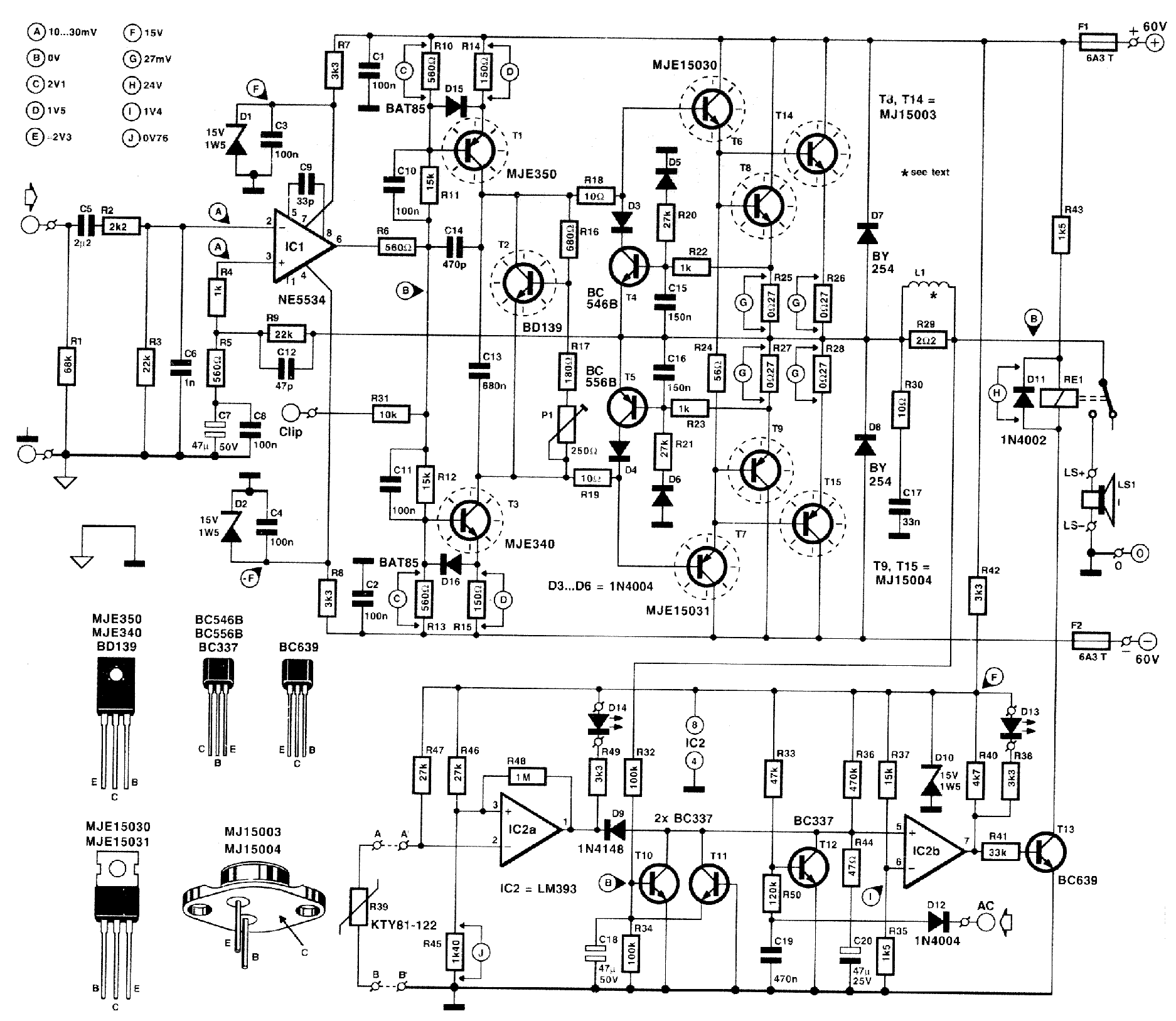
A kondikat nyugodtan helyettesítheted. Ittvan egy kapcsolás, nagyon megbízhato, MJ tranyos. +-60V a rajzon, de +-50Vról is elmegy csak kevesebb power ad le, 100W 8 ohm 200W 4 ohm kb.
Itt van még 1 egyszerűbb tranyós, a kimeneten az MJk helyett mást is használhatsz, aminek a paraméterei hasonlok.(ha érdekel nézek neked ilyet). A második egy MOSFET-es végfok, azok helyett a mosfetek helyett használhatsz IRFP240/9240 párost.
Kedves proksa!
Nagyon köszi a segitséget, a második az egész jónak tünik. gondolod elég lennehozzá 2x10000uF? Bár a rajzon ez szerepel,ezt lehet meg is építem! Ja még valami, az rx500-on valami nem tetszik nekem, lehet hogy hülye vok hozzá de a két végfoktranyónek egyforma tipusunak kell lennie?? Ja és igen, az mj2119x- hejett nézhetnél vmi könnyebben beszerezhető tipust. Előre is kösz
Hello proksa1!
Nincsen neked ezek közül a kapcs. rajzok közül valamelyikhez NYÁK rajzod??
Ja és még annyit szeretnék kérdezni hogy mi külömbség van az MJ21193 és a MJL21193 között, jó tudom az ára
(467Ft, 2640Ft) azért kérdem mert akkor az MJ-set tudnám használni a 300w-os rajzhoz THX!
sziasztok
ne lepödj meg doncso hogy egyforma tipusu tranyo van benne gondolj a QUAD405-ös erösitőre ott is két NPN-es végfok tranyo van. Vannak olyan erösitők amik komplementer párral dolgoznak vannak olyanok amik szimpla NPN-essel nekem meg van az RX-500 nyákterve ha kell fel teszem
Télleg! pedig már épitettem quadot, na jó kb 8 éve de köszi, az RX nyáktervét naon megköszönném ha feltennéd.
Köszi
Az nekem is jól jönne a nyákterv. De ugye nem a kézzelrajzolt? Mert az megvan és nem a legjobb a minősége. De ha az akko is jól jön mivel említettem hogy megvan csak nemtudom hol
Igen elég a 2x10000uF, még akár sztereohoz is elég lehet.(tudom ajánlott több, de azzal is lazán elmegy) Az MJL/MJ21193 csak tokozásban különbözik, az MJ TO3 az MJL meg az a nagy lapos TO-247hez hasonlo. Használhastz helyettük még pl 2SA1302,2SC3281 párost. De egyébként MJL-t kapsz a lomexbe. Nyákrajzom sajnos nincs hozzájuk. De az MJL-es tranyósnál teljesen jó ha a kapcsolási rajz alapján tervezel egyet (ugy helyezed el az alkatrészeket helyileg ahogy a kapcsolási rajzon is van, csak a végtranyókat igazítod a hűtőbordához)
Kedves soundman, a kézzelrajzolttal tudok szogálni ha kell, csatolom
Kedves Proksa!
Akkor ha jól értelmezem az elkangzottakat, csak hogy jól gondolom-e : Adott a 300W-os rajz, kell neki AC40-V x2 300VA +2x10000uF Nekem a tápom 2db 36V AC 400W/db és jo hozzá az olcsobb MJ tipus is ugye jo mondom? Szerinted tekerjen 1 pár menetet a trafora még hogy meglegyen a 40V (könnyen megoldom mert hipersil) vagy hagyjam a fenébe az a pár V nem számít? Ja és a 2 trafohoz 2db Graetz kell ugyi? Válaszodat előre is THX
hello nincs valakinek 400W-os fetes erösitő rajza nyáktervvel nagyon megköszönném ha valaki tenne fel
Igen jó hozzá az MJ is.(sőt jobb is mert strapabíróbb) Ha könnyen megy akkor tekerj rá még pár menetet hogy meglegyen a 40V AC, de egyébként szerintem 50V-ról is jól müködne. Indításnál a + és - tápágba is tegyél be egy egy 22 Ohmos ellenállást, hogyha akármi hiba van ne füstöljön el minden. " db greatzel is meglehet oldani és egy greatz-el is, a 2 greatz jobban kihasználja a trafo teljesítményét. A trafod 230/36V vagy 230V/2x36V-os? mert ez nem derül ki egyértelműen.
Itt egy erősítő amely tápfesztől és terheléstől függően 200W....600Wig használható, 400Whoz elég 4-4 IRFP, de talán 3-3 is bár akkor nagyon határon van. Az IRFPk nagyon strapák egyébként. 400Whoz olyan 70-75V kell. Ha ráér pár napot akkor tervezek neked NYÁKot hozzá(Protelben, az kitudom exportálni méretarányos TIFFbe).
Amit belinkeltél az 200...250W maximum. 4 FET nagyon gyorsan megdöglene 400W-tól.
Nem tudom nem ismerem a paramétereit. böngészés közben találtam
Nézd meg akármeik 400W-os erősítő rajzát, hogy hány végtranyo vagy végfet van rajta. Hát nem 4 darab, egyszerűen kevés ekkora teljesítményhez azért mondom hogy megdöglene. Persze nem azonnal. Hajtástol függ, ha szobába használod biztos menne, de egy bulit 100% hogy nem bírna ki. nemtudom ismered e sixtek ST151 nevű 100W-ps erősítőjét, na abban van 4 darab végtranyo. és az csak 100W, az egy nagyon korrekt méretezés, 4 darabra rászoktak azért bízni 200Wot is, de 400W az már durva túlhajtás.
igen ám csak hogy a sixtek ST151 erösítő +-40 vagy 50v-ról megy mert többet nagyon a végtranyok sem bírnak az a fetes pedig mehet +-80Vról abbol azért már lehet teljesítményt kicsalni, én már láttam azt az erösítőt készen és hallotam is jó a hangja és nagyon alacsany a torzitása THD=0,05% az azért nem rossz. aktív hütéssel minden kibír 1 bulit ha tul hajtod akkor meg lehet bármi.
Hy itt van egy jo kis 400W-os fetes végfok kapcsolása nyák pedig saját,
Hy!
Ezt már kipróbáltad? Üdv: D. Márk
igen mivel én terveztem a nyákot, és müködik is.
Valaki tett föl ide egy RX500 kézzel rajzolt nyákot és probléma volt a kézi rajz, probáltam vele valamit kezdeni és megcsináltam SPRINT-ben, de a beültetés az nem a legjobb ha valaki esetleg mégis neki ugrik akkor sok sikert hozzá, nem leszkönnyü az tuti.
Lehet kibírni 1 bulit, de gondolom ha már vki ekkora teljesítményt akar akkor nem 1 bulira tervezi. Ez a 400W-os fetes amit linkeltél nyákkal együtt ezt már egyik haverom megépítette, és nagyon jól müködik, jó a hangja, és bírja a strapát. +-50Vrol indítottuk akkor és azt viszont nem szerette, +-60Vtol müködik rendesen(legalábbis nálunk, gondolom a munkapont eltolodik már nagyon +-50Von). Ha ezt akarod megépíteni akkor mindenképp tekerj még rá a trafodra hogy legalább +-60V DC legyen, de inkább picit több.
Hy!
Ha megépítetted, és működött is akkor nem nagy kérés, hogy rakjál fel pár képet ról.
Már tett fel róla képet :yes: Ebbe a fórumba
Ha megtalálom akko elinkelem
Bocsánat, de nekem ez sok!
A kék vonal azt "jelenti" hogy a NYÁK lemez 2 oldalas? Ha igen, akkor az alkatrészeket mind a 2 oldalról be kell forrasztani?
Kedves Saca!
Ezzel tudok szolgálni hátha tudsz vele kezdeni vmit Szia! |
Bejelentkezés
Hirdetés |











Ha megtalálom akko elinkelem









