Fórum témák
» Több friss téma |
Fórum » PIC programozás
Nezz szet a konyvespolcon. Talalhatsz sok konyvet, mintapeldat, demo panel doksit. Ajanlanam a programozast ASM alapokon elkezdeni. Tudom probaltal mar C, C# pragramokat irni, de ez nem PC. A HW eleg specialis, es illik megismerni (nagyon), ezert erdemes ASM-ben kezdeni a programozast.
És ha kevés a 2K...
18F2550 ugye égethető a szilva féle klónnal /5v/?
Sziasztok!
Arra gondoltam hogy csinálnék, egy ventillátor fordulatszám szabályzót, de sajna analóg jelet kiértékelni nem tudok még...Az lenne a kérdésem, hogy ezt csak A/D képes piccel lehet vagy pl a 16F627A-val is meg lehetne oldani?
Ha analóg jelet akarsz mérni, ahhoz AD átalakítós PIC a legegyszerűbb.
Akkor viszont nem éri meg piccel csinálni, mert ahhoz tól drága egy A/D képes pic..
Hmm köszi...meggondolandó....de nem értem hogy ami a 12-es szériában van, az a 16 -ban miért nincs
Csak kicsit szét kellene nézni... Pl. PIC16F690
Köszi, épp ezt néztem, mert ez kapható itt is...
Idézet: „Arra gondoltam hogy csinálnék, egy ventillátor fordulatszám szabályzót, de sajna analóg jelet kiértékelni nem tudok még” Hol is van itt analog jel, amit ki kell értékelni?
Egy Hőváltozásra ellenállásváltozással reagáló alkatrészből vett értékhez kellene igazodnia a ventillátornak..folyamatos járásról indulva (éppen hogy forogjon), és amint emelkedik a hőfok úgy gyorsabb impulzusokkal hajtatnám a ventit, pl celsiusonként egy fokozatlépés fordulatszámban... Egy általam épített erősítőbe gondoltam mint intalligens hűtés...
Ja, értem! Így valóban A/D kell. Első körben úgy is lehetett érteni, hogy csak simán fordulatszabályoznád, amit lehet gombokkal is.
Esetleg a két komparátorral 3 fokozatú hőfokszabályzást tudnál készíteni, ha az elég, sőt, ha a belső referencia fesszel játszol a programban, akkor több lépcső is megoldható, akár elegendő is lenne.
A komparátor módot, még nem tanulmányoztam, de utánanézek... Amúgy gondoltam hogy a picem tud valamit csinálni analóg jellel, mert vannak AN0-AN3-ig lábak, ezért csodálkoztam hogy nincs A/D benne..(16F627A)
Szia!
Bár egyszerűbb A/D átalakítós kontrollert venni (10F220-222 6 (8) láb, 12F683 8 láb, 16F684 14 láb, 16F819, 16F88 18 láb ....), de azárt más kontrollerekkel is lehet A/D átalakítást végezni: Feszültség - frekvencia átalakító, A/D komparátorokkal, Delta - Szigma módszerrel
Köszi! A minta asm eket tanulmányozom
Sziasztok.
Tudna nekem valaki segíteni pic program módosításában?
Ezért van a fórum, hogy sokan tudnak segíteni. Mi a kérdés? (Gondolom nem bérmunkára gondoltál, hanem segítségre!?)
Ha megtudom ,megcsinálom magam is, bár elég komoly feladatnak látszik. De nekem is az lenne a legjobb, ha magam tudnám változtatni a programokat. Nehéz megtanulni? Én nem akarok egy progit az elejétől a végéig megírni, csak váltizatni rajta ezt azt.
Hello!
Azért azt írd le hogy körülbelül mit szeretnél, mert így elég tág határok között gondolkodhat aki segíteni próbál Üdv!
A programot is csatolnod kell, ha nem túl nagy, akkor biztosan belenéz valamelyikünk, ha van rá érkezése. Persze azt is írd meg mit csinál a program, és mit szeretnél helyette!
Sziasztok!
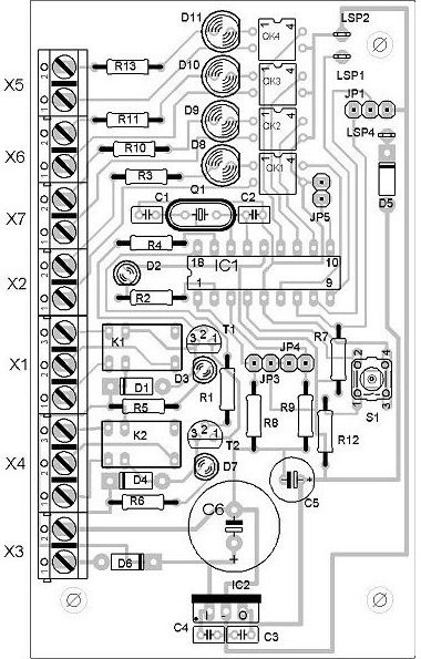
Lenne egy kérdésem! Milyen tranzisztor van a képen ami a sok lából kevesebbet csinál. Meg még azt szeretném megtudni hogy milyen programot kell hozzá írni , és egy kapcsolási rajzot ha tudnátok küldeni a : P16F877 E-mail: kraissadam@hotmail.com Nagy segítség lenne számomra. Előre köszi
Sok lábból kevesebbet csinál: Csipőfogó
Félre téve a tréfát, ez úgy működik, hogy a LED matrix oszloponként multiplexelve van, azaz kiválaszt az áramkör egy oszlopot és utána beállítja mely LED-eknek kellene a sorokban világítaniuk.
Ez a program annyiból áll, hogy amikor megapja a jelet az X2-n, akkor 15mp vár és utána 3 telefonszámot hív egymás után. Az x 5-6-7 bemenetek változására, pedig smst küld egy adott számra.Az LSP 2 vel lehet 15 mp-en belül inaktiválni.a két relét sms-el lehet ki-be kapcsolni. Az s1 pedig egy reset gomb.a jp4 a riasztó aktiválódik azonnal, vagy 10mp-el később.jp3 a 4 telószámot egyszer, vagy 2-ser hívja, jp-el sms-t is küld a számokra.Kb ennyi. Nekem arra lenne szükségem. hogy a 15 mp várakozás után ha nem inaktiválják, akkor az K1 relét húzza meg kb 2mp-re, majd engedje el, azután a K2 relét húzza be állandóra, addig amíg a riasztási program véget nem ér.Mikor a kért relét behúzta, utánna csörgesse a telefonszámokat.A is jó lenne ha telefonhívással lehetne ki-be kapcsolni.A öbbi bemenetet meg lehet változtatni az sms küldő funkcióról további riasztás aktiváló bemenetté? Remélem elég értheően sikerült leírnom.Nem tudom ez így megoldható e?
Az SMS-küldése hogyan történik? Egy teló van hozzácsatlakoztatva soros porton modemként? Vagy van hozzá egy spéci modem, ami egy láb jelére egy SMS-t küld el? Ha lesz időm belenézek a programba, az is választ ad erre a kérdésre, de egyszerűbb ha elmondod.
A GSM telefon egy Hayes szeru modemet emulal, AT parancsokkal lehet benne kotoraszni. Tehat soros porton keresztul elkuld egy "AT" stringet es utana egy valamilyen parancsot szinten stringekben...
Ha majd bele nezel abba a forrasba akkor lathatod, hogy kuld AT parancsokat -- nekem most nincs idom vele foglalkozni sajnos.
Persze, ismerem a dolgot, én is így használom, csak az volt érdekes a kérdésben, amit nem értettem, hogy idézem:
Idézet: „A többi bemenetet meg lehet változtatni az sms küldő funkcióról további riasztás aktiváló bemenetté?” A küldés és a "többi" több kimenetet feltételez és a hívás és az SMS ha soros porton megy, akkor az egy kimenet. Szóval most nem tudom, hogy itt mi a helyzet. Mert láttam már olyan megoldást, hogy volt 4-5 bemenete a modemnek és telefonszámokat+szöveget lehetett hozzájuk rendelni és utána a bemenetek aktiválásával elküldeni. Ha a nyák rajzát is megnézed, nem látom melyik lenne a soros port, de ettől még ott lehet...
Közben belepillantottam, vannak AT parancsok. Akkor nem értem az SMS bementté alakítását.
Hat en nem tudom mit jelent az, hogy "SMS bemenet" -- Bejovo SMS uzenetek akar lenni? Nyilvan ahhoz a megfelelo AT parancsot kell kiadni, hogy az SMS-t kiolvassuk, de kb ennyi...
|
Bejelentkezés
Hirdetés |











