Fórum témák
» Több friss téma |
Fórum » Nagyfeszültség sorkimenő trafóval
Témaindító: (Felhasználó 1306), idő: Márc 1, 2006
Az a helyzet hogy az meghajtásra kötött primerben néhány száz V jön létre.
Tanulmányoztam a kapcsolást, és megalapítottam a következőket: Primer tekercs: ez az egyik alkatrész, nélkül nem ZVS a ZVS. Primer kondi: a másik alkatrész, ami a munka nagy részét végzi a primer tekercsel közösen. Főként a primer fesz, és freki stabilitásáért felel. FET-k:csak a relatív tápfeszt kapcsolja rá a primerre. Mivel remekül tudják hasznosítani a tápáramot, így a meghajtás AUTOMATIKUSAN képes áramot felvenni. Ezt hívják DCC-k (dynamic current control) magyarul dinamikus áram irányítás. 470ohm-s ellenállások: a minimális gate feszt biztosítják. 10kohm-s ellenállások és a 12V-s zénerek:kikapcsolva tartják a FET-t, addig, amíg valamelyik FET gate feszültsége el nem éri a kritikus bekapcsolási értéket. Az érték akár pV is lehet. diódák: csak az "üresjárati" frekit biztosítja. Induktivitás: stabilizálja a feszt, és a frekit, valamint megvédi a FET-t a túlterheléstől. Ennyit tudok a ZVS meghajtásról. (Úgy tűnik, hogy mindent.) Idézet: „Ennyit tudok a ZVS meghajtásról. (Úgy tűnik, hogy mindent.)” Csak az a kár hogy messze nem mindent, és nem jól. Beszélget az Intel és a Motorola proci. Megkérdi a Motorola: - mennyi 2x2? - 5! - Hibás válasz! - De gyors volt, nem?
Ha a bibiklidinamó váltóáramát simán beleengedem a tafómba egy vezetékkel akkor kapok nagyfesz.-t?
:hide:
Khmm. Lehet én vagyok tul alacsonytudású, de milyen trafó és milyen áramod(fesz) van? De ha jol sejtem nem.
A trafóm rádiótrafó.Az áramforrás 3-6 V biciklidinamó
de nem kellnek kilovoltok 100 V már elegendő.
Ha biciklidinamó hálózati trafóval működhet, de sorkimenővel nem, mert ahhoz másodpercenként több ezres fordulat kell. Az-az percenkénti több százezer fordulat. Nincs olyan motor, ami több százezerrel tud pörögni.
Idézet: „Nincs olyan motor, ami több százezerrel tud pörögni.” Van, csak az nem dinamó.
A Youtube-on láttam olyat hogy egy neudynium mágnest pörrög kb. 120 ezerrel.
Idézet: „Ennyit tudok a ZVS meghajtásról. (Úgy tűnik, hogy mindent.) ” Bocs de meglehetősen téves a meglátásod,az a kapcsolás nem egészen úgy működik ahogy leírtad.Egyébként meg nem szeretnék nagyon belefolyni,csak a később olvasók miatt picit pontosítanék a leírásodon.Tehát adva van egy ZVS meghajtó,vagy nevezhetjük épp FET-es Royer oszcillátornak is,tökmindegy hogyan hívjuk.Nincs benne semmi különlegesség,az áramkör felépítése nem bonyolult,mint a rajzon is látható Bővebben: Link mindössze néhány komponens az egész,és legalább ilyen egyszerű a működési elve is.Szóval a bekapcsolás pillanatában a FET-ek (Q1 és Q2) gate-jén lévő két zener diódán (D3,D4) feszültség jelenik meg a rajtuk lévő előtét ellenállásokon (R3,R4) keresztül.Mivel két egyforma paraméterrel rendelkező FET nem létezik,ezért a kissebb gate kapacitású FET,ez legyen mondjuk a Q1-es,egy pillanattal hamarabb nyit ki,ezzel megadva az úgymond „kezdetleges lökést” az áramkörnek,ez alatt a Q1-es FET drain árama folyamatosan nőni fog,és elegendően nagy amplitudójú lesz ahhoz,hogy a D2-es gyors diódán keresztül bezárja az addigra már szintén működésbe lépett Q2-es FET-et,és ami ez alatt úgyszint le érkezett adni egy záróirányú impulzust a Q1-es gate-jére a D1-es diódán keresztül,ezzel egy pillanatra megszüntetve a Q1-es drain áramát,majd ezt követően a Q2-es is nyomban bezár reagálva a Q1-es előzőleg leadott impulzusára,és ezzel lehetőséget adva a Q1-es újra nyílására,majd pedig az egész folyamat ismétlődik előről.Egy picit érthetőbben az egyik FET zárogatja a másikat,létrehozva ez által a rezgést.A C1-es kondi is fontos szerepet tölt be itt,mivel a primer tekercsel rezonanciába lép így alkotva egy LC rezgőkört,aminek a része az L1-es induktivitás is.
Így most már értem, amúgy egyszer nem használtam primer kondit, és kicsi volt az ív. Mi lehet az oka? Nem, az hogy egy bizonyos szinten tartsa a pimerben a feszt?
Nem,hanem azért mert rezonáns üzemben van a primerrel,ilyenkor a trafó belső ellenállása lecsökken közel ohmos-ig,és ezáltal sokkal nagyobb áram folyik a szekunder oldalon is.
Figyu....ha egy vezetéken simán beleengedem a váltóáramot egy trafóba akkor minden ,,kütyü,, nélkül feltranszformálja?
Bocs ha hülye a kérdés vagy valami?
Ha hálózati trafóval, akkor működhet, sorkimenővel nem, mert nagy frekivel megy.
Tudsz hálózati trafót méretezni? Azért mutatok egy képet, hogyan is néz ki egy egyedi táp. Már kb. fél éve építem (alap anyagok miatt), de az utóbbi hetekben fejeztem be.
[OFF]Igen, véletlenül belekeveredtek a képbe.
Nem épp ide illő videó ez,de akkorát röhögtem rajta,hogy muszáj valahová belinkelnem,Bővebben: Link
A srácok elhatározták,hogy mindenkivel kiszúrnak úgy,hogy lekapcsolnak egy 110kV-os szakaszolót,csak épp azzal nem voltak tisztában,hogy ez pontosan mivel is jár.
Hát ez ügyes. Legközelebb remélhetőleg foggal próbálja átharapni majd a vezetéket. Átívelt egy másik fázisra, vagy a földre? 1Ff zárlat nagyon kellemes, mert a föld többé nem földpotenciál, hanem fázisfeszültségre kerül, az összes többi helyen pedig a fázis-föld feszültség vonalira emelkedik, ekkor meg felléphet szimultán hiba, azaz lehet, hogy több más helyen is átívelnek a szigetelők, még nagyobb kárt okozva. Szóval ez lehet egy pár milliós kapcsolgatás volt
Hát kitettek magukért a fiúk az tény,képzeld csak magad a helyükbe.Egyébként én láttam ilyet élőben,marha nagyot tud szólni.
![]() Itt meg egy másik okostojás,pont a 10kV-os vezetékről szeretett volna áramot lopni, Bővebben: Link
Sikerült neki, csak úgy látszik nem tetszett nekik az arcukba csapódó izzó fém. Mégis, mit akar rákötni 10kV-ra?
Mondjuk olyan helyről lehetne lopni, ahol a trafók csillagpontja nem földelt, vagy delta, így kapacitív áramok folyhatnának. Zárlat esetén 5-10kA áramok vannak, az általában elég hangos.
A kempingházát akarta ideiglenesen rákötni,de csak a végén jött rá,hogy az mégsem 230v.
Figyu vettem egy INVERTER-t ne ez csak 230-at ad le lehetne hogy ezt beleengedem egy trafóba és úgy csinálok nagyfesz.-t?
Szerintem csak kinyírod az invertert, pláne ha a szekunderbe.
De már megint rosszul tetted fel a kérdést. (Hogy MILYEN trafóba?) Bocs.
Miért nyirnám ki?Nem az inverterbe megy a 230 hanem a trafóba!
És ha már kérdezted egy guberációs rádiótrafóra vagy egy csengőreduktorra gondoltam.
Ma összedobtam egy új ZVS meghajtást, de nem akármilyet, egy microZVS-t.
A teljesítménye kb.40-60W, főként kisebb, hagy egyedi sorkimenők, invertertrafó, stb... hajkurászására alkalmas. A FET-k IRF3205Z. Ezt már csak MSD-l lehetne überelni.
Erről bővebb infót tudsz irni? Kimeneti/bemeneti fesz, kapcsolás, toroid tekercselése stb. Még lehet utánépitelek
.
A bemeneti fesz/áram:12-24V,és max. 8-10A de inkább 5-6A
Javasolt táp: zselés akku, vagy 100W alatti táp (labortáp). Toroidon 30-40menet/1-1.2mm Cu Kapcsolás a képek között. Beültetési rajz nincs, egy zip-t akartam felrakni csak 7.4mega. Szóval képet mutatok.
Teszteltem a microZVS meghajtást, és úgy működik ahogy én azt megálmodtam.
A rajtalévő egyedi sorkimenő szekundere 0.5 huzalból kb.100-120 menet, és 4-6 száz V/0.5-1A (táp és bemeneti áramtól függően). A képen látható, egy 20W-s izzó meg se kottyan neki. Sikerült ötvöznöm a hatékonyságot, és hordozhatóságot. Remekül használható Neoncső inverternek is.
Sziasztok. Egy kis segítségre lenne szükségem .
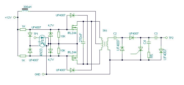
Nekem is megtetszett ZVS meghajtás. Nagyon jó nem melegszik még 1 amper felvételnél se. Ezzért én CDI gyújtást szeretnék vele táplálni.De sajnos nekem ki kéne kapcsolni a invertert a szikra idejére. Szerintetek, a csatolt rajz elgondolása, járható út? (optocsatoló és két dióda) Válaszokat előre is köszönöm. Üdv nyemi
Halli.
Nyugodtan használhatod, mert alacsony az DSR-je. Tökéletes közép teljesítményű meghajtás. Kb, 150-200W. |
Bejelentkezés
Hirdetés |




:hide:













