Fórum témák
» Több friss téma |
Mielőtt kérdezel, a következő két dolgot ellenőrizd!
I. A helyes tápfeszültségek megléte.
II. A kimeneten van-e egyenfeszültség.
Élesztés.
Értem már
a korlátozó azért van jelen, mert az stk, sajna se kimeneti rövidzár, sem termikussan nincs megvédve..Egy jó ötlet volt ez bele..hisz még a system 7700.ezt nem tartalmazta.. Az ic védelme az npn-pnp végfokozat telj ellenállásán figyel feszültségesést, ami egy feszültségerősítő fokozatra érkezik, majd az mikor eléri a minimum terhelő impedanciát kinyit egy tranyát, s vezérli a relét. Ez jó dolog mert nem szól bele a hangba..
De gondolom egy erősítőnek akkor sem tesz jót ha a terhelést csak úgy megszakítják és visszakötik rá. Érdekes módon a relé így csinálja.
A kijelentésedből kiindulva hivatkozhatunk a tervezettség minőségére.
Nálam pl ez az eset úgy épűl fel az erősítőmben, hogy az előerősítőt lessöntöli -4Db-el, majd amikor a terhelés visszakapcsolódik a végfokozatra akkor fokozatosan hangosodik vissza úgy 2-3sec alatt. A Sharp esetében nem tudom ez hogy épül fel. De annál azért mégis csak jobb, hogy ic csere legyen.. Az stk ha jól tudom azért nem védi visszahajló karakterisztikával a fokozatait, mert az beleszólna a hangba, viszont azt nem értem, hogy egy faul-t érzékelőt mért nem integráltak bele.. Nyílván azért, mert a mai világban tervezett dolgok nagy része az úgynevezett TERVEZETT ELAVULÁSRÓL szól..
Nem hiszem hogy errol szolna. Csak meg kell tudni fizetni. Van mar 100 ezer felett olyan vegfok amibe a letezo osszes vedelmet belepakoltak szerintem. Ez most vagy egy olcsobb kategoria vagy meg akkor nem volt divat a szetvedelmezes
Ha valakit érdekelne, akkor mellékelek egy 400W Fetes erősítő kapcsolási rajzát. Az erősítőt én is megépítettem.
Hali, Én ekkora tápfeszhez borzasztóan kevesellem az 1pár végfetet. Minimum 3párral épiteném meg.., így az eldiszipált telj is annyiad részére csökken.. Egy kicsit így korrektlanságnak vélem a buffer fokozatot..
Sziasztok. Lenne kettő kapcsolási rajzom és az lenne a kérdésem hogy szerintetek meiket érdemesebb megépíteni? és hogy a rajzokon ránézésre láttok e valami hibát ? Válaszokat előre is köszönöm.
Szia.
Tervezés szempontjából egyszerűbben kivitelezhető a : Legend-Quasor.jpg . Igaziból annyi, hogy a driver résznek a munkapontja az első rajz esetén úgy van belőve, hogy az teljesen kitudja hajtani a 8-8pár fet Gate-jét. A másik esetben viszont a feszültségerősítő fokozatról, 2 meghajtó párhuzamosan hajtja a vég buffert. Elképzelhető, hogy az utóbbi eset így látatlanba is dinamikusabb lehet kicsit..
Értem. Nem akarok hülyeséget kérdezni de nyákot mivel tudnék tervezni a legegyszerűbben a második rajzhoz?
Én általában a protelt használom, de sokszor a sprint lay-out is.
A sprint lay-out -al sokszor azért egyszerűbb mert egyből lehet nyáktervet csinálni, viszont nagyobb a hibalehetőség is (mivel nem kapcsolásrajz követő).. Persze van még csomó tervező, tango, eagle, orcad stb..
Szia, de igen, utólag már én is észrevettem
Mindenesetre 3párral üzembiztosabban viselkedne alacsonyabb terhelésre is, viszont 2pár tranyóig meg szebb a hangja...
Hali, lenne egy gyors kérdésem bárkihez, aki tudna segíteni...
Készítettem egy előerősítő nyáktervet, de van vele egy kis gubancom (kép): Segítség kellene, hogy hogy alakítsam át, hogy az ott jó legyen.
Van ilyen topic is. Itt vannak a képek: Bővebben: Link
Igen, tudom.
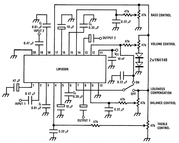
Azért ide tettem fel a kérdést mert itt nagyobb a forgalom és sürgős lenne a jó válasz. http://www.hobbielektronika.hu/forum/files/11/114c0b4f48106e90379ed...df.jpg ennek nyomán készítettem az enyémet. kisebb nagyobb átalakításokkal... De mint a kapcsolási rajzon is látszik, a potméter(treble) kettes pontja tehát a középső, a 47K-ohm-os ellenállás felől érkezik...a nyákomon viszont, ahogy a mintán is látszik(link) nem így történik. Na most hogy kellene átkössem a dolgot, hogy jó legyen? itt is: http://www.hobbielektronika.hu/forum/files/66/66a286305a808f8eeaace...9d.jpg
Nehezen bogozom ki a problémádat. Ez egy rossz bekötés: Bővebben: Link
A 47k a csúszkára megy. A fenti linken a bal és az alsó bekötés nem jó!
igen rossz, mert a 47k bal alsó közepe gyakorlatilag földön van szimplá aminek nem látom értelmét, továbbá nem ott kellene lennie a kapcs.rajz szerint..
De az a baj, hogy már eléggé lefárasztott a probléma és épp nem tudom már, hogy mit kössek át hova, teljesen szétbarmolni meg nem akarom a lay-t, azért nem macerálom egymagam. Ezért kértem segítséget ![]() Hogy akkor most mit kössek át... A bal alsó 47k-s poti tuti nem okés, de merre alakítsam...?!
A P1 és P2 potenciométert úgy kösd be, hogy az IC felől jövő 47k ellenállás a csúszkára menjen. A letekert csúszkához tartozó poti lábra kerüljön a test.
Közben agyaltam én is, meg rajzolgattam is.
Ha így kötöm be jó lesz? benyilazgattam mi hova
Rendben.
Köszönöm uram a segítséget!
Hello!
Egy jvc erősítőbe kellene 2sc2155 típusú tranzisztor. Bármiféle ötletnek nagyon örülnék: honnan tudnék beszerezni ilyet (sehol nem találok :S), vagy mivel lehetne helyettesíteni? sajnos nem vagyok otthon a témában, a "szerelő" mondta,hogy ilyen típus kéne bele. köszönöm előre is
Sziasztok!
Tudnátok segíteni? Építettem egy gitárerősítőt eredeti rajz alapján. TDA2040-es ic van benne, előtte egy kis előfok kapcsolás három sávos eq-val. Minden szuper, nagyon szépen, tisztán szól, de csak külső labortápegységgel. Ha trafóval hajtom iszonyatosan torzít! Próbáltam már 3 trafót is, de ugyan az. Pedig a labortáppal 6-tól 24 voltig szabadon állíthatom és mégis szól. Tehát nem egy érzékeny kapcsolás. Én kb. 12 volton használnám. Mi lehet a baj?
Természetesen egyenirányító van a trafó után, meg egy 2200 mikrós kondi párhuzamosan. A hidegítő hiánya okozhat torzítást? Mekkora legyen a hidegítő? A trafó 12 voltos. Egyébként a plusz ágban 77 mA mérek. De az labortáppal is pont ennyi.
Amúgy kösz a segítséget!
A trafók teljesítménye 500mA és 1000mA. Kevés lenne? Ezek ilyen adapterekből kibuherált trafók. Az egyiken saját egyenirányító panel volt, diódákkal, kondival, a másikhoz én raktam egy egyenirányítót amire ez van írva:
B250 C3700-2200. A labortáp viszont 2,5 A-es. Van ötleted?
Szia.
Persze hogy torzít, azok az adapterek a te célodra maximum csak annyiból lehetnek hasznosak, hogy kipróbáld, megy-e vagy sem.. Minimum kéne egy 50-70W körüli trafó (mondjuk 12v ac), annak a secunderről már bő 2A körül letudsz akasztani áramot. Azt már csak egyenirányítsd (5A gratze már elég), és puffereld fel, valamint szűrd. Ha kipróbálnád pl egy laptop kapcs üzemű tápegységével, az is már elég makulátlanul hajtaná..
Kis hangerőn is torzít, vagy csak ha feltekered hamarabb kezd torzítani mint labortápról. Elképzelhető, hogy terhelés hatására nagyon leesik a trafós táp feszültsége.
A másik verzió: a 2200µF kondenzátorod tényleges kapacitása jóval a névleges alatt van. Tudnál helyette másikat rakni. Ha nagyobb, az se lenne baj. |
Bejelentkezés
Hirdetés |




a korlátozó azért van jelen, mert az stk, sajna se kimeneti rövidzár, sem termikussan nincs megvédve..Egy jó ötlet volt ez bele..hisz még a system 7700.ezt nem tartalmazta.. Az ic védelme az npn-pnp végfokozat telj ellenállásán figyel feszültségesést, ami egy feszültségerősítő fokozatra érkezik, majd az mikor eléri a minimum terhelő impedanciát kinyit egy tranyát, s vezérli a relét. Ez jó dolog mert nem szól bele a hangba..












