Fórum témák

» Több friss téma
Fórum » Elektronikában kezdők kérdései
- Ez a felület kizárólag, az elektronikában kezdők kérdéseinek van fenntartva és nem elfelejtve, hogy hobbielektronika a fórumunk!
- Ami tehát azt jelenti, hogy a nagymama bevásárlását nem itt beszéljük meg, ill. ez nem üzenőfal!
- Kerülendő az olyan kérdés, amit egy másik meglévő (több mint 17000 van), témában kellene kitárgyalni!
- És végül büntetés terhe mellett kerülendő az MSN és egyéb szleng, a magyar helyesírás mellőzése, beleértve a mondateleji nagybetűket is!
Lapozás: OK   1481 / 4043
(#) kiskata hozzászólása Okt 26, 2011 /
 
Tisztelt Hozzáértők!
LM317T-el terveztem tápot a PIC-es vezérlésemnek. Sajnos a kimenő feszültségek nem stimmelnek a terheletlen méréskor. 3,6V helyett 9V-ot mérek...
Az ellenállásértékeket weboldalon illetve Elektrodroidban ellenőriztem..
Kérdésem az hogy terheletlenül a potmétert rárakva pontos értéket kell tudnom mérni?
(#) Stefan válasza kiskata hozzászólására (») Okt 26, 2011 /
 
Pontos értéket kell mérned. Mutass kapcsolási rajzot!
(#) kiskata válasza Stefan hozzászólására (») Okt 26, 2011 /
 
Ez lenne a projekt...
62k -- 33k a 3,6 Volthoz,
100k -- 33K a 5 Volthoz.
(#) Andrew-V hozzászólása Okt 26, 2011 /
 
Tiszteletem!

Egy alap dologgal akadtam el:
Van egy 3 led-ből álló kimenetem (billentyűzet led-jei) amiből ki szeretném "nyerni" az ezekből összeállítható kombinációkat:
000, 100, 010, 001, 101, 111

Minden variáció egy led-hez lenne kötve illetve a 000-át nem kell kezelni, az lenne a kikapcsolt állapot. Tehát lenne 5 db ledem a végére amit az eredeti 3 variációival kapcsolgatnék...

Relékből és diódákkal össze tudnám drótozni de azért haladni kellene a korral és inkább kapukat használnék... Ha jól csalódom akkor 2 bemenetes nand vagy xor kapukkal nem oldható meg... Úgy rémlik, hogy létezik erre valamilyen IC ami szétosztogatja a bemeneteket de már nem emlékszem, hogy hol olvastam...

Köszönöm!
(#) speedbump válasza Andrew-V hozzászólására (») Okt 26, 2011 /
 
Szia. Szerintem ez kell neked: Link

Tappal megkuldod es a ledeket egy ellenallason keresztul egyesevel meg tudod hajtani a bemeneti kombinacio fuggvenyeben. (majd a nalam okosabbak kijavitanak ha tevedek)
(#) Andrew-V válasza Andrew-V hozzászólására (») Okt 26, 2011 /
 
persze kapkodtam és kihagytam még 2 variációt: 110, 011 - így a kimeneti ledek 7-re növekednének...
(#) BMW-M3 válasza bbalazs_ hozzászólására (») Okt 26, 2011 /
 
Tényleg nyomkodósak? Mert amit én láttam azok mind jobbra balra fel le tologatósak.....a tolópotisra én is gondoltam csak nekem az is nagyon fontos lenne hogy minél kisebb helyen elférjen.
(#) Andrew-V válasza speedbump hozzászólására (») Okt 26, 2011 /
 
Óóó, ez nagyon jó! Igen-igen ezt kerestem (szerintem)

Ez mivel 4 bemenetes így 10 variációt tud kezelni, de ha jól nézem az igazságtábláját akkor ha a D bemenetet szabadon hagyom (nem kötöm be) akkor pont a 8 kimeneti variációt kapom meg belőle...

Itt 20V bemenetet ír, elég vajh Neki 5V is tápnak? (csak mert épp annyim van)
(#) speedbump válasza Andrew-V hozzászólására (») Okt 26, 2011 /
 
Izé, csak belinkeltem egy BCD IC-t, nem ismerem a pontos paramétereit. Lehet hogy a célnak megfelelően másikat kell majd használj mivel LED-eket akarsz meghajtani vele. Én utánakötnék egy TTL-es inverter IC-t, mert a TTL logikai nulla kimenet be tud nyelni kb 16mA-t. Az már elég egy LED-hez.

Lehet, hogy ennél van sokkal egyszerűbb megoldás is, remélem válaszol olyan is aki jobban otthon van a témában.
(#) Andrew-V válasza speedbump hozzászólására (») Okt 26, 2011 /
 
Ok, így is köszönöm, legalább van min elindulnom, és kb sikerült értelmeznem is az adatlapját:
Elvileg 0,5V-20V ig bármi jó neki tápfesznek, és a bemenet is lehet 0,5V és a tápfesz között - ez eddig ok és jó is. Már csak azt nem tudom hogy a Vss az a táp negatív oldala vagy a bemenetek közös negatívja - vagy ez egy és ugyan az?
(#) speedbump válasza Andrew-V hozzászólására (») Okt 26, 2011 /
 
Itt találsz róla infót: Link
(#) Andrew-V válasza speedbump hozzászólására (») Okt 26, 2011 /
 
Köszönöm! Tökéletes
(#) speedbump hozzászólása Okt 26, 2011 /
 
Sziasztok. Érdekelne, hogy a digitális IC-k szűrőkondenzátorait hogyan kell méretezni? Létezik valamiféle aranyszabály? Ez a cikk 50V 0.01-0.1µF-os kondikat javasol, ez helyes? Ha elhagyom őket az nagy gond? A bekapcsolás pillanatában rövidzárként viselkednek, ez nem viseli meg az áramkört? Köszönöm.
(#) Andrew-V válasza Andrew-V hozzászólására (») Okt 26, 2011 /
 
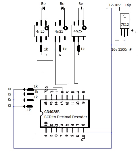
Megtenné, hogy valaki leellenőrzi a rajzomat?

Arra nem jöttem rá a leírásból, hogy a CD4028B a bemenetére mondjuk csak a minimális 0,5V-t kapja, de a tápfesz 12V akkor a kimeneten vajon melyik érték jelenik meg - én arra tippeltem hogy a 12 és akkor kell ellenállás a kimenetre a ledek elé...
(#) Dániel X válasza proli007 hozzászólására (») Okt 26, 2011 /
 
Üdv!

Köszi a rajzot, bár még emésztenem kell mi miért van ott ahol.
(#) bbalazs_ válasza BMW-M3 hozzászólására (») Okt 26, 2011 /
 
Nem nyomkodosak, csak at lehetett volna alakitani (belul egyszeru forgopotik). De az UJ kivansagod fenyeben szerintem marad a rugo plusz tolopoti. Annak kisebbet nem nagyon tudsz szerezni....
(#) vizor válasza kiskata hozzászólására (») Okt 26, 2011 /
 
Üdv!
Miért ilyen hatalmas értékűek a beállító ellenállások? Az adatlapban 240 ohm és egy 5K-s trimmerpoti van, ezekkel tizedre be lehet állítani a kívánt feszt. Sőt, ha heliopotit használsz, akkor századra is. Lehet, hogy ez kavar be...
(#) pepe091 hozzászólása Okt 26, 2011 /
 
Üdv egy olyan kérdésem lenne hogy hogyan kell egy elemtartót bekötni. Alapból nem volt hozzá kábel, de találtam itthon egy darab szigetelt drótot, és ha rátekerem a két kivezetésére, a próbapanel nem kap áramot, próbáltam felcserélni a két kimenetét hogy az egyik legyen a GND a másik a Vcc de semmi. Segítsetek legyetek szívesek!
(#) speedbump válasza pepe091 hozzászólására (») Okt 26, 2011 /
 
szia. Nem tudom hogy tekerted rá, de ez elég bizonytalan megoldás. Ha van multimétered akkor ki tudod mérni a feszültséget a vezetékek végén. Ha nincs akkor köss be egy izzót hogy megnézd van-e delej. Ugyanezt játszd el az elemnél is, hátha az adta meg magát.
(#) NyariG hozzászólása Okt 26, 2011 /
 
Sziasztok,
szeretném megépíteni ezt a kapcsolást, de nem a forrasztó pákához szeretném használni hanem más eszközt szeretnék vele felfűteni majd szabályozni.

Kérdésem az lenne hogy milyen hőelemet lehet erre rákötni amivel működik, tudnátok ajánlani egyet?
köszi
(#) speedbump válasza pepe091 hozzászólására (») Okt 26, 2011 /
 
Ha sima laposelemről vagy ilyesmiről beszélünk akkor a nyelved is jól kiméri. (viszont autóaksival, hálózati feszültséggel stb ne próbáld ki!)
(#) mrobi hozzászólása Okt 26, 2011 /
 
Sziasztok. Nem tudom beleférek-e még a kezdő kérdésbe. Ha nem akkor szóljatok.
Egyik osztálytársam megkért hogy írjam le neki a képen látható kapcsolásnak a működését. Egy monostabil kapcsolás. Leírtam de nem tudom jó-e teljesen. Megnézné valaki hogy jól írtam-e le? Csatolom a képet is meg a leírást is.
(#) BMW-M3 válasza bbalazs_ hozzászólására (») Okt 26, 2011 /
 
Okés megpróbálom...köszi!
(#) pajti2 hozzászólása Okt 26, 2011 /
 
IEC dokumentumokat (szabvány leírások) meg lehet valahonnét szerezni elektronikus formában?

Interneten összesen egy webstore site-ot találtam, ahonnét darabokat lehet letölteni ilyen 5k huf / db áron (egy teljes dokumentum kb 100-120 részre van szétszabdalva). Egyszóval rablás. Reménykedem benne, akad valami más mód hozzájutni.

Tipp?
(#) blackdog hozzászólása Okt 26, 2011 /
 
Sziasztok!

Erősen meggyűlt a bajom a párhuzamos ellenállások eredőjénke kiszámításával.
Azt mindenki tudja, hogy R1 és R2 esetén egyszrű dolgunk van.

Re = {R1*R2}/{R1+R2}

Na, de ha R1 R2 R3 van? Oké:
Re = 1/{{1/R1}+{1/R2}+{1/R3}}

Egyszűbben felírva: Re = R1 x R2 x R3
x ugye a Replusz

Nos itt akadtam meg. Most akkor hogyan számoljak egyszerűbb alakkal? Ez a Replusz valahogy nekem nem megfogható.
(#) blackdog válasza (Felhasználó 13571) hozzászólására (») Okt 26, 2011 /
 
Igen van, de sok itt a kezdő és jobb, ha rögzül bennük az a marhaság, hogy Re = (R1*R2)/(R1+R2)
Utána meg néznek, hogy miért nem számolnak jól több tagból álló hálózat esetén.
Én is fennakadtam az egyszerűbb alakon.
(#) szabónagymester hozzászólása Okt 26, 2011 /
 
Sziasztok!

Hogyan tudom megállapítani, hogy egy 3 lábú tokvan tranzisztor van-e, vagy valamilyen kapcsolási rendben (soros/szembe fordított) dióda van-e.
Természetesen itt a megállapítás módjára mindenképpen mérésre lehet gondolni tudom, de nyitófesz (ellenállás) alapján, multiméterrel ki tudom-e mérni?
Betű szám alapján nem tudom beazonosítani.
(#) Gringo87 hozzászólása Okt 26, 2011 /
 
Sziasztok?

Azzal a kérdéssel fordulnék felétek, hogy elakadtam egy kamerarendszer felépítésében, a kábelezés rendben de vettem egy DVR kártyát, egész pontosan ilyet
http://www.google.hu/imgres?q=dvr+card&um=1&hl=hu&sa=N&biw=1280&bih...s%3A20


de AMD procim van, ez csak Intelen működik elvileg....mert sehogy sem akarja feltelepíteni....elsőnek azt írja talált egy kártyát mihelyst installra kattolok már írja hogy nem talál hardwaret. :S

Van rá megoldás vagy nem jó ez a kártya erre az alaplapra?
(#) blackdog válasza szabónagymester hozzászólására (») Okt 26, 2011 /
 
Pusztán tranzisztor vagy dióda mérésre hagyatkozva szerintem nem kapsz pontos eredményt. Mi van írva rá?
(#) szabónagymester válasza blackdog hozzászólására (») Okt 26, 2011 /
 
Na ez a baj, hogy mag a jelölést sem tudom azonosítani. Egy pc tápból szedtem ki. Annyi tuti, hogy nem stab! Tranzisztorok általános jelölését ismerem aránylag, és egy elég kommersz táp volt, nem hinném, hogy valami egzotikus tranzisztor lenne. Tehát jó esély van a diódára, de szeretnék meggyőződni róla.
De készítek képet róla, remélem jó látható lesz!
Következő: »»   1481 / 4043
Bejelentkezés

Belépés

Hirdetés
XDT.hu
Az oldalon sütiket használunk a helyes működéshez. Bővebb információt az adatvédelmi szabályzatban olvashatsz. Megértettem