Fórum témák

» Több friss téma
Fórum » Villanyszerelés
 
Témaindító: kumpl, idő: Júl 16, 2008
Témakörök:
  1. A témában tilos, a villamosenergia termelésének, elosztásának, nagyipari alkalmazásának kitárgyalása! A mélyreható szakmai kérdések, magyarázatok kitárgyalása: Szakmai.
  2. A forrasztott / rossz a wago / jó a wago kötés témakörök többször kitárgyalásra kerültek, ezért arról kérjük ne nyissatok új vitákat. Műszaki tény, hogy gyári vezetékösszekötők (pl. rugós/csavaros kapcsok, stb) a szabvány megfelelősség miatt kerülnek alkalmazásra (MSZ EN 60204-1:1995 15.1 szakasza, illetve MSZ HD 60364-5-52:2011 szabvány 526.2. pontjának 1. megjegyzésében felsorolt követelmények/indokok a forrasztott kötés elkerülésére épületvillamosság esetében) mert tanusítottak, míg a forrasztott kötés alapesetben nem tanusított, csak és kizárólag akkor ha külön bevizsgáltatod az adott forrasztott kötést. Ide kapcsolódó általatok írt hozzászólások: #1, #2, #3, #4, #5
Lapozás: OK   170 / 1007
(#) ramsey válasza Action2K hozzászólására (») Okt 26, 2011 /
 
Pont ezért nem nyúlkálunk hozzá. Ha pedig muszáj, előbb mindig kihúzom. Az előző lakásban jó volt a védőföldelés és ott is mindig kihúztam mindent mielőtt hozzányúltam/belenyúltam.
(#) zoli_varga válasza ramsey hozzászólására (») Okt 26, 2011 /
 
Gratulálok!

Egyben lenyűgöz az ember leleményessége hogy mennyire tanulékony: ha a hibát nem tudja elhárítani akkor megtanul vele együtt élni.

De hogy a hozzászólás építő jellegű is legyen lehet hogy a "védőfölded" a nullavezetőből származik és valahol keveredés van a nulla és védővezető között.
(#) proba válasza Sword hozzászólására (») Okt 27, 2011 / 1
 
Akkor ha ekkora az éjszakai /nappali áramkülönbség ,lehet a kontaktus melegedése okozza az általad észlelt hibajelenséget.(becsapja a termosztátot ,mert mellette fűt) Szerintem ha régebben így biztosan jó volt ,akkor termosztátcsere/tisztítás ,ha csak úgy gondolod hogy jó volt, akkor akkor az egész átvariálása úgy hogy a termosztát csak mágneskapcsolót vezérelje.(azt sem igazán értem miért kellett ehhez ennyi mágneskapcsoló.
(#) Sword válasza proba hozzászólására (») Okt 27, 2011 /
 
Kb két éve használom a lakást, nem tudom előtte volt-e ezzel gond...
Ha cserélem, akkor az új is melegedni fog, nem?
Ráadásul, ahogy mondtad: lehet az újabbak már nem bírnak ekkora áramot tartósan. Majd megkérdezek egy villanyszerelőt mibe fájna átkötni a rendszert.
(#) proli007 válasza Sword hozzászólására (») Okt 28, 2011 /
 
Hello!
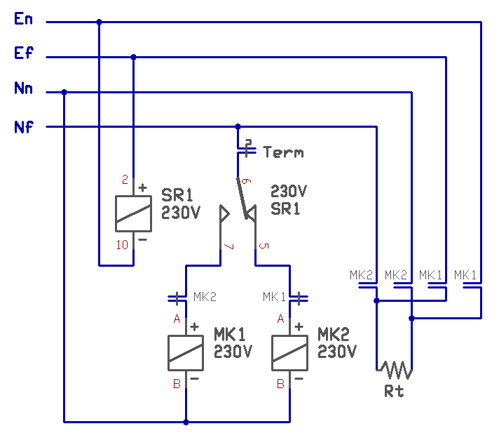
A fényképet nézve, szerintem ez van itt "összetekerve" és így nem melegedhet a termosztát. (bocs, hogy a jelölések nem szabványosak, nem szoktam erősáramú dolgokat rajzolni.
üdv! proli007

DAY&NIGHT.png
    
(#) fulcsii válasza proli007 hozzászólására (») Okt 28, 2011 /
 
De akkor ha ez így van, az általa mért 10A min folyik? mert a te rajzod alapján, max. 1-nek szabad csak!
(#) renato20 válasza fulcsii hozzászólására (») Okt 28, 2011 /
 
A régi villamos szerelvények kiváltására 90% ban van alternatív új villamos szerelvény ami általában kisebb méretű és SOKKAL NAGYOBB ÁRAMOT IS ÁT KÉPES VINNI.
Vonatkozik ez a kötőelemektől a kismegszakítókon át mindenre.
(#) fulcsii válasza renato20 hozzászólására (») Okt 28, 2011 /
 
Ezt én értem! És tudom! Nem is ez a kérdés!
(#) proba válasza fulcsii hozzászólására (») Okt 28, 2011 /
 
Valószínű mert ezt akarták csinálni ,csak nem ez sikerült.Illetve ezt csinálták csak valamelyik alkatrész tönkre ment és egyszerűsítettek.Mással nem nagyon magyarázható a 38mA/10A különbség az éjszakai nappali között.
Idézet:
„Lemértem a termosztáton átfolyó áramot, írtam is a topicba.
Nappali áramnál kb 10A folyik át rajta, éjszakainál 38mA.”
(#) renato20 válasza fulcsii hozzászólására (») Okt 28, 2011 /
 
Elvileg egy éjszakai nappali átkapcsoló megvan két mágneskapcsolóból ami úgy működik ha van éjszakai fixen azon és ha elmegy akkor vált nappalira . és utána kellene a termosztát .
(#) Sword válasza proba hozzászólására (») Okt 28, 2011 /
 
Az lenne a legjobb ha elő tudnám keríteni azt a szakembert, aki elkövette. Hátha jobban vágja mi,
hova és miért. A tulaj az egyik rokonom, de ő csak annyit tud, mint én, nem villamossági szakember, de nyilván ismeri a villanyászt, aki összedrótozta neki ezt a cuccot.
Nekem ez magas, egy nyákon eligazodok, de itt csak egy halom drótot látok, ráadásul nagyfeszültség, így méricskélni sem akarnék, ha nem muszáj.
Bár ha tudnám, hogy a jelenlegi kapcsolás pontosan hogy néz ki és proli rajza alapján tudom hogyan kéne kinéznie, akkor érdemes lenne kimérni és átkötni.
(#) renato20 válasza Sword hozzászólására (») Okt 29, 2011 /
 
Hi hol vagy helyileg ha Veszprém környékén akkor megnézem neked
(#) ötfelezős válasza Sword hozzászólására (») Okt 29, 2011 /
 
Okt 20-án azt írtad, egy mágneskapcsoló.. Egy hétig így tornásztattad az agyát a fórumnak...
(#) proli007 válasza Sword hozzászólására (») Okt 29, 2011 /
 
Hello!
Ha egy panelen el tudsz igazodni.. Ez is egy panel, csak drótok vannak benne. Ha leveszd a táblát, kiveszed a biztiket, (éjszakait-napalit) nyugodtan meg lehet húzogatni a drótokat, hova mennek. Ha én a fotó alapján "látom", akkor Te fél méterről nem? Vesd össze azzal ami rajzoltam, írd a rajzra a mágneskapcsoló lábszámait. És ha nem így van, akkor rajzold le hogyan.
Nem egy nagy kaland. Két drót jön a nappaliról, kettő az éjszakairól, kettő a fűtésre megy, kettő (jobb esetben három) a termosztáthoz. Ennyi ez és nem több, ne tutyimutyizzál már itt! Nem vagy még 80 éves nem? :no:
üdv! proli007
(#) Sword válasza ötfelezős hozzászólására (») Okt 30, 2011 /
 
Elnézését.
Szerintem, aki segít az önszántából segít.
Ha senki nem segít, akkor sem fogok se duzzogni, se megharagudni, hanem keresek más lehetőséget, de mivel ez a legegyszerűbb, ezért ezzel kezdtem.
Másrészt fogalmam nem volt, hogy hol van a biztosítéktábla. Azt az infót kaptam a tulajtól, hogy ez meg ez van bekötve, stb, stb. Az infó téves volt. Megnézni meg csak hétköznap tudtam, mert 7végén nem tartózkodom ott. Amint tudtam megnéztem, fényképeztem, mértem.
(#) Sword válasza proli007 hozzászólására (») Okt 30, 2011 /
 
Még nem
Oké, köszönöm a segítséged, segítségeteket. Elméleti síkon többet itt nem lehet tenni, a probléma megvan.
Most már meg kell oldanom. Így vagy úgy.
(#) nico85 hozzászólása Okt 31, 2011 /
 
Láttam a youtube n egy fürdőszobát ahol a spot lámpák késleltetve kapcsolnak fel egymás után és így is alszanak ki, ezt hogy lehet megcsinálni?

http://www.youtube.com/watch?v=mh2LyQl25IA
(#) proba válasza nico85 hozzászólására (») Okt 31, 2011 /
 
Ha elektronika építési kedved van (panelmaratás ,forrasztgatás...mikrovezérlő programozás, esetleg egyszerűbb futófényépítés ) akkor talán egyik lépcsővilágítással kapcsolatos topicban találsz ehhez hasonló valamit ,ha nincs akkor marad a PLC programozás. (vagy egy rahedli időzítő modul (lámpánként 1,de inkább 2 )
(#) nico85 hozzászólása Okt 31, 2011 /
 
Köszi az infót akkor jó vonalon indultam el....
(#) barom699 hozzászólása Nov 1, 2011 /
 
Üdv! A segítségeteket szeretném kérni. Az a problémám, hogy egy melléképületi kis ház világításánál olyan hiba lépett fel, hogy a foglalatban lekapcsolt állapotban 160V-ot mérek, felkapcsolva pedig 380V-ot. Semmi nem lett buherálva, vagy kötözgetve, egyszer csak előjött ez a hiba.
Mitől lehet?
(#) Dudus válasza barom699 hozzászólására (») Nov 1, 2011 /
 
A rendszered három fázisú?

Milyen műszerrel mérted? ( Az elem nem merülés szélén áll benne? )

Ha igen, akkor valahol a nullán van egy szakadás vagy egy rossz kötés. Mérd végig a házat és próbáld lokalizálni. Ha csak a melléképületben van ez a hiba, akkor az oda menő kábelt és kötéseit nézd át.
(#) barom699 válasza Dudus hozzászólására (») Nov 1, 2011 /
 
Lakatfogóval mértem és a műszer tökéletes.
3 fázis jön be, de a dugaljaknál minden rendben.
Van külön kismegszakító táblája
(#) zoli_varga válasza barom699 hozzászólására (») Nov 1, 2011 /
 
Szia!

Ha nem az izzó "kiégése" miatt méricskélsz akkor ez lehet a vezeték áthallása is.
Ha az izzód kiéget azonnal akkor ott már bibi lesz.
Egyszerűen megnézheted hogy a foglalatba szerelt izzó összehasonlítva egy ugyanolyan teljesítményűvel hogyan világít konnektorból táplálva (olyan konnektort válassz ahol biztos 230 V van).
Digit. műszerek és fáziscerka becsapós.
(#) barom699 válasza zoli_varga hozzászólására (») Nov 1, 2011 /
 
Ahogy betekerem az izzót és felkapcsolom azonnal kiég. Nulla szakadás lenne?
(#) Dudus válasza barom699 hozzászólására (») Nov 1, 2011 /
 
Ha nulla szakadás van, nem csak egy foglalatban lenne gondod. Nincs elkötve? Nézd végig a lámpa áramkörét a biztosítókig.
(#) proba válasza barom699 hozzászólására (») Nov 1, 2011 /
 
Alternatív kapcsolós? Lehet egyszerűsített bekötésű ,és valahol elcserélted az egyik fázisát
(#) barom699 válasza proba hozzászólására (») Nov 2, 2011 /
 
Alternatív kapcsolású, de nem én csináltam. Működött eddig (kb.1 évig) és most jött elő a hiba.
(#) proba válasza barom699 hozzászólására (») Nov 2, 2011 /
 
És semmit nem változtattál az elektromos hálózaton? (bárhol, nem csak a lámpáddal kapcsolatban)
(#) gömb hozzászólása Nov 3, 2011 /
 
Üdv!
Az lenne a kérdésem, hogy egy családi ház elektromos hálózatának kibővítésekor kötelező-e az új lámpákat külön biztosítékra akasztani? A meglévő lámpák egy ágon vannak a konnektorokkal.
(#) zoli_varga válasza gömb hozzászólására (») Nov 3, 2011 /
 
Nem de ésszerű.
Következő: »»   170 / 1007
Bejelentkezés

Belépés

Hirdetés
XDT.hu
Az oldalon sütiket használunk a helyes működéshez. Bővebb információt az adatvédelmi szabályzatban olvashatsz. Megértettem