Fórum témák
» Több friss téma |
Sziasztok!
Szeretnék építeni egy ledes féklámpát és helyzetjelzőt egybe. De ezeknél az 50-es motoroknál, ugye a helyzetjelző nem az akksiról megy, hanem tekercsről, így mindig változik a feszültség. Gondolom a ledek nem sokáig bírnák. Át kellene alakítani, hogy a helyzetjelző is arról menjen, vagy meg lehet oldani másképp is? Köszi
Fentebb ott van egy kapcsolás, alig pár hozzászólással visszább. Nem igaz, hogy nem lehet legalább ennyit elolvasni, mielőtt kérdezel.
Sziasztok!
Olyan kérdéssel fordulok hozzátok hogy: Van egy Quad. S a Fényszóróit szeretném LED-esíteni. Lámpa testenként 18db LED lenne benne. Az az összesen 18x2=36 db A led adatai: - Fényerő: 16.000mcd - Szín: hidegfehér - Max. áram: 20mA - Nyitó feszültség: 3,2...3,6V - Sugárzási szög: 25fok alatt - Víztiszta tokozás A Quad 4 ütemű. 12V-os. Járó motornál 14.7V A kérdéseim a következők: A LEDeket ugye párhuzamosan kötöm. S úgy informáltak h ellenállást csak 1-et kell beletenni az összes LED elé a fő + szálba. De van aki azt mondta h minden egyes LED elé közvetlen kell egy ellenállás. Most akkor melyik a valós? S egy olyan infót is kaptam h a LEDeket áramgenerátorral kéne üzemeltetnem mert így egyrészt nagyobb lesz a fény ereje másrészt élettartam is jobb lesz. Valóban így van? Előre is köszönöm a válaszokat! Üdv.: Szilix Sorry az "értetlenkedésért" de nem nagyon értek még a dolgokhoz...
Ha csak latszani akarsz, akkor rendben. Ha latni is, akkor harmatgyenge. Oda rendes power ledek kellenek.
Tisztában vagyok vele hogy látni nem lehet majd vele. De nem is kell mert a gép csak téli ökörködésre lesz az utcákban, de vannak szakaszok ahol a közvilágítás nem ég (kiégett) s tavaly volt rá példa h mások belénk szaladtak az ilyen részeken. Kérdéseimre valaki választ esetleg?
Szia! Köss 3-at sorba, és ebből 6-ot párhuzamosan. Az áramgenerátor legyen 120mA-es.
Igy mar vilagos, tehat csak latszani akarsz. Akik beled szaladtak, ok sem vilagitottak?
A kerdesre: Elvileg aramgeneratorral kellene hajtani, valoban. Az aram a feszultseg es a homerseklet fuggvenyeben valtozik. Sorba kell kotni harmat es eleje tenni egy ellenallast, ami 20mA-ra korlatozza az aramot jaro motornal. Aztan ezekbol teszel parhuzamosan annyit, amennyit akarsz. Szoval szerintem 3-ankent kell ellenallas. Az aramgeneratoros dragabb, de maximalisan kihasznalja a ledet. En a helyedben inkabb vennek harom db power ledet , sorba kotnem es egy db aramgeneratorral taplalnam.
Nem is tudom merjem-e...
Én igazából nem nagyon értek a LED-es lámpákhoz, főleg nem a készítésükhöz, ezért ha valakinek van kedve és szabadideje egy kicsit, akkor meghálálnám. Egy régi autó hátsó lámpáit szeretném újragondolni, ehhez kéne egy zseni, aki otthon van az ilyesmiben. Én a természethez értek, ti pedig remélem ehhez is :yes:
S mit kéne ezen "újragondolni"? Már eleve ledes ? vagy ledesíteni szeretnéd?
Nem, ez egy régifajta autó egyszerű sima lámpája.
Ezt szeretném ledesíteni. Külföldi autóstalálkozón egyszer láttam ilyet, azóta próbálom felkutatni az illetőt, de mindhiába. Ezért gondoltam, hátha...
Sziasztok!
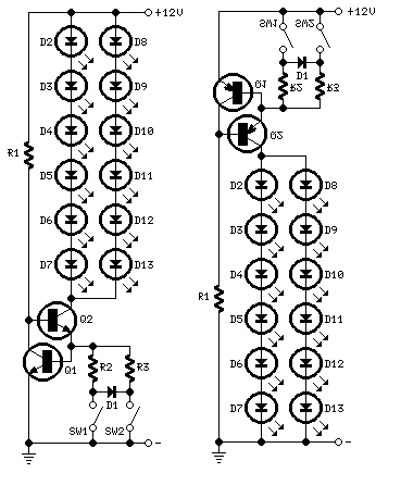
Van egy ledes hátsólámpám (autóba) de sajnos az egyik fele tönkre ment. Gyantába van beletéve az áramkör így nem tudom újra csinálni. Arra gondoltam hogy megcsinálom Ezt. Viszont ezzel az a gond hogy a negatívat szakítja meg. Az autóba pont fordítva kellene. Valaki ki tudna segíteni egy helyesbített rajzzal? Előre is köszönöm!
Milyen gyantában van az eredetid? Valami átlátszatlan vacakban, hogy ne tudd lemásolni? Lehet, hogy ha hőlégfúvóval melengeted, akkor le tudod olvasztani róla a trutyit és nyertél...
Amúgy szívesen megnéznék egy ilyen gyárit, ha az a rossz lap már nem kell neked
Fekete gyantába van és valami szemcsés izék is vannak benne. Sajnos eltörtem a panel sarkát ahogy próbáltam lebontani róla a gyantát, de szívesen elpostázom neked.
Azért nem akarom ugyan azt megcsinálni, mert ledet kellett cserélnem a lámpában és amiatt helyzetjelzőn vibrál és ha gyújtásra teszem a kocsit akkor világít a fék is. Ráadásul nagyon gyenge a helyzetjelző rajta.
Jah és az ellenállások jók ehhez a ledhez (ugyan úgy 12 db lesz benne ahogyan a rajzon is)?
1264SOL-40, 3mm Super Flux LED Hullámhossz ?D(nm):620-625 Fény- intenzitás (mcd) IF=20mA:1135-1590 Nyitó feszültség (V) IF=20mA:1.8-2.0 Záró irányú áram (?A) VR =10V:10 Az ellenállásoknál a 1/4 gondolom 0.25 akar jelenteni.
Nem tudom a fékezéskori 60mA-t miként viseli a led. Egy darabbal ki kéne próbálni. Ha bírja akkor maradhatnak az ellenállások.
20mA is szépen világít sztem, de a 60 az lehet tényleg sok lesz. A helyzetjelzőnek meg a 8mA az kevés
, alig fog látszani.
Hogyan számoltad ki a 60mA-t?
Lehet rosszul számoltam a 8-at is?
A leírás a "Notes"-ban tartalmazza. Helyzetjelző: "The formula is: R = 0.6/I (in Amperes)."
Az előbb begépeltem egy jó hosszú üzenetet, de az új fórummotornak köszönhetően sikeresen el is veszett grrr
![]() A lényeg, hogy én ezt a ledet nem ajánlanám neked (ha már megvetted, akkor másra használd fel). Én kísérletképp vettem a lomexben superflux ledet kétfélét. A gyengébbik volt 3.5cd, az erősebbik 7cd. Én üzemanyag visszajelzőhöz használtam egy vastag papírlap mögött és a gyengébbiket éjjel is nehezen lehetett észrevenni! Pedig az háromszor fényesebb elvileg annál, amit te választottál. Ezeknél a ledeknél (amiket én vettem superflux, de a tied is nagyon hasonló) az adatlap is azt ajánlja, hogy 70mA legyen a csúcsáram, amivel meghajtod, viszont ha annyit használsz, akkor jelentősen csökken az élettartama. Az ajánlott tartomány 10mA felett (vagyis úgy írja alatta ne), célszerűen 20mA (de ha 14-15mA-rel küldöd meg, akkor nem fogsz jelentős eltérést látni a 20mA-hez képest). Én az L-7676CSEC-G és L-7676CS0EC-H ledeket próbáltam ki, bár drágábbak, mint a kiszemeltek, de azért a fényük is erősebb ![]() Persze első körben én a helyedben mindegyikből 1-1 darabokat vennék és kipróbálnám őket, összehasonlítva az eredeti (a még jó panel) fényével... Persze úgy, hogy a jó panelon minden más ledet letakarnék és csak egy világíthatna a szemembe, aztán jobb híjján papírlapot rátéve lehet látni mennyire szűrődik át a fénye, addig rakosgatva a lapokat, míg már nem látom a fényét. Én viszont nagyon valószínűnek tartom, hogy a gyári megoldás valamilyen PWM rendszerű dolog és a kitöltési tényező változik a fék megnyomásával...
Igen én is láttam, de ez nekem nem sokat mond
Sziasztok!
Kiváncsiságból megmértem egy ledes gyári hátsó lámpát.Valeo,a VW Golf V, Passat stb. kör alakú lámpája. A helyzetjelző oldalanként 20 db (piros-sárga kétszinű) led,négyesével sorbakötve, 15-20 mA meghajtással 12,5-14,4 V feszültségen mérve. A féklámpa oldalanként 16 db ,katalógus szerint 400mcd-s led, páronként sorbakötve, áram : 35-50 mA a két feszültségen mérve. Csak halkan jegyzem meg, mindannyian mentünk már ilyen autó mögött szerintem, de nappal alig látható a féklámpája a ledenkénti foncsor és az átlátszó búra ellenére. A motoromon 32! db ilyen led adja ki a nappal is látható féklámpát, piros búrával.(FYLS ? 3528URC-AB) Csak jótanács ,hogy a teljes átépités előtt ellenőrizd a fényerőt egy hagyományossal összevetve, mivel nem éri meg ez a (mellesleg szabályellenes) átalakitás, ha esetleg emiatt érnek utol.Sőt, jó eséllyel a biztositó sem fog fizetni. üdv:hp
Pedig csak be kell helyettesíteni. 8mA ledáramhoz 0,6/0,008=75 ohm ellenállás kell.
Szia! Az olcsóság sodorja ilyen megoldások felé a gyártókat. A led-ből PWM-mel lehet a legtöbbet kihozni. A szem egy ideig megőrzi az erős felvillanást, és ezek sorozatából vibrálás mentes látványt lehet előállítani. A 20mA körüli átlagáram 100mA-t meghaladó csúcsokból és szünetekből tevődik össze. Sokkal intenzívebb fényhatást nyújt mint az egyenáram. Példának egy IC a sok közül: Bővebben: Link
Szia
Tisztában vagyok a PWM meghajtás előnyével, azzal meg pláne, hogy a tömegtermelésben a fillér törtrésze is számit ![]() Ezt a lámpát példaként irtam le, ennyit lehet kihozni PWM nélkül ennyi ledből...viszont igy legalább 5 centtel olcsóbb előállitani.. üdv:hp
Ez gyárilag ledes lámpa (csak tönkre ment). De már kezdek letenni róla. Ezt az életbe nem tudom normálisan megcsinálni. Főleg hogy nem is értek túlságosan a dolgokhoz.
Ha gyárilag ledes volt,akkor megéri megcsinálni, akár a belseje újraépitésével is..fog az menni, ne add fel
Itt vannak a képek.
Az utolsó kettőn az angel eyes lámpám van amit átalakítottam. |
Bejelentkezés
Hirdetés |






, alig fog látszani. 









