Fórum témák
» Több friss téma |
Az lenne szuper ha még egy kapcsolási rajzzal is megtoldanád.
![]() Nagyon régen foglalkoztam ilyen témával. Köszi!
Tessék most csináltam de a lényeg látszik.
Itt van még egy ezen jobban látszik.
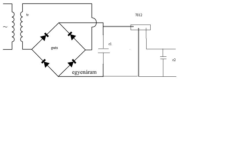
sziasztok meg köszöném ha valki meg irná nekem van le rajzolná egy 10 V trafó egyen irányitásának kapcsolási rajzát és el is magyarázná nagyon szépen meg köszöném!!!
Tehát adott ez a táp kapcsolás!
A c1 helyére be kel raknod egy 1000µF/12v kondít A 7812 helyére egy 7809 stabilizátort.A c2 helyére 3300µF 10v.
Idézet: , oszt' egy kellemeset fog pukkanni... „A c1 helyére be kel raknod egy 1000ľF/12v kondít” Legyen inkább 16V-os a kondi.
Ja bocs 25v akartam
![]() Csak már este volt "kicsit"
Sziasztok. Gondolom ide írom, hogy adott egy 220/24V-os trafó és ebből szeretnék 14V egyenáramot kicsikarni. Az áramerőssége 30A körül kell hogy legyen mivel demofalba lesz beleépítve. Ha képek kellene írjatok nyugodtan.
Üdv Mindenkinek! HTPC áramellátásához lenne szükségem 12V feszültségre, de csak olyan adapterem van, amin a legkisebb kimeneti feszültség 15V. Megoldható ez a dolog egy zener diódával, vagy valami komolyabb megoldás kell?
Sziasztok.
Én 24V AC-ből szeretnék 14V DC-t csinálni. Demofalba kellene. Adott a trafó pontosan még nem tudom hány A-t tud de képet tehetek fel. Elég bika szerintem első osztályú lenne. Graetz hídat már vettem csak nem tudom mekkora kondikat vegyek.
Itt vannak a képek is! Nem tudom hány W-os és hány A-es!
Sziasztok!
Akadt egy kis problémám. Adott egy 44V-s hegesztőtrafó. Ebből kellene valamilyen módon 24v min 20A egyen feszültséget kicsikarni. Egy 24V 15A kefés motor hajtásához kellene. Keresgéltem a neten, de nem találtam nekem megfelelő kapcsolást. Gondoltam megkérdezem itt, hátha van valakinek ötlete. Előre is köszi!
Valaki nem tudná elmagyarázni hogy ebben a kapcsolásban a tranzisztor hogy működik?
Tina-ban leszimuláltam és a V CE midig 9,4 V körül van. Ezt hogy lehet beállítani egy tranzisztornál mert ez a része nem tiszta a kapcsolásnak... Gondlom valahogy a bázis emitter feszültség módosításával? Előre is köszönöm! Idézet: „Tina-ban leszimuláltam és a V CE midig 9,4 V körül van.” Szia! Nem tudom, hogy honnan sikerult neked a BD249-tranyit elovenned, en nem talaltam a library-ben. Valaszd a tranyi parametereknel a tipusnal az idealis parametert, es akkor jo lesz a szimulacio. Egyebkent meg ne foglalkozz vele, ha megepited, akkor jo lesz az! A ket emiterbe betettem egy-egy 0,1 ohmos ellenallatot a parhuzamos kapcsolas miatt. Ja, a kimeneten levo R5 csak azert van benne, hogy lassam a mukodest a kb 10A-es terheles eseten is. Udv! Imre
Szia!
Köszönöm, sikerült megépítenem a kapcsolást de az a baj vele hogy baromi nagy teljesítményt fűt el 10A terhelés körül. Tudom ez normális, de a hatásfoka mondjuk 28V -os bemenő feszültségnél( generátor töltés kamionban) és 10 A esetén csak 30-40 %-os. Egyébként én is beletettem a 0,1 ohm-okat és így építettem meg a kapcsolást. Lehet hogy valami kapcsolóüzeműben kellene inkább gondolkodnom a jobb hatásfok miatt mert erre ha rákötnek egy rádiót meg egy hűtőtáskát az egyrészt nagy teljesítményt fog felvenni meg fűteni fog.
step-down ic-kben gondolkodjal. Hirtelen igy kapasbol kis aramban csak szemlelteteskeppen tudom ajanlani a MC34063 vagy a L296 adatlapjat tanulmanyozasra. De lehet, hogy valaki itt a forumon is tud mondani olyan step-down ic-t, amely tud lazan 10-15-20A-t is.
Sok sikert! Majd ird meg, melyikre esett a valasztasod! Udv! Imre
Helló fórumozók!
Szükségem lenne egy nagy hatásfokú 24VDC-12VDC 3-5A-es konverterre. Nem tudtok Budapesten üzletet ahol ez KIT formájában kapható? (vagy esetleg valaki aki több példányszámban is készített már, és lenne neki elfekvőben 1db?) Mostanában sajnos nincs időm beszerző körútra indulni, és nagy szükségem lenne rá! Köszi a megértést: Üdv.: Stev.
Errefelé lehet találni, de készet, nem kitben:
Teherautós oldalak, autósboltok A Conradnak is van, bár nem olcsók... Conrad 24V/12V 70W Üdv Inhouse
Hali mindenki!
Találtam egy * átalakító kapcsolást de azt írják h 3A-ig lehet terhel. Nos az lenne a kérdésem(lehet h hülye kérdés) h milyen átalakítással lehetne ezt növelni? Vagy elég az a 3A? Ugyanis egy hűtőtáskát szeretnék róla működtetni Válaszokat előre is köszönöm Bővebben: Link
Sziasztok.
Véleményeteket szeretném kérni az alábbi kapcsolásról. A tranzisztorok MJ15004 típus lenne. Az Rt-t csak hasra ütés szerűen írtam bele. Mekkora áram nyerhető ki maximum folyamatosan belőle? Előre is köszönöm. Bye Palkó.
Kamionba szeretném használni egy jó áron szerzett 1200W-os de 12V-os inverteremet elsősorban a bepített hűtőszekrényhez és a nyomtatóhoz de van mikrohullámu sütőm és elektromos grillsütőm is amiket pont erre a célra vettem. Az a megoldás hogy csak az egyik akumlátorra kötöm rá nem működik mert így 2 dolog történhet, ha nem jár a motor akkor a nagy terhelés miatt lemerül és nem indul be... vagy ha járatom a motort akkor nem lesz egyenletes a töltés és rövid időn belül tönkremegy az akumlátor (tapasztalatból tudom). Az áramkör mérete nem akadály mert a kamionon elfér bármi, de transzformátor nélkül szeretném ezt megoldani: 24V ból 12V 1200W
Érdemes lenne belenézni az inverterbe, lehet hogy elmegy 24V-ról is vagy módosítható.
Elég faramuci dolog 24V-->12V-->220V
Előbb kimaradt:
Nézd meg, hogy szinuszos vagy kváziszinuszos az invertered, vagy próbáld ki hogy működik e róla minden amit használni akarsz mielőtt energiát ölnél bármilyen megoldásba is.
müködik minden, már próbáltam a mikrót is meg a sütőt is, aztán ment tönkre az az akumlátor amelyikre kötöttem és azóta nem is viszem magammal ezeket csak az invertelt mer laptopot meg telefont tölteni még jó az még nem teszi tönkre az akut. ha szétszedem akkor mit keressek benne?
Sziasztok.
kérnék egy kis segítséget,hogy milyen típusú IC tartalmazott a 24/12 átalakító. előre is köszönöm.
Szia!
Talán LM2576 féle, step-down átalakító. |
Bejelentkezés
Hirdetés |







Legyen inkább 16V-os a kondi.












