Fórum témák
» Több friss téma |
Szia! Öröm látni egy korrekt rajzot
Néhány kondi talán túl is van méretezve, de messze jobb mint ami az adatlapon szerepel.
Nekem az alsó határfreki tetszik -3dB 2,7 Hz-nél. Tehát jó lesz subbasszus erőlködönek. Lakásban nem kell több 30W-nál.
Időnként be szoktam linkelni, hogy a mélyátvitelre oda kell figyelni. Bővebben: Link
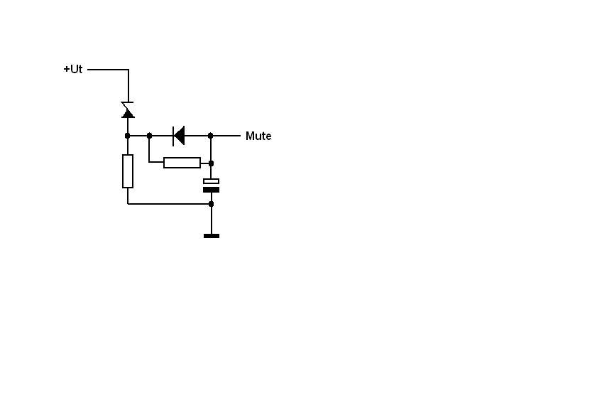
Most tervezek némításvezérlőt, mellyel 2~3sec bekapcsolási- és azonnali kikapcsolási némítást szeretnék elérni. Szívesen vennék minden ötletet. Alap lehetőség: egy komplett koppanásgátlóval vezérelni a 10-es lábat. Valamivel egyszerűbb: táp-5V értékű zenerről működtetni egy lassú felfutású/ gyors kisülésű időzítőt.
Szia!
Ezt nézd meg! A doksiban közölt nyáktervhez képest van sokkal kisebb méretű tervem hozzá (30*100 mm), ha érdekel.
Szia! Köszönöm a figyelmességed! Az AVT szekunder feszültség figyelése nagyon szellemes. Már csak a bekapcsolási késleltetést kéne hosszabbra venni. Az lenne a cél, hogy egy aszimmetrikus táplálású előerősítő csatoló kondenzátorai maradéktalanul feltöltődjenek a némítási szakasz végére.
Szerk.: A nyákterv érdekel, előre is köszönöm
A nyáktervet Protel98-cal készítettem, kétoldalas furatgalvános kivitel. Ha még mindig érdekel a dolog, akkor feltöltöm ide képként, vagy pdf formátumban.
Miért kell ilyen "hosszú" visszakapcsolás?
Amit én építettem a Te segítségeddel az nekem bevált. Azonnal elveszi a hangot és kb. 1,5-2sec alatt adja vissza nagyon szépen.
Most, hogy írod emlékszem rá. A furatgalvános kivitel meghaladja az erőmet sajnos. A felajánlást azért köszönöm!
Szia! A kapcsolósra gondolsz? Bővebben: Link
Igen.
Annyi, hogy nálam R5 22k C3 22uF. Ill. a fesz. osztóban a 33k és 4k7 más értékű, de ez kevésbé lényeges.
Nálam a 22k/10µF nagyon gyorsan bekapcsol. Az ötlet jó! Lejjebb viszem a feszültségosztót 4V környékére.
Szerk.: A feszültségosztó értékeid érdekelnek.
Igen.
Közben rájöttem, hogy marhaságot írtam. Holnap megmérem a fesz. osztót. Nálam 38 VDC-ről megy.
Hello mindenki!
Annyit szeretnék kérdezni, hogy a tda7294 hid out- kimenetét összekötöttem a grounddal, ez gond és ne kössem össze vagy maradhat így?
Ha szó szerint összekötötted a kimenetet a testtel, az nagy hiba!
még nem inditottam be a rendszert, itt egy kép szóval akkor a pirossal jelöltet nem kössem a testtel?
Segítséget szeretnék kérni, Nekem is a Morris Pedro féle hidalt Tda7294-esem van, csak még nem mertem Kipróbálni, a tápom egyenirányítás előtt 2x34v egyenirányítás pufferelés után +-47,3V ez sok lenne neki szerintem, a leírásban 44Voltot ír a maximumnak, mit csináljak a tápommal, vissza lehet "húzni" 40 Volt környékére? Hídkapcsolás
üdv!
ha pufferelve +-47voltot kapsz, az tényleg sok, építened kell egy szimmetrkus fesz szabályzót ha jól tudom 7815-7915 ic párral
miért szabályoznám le 15voltra? nekem 40 volt kéne kb ellenállással nem megoldható? jah és mekkora ellenállás kéne kb?
A híd kapcsolásnak az volna a lényege, hogy a hangsugárzó egy-egy erősítő kimenetre csatlakozik. Jelen esetben ez a két pont "out+" és "out-", erre kösd a hangsugárzót - mely ilyenkor nem kap testet. Bővebben: Link
Hello!
Nah lenne egy kérdésem a TDA 7294 híd hűtésével kapcsolatban. Van egy hűtőbordám ami elvileg elég lenne ventilátorral egy darab hídnak. Nos találtam itthon 2 cm-es alu lemezeket és gondoltam ha rá raknák még a hűtőbordára 2 darab 2 cm es lemezt (a többi megegyezne a hűtőborda méretével 20x10cm) akkor elég-e 6 darab IC nek (az ábra szerint szigetelném az ic-ket)? Ha jól számoltam maxon 45 celsius fokot adna le a 6 darab ic. De ha valami probléma lenne a hővédelem bekapcsol nemde
Jaj elnézést már nem tudom módosítani a hozzászólásom de 450 celsius fokot akartam irni
Szia! A hűtésnél a borda tömege csak másodlagos. Az számít igazán, mekkora felület érintkezik a levegővel és a felmelegített levegő milyen gyorsan cserélődik. A lemezeknél többre mennél egy plusz ventivel.
Ventilátorral gondoltam, előszőr megpróbálom kicsi pc ventilátorokkal, de ha nem elég akkor van egy ventilátorom ami egy autóban a motort és a vizet hűtötte, nyáron a szobámba vagy 15 celsius fok volt kb ha ment kb 1 óráig.
Nézd meg Bassmester megoldását, így lehet a legtöbbet kihozni a ventillátorból.
Kösz a linket! Szóval lehet egy hűtőtönköt rakni egy hídnak?
Szívesen, amúgy Bassmesternek köszönd
![]() Amin a negatív táp össze van kötve a nyákon, az mehet közös hűtőtönkre.
Üdv. Egy gyors kérdés. Mekkora lenne az ideális trafó 2 7294 végfoknak? Tehát sztereónak? Azt tudom h 26VA kőrüli az ideális ára, csak ez 4*26VA vagy 2*26VA vagy egyáltalán 26 az a 26 o.O
|
Bejelentkezés
Hirdetés |













