Fórum témák
» Több friss téma |
Mielőtt kérdezel, a következő két dolgot ellenőrizd!
I. A helyes tápfeszültségek megléte.
II. A kimeneten van-e egyenfeszültség.
Élesztés.
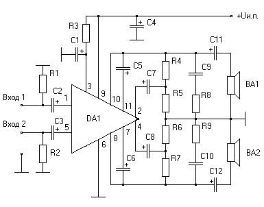
Ez az előerősítő van nekem. A hangerő potik azok 100k-ak. Remélem jók lesznek ehhez az erősitőhöz. Természetesen logaritmikusak.
Szia! A +/-70V táp 50V kimenő feszültséget tesz lehetővé. Ha az erősítésen nem változtattál akkor 1+33/1=34 szeres. Ebből adódóan az erősítő 1,5V-tal kivezérelhető. Aligha akad keverő, mely ezt ne tudná biztosítani.
Okés. Köszönöm a segitséget mindegyőtöknek.
Köszi a tippet, az viszont érdekelne hogy mi van akkor, ha mégsem párba válogatott tranzisztorok kerülnek bele.
Szia! Semmi tragikus nem történik. Működő képes tranzisztorokkal a kimenőjeled meg lesz. Lévén szó visszacsatolt erősítőről, a visszacsatolásnak eltérő feladata lehet a poztív és a negatív félperiódusban. Ez mérhető- és tapasztalt fül számára érzékelhető hibát okozhat. Hangsúlyoznám a "tapasztalt"-at.
Úgy tudom, hogy a PNP típusok egy véletlen mintában szignifikánsan nagyobb erősítésűek a párjuknál. Mivel meghajtót és végtranyót is cserélsz, jó esélyed van arra, hogy a belőlük összeállított kompozitok eredő erősítése nem fog durva eltérést mutatni.
Szia.
Ma már sokkal fejlettebb technológiával gyártanak tranyákat., a párok sosem lesznek egyformák, csak jó esetben pár paraméter alapján. Neked itt a bétája valamint a szórása ami érdekes lehet szerintem. Ha nem egyforma tranyákat pakolsz bele az nyilván a félperiódikus erősítést mérve kijönne (npn-pnp tranyán külön-külön melyiknél erősebb a béta) De a torzítását ez csekély mértékben befolyásolná úgy gondolom. Hallani legalább is biztos nem hallanád, csak a szimmetrikus működése nem lenne épp szimmetrikus, ami amúgy is csak papíron volt az. Ezt gyakorlatban borzasztó nehéz elérni.. Kíváncsi lennék a működő oldal ha gyári, az mennyire van válogatva
Köszönöm, erre voltam kíváncsi.
Köszönöm! A szervízkönyv azt írja hogy 'a kompozit tranzisztorpár érzéketlenebb a párba válogatásra' úgyhogy lehet a gyárban sem szórakoztak a párba válogatással. Node ezt már nem tudjuk meg
Nem kell annyira foglalkozni ezzel, hiszen rengeteg erősítő megépült már párba válogatás nélkül. És nagyon kevesen vannak abban a helyzetben (pl. elektronikai termékeladók, és szűk baráti körük, vagy kőgazdag hányendesek) hogy azonos komplementerpárokat tudjanak kiválogatni.
üdvözlet mindenkinek azt szeretném kérdezni,hogy hol találhatnék hibás SI1050G tipusú végfokozat ic ??
Szia!Én azt mondanám,hogy csak ojan tranyót tegyél bele,ha szép hangot akarsz,amijen benne volt.Megpróbálhatod más tipusokkal is,de egészen más paraméterek fognak futni,az eltérő alkatrészekkel Amúgy nekem is volt AIDA-is és KLEOPÁTRA is.Üdv:
Azért általában meghálálják a végfokok ha jobban párban vannak, ráadásul ezekben a végfokokban fix ellenlásokkal van beállítva a munkapont szerencsétlen esetben kis hangerőn a keresztezési torzítás miatt kásás torz lessz a hang. Sok ilyet javítottam már ha lehet akkor válogatni szoktam bele a tranyókat sők sok esetben nagyobbat is teszek bele felhasználótól függően. A gyári tápegység meglehetősen nagy kimenőteljesítményt tesz lehetővé pláne 4 ohmos hangfalat használva, ebben az estben az eredeti végtranzisztorok már messze nem biztonságosak. Gondoljuk csak meg azt is, hogy közben emelkedett a hálózati feszültség is. Másik gyenge pontja a kimeneti kondenzátor, itt elég erősen arra számítanak, hogy a jó öreg kék MM kondik jóval többet birnak elviselni feszültségben általában mint a névleges érték, nagy kivezérlésnél a gyárilag beépített 25V-os kondi eléggé tul van hajtva én cserélni szoktam ha lehet legaláb 40 voltosra, illetve a kimenetre egy 1k körüli ellenállást is szoktam kötni fixre.....
Milyen 'nagyobb' tranzisztort teszel bele? Ezen egyébként én is elgondolkoztam, bár akkor már talán a túláramvédő elektronikát is érdemes lenne felépíteni, a panel alkalmas rá.
PS: Az összes elkót kicseréltem, a kimenők 63V-osak, ezen kívül a VR29 helyére egy trimmert raktam így a munkapont is állítható lett. Furcsálltam is elsőre hogy milyen nyugodt szivvel raktak oda fix ellenállásokat, holott ez talán a legérzékenyebb pontja az erősitőnek.
Mivel a komplementer szimmetrikus kapcsolástechnika mint a topológiája, és a neve is mutatja a félvezetők közeli hasonlóságára épít, ezért egyértelmű hogy az ideális esetet kell(ene) minél jobban megközelíteni. DE. Mint az előző hozászolásomból kitűnhet, ez amatőr körülmények között eléggé kivitelezhetetlen. tehát én nem ellent mondtam ennek, hanem próbáltam a realitások talaján megmaradni.
Fiatal koromban, még árultak gyárilag párba válogatott tranzisztorokat, 50-100% felárral. Ma már ez a lehetőség sincs meg.
Ezt legfeljebb valamilyen aukciós oldalon fogod már csak megtalálni.
Idézet: „Gondoljuk csak meg azt is, hogy közben emelkedett a hálózati feszültség is” Igen, 9,2 % -al emelkedett a hálózati feszültség. Gondolom, ez azért nem okoz valami nagy galibát.
Leggyakrabban BD245-246-ot szoktam bele tenni vagy MJ2955-3055 vagy B911-912 stb ezekből van több és kb össze is válogattam. Meghajtónak meg BD139-140-et szoktam azok se drágábbak és abból elég jó páraim is vannak. A 9% fesz növekedés nem sok elsőre, de azért gondoljuk meg azt is, hogy a kimeneti teljesítmény a kimenő feszültség négyzetével aráányosan emelkedik azaz a kb 10% feszültségnövekedés ennél jóval nagyobb teljesítménynövekedést jelent az amugy is határon levő félvezetőknek.
Igen sajnos a rövidzárvédelem hiánya is elég baja ennek a kapcsolásnak, nem bulira való, bár amugy meglepően nagyot szól épp ezért is halálozik el gyakran
Üdv.
Egy kérdés.A rosszul megválasztott bemeneti potméter vihet be valamiféle zajt,vagy okozhat-e valamiféle gerjedést bizonyos állásában?
Hali.
Idézet: „A rosszul megválasztott bemeneti potméter” -Itt pontosan mire gondolsz? Általában mindig a legkisebb lezáró potit célszerű választani a kapcsoláshoz. Kontakthiba esetén hangfrekis átviteli zavarok talán jellemezhetik, de gerjedésre nem gondolnék. (A fém házat célszerű a testre tenni, így nem hajlamos a kéz érintéses zavarra sem)
Szia!
Nos az egyszempotis megoldásnak van ám hátulütője. Mert a végfok bemenete így változó kimeneti impedanciát lát. Egy általánosan használt 50 kOhm-os poti középállása ~10 kOm. Az átlagos 10 kOhm-os kimeneti impedanciájú források így alul illesztett, nagyon alacsony bemeneti impedanciát látnak, hiszen az 50 kOhmos potméter párhuzamosan kapcsolódik a végfok bemeneti impedanciájával, általában a kettő együtt max. néhány kOhm bemeneti impedanciát jelent. Így aztán belép a kábelkapacitás a képbe egy árnyékolt kanóc néhányszor száz pF-os kapacitása fázis, és frekvencia függővé teszi a rendszert, leromlik a dinamika, a poti állásától függően szólal meg a cuccos.
Sziasztok! Valaki meg tudná nekem mondani, hogy mi lehet az A2000Vm típusú IC helyettesítő Ic-je? Ez egy erősítőbe való, de már senki nem talál ilyet...
A Segítségeket előre is köszönöm!
hát sok információt nem igazán találni róla de szerintem a TDA2005-ös jóó lenne hozzá a képek alapján
Valaki tudna segiteni a problémámon?
Keressél rá az íc adatlapjára, és ott van csak át kell vasalnod.
Jó hangú íc. Van nekem is 3 méter belőle.
Szia! Az adatlapján ezt olvastam: VS = 13.2V; THD = 0.8%; P = 18W. Gondolom a 40W keltette fel a figyelmedet, ahhoz olvasd el ugyan ott az apróbetűs részt
|
Bejelentkezés
Hirdetés |











