Fórum témák
» Több friss téma |
Szia!
Villogó led: Villogoled a .aterán Nem reklámozni akarom az illetőt, de sok ledet vettem már tőle,versenyképes árai vannak. üdv:hp
Köszönöm! pont ilyesmi kell, ami nagy szögben világít, hogy minden irányból látható legyen!
Bocs fiuk. Lenne egy gyors kérdésem. Megcsináltam az eredeti kapcsolást véglegesen, és az 1-es leddel párhuzamosan egy 5Kohmos ellenállást kötöttem, hogy működjön akkor is ha mindkét ledet egy oldalra teszem.
Szép picire össze is forrasztottam.. Majd FBS ragasztóval körbekentem, hogy ne legyen zárlat véletlen sem. Most viszont azt tapasztalom, hogy ugyan villog, de fogozatossan felgyorsul (változó módon). Mi lehet az oka? Pl. az FBS ragasztó nem volt jó választás? Nincs időm szinte már kijavítani, ezért kérek minden ötletet mi lehet a gond.
Annyit most észrevettem, hogy pl. az elemcsere segít. (vagy az hogy teljesen kitisztítottam....)
Milyen értéket érdemes cserélni, hogy tovább fennmaradjon a vibráció? Előre is köszi.
Az FBS - ha jól emlékszem - ecetsavas, az pedig vezet. Lemeríthette az elemet, vagy zárlatot okozott.
Ezt semmiképpen ne alkalmazd! Ha a szigetelés fontos, akkor műgyanta kiöntés szóba jöhet, de az gyakorlatot igényel, és idő is kell rá, márpedig Neked nem sok van ebből, ahogy olvastam. Idézet: „Milyen értéket érdemes cserélni, hogy tovább fennmaradjon a vibráció?” Ezt nem értem. Mi maradjon fenn tovább? A frekvenciát a kondenzátorokkal és az ellenállásokkal tudod manipulálni. A telep lemerülését az előző hozzászólásomban írtakkal tudod kikerülni. Ha nagyon muszáj, esetleg szig. szalaggal tekerheted be, de itt nincsenek akkor áramok és feszültségek, hogy ez bárkinek bajt okozzon, így nem feltétlenül muszáj szigetelni sem.
Sziasztok.
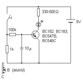
Építettem egy ilyen villogót, ami a képen van, de nem működik. Amikor ráteszem a 9 voltos elemet, csak felvillan a LED, és ha még egy-két percig tartom rajta az elemet, melegszik valahol az egyik tranzisztor környékén. Rövidzárlat nincs, és jól kötöttem össze mindent, leellenőriztem. Egy alkatrésszel lehet probléma?
Szerintem meg kéne próbálni kisebb feszültséggel, pl 4,5volttal, vagy 3,6-tal(3db AA elem).
Figyelj, mert a tranya alulnézetből van ábrázolva! Biztosan jól kötötted be? Nem cserélted fel a PNP és NPN tranyókat?
BakeUn108:
Megpróbáltam két ceruza elemmel, halványan világított, aztán megpróbáltam 3 elemmel, és nem csinált semmit. Több elemmel is kipróbáltam, de 4,5 volttal nem megy. Folgalmam sincs, hogy most mi van. vicsys: Jól kötöttem be, volt itthon két tranzisztor (én otthoni alkatrészekből építkezek), az egyik PNP, a másik NPN. A lábkiosztásukat is megnéztem több helyen is. De eszembe jutott, hogy 4,7 µF helyett 100-as kondit tettem be, mert nem találtam kisebbet. Holnap kicserélem kisebbre, majd keresek kint egyet. Szerintem még ez lehet a baj. Majd holnap kipróbálom, köszi mindenkinek.
Hello megint.
Beraktam egy 10µF-os kondit a másik helyet, de nem működött. DE! Akkor vettem észre, hogy a 390k-s ellenállás helyett 1k-at raktam be Kicseréltem 330k-sra, és működik!! De még van vele 1 kis baj. Néha megáll, csak világít a LED, és meg kell lökni a panelt, hogy megint beinduljon. Minden érintkezik rendesen, meg is forrasztottam mindent mégegyszer ha tényleg nem érintkezett volna, de így sem jó. Csak néha megy rendesen. Azon goldolkodtam, hogy mi van, ha a papír vezeti az áramot? Én papírra szoktam áramköröket építeni szerintem meg kéne próbálni műanyag panelra építeni. Vagy szerintetek mit csináljak? Nem akarok sokat füstölni a házban
A villogó LED-ek kérdése megoldódott a repcsihez(#1113829), de még mindig itt a kérdés:
A leszállóreflektorokhoz k.va nagy fényerejű fehér LEDek kellenének (2 db). milyen fényerejű, mekkora és hol beszerezhető a legnagyobb fényerejű nem-villogó fehér LED? Egyszer volt egy zseblámpám, amiben 1db LED volt, és erősebb volt a fénye, mint egy ugyanakkora izzós lámpának. Ilyesmi LED beszerezhető egy sima boltban? Mint már említettem, elektronikában elég amatőrnek számítok, a modellezés (az egyik), amiben profi vagyok.(Van még pár másik terület, mint pl. kínai kalligráfia, de azok nem tartoznak a kérdéshez)
Helló!
Ebben a kapcsolásban melyik ellenállást kell kicserélni hogy gyorsabban vagy lassabban villogjon?
Hello! A 33kohm-ot. (Vagy a 100nF-os kondit) üdv! proli007
Sziasztok!
Megépitetem ezt a villogot de csak fojamatosan viágit. Több féle tranzisztoral is próbáltam
Ez semmilyen tranzisztorral nem fog villogni, mert ez csak egy kapcsolótranzisztor, ami egy kicsit "lassítva" van a kondival. De csakis a nyomógombbal vezérelhető, magától nem tud villogni.
Hali olyan kérdésem lenne hogy van egy megunt karácsonyfa izzó füzérem és azt szeretné megcsinálni ütemre villogóval . Elég egy tip 31 beforrasztanom, vagy ennél komolyabba dolog ?Ilyesmi az ellgondolás de nekem több színű van és jó lenne ha lehetne kapcsolgatni hogy pl.: össze vissza villogjon a színek vagy az összes egyszerre .
Sziaszok!
Megépitetem ezt a kapcsolást de csak folyamatosan világit mi lehet a baj. a válaszotokat előre is köszönöm
Ez annál kicsit bonyolultabb.Ajánlom a fényorgonás topicot.Ez eléggé le van egyszerűsítve.Ahogy elnéztem ,egy szilárdtest relé van benne ,ami adott hangerőre kapcsolgatja a lámpákat.Így esetleg több relével ,eltérő hangerőre beállítva tudsz valamiféle érdekesebben villogó hatást elérni.
Sziasztok! én ezt a kapcsolást építtetem meg (http://www.b-kainka.de/bastel128.html), DE nem lehet életre bírni. Kérdésem szerintetek nem kéne valahova bekötni a bc548 tranyó bázis lábát?
[OFF]Szerintem nem! Azért villog randomba! De ez itt off!
Nekem is tetszene ha működne olyan egyszerű azt mégse okés.
Gondolom úgy működik hogy jön a Váltó fesz. és az ingadozása miatt mindíg másképp kapcsolja a tranyókat és az a ledeket + még ott vannak a kondik!
Többször is lellenőrizted?
Szia!
Ez a kapcsolás így értelmetlen, kb. a véletlenen múlik, hogy működik vagy nem.
Milyen szinü led eket használtál hozzá?
én ezt már megépítettem és nem akar menni. Mi lehet a baja?
ha tudod akkor írd meg. előre is köszönöm.
a kondit a bázisra és a colektorra közsd!
Sziasztok!
az lenne a kérdésem, hogy villogó ledeket hogyan lehet sorba kötni, vagy egyszerre villogtatni, mondjuk 5 db-ot? Köszi a választ előre is! Á
Köss sorba egy villogó LED-el több normál LED-et. Így egyszerre villognak.
|
Bejelentkezés
Hirdetés |














