Fórum témák
» Több friss téma |
Fórum » Muzeális készülékek-alkatrészek restaurálása
Témaindító: Kutyuli, idő: Márc 29, 2008
Témakörök:
Gratulálok, nagyon szép csövek! Ilyenek sajnos még hiányoznak a gyűjteményemből.
Az a Vatem az Vatea lesz, így már több helyen van róla infó. Pl. itt, itt, vagy itt is egy kép.
Valóban Vatea a felirat, csak rosszul volt olvasható. Mindenkinek köszönöm a válaszokat nem is reméltem, hogy ilyen gyorsan megtaláljátok. Most már csak ki kell próbálnom őket.
Közben sikerült kissé letisztítani a D O14-es feliratát, ez is 3.4 V-os kis anódfeszültségű változat, van az oldalán is kivezetés, úgy hogy talán tetróda lehet. Üdv
Ha holland az sem gond, csak kicsit hosszadalmasabb eheto formara varazsolni mivel csak kep az a pdf file. Mindossze be kell gepelned a google sajat forditojaba es lefordittatni, vagy megprobalhatod kontrollkent a webforditas.hu oldalt is.
Üdv! Vaterán sikerült szereznem két készüléket Vtrgy R636 I Velence és R946 FI Szimfónia. Ahhoz képest jó állapotban vannak 960 ft/darab áron vettem őket +1000 a posta(futár) 2db készülék 2900 ft ért szerintem jó vétel megbízható embertől. Küldök képeket a lényeg az lenne hogy szerintetek ránézésre mennyire lehet a belseje ép? (a hátlapok épek fel vannak csavarozva)
Ne várd el tőlünk, hogy röntgen szemünk legyen! Küldj képeket a belsejéről!
Szerintem az zsákbamacska, de az eladó talán tudja.
A kettő rábigó tkp. ugyanaz, csak a "Szimfónia" HH-t is vesz-tessék restaurálni-ha lehet mindkettőt!
Sziasztok,
Hamarosan kapok egy 1936-os Philips Olimpia rádiót. Szerintem a 2 ünnep közt már nálam lesz. Szeretném teljesen restaurálni már amennyire lehet. Az elkoja 1000% hogy kiszáradt ill. az egyik cső hiányzik. Az elkót hogy lehet pótolni, hogy a restaurálás korhű legyen?
Gépelje akinek túlkínálat van nőnemű felmenőből
Ha Janó bácsi fordibálni akar, akkor rá lehet bízni.
Honlapomon írtam erről a problémáról. Idézem:
Kb. 1 óra üzem után az anódfeszültség szűrő kondenzátor(50+15 mikrofarád) erős melegedését észleltem. Kikapcsolás után az emeletes elrendezésű elkó felső(15 uF) tagjának erős átvezetését mértem. Ez az elektrolit kondenzátor úgynevezett "nedves" elkó ezért óvatosan az alsó pereménél körbeköszörültem. Ahol először átszakadt az alumínium ház, ott nagy nyomással kiürült a benne lévő folyadék. Mindkét perem leköszörülése után eltávolítottam a belső szerelvényt ami koncentrikusan elhelyezkedő alumínium hengerekből állt. Kiderült, hogy a felső tag folyadékhiányosan üzemelt, túró szerűen összesűrűsödött anyag volt csak benne és a pozitív kivezetés szinte teljesen át volt maródva. Az eredeti alumínium házba két modernebb, nagyobb feszültségű elektrolit kondenzátort szereltem, a negatív kivezetéseket közösítve a csavaros záró elemhez, a menetek tövéhez vezettem, így helyére csavarozva a sasszihoz jó kontaktust adott. A leköszörült zárókorongokat visszaragasztottam, a felső tagon rossz elkóházból levágott peremes tárcsával az eredetihez hasonló kinézetet sikerült elérnem. A felületes szemlélő észre sem veszi a jócélú "csalást". Huzalkivezetéses modern elkók között nagyobb feszültségtűrésű és jóval kisebbek is kaphatóak.
Ismerős a történet, amikor tavasszal a Philips VR 55-öt csináltam ugyanez a típusú elkó engem is pofán talált, (mármint szétszedéskor az elektrolit) szemem szám tele lett, rohantam a csap alá. Azt hittem nagyobb baj lesz belőle, de le lehetett mosni, elmúlt nyomtalanul. Szóval vigyázni!
Mindenképp restaurálva lesznek ezeket a szép készülékeket kár lenne hagyni tönkremenni már asztalos segítségem is van rá. hatvanasjocó Szombaton nyertem a licitet vaterán ma utaltam az árát és csütörtökön érnek ide a készülékek. A kérdés afféle költői dolog volt hogy ránézésre mire számítsak. Szerintem tűrhető állapotban vannak láttam már ennél 20x rosszabb állapotút 5x ennyiért is... Persze ha ideérnek a készülékek dobok fel a belsejéről is képeket ami mint mondtam csütörtökön fog megtörténni.
Rajta, örül a "kissé koros(csak66)" szívem, ha egy ifjú így áll hozzá!
Szép jónapot.Nekiláttam tesztelni a gépezetet,és be is jött néhány adó elég tisztán,csupán nem ismervén a készülék kezelését ,nem tudom milyen sávokon voltam.A forgókapcsoló felém állva 15-6o felírattal megszólalt valami arab,majd spanyol,francia és radio mondiale adventist,amikor meg 195 59o állásban volt akkor román adó meg bbc.Antenna csatlakoztatva volt egy 5 méteres huzal a falban levő egykori rádió aljzathoz,földelés pedig a hálozati földhöz.Ezt nappal kísérleteztem .gondolom éjjel jobb lenne.Megkérdezném akkor a kapcsoló állása mikor mit jelent?
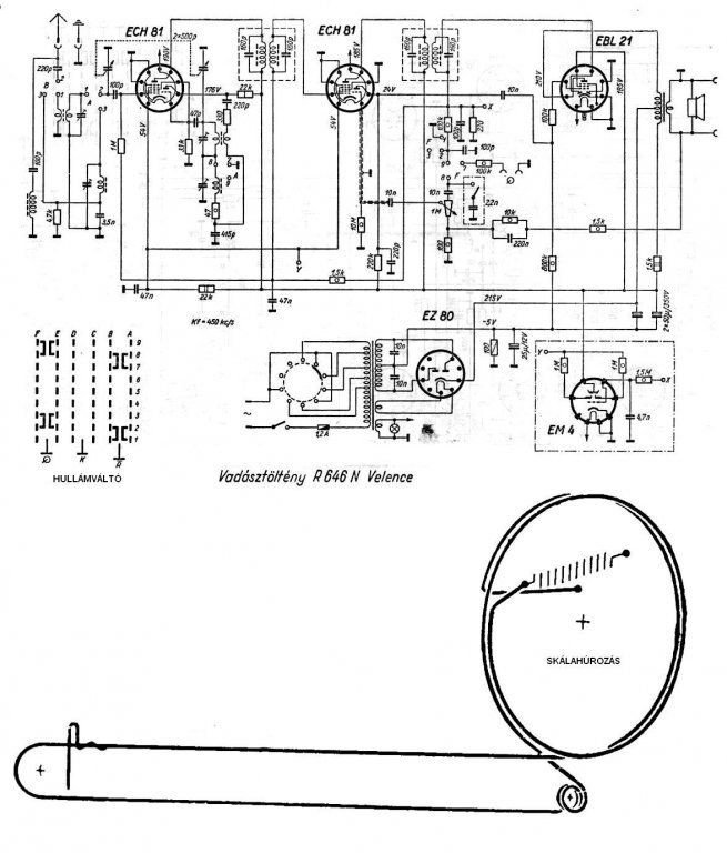
R646U tip. kései Videoton készülék javításakor felmerült problémák, hogy okuljon aki ilyennel találkozik. A kimenő trafót 1-2 cm-re helyezték el a hálózati transzformátortól. Ez eredményezte, hogy még bemelegedés előtt a bekapcsolás pillanatától hallható 50 Hz-es brumm a hangszóróból. A hálózati transzformátort egy trafószélességgel áthelyezve ez a kimenő trafóra rászórt brumm megszűnt! Csak a fűtés vezetékeit kellett 4 cm toldással ellátni, a trafó többi vezetéke eredeti hosszával áthelyezhető volt. Az egyenirányító EZ80-as cső is így elkerült a hangszórótól aminek műanyag burkolata őrzi a forró cső lenyomatát. A készülékben gyárilag lévő epoxi kondenzátorok mind átvezetősek voltak, ezek cseréje jobb minőségűekre a végcső(EBL21) munkapontját (előfeszültségét) is a helyes értékre állította be. -5 V helyett -15 V volt, ami erős torzítás okozott a hangban. Az külön érdekesség, hogy a 2x50 mikrofarád negatív oldala a sasszin van gyárilag, ellentétben a kapcsolási rajzzal.Ezt másik 646U-n is tapasztaltam, tehát nem utólagos machináció eredménye. A tápágban lévő 100 Ohm-on párhuzamos 25 µF/12V-os elektrolit kondi sincs gyárilag benne. Bár a korabeli dokumentációk szerint a kapcsolási rajz meg kell egyezzen a sima R646-éval az EBL 21 g1 rácsellenállás értékek is mások az R 646U rádióban. Tanulságul: ezek a későbbi Videoton típusok egy kicsit össze lettek csapva. Mellékelt képeken látható az eredeti és a áthelyezett trafós(már brumm mentes) változat.
Mellékelem még a kapcsolási rajzot és a skálahúrozást.
A hullámváltó állása megfelel a skálaüvegen szereplő számozással, nem kiloherzben, hanem hullámhosszban, méterben. A 15- 60 as felírás a rövidhullám,190-560 as jelzés a középhullám, persze ha jól van a gomb felrakva, illetve nincs elfordítva a tekercseket tartó bakelit lap. A Kossuth 540 kHz. vagyis a forgó kondi majdnem behajtott állásában kell hogy jöjjön.
De ez rá is van írva a skálára, ahogy a méter beosztás is, csak össze kell hasonlítani. Ha az antenna hüvelybe teszel valamit, akkor külön földelés már nem kell.
Igyekszem. Errefelé senki nem foglalkozik ilyesmivel legalább is itt ebben a faluban nagy része az elektronikai készülékeknek sajnos színesfémgyűjtőknél köt ki:S jelenleg elérhető eszközökkel igyekszem terjeszteni hogy ha van készülék ne tüzeljék be pl a dobozát ne dobják ki adják nekem, vagy adják pénzért. Egyenlőre lassan fog haladni a gyűjtés anyagi és elhelyezési okok miatt. Az eladóval (akiről kiderült hogy neves gyűjtő és múzeuma van Verőcén) már konzultáltam a készülék dobozának felújításával kapcsolatban. Kisgyerek korom óta nagy csodálója vagyok minden régi készüléknek. Csak azt bánom hogy 3 évet e téren azzal vesztegettem el hogy csak könyvekben/interneten csodáltam a készülékeket.
Ha szükséged van ezügyben valamire, bátran írj(privit akár), ha tudok, segítek! Az a 3 év egyáltalán nem volt haszontalan.
Ez a rádió vészesen emlékeztet az R999F-re.
Ha majd itt lesz nálam teszek fel róla képeket. Remélem nem lesz sok zűr vele.
A Videotonnak nagyon sok rádiójában szinte azonos sasszi volt. A csövezésben is voltak hasonlóak. A Velence, Szimfónia fantázianevű készülékcsalád dobozában is felépítésében is nagyon hasonló.
Rendben. Köszönöm! Minden segítség jól jön fórumon és élőben is. Szerencsére Unokabátyám profi szinten asztalos így ezen a téren nem egyedül kell dolgoznom. A belsőt meg megoldom önmagam illetve itt a He-n és végre hallhatom az ebl21 hangját is amiről máshol már írtam (mivel gondolom hangszedő bemenete van a rádióknak) Holnap este már a képekkel térek vissza.
Üdv! Na megérkeztek a készülékek amiről múltkor írtam, a velence egész jó állapotban van. A politúrozás kicsit kopott valamint a skálaüveg el van törve de valaki megjavította így csak közelről látszik. Nem lesz vele sok munka egyenlőre a hálózati csatin szakadást mérek, mint kiderült a kapcsoló nem érintkezik, a biztosíték szétesett olyan koros volt, valamint pár kontakthiba van még de minden más ép benne. A szimfónia már neccesebb a doboz nagyon megviselt, belül tiszta kosz még egérfészek is van benne, a skálahúrozást gyakorlatilag megette az egér és az idő de a mutató megvan és az ebl21 át van szerelve el84-re. Ezen még nem mértem semmit mert úgy gondolom egyenlőre felesleges. mellékelek pár képet vga kamera miatt bocs de ez van.(készül már egy lámpa ami jól megvilágítva valamelyest javít a minőségen majd)
A velence már szól pár apróság volt a gond.
Előbb leülni, vagy megkapaszkodni valami fix tárgyba, aztán megnézni! (az árát)Bővebben: Link
Majd hangosan kacagni. Ez a viccesben is jó lett volna.
Még pár tíz km-re az eladótól sem adnak ennyit érte! 0(nulla) adás-vételes Vaterás nincs tisztában a honi fizetőképességgel. Ha ez így menne meggazdagodnék, van egy pár darab korabeli tesója ennek a szalagosnak a házimúzeumomban.
Leég a pofámról a bőr, hogy sajnálok 4000-et adni egy Orion Tisza tv-ért.
|
Bejelentkezés
Hirdetés |







Ha Janó bácsi fordibálni akar, akkor rá lehet bízni. 


















