Fórum témák
» Több friss téma |
Nem csak elviekben, gyakorlaban is. Be kell kötni a vevő helyére, és az órának (ha jó) az első percben be kell állni.
Persze ezzel nem szimulálhatók az RF jelenségek.
Picit vissza térve a panel okozta vételhiba miatt, én ezzel a kapcsolással próbálkoztam sikertelenül szerinted így ez elvben működőképes lehet?
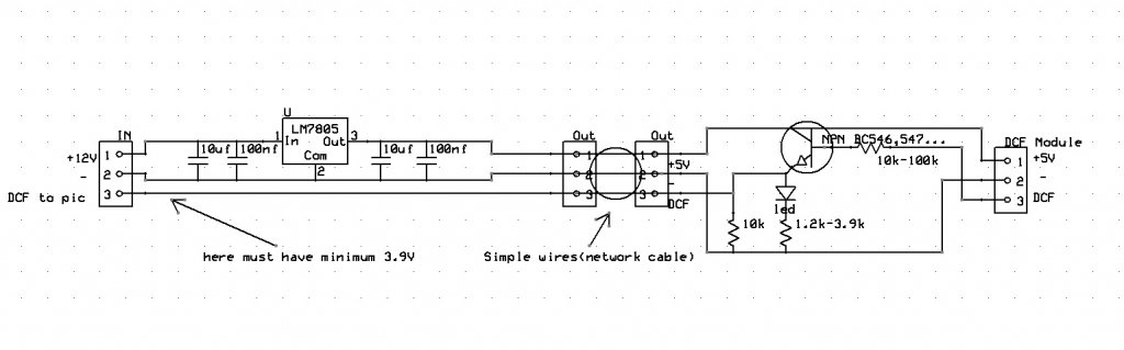
Try this one.This I have,work with no errors!
Úgy néz ki a Conrad féle vevő a kijelzők közelségét nem tűri.
Próbáltam nem multiplexelt kijelzővel is, aminek semmi köze az órához, egy másik készülék LED kijelzője, amint közel kerül hozzá leáll a vétel. (igaz hogy annak 1kHz-es PWM fényerőszabályzása van, ami közel ugyan az mint a multiplex vezérlés frekvenciája). Ami a DCF félreszinkronizálást illeti.... Nálam a jelenség oka úgy tűnik hogy a zavarokból ered, gondolom másoknál is, mert a jelenség ugyan az.. Ha két bit közt bejön egy zavar jel pl. 500ms-nál, azt a program gond nélkül feldolgozza, és még az sem biztos hogy CRC hibás lesz, így akármi is lehet a végerednmény akár 60-70 bitnyi adat is jöhet, a program ezt nem ellenőrzi, csak a CRC hibát ami valljuk be men túl megbízható. A szinkronizálás előtt van egy szűrő benne, hogy nagyon durva adatot ne egyen meg, de mint azt többen is tapasztaltuk ez sem elégséges. Az a megoldás jutott eszembe (nem akarom elkiabálni, de úgy nézki jólesz), hogy teszek bele még egy szűrőt, hogy ha az adat 59 bitnél több bitből tevődik össze a percfordulókor, akkor abban biztos hogy valahol szemét van , az egész csomagot hibásnak nyilvánítom. Mindössze ennyit kell az m_dcf77.c végére írni
(ez az 58 lehet hogy 59, már többször módosítottam a programon, nézzétek meg mielőtt beírjátok) Nekem beváltnak tűnik, két napja figyelem a dolgot, eddig nem láttam félreszinkronizálást. Próbáljátok ki, várom az eredményt
és a "végtermék".....
igaz hogy még nincs letakarítva és a díszléceken is rajta van a védőfólia, de már alakul..... Sajnos minden jószándék ellenére az antennát nem tudtam egybeépíteni.
Nagyon tetszik ez az előlap , Milyen anyag ez és hol lehet beszerezni ?
Foncsorozott színezett üveg (ez most barna), és bármelyik jobb üveges csinál neked, siro konyhaszekrény díszléccel
Szuper ! Erősen gondolkodom rajta hogy én is tervezek egy hasonlót magamnak , van 10db fűzöld kijelzőm
avval is szép lehetne .
Én is szeretnék gratulálni nagyon szépre sikerült!
Akkor a közeljövőben várható lesz az újabb cikk az óráról.
Sziasztok!
Nem tudjátok véletlenül hogy hol lehet kapni Kingbright SA23-12YWA típusú led kijelzőt?
Bővebben: Link 660Ft.
A sárgát nem igazán ajánlom, agyon kell hajtani hogy normál fényereje legyen. Inkább az SA23-12SRWA -t póbáld ha nem baj hogy piros, az 75mcd -s a sárga csak 8 mcd.....
Nagyon nem mindegy..... A másik megoldás a kijelző meghajtás "újragondolása", most készül a 2012-es modell, ha elkészült lehet hogy publikálom, de az még idő és főleg pénz kérdése. Van már egy régebbi, ami 3 éve atomstabilan megy, skálázható és nem multiplexelt, azt fejleszgetem tovább.
Azt hittem te is sárgával építetted volt fent kép a tiédről ott mintha sárgát láttam volna.
Én is sárga kijelzővel fogom megépíteni, mert a környezetemben 5 piros kijelzős óra van. Kell a változatosság.
Való igaz, sárgával építettem meg, innen tudom hogy nem volt jó választás
Eddig én is pirosakkal építettem, kétség kívűl sokkal szebb a sárga (vagy tényleg csak a változatosság?).A következő KÉK lesz! Az lesz az igazi! Ha valakit érdekel keressen privátban. Ha kellő mennyiségű rendelés összejön behozatom.
Én is gondolkoztam kék kijelzőn ha tudsz szerezni akkor engem érdekelne!
De gondolom jelentősen drágább mint a normál standard led kijelzők.
Szia
Ha csak próbálni akarod, tudok fényképet feltenni, az 1,8", vagy küldeni 1"- osat. Üdv: Csupasz
Igazán elgondolkodtam hogy melyikből is építsem meg az órát véglegesre, eredetileg sárgával szerettem volna de ez a kék elgondolkodtató!
Képet ha feltennél azt szívesen megnézném.
Szia
Nem tudom elmegy-e a kép. Nem igazán adja vissza a színét, ez a Mule v2 LED változata.Később felteszek az apróba kijelzőt.Üdv: Csupasz Ja, afényerő nincs teljesen maxon az órában...
nagyon szépen mutat, akkor ezeknek a kijelzőknek is kb 50mm a karaktermagasságuk igaz.
7 szegmenses kijelzők vezérlése 5..4..3 kimenettel...
1 kontroller kimenettel is sok sok jelet lehet vezérelni... Shift1 system for 1-wire shift registers (c) Roman Black 2009
Köszönjük kedves Hp41C, de részemről kihagynám hogy RC tagokra bízzam a dolgot, ha másért nem is a hőmérséklet függésük és a gyártási pontatlanságuk miatt is. De ha Neked ez a szimpatikusabb, természetesen semmi kifogásom ellene, sok sikert hozá!
Ami komoly fejtörést fog okozni az lesz ha a kedvenc egydrótos kommunikációd ideje alatt hirtelen beesik egy megszakítás.... nem fogja az egy pillanat alatt romba dönteni az egész koncepciót???
Igazad van, az egyszerű delay(s) -re épített megoldás biztosan nem jó, de azért tovább is lehetne gondolni...
- Legyen egy 200us időzítésű alap megszakítás. Ezt fel lehet használni sok dologra: DCF77 bemenet túlmintavételezésére a szűréséhez, az idő számítására, infra vétel állapotgépének léptetésére stb. Megvalósítása egyszerű a TMR2 -vel. - Az adatvonal lefutási időzítése legyen kb. 100us, a felfutását egy diódával gyorsítsuk fel. - A biteket maga az alap időzítő megszakítási rutinja adja ki - nem tudja más megszakítás félbeszakítani. - Ha a bit = 1, a vezérlő kimenet lemegy 0 -ra, de még ebben a megszakítás kiszolgálásban, néhány utasításidővel később vissza is tér 1 -re. Időzítéssel nincs gond. - Ha a bit = 0, a vezérlő kimenet lemegy 0 -ra és csak a következő megszakítás kiszolgálása viszi 1 -re. Megint biztosított a minimum 200 us idő a 0 előállására. Nem terheltük túl a kontrollert sem, hiszen kihagyta a visszaállítást. - Legyen kb. 100 bit információ, amit ki kell léptetni. Ha jól számolok, ez 20ms időt vesz igénybe, Ha minden második megszakítás visz ki egy bitet, akkor 40 ms, de ez sem probléma. - A kimeneti regiszter beíráshoz a vezérlést 50ms -re alacsony szintre kapcsoljuk. Ez 250 megszakítási időt jelent. Az időzítést a megszakítások számolásával mérjük, ezért pontos lesz. - Az egész folyamat lezajlott 20+50 esetleg 40+50 ms alatt. Még a fél másodperces pont villogtatás is megoldható. - A beírási RC tag helyett monostabil multivibrátort is lehet használni a pontosabb időzítés és a meredek jelalak eléréséért. Az időzítésekben kb. 100% tartalék van.
A kék nekem is tetszik. Az én sárgám is 45mm-es, persze a nagyobb is jó lenne.
Ha kedvező áron lehetne hozzá jutni a kékhez érdekelne, de a mostani forint árfolyam....A sárgákat kedvező áron vettem, 400Ft-ért.
Szia
Szép a sárga is, csak a fényereje elég lesz? Alapból kisebb a fénye, ha multiplxálod még kisebb lesz, vagy nagyobb áramot hajtasz át rajta, de az meg az élettartam rovására megy... Szerintem a nagyobb már zavaró egy kicsit,olyan mint a vasútállomási.Ezt még lakásban kényelmesen lehet nézni. Egyébként az ebay tele van kék kijelzővel, és nem borzasztó áron.Úgy emlékszem, az 1,8"-os 20 dolcsi /postával/,és ezért 6 vagy 8 darabot kapsz. Üdv: Csupasz |
Bejelentkezés
Hirdetés |









Ha kedvező áron lehetne hozzá jutni a kékhez érdekelne, de a mostani forint árfolyam....




