Fórum témák
» Több friss téma |
Tudna valaki segiteni a TDA 7294 .az LM3886 vagy a QUAD405 szol jobban. Melyiket érdemes megépiteni?
quad.
egyebet nem tudok mondani. én sem értek hozzá igazán. amúgy meg attól függ mire kell. otthoni zenehalgatásra jó egy tda vagy egy lm is.
Hmm.. nem akarom leírni mégyegyszer, de egy új tagnak leírom hogy nem ártana használni a fórum keresőjét!!
Van topic ezerrel ahol feltehetted volna a kérdést. Van LM3886-os meg TDA7294-es is Szerintem nem kéne egy kalap alá vonni az IC-s erősítőket egy tranyóssal. És amugy is az a rajz a 7294-esről egy hidalt változat. Hogy lehet igy összehasonlítani?? De LM3886 jobb mint a TDA A Quad meg megelőzi ha jól megépíted. Teljesítményben mindenkép. Bár én ha tehetném az LM-et vállasztanám és Gain Clone-t csinálnék...
látszik ujj vagy itt...
tehát amint már egy ember megfogalmazta: Idézet: „Én is itt kezdtem. Hidd el sok rendes és segítőkész emberke van az oldalon. De néhány szabályt be kell tartani: 1. Minden kérdést a megfelelő helyen tegyél fel! 2. Ne kapkodj 3. Ne nyiss fölöslegesen új témát 4. HASZNÁLD A KERESŐT! 5. Ezt olvasd el: HE avagy HElp!-ismertető Ha teljesen kezdő vagy az elektronikában, ezeket is olvasd el: Elektronikai alapismeretek 1. Elektronikai alapismeretek 2. Elektronikai alapismeretek 3. Elektronikai alapismeretek 4. Elektronikai alapismeretek 5. Elektronikai alapismeretek 6. Elektronikai alapismeretek 7. Ha valamit nem értessz, kérdezz bátran! A modi nem harap, csak rendet tart! Remélem segíthettem! --Fureszk--” üdv Qssty
de aztán....
szóval ez kb olyan kérdés, hogy a kék vagy a zöld szín-e a szebb. van akinek ez tetszik van akinek az. persze ez egy kissé racionálisabb dolog, így aztán lehet érveket felsorakoztatni pro és kontra, de igazából kb mindegy.
Nos, én mindet megépítettem...
-TDA:jó, csak jellegzetesen IC-s hangja van. Kicsi, ügyes. Könnyen tönkretehető. -LM: Kicsi ügyes, nemannyira intenzív mint TDA-elkeni a hangot...(nembejövös) -Quad: az örök sláger...Szép hang, fedet magasok, sok alkatrész, nagy gerjedékeny, de tudja a folyamatos 100W-ot. Melyiket ajánlom? Én a VF2-t... (keress rá a VF3 topicra)
Hali ha othonra kell akkor a tda 7294
ha discozol akkor a quad nekem most is van quadom elég kajak táppal két rucséval ojatszól hogy a discós haverom eladta a gyári castonját(2*200w) és csináltam neki 4dv quadot azóta azt használja ithon nekem tda7294 van de csak 40w-ra van megcsinálva nagyon szépen szól és dinamikusan ithonra még azt mondom lehet hogy sok is aki hallott már igazi 20w-ot is pl:tda2020-ról az elhiszi.
LM3886-hoz nyákterv esetleg valakinek alap bekötéshez?
kerestem, sok fotót találtam, meg beült. képet, de egy rendes nyáktervet sajnos nem. dual mono erősítő készülne belőle. táprész nyákterv is érdekelne, de az nem annyira gond, másnem megtervezem én. de a földeléssel meg egyáltalán az egésszel ha egy mod van ra nincs kedvem eagle-ben kinlodni. az esetleges segitseget nagyon szepen koszonom elore is... valami ilyesmi
Itt van hidalva meg nyák is nemsokára megkeresem azt ami nincs hidalva, de a másik gépemen meg van a nyák két féle képpen is
Majd felteszem
Tessék itt van kétféle nyáktervel az LM 3886 attól függ milyen bordád van
Nem kapok érte pontot??
mondd meg hogy adjam, és a tiéd
![]() nem az enyém a topic... de sört, azt kaphatsz! köszönöm szépen, komolyan!
Vááá kaptam pontot köszönöm
Ennyit megért előkutatni hezso: Szívesen remélem hasznát veszed Hehe szinte mag van minden a quadrol is ha érdekel Nah mindegy jó építést és majd várjuk a képeket :yes:
a 2 hangfal már szinte készen, arról tudnék már mutatni, de inkább egyben.
hozzá lesz ez erőlködőnek, nemtom mikorra fejeződik be, mert szépen szeretném, de már muszály nekiállni, ezért kellett a nyák
Amúgy ezek a nyákok tuti működnek mert már páran meg is csinálták
Amúgy én inkább a tranyórra szavazok de nem nekem építed sajnos Szerintem majd védelem se árt majd Én most csináltam egy végfokot vagyis még nincs kész de már csak egy tl071 kell bele amúgy quadok dolgoznak benne már az egyil oldal kész tesztelve működik Amúgy te mivel fogod csinálni a nyákot?? Mert én próbáltam a vasalást csak nincs itt a környéken műnyomó sima a4 lappal xar lett.... de legalább látszódótt na én meg szépen átrajzoltam az egészet filcel nem akarok magam dicsérni de egész jó lett Majd teszek fel képet csak
Sziasztok !
Azt szeretném kérdezni hogy ha az LM3886-nak nem kötöm be a 8-as MUTE lábát akkor mi a helyze ? mert a netes rajzokon mindegyiknél be van kötve ha nincs kapcsoló rajta a kkor ellenállással van átkötve a 8-as és a négyes láb. Ezt nemértem. lényeg hogy nekem nem kell a mute. Előre is köszi a segítséget.
Hali!
Ha nem kötöd be, akkor az erősítőd nem fog szólni! Tehát mindenképpen kell az ellenállás. Ha használni akarod, akkor úgy működik, hogy egy kapcsolót sorbakötsz az ellenállással. Ha megszakitod a kapcsolót, akkor némít, vagyis akkor nem fog szólni.
Sziasztok!
Az lenne a kérdésem, hogy a csatolt fáljban mi az az F1 4A F a +-36V-nál?
Az "F"-el általában biztosítékot jelölnek, "F" mint fuse.
A másik "F" (fast) 4amperes gyors kioldású bizti.
Remélem tapasztalt fülekre talál kérdésem.
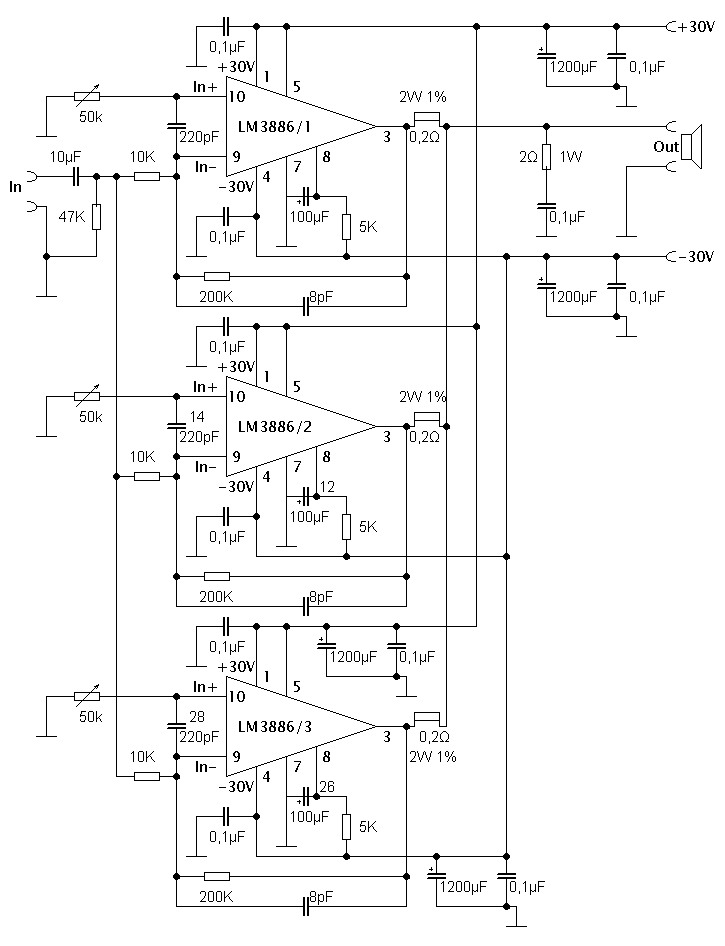
LM3886 Hidalása vagy 3db. összekötésével kapcsolatban kinek van tapasztalata? És persze működő kapcsolás egyébb, mellékelek egy két képet létező db.-okról. 150W igen jó paraméterekkel, hidalható 300w-osnak is akár.
Persze nagyon jó minőségű kondenzátorokat használtak az építésnél, ez befolyásolja a végeredményt de a REMIX kondik is jók és elérhetőek. A kapcsolással csak az a baj hogy egyértelműbb kellene nem leegyszerűsített. Vannak PCB.-k is képen ha valakinek kell.
Itt van egy Jeff Rowland féle verzió 2x 600W-os végfok LM3886-ból. Szóval lehet hidalgatni stb. csak valaki dobhatna kapcsolási rajzot megköszönném
Az IC-k ekként való összekötése nekem egy kicsit merész, ugyanis, ha a kimeneti offsetben, illetve a nyílthurkú erősítében van különbség akkor az IC-k egymásra fognak dolgozni, komoly áramokkal. Egyedül az a 0,2 ohm-os nekem kevésnek tűnik az uniformizáláshoz, azaz a kimeneti jelek teljes egyformaságához.
Mindazonáltal még csak TDA-val csináltam ilyen párhuzamosítást, azokkal biztosan nem elég ez a módszer, ott külön-külön meg kellett építeni a visszacsatoló hálózatot 1%-os ellenállásokból. De nincsen kizárva, hogy LM 3886-sok annyira egyformák, hogy azokkal lehet ezt.
Itt megtalálod a TDA-s kapcsolást.
párhuzamos TDA-k
Szerintem ezeknek az IC-knek a szórása elég kicsi, egy szériából kell venni sokat, és szerintem nem lehet nagy gond. A párhuzamosítással megoszlik a hő, és kis impedanciával is lehet terhelni (pl.1-2ohm), ilyen kis terhelésnél pedig sima ügy a hidalás, ekkor teljesítményduplázást érhetünk el.
Keress rá erre: parallel lm3886. Én rengeteg érdekes oldalt találtam, ezeket böngészd át. Ha két IC párhuzamosan van kötve, akkor az elvet végigkövetve párhuzamosíthatsz akárhány IC-t, a hidaláshoz meg egy sima fázisfordító kell, műveleti erősítőkkel. Igazából egy kis elektronikai ismerettel megoldható a probléma, és a tápfeszültség szabta határokon belül "óriási" kimenőteljesítményt kapsz. Csak nem értem, hogy miért nem építesz inkább valami kiforrott "többszázwattos" kapcsolást? Pl. VF2 - 60V-os, Conductor, ezek esetleg hidalva, stb?
Köszönet a PDF.-ért, de nehogy azt mond hogy amit feltöltöttem az nem működik?!? Akkor a kapcsolást is hiába készítettem el?
|
Bejelentkezés
Hirdetés |







Majd felteszem











