Fórum témák

» Több friss téma
Fórum » PIC - Miértek, hogyanok haladóknak
Lapozás: OK   1042 / 1320
(#) menyus hozzászólása Dec 27, 2011 /
 
Sziasztok!

Össze szeretnék rakni egy reklámvilágítás vezérlőt, ami besötétedéskor bekapcsol és ezután X idő múlva lekapcsolja a világítást hogy ne menjen egész éjjel csak pl. az üzlet nyitvatartási ideje alatt. Semmi extra, fény ellenállás + 12F675 / komparátor + számlálók + egy kimenet ami egy relét vezérelne.

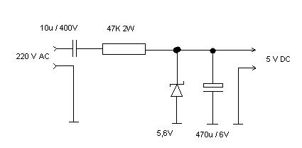
Ezzel semmi gondom, viszont szívem szerint a trafót lespórolnám az elektronikáról. Méret / súly szempontok miatt. Véleményetek a kontroller mit szólna egy ilyen fapados tápkapcsoláshoz...?

220V_tap.JPG
    
(#) lidi válasza kissi hozzászólására (») Dec 27, 2011 /
 
Nem, ennyire azért nem vagyok amatőr, 1 ohm az.
A vdd és avdd között meg 3 ohm van.
(#) kukac_24 válasza menyus hozzászólására (») Dec 27, 2011 /
 
Szerintem az 5,6V sok lesz neki. Max ha 5,1V-os zenerrel próbálnád lehet hogy elmenne.
(#) röntgen válasza menyus hozzászólására (») Dec 27, 2011 /
 
Én azért az egyenirányítást inkább egy soros diódára bíznám, mint a zénerre.
(#) menyus válasza kukac_24 hozzászólására (») Dec 27, 2011 /
 
Gondoltam 0,6 V ot esik a feszültség bár nincs soros dióda az igaz, de én inkább arra lennék kíváncsi nem gáz e hogy a PIC Vss lába közvetlenül a hálózat egyik felén "lóg". Hogy ez éppen a nulla vagy a fázis az ugye attól függ hogyan dugják éppen a konnektroba..vagyis hogyan kötik be ha fixen be lesz kötve. A hálózatról nem szedhet össze valami zavart ami miatt esetleg resetbe megy a kontroller ..stb? Mert az kellemetlen lehet, lenullázza a számlálókat, újra indul az időzítés..stb. Jó lesz ez így vagy inkább keressek valami minitrafót? Mondjuk nyugodtabb lennék az biztos, és ahogy pl a 400V / 10 u kondi meg a 2 W os ellenállás méretét elnézem nem sokat spórolok a hellyel sem....
(#) kukac_24 válasza röntgen hozzászólására (») Dec 27, 2011 /
 
Jah igazad van azt el is felejtettem emliteni.
(#) menyus válasza röntgen hozzászólására (») Dec 27, 2011 /
 
Igen jogos, a soros dióda kimaradt a gyorsban készült paintes rajzomon....
(#) kameleon2 válasza menyus hozzászólására (») Dec 27, 2011 /
 
Sziasztok!
A soros diódát mindenképpen javasolnám nem elhagyni - mellesleg kisebb feszültséget is kellene egyből ejtetni ha egyutas az egyenirányítás így kisebb a diszcipáció is. A RESET lábnál lehetnek anomáliák, ha nem hidegíted. Az sem elhanyagolható kérdés, hogyan fogod tesztelni? A notebookodra, PC-dre is ráviszed a 230-at a GND lábon keresztül? Vagy van izolált programozód? Mindig te fogod javítani, ha elromlik?Milyen dobozba raknád?
(#) menyus válasza kameleon2 hozzászólására (») Dec 27, 2011 /
 
Nem áldoznám be se az asztali PC t se a notebook ot... Tesztelni semmiképpen nem az eredeti tápjáról, már ha maradok ennél az egyutas megoldásnál. Ideiglenesen megtáplálom egy külső leválasztott tápról a próba idejére. A reset lábat pedig jól megszűrném, 100n / 1u közvetlen a reset lábon. Egy műanyag tömszelencés IP 65 védettségű dobozba kerülne a panel. Javítani valószínűleg én fogom , de remélem hogy nem kell majd...
(#) röntgen válasza kameleon2 hozzászólására (») Dec 27, 2011 /
 
A feladat megoldását én így gondolnám:
Mivel a PIC-ed kis feszültségről is elmegy, ezért én egy olyan "fekete dobozt" csinálnék, amiben akár két ceruza akksiról elműködne a PIC. Beavatkozó elemnek pedig egy tárolós-törlős(bistabil) relét használnék. Így csak a relé érintkezőt kellene hozzáilleszteni a meglévő világítás működtetésére. Sokkal biztonságosabb, a PIC-t sem zavarja semmi. A fotoellenállás az alvó üzemmódból felélesztené a PIC-t, kapcsolna majd időzítés indul, vissza alvóba, idő lejár kikapcsol. Vagy valami hasonló elven. Így keveset fogyaszt, nem kell gyakran töltögetni. A lényeg életvédelmi szempontból biztonságos legyen !!!
Csak egy ötlet.....
(#) menyus válasza röntgen hozzászólására (») Dec 27, 2011 /
 
köszi, nem rossz az 5let csak a gondom az ezzel hogy az egész kütyü kb 10 méter magasan lesz a tartó konzolon. Egy tetőn lévő reklámot kapcsol majd be sötétedéskor, és az időzítés (4 óra kb) lejártával pedig ki. Éppen ezért nem jó megoldás elemesre / akkusra készíteni az elektronikát mert akkor x hónaponként elemet kéne benne cserélni vagy akkut tölteni..Na ha ezt én így beadagolom a tulajnak akkor tuti hogy futnom kell előle..) Meg minek az elem ha egyszer a kütyünél amúgy is ott van a hálózati feszültség mit tápforrás...?
(#) röntgen válasza menyus hozzászólására (») Dec 27, 2011 /
 
Akkor marad valamilyen mini táp. (trafo stb.)
(#) Hp41C válasza röntgen hozzászólására (») Dec 27, 2011 /
 
Egy trafó áráért már lehet venni kapcsoló üzemű 5V -os tápot. Egy régi mobil töltője is megteszi...
(#) röntgen válasza Hp41C hozzászólására (») Dec 27, 2011 /
 
Pontosan, a töltőböl a kütyüt csak ki kell kapni és már használható is. Abból már gyerekjáték a zéneres táp stabilizálás.
(#) menyus válasza röntgen hozzászólására (») Dec 27, 2011 /
 
Az lesz biza.. Találtam is egy 2x2 cm es 220 / 12 V / 0,35VA relét, megoldom ezzel. Remélem hogy a relé meghúzásának pillanatában nem rántja meg a tápfeszt annyira hogy resetbe küldje a PIC et. Valami low drop stab IC t fogok használni a mezei 7805 helyett és akkor jó lesz szerintem. Köszi a segítséget, akkor ezt az egyutas dolgot el is felejtem. Amúgy mindig is idegenkedtem tőle mert nem túl biztonságos megoldás érintésvédelmi / tűzvédelmi szempontból sem, meg a PIC szempontjából sem..Mert pl ha zárlatos lesz a soros kondezátor akkor fáklya lesz az egészből... De rengeteg gyári cuccban láttam már ilyet, pl a gyári szürkületkapcsolókban is valami ilyesmi megoldás van.
(#) menyus válasza Hp41C hozzászólására (») Dec 27, 2011 /
 
legjobb ötlet...valóban csak a stabilizálást kell megoldani, no meg a szűrést. És nem nagyobb egy trafóval felépített DC tápnál mégha 2x2 cm es a trafo akkor sem, mert hát ahhoz is ott vannak még a greatz a pufferek stab ic..stb. És ha jobban körülnézek van itt a műhelyben vagy két szatryorral ilyen mobiltöltő

Köszönöm az ötleteket..!!
(#) menyus válasza menyus hozzászólására (») Dec 27, 2011 /
 
Egyébként a leg ötletesebb megoldást egy kínai cuccban láttam, és bár a 70 es évek technikáját idézi, még a mai napig lehet ilyet kapni. Még táp sem kell hozzá. Egy bazi nagy fény ellenállással sorban van kötve egy ellenálláshuzal ami rá van tekerve egy bimetall érintkezőre. Ahogy csökken a megvilágítás, úgy csökken az ellenállás értéke míg elér egy pontot amikor az ellenálláshuzal olyan meleg lesz hogy a bimetall átbillen...Más kérdés hogy hogyan viselkedik mindez a -20 fokban télen és nyáron + 30 ban... de működik és árulják, múlt héten is láttam ilyet egy villszer boltban.
(#) mrgrassy hozzászólása Dec 27, 2011 /
 
Sziasztok ma megvetem az ICD 3-at amit ajánlottatok és azt szeretném kérdezni, hogy honnan tudom meg, hogy melyik kivezetés micsoda ?
(#) menyus válasza mrgrassy hozzászólására (») Dec 27, 2011 /
 
(#) potyo válasza mrgrassy hozzászólására (») Dec 27, 2011 / 1
 
Pl. megkeresed a hozzá való leírást és megnézed benne. Szerintem kaptál vele egy csomó papírt is, de ha nem, akkor microchipnél szétnézel.
(#) mrgrassy válasza menyus hozzászólására (») Dec 27, 2011 /
 
Ezt meg kaptam és tudom hogy a csatlakozon melyik pont melyik, de én az icd3-test interface module-jának a kivezetéseit szeretném meg tudni.
(#) menyus válasza mrgrassy hozzászólására (») Dec 27, 2011 /
 
Nekem speciel nincs ilyen eszközöm, PicKit2 nél leragadtam... De biztos vagyok benne hogy ahogy potyo is javasolta, vagy a készülékhez kapott doksikban vagy a gyártó (michrochip) oldalán megtalálod ezeket az információkat. De szerintem a doksikban is tuti benne kell legyen.
(#) user hozzászólása Dec 27, 2011 /
 
Sziasztok!

Egy 877-est szeretnék felprogramozni propic2 programozóval,de folyton "writing error in mem 0h" hibaüzenettel szakad meg az írás.Már egy ideje nem programoztam vele és nem emlékszem hogy mi volt a beállítás.A hex fájlt mikroc-ből generáltam,simán lefordul.
Aki emlékszik a propic xp beállításaira légyszi segítsen.

Köszönettel.

bnn.HEX
    
(#) Hp41C válasza user hozzászólására (») Dec 27, 2011 /
 
Próbáltad már a PGM lábat a Vss -re húzni 10k ellenállással?
(#) user válasza Hp41C hozzászólására (») Dec 27, 2011 /
 
Azt hiszem a propic felhúzza íráskor.
Közben előszedtem a legelső propic-omat és csodák csodájára az elsőre megírta a 877-est.Úgy emlékszem ezeknél a hosszú kábel már elég hogy ne írják meg a pic-et,valószínű ez lehetett a baj.
(#) mrgrassy válasza menyus hozzászólására (») Dec 28, 2011 /
 
Köszönöm át nézem biztos van valami a leírásban akkor.


Azt szeretném kérdezni tőletek, hogy pic-be hogyan égetek be több programot ?
(#) Hp41C válasza mrgrassy hozzászólására (») Dec 28, 2011 /
 
Szia!

A pic végülis egy programot futtat egyszerre, tehát elég azt beleprogramozni.
Azonban többlehetőség is van több feladat ellátására egy kontrollerrel:
- Ha a feladatok közül egyszerre csak egyet kell végrehajtani: Az összes feladat kiszolgálására felkészített programot kell beprogramozni és az aktuálisat kiválasztani. A kiválasztás lehet port lábakra adott kombinációval, egy analóg lábon mérhető feszültség szintjével, valamilyen kommunikációs vonalon küldött parancs hatására, ez adat eeprom -ban levő adat segítségével.
- Ha a feladatokat egyidőben kell végrehajtani: Megszakításos periféris kezelés, időosztásos futtatás... Bonyolult esetben micro operációs rendszer (uOS).
(#) mrgrassy válasza Hp41C hozzászólására (») Dec 28, 2011 /
 
Köszi az infot csak az érdekelt volna hogy találtam usb-vezérlő programot PIC-hez és az usb-ről jövö adatokkal akarom vezérelni a PIC lábait.
ezért érdekelt hogy ha több .c fájlom van akkor eggyesével leforditom a .c-ket és beégetem akkor az ugy müködik vagy mikor a második .c-t égetem be akkor az előte beégetet .c-t kitörli-e ?
(#) Hp41C válasza mrgrassy hozzászólására (») Dec 28, 2011 /
 
Egy C program több, egymásra hivatkozó .C és .H állományból (és még más állományokból) állhat. Egy ilyen programhoz tartozik egy project állomány, amiben ezek a források, a linker vezérlpő állománya is benne van. A fordításhoz az összes, a projectben szereplő állomány és a linker vezérlő állománya kell, és ebből egy betölthető .hex -et állít össze a fordító és a linker.
(#) icserny válasza mrgrassy hozzászólására (») Dec 28, 2011 /
 
Nézz szét a honlapomon a PICCOLO projektben! Ott látsz példát ilyenekre.
Következő: »»   1042 / 1320
Bejelentkezés

Belépés

Hirdetés
XDT.hu
Az oldalon sütiket használunk a helyes működéshez. Bővebb információt az adatvédelmi szabályzatban olvashatsz. Megértettem