Fórum témák
» Több friss téma |
Fórum » H-híd hiba
Hát. Ha már mosfet, legyen kövér. Méretezzük 50-60A-re.
( A tranzisztorok is érdekelnének típusügyileg )
A P-FET: Bővebben: Link
N-FET: Bővebben: Link. Ezeket 12V-ról használd! Ha ezeket a nagyáramúakat is kiégeted, akkor leveszem a kalapomat!
IRF 2807 nincs hestoreban
![]() Mi lenne jó még helyette?
Ki mondta, hogy onnan kell rendelned?
Senki, de itthon az az egyetlen bolt ami tudom, hogy foglalkozik ilyesmivel
Sziasztok!
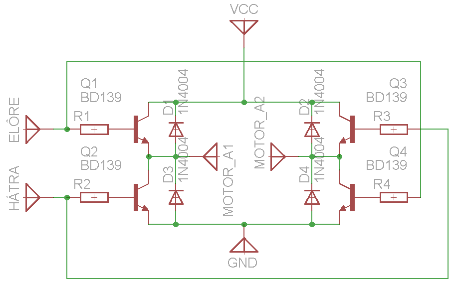
Megépítettem a csatolt képen látható hidat. A 12 voltos motort könnyen elbírja, viszont a 6 voltos motor nem akar indulni vele. Ha a BD139 tranzisztorokat BD135 típusúakra cserélem, akkor már elindul a motor de nagyon gyenge marad a teljesítménye. A bázisokra kötött ellenállások értéke 1K, a BC546os tranzisztorok és az azokra kötött ellenállások NEM kapuként szolgálnak, amit utólag tettem be, de a híd önmagában se működik rendesen 6V-ról. Mi lehet a hiba? talán más típusú tranzisztorokat használjak?
Ha az R6-hoz tartozó tranzisztor nincs nyitva akkor honnan kap testet a motor???
Elnézést a pontatlanságért, az R6-hoz tartozó tranzisztor kollektorára tettem a testet, ahogy a mostani csatolmányon van.
Ez egy elég rossz hatásfokú hídkapcsolás, Q1 és Q3 emitterkövetőként működnek kapcsolóüzem helyett, vagyis sosem nyitnak ki rendesen. Ezek helyére pnp tranzisztorok kellenének (pl. BD140, ha jól rémlik), sajnos ehhez a meghajtást is igazítani kell.
Ha nem mész stabilan 1A fölé, akkor én ajánlanám inkább az L293B -t. Öt perc bekötni és csodaszépen működik.
Ha ilyen kis feszültséggel akarsz jó eredményeket elérni akkor inkább valami fetes kimenetben gondolkodnék.Nagyobb áramoknál nagyon kevés tranzisztor tudja a 0,6-1V közötti maradékfeszültséget ,vagy ha igen nagy bázisáram kell hozzá.Így a legjobb esetben is 1V már ugrott a tápból.Ilyen szempontból nekem a BD241/242 páros volt a legjobban bevált meg talán a 2SB772 sajna a párját nem tudom.
Szerintem az ic is ezen bukik meg,annak is 1-2V közé írják ezt az értéket 6-2*1=4V a legjobb esetben is.
Köszönöm a válaszokat, idő közben találtam ezt az oldalt és 139/140-es BD tranzisztorokkal boldogultam. Most máshol akadtam el, ugyanis ha a hidat nagyobb feszültségű motorral használom akkor nem lesz elég egy 5 voltos impulzus, hogy bekapcsoljon a híd. Ezért a relék mellett döntöttem és találtam ezt a kapcsolást, ami tökéletesen működik is. A gond az, hogy mindössze 2 darab olyan relém van, ami 20mA-t fogyaszt és 3 kéne. Harmadiknak egy 50mA fogyasztásút használok, amit nem mindig kapcsol be a mikrokontroller impulzusa. Kérdés, hogy mit módosítsak a kapcsoláson, hogy működjön az utóbbi relével is?
A kérdés bár nem kapcsolódik a témához, de azért közelebb áll a hídhoz, egy hídvezérlő megoldás, szóval más megoldás is jöhet, ha ez éppen nem a legjobb. Köszönöm előre is!
Szia!
De azt miből szűrted le, hogy nagyobb feszültségű motorhoz nem lesz jó az 5V-os működtető feszültség?
Legalábbis az eredeti általa alkalmazott egyszerű híd szerintem sem.
De azon az emitterkövetős dolgon már túlléptünk, és most már erről a hídról lenne szó. Itt nem követi a vezérlőfeszültséget a kimenőfeszültség.
Ha a felső tranzisztorra 5V magas szintet kapcsol ,a motor meg 12V tápos ,akkor a tranzisztorra (BE) csekély 7V jut ami eléggé nyitás gyanús.Ha meg logikai nullát akkor 12V ami szintén nyitás gyanús... Bár lehet elnéztem valamit.
Ezt a kapcsolást még ki szokták egészíteni néhány tranzisztorral a logikai szintekkel működéshez.Ha a felső tranzisztorokhoz menő ellenállásokat egy egy NPN tranzisztorral vezérli ,akkor ezeken keresztül már esetleg TTL szintekkel tudja a motorodat vezérelni. A relékhez esetleg egy kis segítség.
A bázisáram a lényeg, azt meg a bázisellenállással beszabályozhatja. De valóban, egy Darlington-tranyó vagy FET sokkal üdvözítőbb egy ilyen helyzetben, mivel a vezérlésnek nem kell nagy bázisáramot szolgáltatnia.
Hát igen a figyelmetlenségem ,a táblázatban ez úgy szerepel, hogy a felső ellenállások GND vagy nincs bekötve.Ezt az állapotot egy egy nyitott kollektoros (OC) inverter is el tudja követni.
Ha egy elemet kapcsolásra használok nem szeretek sakkozni a kapcsoló árammal,igyekszem olyan kapcsolást választani ami egyértelműen működik +-50% alkatrész tűréssel.
A másik hogy a kimeneted meg fogja kapni a 12V motor tápot, ha tévedésből magas szintre kapcsolod (12V-BE- UR ) amit a legtöbb IC sűrű kalapemelgetéssel köszön meg.
Gyanittom hogy az nem fogja mi az 2n2222 böl collektoron kijön. mondjuk alapból nemértm ezt a kapcsolást.
Az előző jobban tetszett ,némi ellenállással a GATE-ekről a test felé.Ezenkívül átfedés mentes invertált 0-12V PWM jellel esetleg.De szerintem gyorsan találhat biztosan működőt.pl
Így sem, a felsó FET- negatívra nyitnának, de most is csak + feszültséget kap. Nem látom, mikor kapna - nyitófeszültséget. Ha a felsőkere is + nyitófeszültségű FET-t teszel akkor igaz. De a lehúzó ellenállásokat is hiányolom a bemeneten és a FET-nél is.
A gondom az hogy a két bemenet egymásnak a gndje. mondjuk mikor A, kiadja a pwmet akkor B gnd.,mikor B-n jön a pwm akkor az A, a gnd. A rajzon nem ez van. Kivettem a vezérlést 1 modellszervoból ahhoz kéne 1 híd minimum 7Amperes. reméllem jóll fejezrem ki magam
a szervo motorkimenetein PWM van ezzel szeretnék 1 hidat hajtani. és nem szeretném hqsználni a szervó egyéb felületeit.Arra is gondoltam hogy a szervómotor hejére optocsatolót teszek. de itt meg az ugrott be hogy az nem induktív ellenállás,a motorral ellentétben. szoval pasz milyen vonalon induljak el.??? jo egyáltalán az elképzelés? opto elég gyors 1 pwmhez periodusidő 20ms.? |
Bejelentkezés
Hirdetés |




) 








