Fórum témák

» Több friss téma
Fórum » Villanypásztor
 
Témaindító: bernardo, idő: Feb 5, 2006
Témakörök:
Lapozás: OK   117 / 305
(#) attila1 válasza dizi hozzászólására (») Jan 21, 2012 /
 
Szia.
Válaszolt a srác.
A trafó beszerezhető,1200ft+posta.
(#) poros válasza attila1 hozzászólására (») Jan 21, 2012 /
 
Ez készre tekert trafó,vagy csak vas? Nála lehet beszerezni vagy üzletben?
(#) erdgab válasza dizi hozzászólására (») Jan 21, 2012 /
 
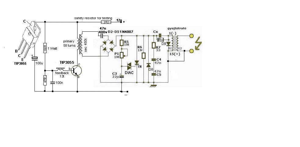
Megvan a kapcsolás,mellékelem.
(#) poros válasza erdgab hozzászólására (») Jan 21, 2012 /
 
Micsoda szerencse van pontosan ilyen vasam "néhány" darab.
(#) attila1 válasza poros hozzászólására (») Jan 21, 2012 /
 
Szia! Ez kész trafó.
Nem üzletben van,hanem aki csinálja a komplett pásztorokat.A típusa nem BJTR-001,mint az enyémben,hanem BJTR-002.Lábak száma,méretezés minden egyforma,csak a lábak vannak közelebb,mint a BJTR-001-en.
(#) poros válasza attila1 hozzászólására (») Jan 21, 2012 /
 
Köszönöm a felvilágosítást.
(#) Swedhart válasza dizi hozzászólására (») Jan 21, 2012 /
 
Szia igen én már ezt régebben feltettem sőt meg is van a trafója nem rezeg be szintén a macerárol vette a mókus aztán jött nem-e lehetne megjavitani?
Na én kidobtam a panelt belölle és tettem bele az általam tervezettből és jó lett.
Egyébként a trafót kis sortrafóval lehet egyszerűen helyettesíteni.
Mondjuk így
(#) poros válasza Swedhart hozzászólására (») Jan 22, 2012 /
 
Szia! Meg tekertem a trafót amit belinkeltél. Rezeg de nagyon nagy az áram felvétele 2A ! A kimenő feszültség terheletlenül 420V. Ami viszont érdekes a magas áramfelvétel ellenére nem melegszik sem a tranzisztor sem a tekercs.
Ezután megkerestem az attila1 által említett kapcsolást.
Ahhoz is elkészítettem a tekercset az is megy de annál is KB ekkora áram felvételt mértem. Viszont itt melegszik a tekercs.
(#) Swedhart válasza poros hozzászólására (») Jan 22, 2012 /
 
Szia valoszínü ezért nem önrezgö táposra csináljuk én se tudtam 600 mA alá menni csak a fetessel.
(#) poros válasza Swedhart hozzászólására (») Jan 22, 2012 /
 
Bocs most vettem észre a fénycső kapcsolást Erdgab linkelte. A rajzon szereplő menetszámokkal készítettem. Csak kíváncsi voltam hogyan működik. Nem akarok sok időt fecsérelni rá. Szerencsére az invertereshez sikerült fazék vasakat vásárolnom ami nagyon bevált a saját magam kikísérletezett menetszámokkal.
(#) erdgab válasza poros hozzászólására (») Jan 22, 2012 /
 
Nos,annak idején én sem tudtam kisebb árammal működtetni.Fénycső inverterként 0,8-1,2A áram értékkel működtette a fénycsövet,nem variáltam akkor rajt.Biztos van jobb megoldás is ennél a kapcsolásnál.Én egyenlőre maradok az 555 inverteresnél,nekem az jött be.
(#) nyemi hozzászólása Jan 23, 2012 /
 
Sziasztok.
Ha megengeditek adok két ötletet hogy, hogy illik tölteni egy nagyfrekvenciás inverterről egy kondenzátort , hogy az áramfelvétel kicsi maradjon. Mind a két kapcsolás lépcsőzetes feltöltést biztosít csak az egyik feszültség duplázást is végre hajt. Ez az előnyösebb mert ennél nem kell vékony vezetékkel és sok menetszámmal megtekerni a szekunder tekercset. Elég csak fél menetszámmal , de igaz dupla olyan vezeték átmérőt kell használni. Én ezeket a szekunder áramkörökkel különböző gyújtás áramkörökben találkoztam ahol igazán rövid idő van csak a kondenzátor feltöltésére és mégis használják őket (ezek gyári gyújtások voltak). Nektek meg idő van bőven, ezért szerintem nálatok is beválnának. Amúgy ez egy hatásos védelem a tirisztor beragadás ellen is.
Üdv nyemi
(#) attila1 válasza attila1 hozzászólására (») Jan 23, 2012 /
 
Szia!
Olyan kérdésem lenne,hogy az a 3,4µF/480V-os kondi,ami az én kapcsolásomban van,az pótolható a neon armatúrákból kiszedett kondikkal,miután kicsipem belőle az ellenállást,vagy nézni kellene valahol ilyet?
Üdv: Attila
(#) attila1 válasza poros hozzászólására (») Jan 23, 2012 /
 
Bocs,most néztem,hogy magamtól kérdeztem... Valami ötleted az előző kérdésemre?
(#) danodano hozzászólása Jan 24, 2012 /
 
Sziasztok!
Egy régi fajta csengőtrafó jó lehet ebbe a kapcsolásba a 9/230V nyáktrafó helyett?
Bővebben: Link
(#) dizi válasza danodano hozzászólására (») Jan 24, 2012 /
 
Helló
Szerintem igen, meg lehet próbálni. csak az a lényeg,hogy a 8 voltos része legyen bekötve.
(#) danodano válasza dizi hozzászólására (») Jan 24, 2012 /
 
Köszönöm! Holnap kipróbálom és megosztom a tapasztalatokat.
(#) dizi válasza Swedhart hozzászólására (») Jan 24, 2012 /
 
Helló kicsit kontárkodtam igaz csak paint-al.
(#) dizi válasza danodano hozzászólására (») Jan 24, 2012 /
 
Próba gyanánt a táp fesz + ágába tegyél egy 5-10 ohmos ellenállást,hogy ha nagy lenne az áramfelvétel nehogy haza vágja a tranyót az áramfelvételt az ic körüli ellenállások variálásával állíthatod be és a 4148-as diódát kezdetben ne tedd bele anélkül is megy.
(#) erdgab válasza attila1 hozzászólására (») Jan 24, 2012 /
 
Elvileg jó lehet,figyelj a feszültség értékre ez nagyon lényeges,akár több kondiból is összerakhatsz egy pakkot.
(#) danodano válasza dizi hozzászólására (») Jan 24, 2012 /
 
Az erdgab féle változatot építettem meg, amiben nem is szerepel az a dióda. Működött már a szerkezet, de a trafó amit használtam megadta magát (a primer kör szakadt) Eszembe jutott, hogy van itthon egy csengőtrafó, azzal kéne kipróbálni, de előbb inkább rákérdeztem.
(#) Swedhart válasza dizi hozzászólására (») Jan 24, 2012 /
 
Szia valahogy így képzeltem én is ahogy tovább rajzoltad de 1 dioda is elég a gretz helyett persze scotty
(#) Wegg válasza dizi hozzászólására (») Jan 24, 2012 /
 
A D8 diódát fordítsd meg mert így nem fog működni .Mielőtt kinyitna a tirisztor már rövidzárba viszi a tápot.
De ezt te is tudod csak elrajzoltad .A többiek kedvéért írom.Sajnos sokan nem olvassák csak megépítik .
(#) danodano válasza dizi hozzászólására (») Jan 25, 2012 /
 
Sikerült a csengőtrafóval beüzemelni. Köszi a segítséget!
(#) dumboo hozzászólása Jan 26, 2012 /
 
Sziasztok! Egy egyerű "kutyapásztort" szeretnék csinálni. Arra gondoltam hogy egy Xenon trafó (12VDC, 35W, 25KV) és egy indexrelé segítségével. Segítségeteket kérném, méghozzá abban hogy hogyan csökkentsem a kimeneti feszültséget, mert szerintem az egy picit erős lenne.. láttam már embert leülni a trafó érintésétől ... Mivel nagyfeszültségről beszélünk, gondolom a sima ellenállásosdi nem megoldás! Persze ha egyáltalán működőképes a xenon-os megoldás! Üdv. Z.
(#) Cavalier válasza dumboo hozzászólására (») Jan 26, 2012 /
 
Ez a megoldás egyvalamire lehet alkalmas, gondatlanságból (foglalkozás körében) elkövetett emberölésre.

Van itt a topikban egy kilométernyi kapcsolás, válassz onnan egyet, ami megfelel a szabványoknak, meg életvédelmi feltételeknek is.
(#) dizi válasza Wegg hozzászólására (») Jan 26, 2012 /
 
RAJZ JAVÍTVA!
(#) Swedhart válasza dizi hozzászólására (») Jan 26, 2012 /
 
Szia csak össze hozzuk az új típust.
(#) frob válasza Swedhart hozzászólására (») Jan 26, 2012 /
 
Nem olvastam vissza, hogy milyen trafóval csináljátok az önrezgő részt, esetlegesen lehetne ilyenre tervezni, és akkor még csak tekerni sem kellene
http://www.soselectronic.hu/a_info/resource/a/pdf/myrra74080.pdf
(#) m.gyula3 hozzászólása Jan 29, 2012 /
 
Sziasztok!

Most akarom megépíteni oldman villanypásztorát és villanypásztort még nem csináltam, de nem annyira értem a kisütés gyorsító ágat, ami párhuzamos a töltőkörrel. Az 555-ös ic alapból sütögeti bizonyos időközönként a kimeneten lévő 400V-os kondit ugye. Tehát a p1 trimmerrel tudom beállítani, hogy milyen gyorsasággal sütögesse ki a kondit az 555-ös ellenére?
Meg még vmi, ha jól látom 3 szikraköz van a gyújtótrafónál nemde? nem elég kettő?

köszönöm a választ!
üdv!
Következő: »»   117 / 305
Bejelentkezés

Belépés

Hirdetés
XDT.hu
Az oldalon sütiket használunk a helyes működéshez. Bővebb információt az adatvédelmi szabályzatban olvashatsz. Megértettem