Fórum témák
» Több friss téma |
Szia.
Válaszolt a srác. A trafó beszerezhető,1200ft+posta.
Ez készre tekert trafó,vagy csak vas? Nála lehet beszerezni vagy üzletben?
Megvan a kapcsolás,mellékelem.
Micsoda szerencse van pontosan ilyen vasam "néhány" darab.
Szia! Ez kész trafó.
Nem üzletben van,hanem aki csinálja a komplett pásztorokat.A típusa nem BJTR-001,mint az enyémben,hanem BJTR-002.Lábak száma,méretezés minden egyforma,csak a lábak vannak közelebb,mint a BJTR-001-en.
Szia igen én már ezt régebben feltettem sőt meg is van a trafója nem rezeg be szintén a macerárol vette a mókus aztán jött nem-e lehetne megjavitani?
Na én kidobtam a panelt belölle és tettem bele az általam tervezettből és jó lett. Egyébként a trafót kis sortrafóval lehet egyszerűen helyettesíteni. Mondjuk így
Szia! Meg tekertem a trafót amit belinkeltél. Rezeg de nagyon nagy az áram felvétele 2A ! A kimenő feszültség terheletlenül 420V. Ami viszont érdekes a magas áramfelvétel ellenére nem melegszik sem a tranzisztor sem a tekercs.
Ezután megkerestem az attila1 által említett kapcsolást. Ahhoz is elkészítettem a tekercset az is megy de annál is KB ekkora áram felvételt mértem. Viszont itt melegszik a tekercs.
Szia valoszínü ezért nem önrezgö táposra csináljuk én se tudtam 600 mA alá menni csak a fetessel.
Bocs most vettem észre a fénycső kapcsolást Erdgab linkelte. A rajzon szereplő menetszámokkal készítettem. Csak kíváncsi voltam hogyan működik. Nem akarok sok időt fecsérelni rá. Szerencsére az invertereshez sikerült fazék vasakat vásárolnom ami nagyon bevált a saját magam kikísérletezett menetszámokkal.
Nos,annak idején én sem tudtam kisebb árammal működtetni.Fénycső inverterként 0,8-1,2A áram értékkel működtette a fénycsövet,nem variáltam akkor rajt.Biztos van jobb megoldás is ennél a kapcsolásnál.Én egyenlőre maradok az 555 inverteresnél,nekem az jött be.
Sziasztok.
Ha megengeditek adok két ötletet hogy, hogy illik tölteni egy nagyfrekvenciás inverterről egy kondenzátort , hogy az áramfelvétel kicsi maradjon. Mind a két kapcsolás lépcsőzetes feltöltést biztosít csak az egyik feszültség duplázást is végre hajt. Ez az előnyösebb mert ennél nem kell vékony vezetékkel és sok menetszámmal megtekerni a szekunder tekercset. Elég csak fél menetszámmal , de igaz dupla olyan vezeték átmérőt kell használni. Én ezeket a szekunder áramkörökkel különböző gyújtás áramkörökben találkoztam ahol igazán rövid idő van csak a kondenzátor feltöltésére és mégis használják őket (ezek gyári gyújtások voltak). Nektek meg idő van bőven, ezért szerintem nálatok is beválnának. Amúgy ez egy hatásos védelem a tirisztor beragadás ellen is. Üdv nyemi
Szia!
Olyan kérdésem lenne,hogy az a 3,4µF/480V-os kondi,ami az én kapcsolásomban van,az pótolható a neon armatúrákból kiszedett kondikkal,miután kicsipem belőle az ellenállást,vagy nézni kellene valahol ilyet? Üdv: Attila
Bocs,most néztem,hogy magamtól kérdeztem...
Valami ötleted az előző kérdésemre?
Sziasztok!
Egy régi fajta csengőtrafó jó lehet ebbe a kapcsolásba a 9/230V nyáktrafó helyett? Bővebben: Link
Helló
Szerintem igen, meg lehet próbálni. csak az a lényeg,hogy a 8 voltos része legyen bekötve.
Köszönöm! Holnap kipróbálom és megosztom a tapasztalatokat.
Helló kicsit kontárkodtam igaz csak paint-al.
Próba gyanánt a táp fesz + ágába tegyél egy 5-10 ohmos ellenállást,hogy ha nagy lenne az áramfelvétel nehogy haza vágja a tranyót az áramfelvételt az ic körüli ellenállások variálásával állíthatod be és a 4148-as diódát kezdetben ne tedd bele anélkül is megy.
Elvileg jó lehet,figyelj a feszültség értékre ez nagyon lényeges,akár több kondiból is összerakhatsz egy pakkot.
Az erdgab féle változatot építettem meg, amiben nem is szerepel az a dióda. Működött már a szerkezet, de a trafó amit használtam megadta magát (a primer kör szakadt) Eszembe jutott, hogy van itthon egy csengőtrafó, azzal kéne kipróbálni, de előbb inkább rákérdeztem.
Szia valahogy így képzeltem én is ahogy tovább rajzoltad de 1 dioda is elég a gretz helyett persze scotty
A D8 diódát fordítsd meg mert így nem fog működni .Mielőtt kinyitna a tirisztor már rövidzárba viszi a tápot.
De ezt te is tudod csak elrajzoltad .A többiek kedvéért írom.Sajnos sokan nem olvassák csak megépítik .
Sikerült a csengőtrafóval beüzemelni. Köszi a segítséget!
Sziasztok! Egy egyerű "kutyapásztort" szeretnék csinálni. Arra gondoltam hogy egy Xenon trafó (12VDC, 35W, 25KV) és egy indexrelé segítségével. Segítségeteket kérném, méghozzá abban hogy hogyan csökkentsem a kimeneti feszültséget, mert szerintem az egy picit erős lenne.. láttam már embert leülni a trafó érintésétől
... Mivel nagyfeszültségről beszélünk, gondolom a sima ellenállásosdi nem megoldás! Persze ha egyáltalán működőképes a xenon-os megoldás! Üdv. Z.
Ez a megoldás egyvalamire lehet alkalmas, gondatlanságból (foglalkozás körében) elkövetett emberölésre.
Van itt a topikban egy kilométernyi kapcsolás, válassz onnan egyet, ami megfelel a szabványoknak, meg életvédelmi feltételeknek is.
Nem olvastam vissza, hogy milyen trafóval csináljátok az önrezgő részt, esetlegesen lehetne ilyenre tervezni, és akkor még csak tekerni sem kellene
http://www.soselectronic.hu/a_info/resource/a/pdf/myrra74080.pdf
Sziasztok!
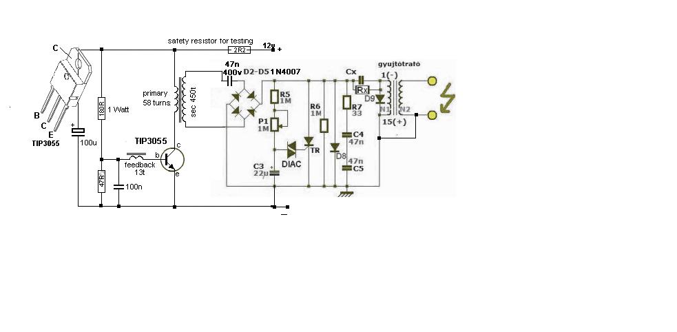
Most akarom megépíteni oldman villanypásztorát és villanypásztort még nem csináltam, de nem annyira értem a kisütés gyorsító ágat, ami párhuzamos a töltőkörrel. Az 555-ös ic alapból sütögeti bizonyos időközönként a kimeneten lévő 400V-os kondit ugye. Tehát a p1 trimmerrel tudom beállítani, hogy milyen gyorsasággal sütögesse ki a kondit az 555-ös ellenére? Meg még vmi, ha jól látom 3 szikraköz van a gyújtótrafónál nemde? nem elég kettő? köszönöm a választ! üdv! |
Bejelentkezés
Hirdetés |







Valami ötleted az előző kérdésemre? 


