Fórum témák
» Több friss téma |
Fórum » Autóelektronika
Témaindító: sufni-tunning, idő: Ápr 19, 2008
Témakörök:
Üdv mindenkinek!
Az autómban kellene néhány led szalagnak stabil 12 volt. Egy LM7812-vel ezt meg tudom oldani?
Ha csak az a lényeg, hogy sose menjen 12V fölé, viszont nem probléma, hogy lemegy akár 10V-ra is, akkor jó a 7812.
Esetleg tudsz ajánlani valami kapcsolást amivel meg lehetne oldani a stabil 12 Voltot?
(Magyarul ne menjen le 10 Voltra...)
Sziasztok!
Azt szeretném kérdezni, hogyan tudnám a lehető legegyszerűbben megállapítani egy hagyományos gyújtótrafó hibátlan, megbízható működőképességét, még beépítés előtt, otthoni körülmények között? A trafó bontott, használt. Az ohm-mérő nem mutat szakadást az 1-4-15 kivezetések között méregetve. Elég-e ennyi? (Nem szeretném, ha hosszas szerelgetés, beépítés után derülne ki, hogy hibás. Ezért szeretnék biztosra menni, és előre leellenőrizni, ha ez lehetséges!)
Szerintem elég. Nem olyan nagy szerelés egyébként egy trafócsere.
Valóban, nem nagy dolog. De minusz 12 C-fok van, szeretnék biztosra menni.
Egyébként arra gondoltam, hogy ha a mérőműszer pár mV-tal mérve még jót jelez, talán beépítve, magasfeszültségen még gondok lehetnek. (átüt belül, és nem adja le a szikrát, stb.) Tehát valami egyszerű kapcsolással (elem, akksi, kondenzátor, egyebek) gondoltam, "konyhai" körülmények között szikrát csiholni belőle. Lehet-e, és hogyan?
Természetesen lehet. Bekötöd mint az autóban, a megszakítót pedig egy darab vezeték testre érintésével szimulálod a főkábelen megjelenik a szikra.
Csak nem biztos, hogy a motorban is majd amikor a sűrített anyagon kellene átugrania a szikrának, akkor ott is át fog majd ugrani. Épp szerelővel nemrég beszélgettem erről és mondja, hogy párszor már volt ilyennel szopása, hogy kint a motor tetején jól működik a trafó, gyertyán ugrál a szikra, csak épp becsavarva a gyertyát a helyére és rádugva a trafót nem működik...
Az nem egyszerű, kell először egy feszültségnövelő, ami mondjuk csinál legalább 14V-ot, majd abból lehet stabilizálni 12-t. Annyira probléma, hogy amíg nem jár a motor, addig csak kb. 10,5V-od lesz? Amikor már jár a motor, akkor meglesz a 12V stabilan.
Idézet: „beépítve, magasfeszültségen még gondok lehetnek. (átüt belül, és nem adja le a szikrát, stb.)” Pontosan ez lehet a probléma. Ezt nemigazán tudod házi körülmények között kimérni. Ha a motor szépen jár, mindenféle terhelési üzemben, akkor a trafó jó. Újabb autók (azthiszem Euro3-tól kötelező) meg tudják mondani, hogy van-e égéskimaradás, mert figyelik a főtengely szögsebességváltozásait és fel tudják ismerni, ha kimaradt valamikor az égés. Azért -12 fokban se tart sokáig egy trafócsere. Megy rá néhány vezeték, azt nem nagy dolog lehúzni, gondolom 1-2 hatos körüli csavar tartja a helyén, meg megy rá egy nagyfeszültségű kábel az elosztó felé. Azért ez nem egy sokáig tartó meló...
Kedves vagy, hogy bátorítasz, miszerint nem nagy dolog a -12 (most éppen -14) fok.
Csak éppen influenzás vagyok, egy kis torokgyulladással megspékelve. Ráadásul előbb ki kéne szabadítani a járgányt a hó alól. Szóval nem esne jól még egy ici-pici lazítás sem a szabadban. Viszont a trafót idebent kipróbálnám, és már az is egy pozitív eredmény lenne, ha látnám, kompresszió nélkül már hajlandó "szikrázni"! Kérlek értsd meg az aggodalmamat. Kösz! Legjobban egy "móricka-kapcsolási rajznak örültem volna, miszerint: tedd a trafót a stokedlira, kösd össze így, meg így- aztán amikor bekapcsolod állj távolabb, mert különben fényes nappal is csillagokat fogsz látni. Hát, egy ilyen választ szerettem volna kapni. Tehát a stokival, meg a csillagokkal tisztában vagyok, egy kapcsolás kellene. Bocs, hogy hosszú voltam.
Sziasztok!
Régebben vettem egy belső világítás elhalványítót, de egy kicsit sokáig világított az ajtó becsukása után, ezért egy kicsit átalakítottam. Kicseréltem a kondenzátort 100µF-ról 20-µF-ra. Így sima szofita izzóval tökéletesen működött és 3-4 másodperc után le is kapcsolt. Most kicseréltem ledesre az égőt, de most még 2 perc után is világít. A kondit 3,3 µF-osra cseréltem de így sincs változás. Ezen kívül van benn még 3 ellenállás, lehet hogy ezeket is ki kellene cserélni? Vagy leddel nem is lehet ezt megcsinálni, mert azt már tapasztaltam, hogy a led nagyon érzékeny a feszültség különbségre. Köszi Üdv.: Zsolt
Szerintem a kutya ott van elásva, hogy a led lényegesen kevesebbet "fogyaszt", mint a normál izzó, így később süti ki a kondenzátort.
De tudni kéne mi van még benne, mert lehet benne olyan alkatrész ami"figyeli" az áramerősséget, és azért kapcsol ki, de a led keveset vesz fel, és ezért nem kapcsol ki
Van még benn két műanyag tokozású tranzisztor és egy fém hátoldalú TIP 44-es talán de nem biztos. Ezen kívül van benn egy dióda, kondenzátor és 3 ellenállás. De akkor szerintem maradok a sima izzónál.
Üdv itt mindenkinek!
Nem tudom valaki látott-e vagy hallott-e olyanról, hogy "részecskeszűrő emulátor"! Na én ilyet keresek! Ha valaki tudna segíteni akár kapcsolási rajzban v. komplett elektronikában az mindenképpen érdekelne!!!
Elárulod, hogy sikerült tönkretenni a részecskeszűrőt?
Megpróbálhatsz a led-el párhuzamosan bekötni egy extra ellenállást, hátha az segít kisütni a kondit (gyorsabban). Ne legyen túl kicsi, hogy működés közben ne befolyásolja a fényerőt (és hogy ne forrjon fel), de ne legyen túl nagy sem, mert akkor meg nem ér semmit. 200R(5W) és 1K között próbálkoznék valahol.
Értem, köszönöm! Majd hétvégén még próbálkozok vele.
Minek ez? Elviszed okos emberhez, kikapcsol mindent aminek köze van a részecskeszűrőhöz.
Estét Mindenkinek! Esetleg ebben tudna nekem valaki segíteni? indulás után 2-3 km-rel bim-bamol az autó és a műszerek lehervadnak kigyullad a töltésjelző az ABS lámpa valamint nem megy a klima és az index hangvisszajelzése. ABS és töltés egyébként van, más viszont nincs. Gyújtás le és ujrainditás után megint van rövid ideig minden( 1-2 perc). Ez egy 2002-es Opel Vectra. 1.8 benzin. Mi lehet ezekben a közös? Vagy merre kéne indulni a hiba keresésben? Előre is Köszönöm!
Biztos, hogy jó ötlet lekötni? Sokan nem tudják, hogy mi mindent kell még figyelembe vennie annak akinek ilyen kocsija van. Előbb vagy utóbb tele lesz a kipufogó ezen része korommal, mert a részecskeszűrő le lett kötve vagy nem rendeltetés szerűen lett használva.
Természetesen ebben benne van a fizikai eltávolítás is. Nem csak a szoftveres. Tudom sokan elitélik. Csak még ott kezdődik az újnak az ára, hogy 300.000ft, addig a 30ezres kikapcsolás a motiváló.
Talán csak kontakt hiba lehet. Minden esetre ha jó a biztosítéka, akkor csak a kijelző egységnél valószínű a hiba.
Testkábel hibát keresnék.
Így gondoltam Én is. Szerintem a klímának nincs köze hozzá, csak a tulaj félre beszélt. Köszi a Rajzokat!
Megnéztem, hogy hol a műszerfal test. Inkább ne tettem volna.... Szépen beásták Günterék. Esetleg a kilométeróra helyéről tudok majd ránézni max. Köszi a tippet.
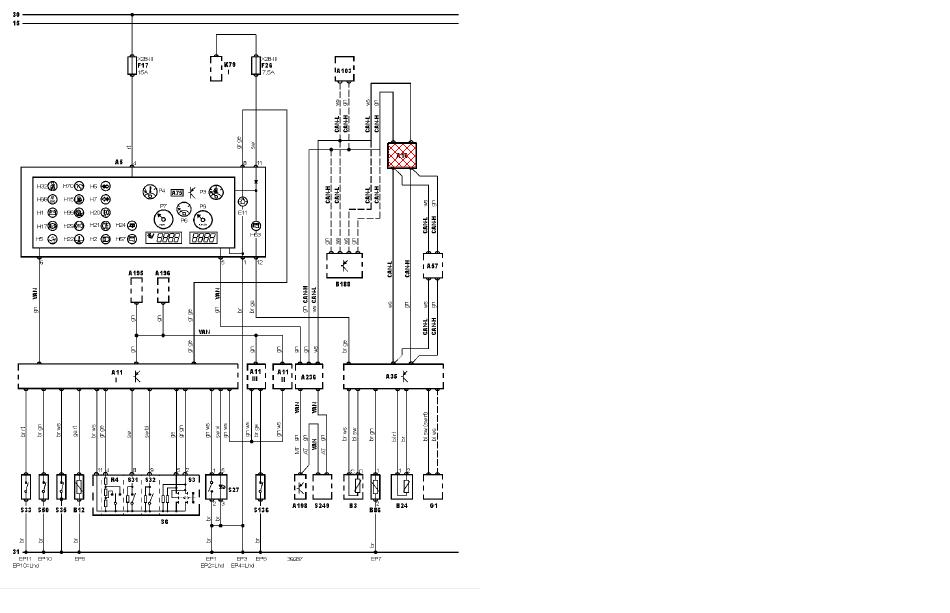
Üdv! Ma néztem a kocsit. Műszeregység tökéletesen működik. Op-com-al kivezéreltem. Viszont a kormányoszlop modul száll el 3 perc múlva... Ilyenkor be is írja hibának, hogy nincs vele kapcsolat. Tudsz segíteni, hogy hol a reléje? Vagy honnan kap tápot. Szerintem egyszerűen el tűnik a fesz, és azért száll el az egész. Köszi!!
Szia! A képen látható egységek a légkondi biztosítékáról kapnak feszültséget a felfüggesztést felügyelő modulból. Nem tudom, hogy ez ennél a kocsinál mit jelent (TCS, ABS, ASR) de az amiket leírtál hiánylatnak, mind fel van fűzve erre a vonalra. A biztosítékokat megjelöltem az ábrán. Ha nem látszódna jól (Ctrl gombot nyomva tartod a klaviatúrán és a gördítővel nagyítsd a megfelelő nagyságra).
Sziasztok!
Egyik kedves barátomnak kigyulladt a légzsákvisszajelző lámpája, ezért át szeretnénk nézni. Ehhez egy kapcsolási rajz (esetleg egy szervíz útmutató) nagy segítség lenne, ha esetleg megvan valakinek, akkor annak nagyon örülnék. Az autó: Daewoo Lanos '99 Benzin 1.5 ~64KW
Vigyétek el valakihez, és olvassa ki a hibát. Légzsák rendszerben nincs bogarászás, méregetés. próbálkozás. Egyedül gyári cuccal szabad vizsgálni!
|
Bejelentkezés
Hirdetés |








