Fórum témák
» Több friss téma |
Mielőtt kérdezel, a következő két dolgot ellenőrizd!
I. A helyes tápfeszültségek megléte.
II. A kimeneten van-e egyenfeszültség.
Élesztés.
Jelenleg csak össze vannak forrasztva az alkatrészek a levegőben lóg minden kivéve a tranzisztorokat.
És a másik gond hogy bd tranzisztorokat raktam bele viszont bétájuk egyezik.
A végtranzisztoroknak darlingtonnak kell lenniük.
Hello. Lemezlejátszó hangszórójait rákötöttem a számítógépre. Levágtam a régi csatlakozót, ráraktam egy jacket ami megy gépbe és szól, csak nem pont úgy mint a lemezlejátszón. Kb feleannyira sem. kellene valami erősítő elébe, hogy hangosabb legyen? Hifire is próbáltam rákötni, azon szépen szóltak. Régi rádióból nem lehet kiszedni valami előerősítőt, hogy ne kelljen újat csinálni ? Nincs nagyon időm rá. 4Ohm-os 6W-os hangszórókról van szó.
Küldtem privit de a .lay-t nem tudtam csatolni.
És ha BD-vel csinálok darlingtont mellékelt kép alapján
Sziasztok.
Adott egy Sansui AU-D101 tipusú erősítő. A gondja az, hogy leégett a trafó benne, de nemtudom ujra tekerni mert nincs hozzá huzalom. Találtam itthon egyet ami éppen belefért a dobozba, de csak 2*19Voltos. A gyári 2*28Voltos volt. Mit kellene változtatnom, hogy müködjön az erősitő alacsonyabb tápfeszről is? Sajnos kapcsi rajzot nemtaláltam sehol sem.
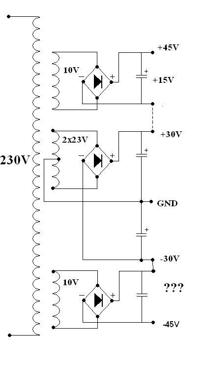
Sziasztok. Egy Darlington tranzisztorokkal működtetett végfokot akarok csinálni, amihez +-45V-ra lenne szükségem. Van egy 2x23V-os, illetve egy 10+10V os transzformátorom. Mivel nincs kedvem tekercselni, gondolkoztam, hogy ezekkel oldom meg, hogy külön egyenirányítom őket, majd sorbakötöm, így elhagyom az 50-60V-os puffer kondikat is. Mellékeltem egy ábrát az elképzelésemről, de nem tudom, hogy a táp negatív oldalához hogyan kössem hozzá az egyik 10V-os tekercsről érkező egyenfeszültséget. Ebben szeretnék segítséget kérni.
Köszönöm. A pufferkondi polaritása úgy legyen h "felfele" legyen pozitív?
Igen, ebben az elrendezésben az összes elkó +"lába" felfelé nézzen.
Szia! Lehet egy másik darlington kialakítást is használni. De után is építheted a TIP142/147-et.
Heló. Ha a 2 különböző tekercselés áramerősségben biztosítani tudja a terhelhetőséget, akkor minden további nélkűl össze lehet kötni őket. Ellenkező esetben a "gyengébbik" szekunder melegedni fog..
Heló! A legtöbb gyári erősítőben lehet változtani a primer feszültségen, 220-240-120v stb. a sansui esetében is. Próbálkozni kell más bekötéssel mint a gyári, mert sok esetben a kivezetések kombinációjával el lehet érni hogy újra működjön a trafó mert a primer tekercsek nem mindig közösek. Primerel kell sorba kötni egy izzót, és így nézd meg hogy az adott tekercs bekötésnél milyen feszt szolgáltat a trafó a szekunder oldalon. Ha nem jó a bekötés az izzó világítani fog.Egy próbát megér, hasonló módon javítottam nem rég én is egy erősítőt.
Az a baj, hogy a szekunder lett zárlatos. Letekertem már róla a vezetéket, de nincsen 0.7es itthon. Ekkora volt rajta.
Ebben az esetben akkor tényleg marad a trafó csere vagy megpróbálod a 2x19 voltról. Bár elég nagy a fesz különbség de lehet hogy működni fog, csak kevesebb teljesítmény leadására lessz képes a végfok.
Heló! Nem ajánlom a feszültség stabilizálását, ekkora feszültség különbségnél nagyon sokat fog disszipálni bármilyen stabilizálót is építessz. Inkább keress megfelelő trafót, az lessz a járható út.
Jelenleg a 2x19V-s van benne, de nem ugy szól ahogyan kellene. Teljesitmény nem érdekel annyira, mert kicsi hangszórók lesznke rá. (30Watt max) Ha letekerem a hangot akkor 1-es állásban se szól már. És elég furcsa hangja van, szagattot meg recsegős. Azért gondoltam arra, hogy átkellene számolni pár ellenállást, de nincs rajz meg semmi csak maga az erősitő. Próbáltam a nyugalmit állitani de semmire sem reagált.
Heló! A nyugalmit ne állitsd el! A recsegés az előfokból (hangszinszab.) származhat mert kevés a feszültség a benne levő áramkörök számára és így azok nem tudják rendesen "kiszolgálni" a végfokozatot. Rajz nélkűl viszont nem nagyon érdemes hozzányúlni. Esetleg képet ha tudsz feltnni róla lehet hogy többet tudunk majd mondani. :yes:
Csinálok róla képet, erre nem gondoltam, akkor megnézem a hangszinszabályzó részt és közben csinálok képeket.
Csináltam képet a hangszínszabályzóról. Ez nem kap feszültséget, hanem a végfokozat kimenete van visszakötve rá. Csatoltam pár képet, az egyiken egy Sansui AU-D22 rajza van, de ami nekem van AU-D101 ugyanígy van megoldva a hangszínszabályzó része.
Szevasztok!
Szeretnék csinálni clip jelzést az erősitőmbe, hogy tudjam, hogy meddig tekerhetem fel a hangerőt. Valami olyan érdekelne ami nem túl bonyolult, de müködik is rendesen! Egy Quad405-be kell, amit +/-45V-ról hajtok. Valakinek van ilyen rajza?
Köszönöm szépen! Ez figyeli mind két kimenetet, ugye? De akkor nem értem, hogy miért csak 1 led van? Meg a két oldal általában nem egyszerre szokott clipbe lépni.
Építheted két példányban is, akkor elég 1-1 dióda. (Mindig az utolsó rajzot számolom át az adott tápfeszültséghez, és a topológiából eredően várható maradék-feszültséghez.)
Köszönöm szépen mégegyszer! Ha megvettem a BDket hozzá össze is dobom.
Szia
Most én már hülye vagyok ehez ezért kérdezek inkább. Akkor a darlington kapcsolás nem tartalmazhat 2 ugyan olyan tranzisztort, PL. a képen jelötem npn T1 BD245 t2 szintén ezeknek a párja pnp T1 BD246 T2 szintén Vagy valamelyik tranyonak kissebnek kéne lenni pl bd140,bd139? Azért fontos mert van egy halom BD245,246,249,250 párom és bétájuk egyezik. Tudom nem egy ökör ára a tip tranyó se, 350ft darabja
Szia! A darlington állhat két azonos típusból.
|
Bejelentkezés
Hirdetés |

















