Fórum témák
» Több friss téma |
Fórum » VF2 végerősítő
Az ellenállásokat ellenőrizd le, a BD139 emitterére eljut az áram a negatív tápból. Az 1,2k a leggyanúsabb.
A fetek mérésére kapsz egy jó leírást skori honlapján
Bővebben: Ez az
Hát mivel egyszer már működött és azóta nem cseréltem ellenállást nem gondolnám, hogy a baja, de megnézem. Esetleg mit mérjek még meg?
Az ellenállás stimmel ugyan az mint a jó oldalon. Esetleg még átforrasztok minden forrszemet esetleg ha valami kontakt hiba lenne, a teljes félvezető csere előtt mást nem tudok tenni.
Én is építettem egy VF2-őt, bár én az Alkotó féle Conductoros verziót!!
Minden pöccre indult semmi gond nem volt élesztésnél, talán csak annyi hogy én nem NE5534-et raktam bele hanem OPA ic-ket, mert az NE5534-el az egyik oldalnak alig lehetett állítani a nyugalmi áramát, a poti max állásában is csak 50mA-er volt!! Kicseréltem OPA-ra, és egyből megoldódott a probléma, igaz ezt a gondot, csak egy darab NE5534-el csinálta, másikkal nem!!Gondoltam ha valaki találkozik ilyen hibával, akkor nem kell megijedni!! ![]() Nekem azóta tökéletesen üzemelnek, most kb félig vannak a trimmer potik, és a nyugalmi 85mA!!
Én OPA606-ot raktam bele anno, mondjuk nem is 2600 forintért vettem.. Nem emlékszem pontosan, de jópár OPA és valami TLE ic-k közül hallottam ezt a legjobbnak..
OPA132 jött még be más alkalmazásokban, ha jól emlékszem a conductorban annyira nem volt nyerő.
Igen, ezek igazán jó erősítők, az áruk is jelzi ezt.
Ilyenkor nem kell feltétlen IC-t cserélni. Egyes NE553x -k elég magas nyugalmi árammal dolgoznak, a végfok és az IC táp közötti ellenállásokat egyel kisebbre kell venni.
Nem szívesen reklámozom, de a texas küldte őket mintának. Tökön is lőném magam, ha ennyi pénzért meg kéne vennem ezeket.
Igen, és elég a negatív tápoldalon keresgélni.
Én OPA27GP típusú ic-ket tettem bele!!Nagyon alacsony zajú, ez van az előfokban is, amit csináltam hozzá, csak azt nem fényképeztem le!!
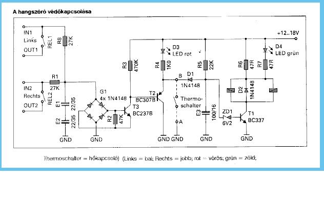
Udv!Talaltam egy ilyenfele kapcsolast.Nyaktervet majd tervezek hozza hogyha ez lenne az amihez jo az olyan bimetal.Mellekelem a rajzot.Gondolom a thermoscalter lenne az.
Helló.
Kondit kicseréltem és a negatív oldali tl431-et is, de ugyan az a helyzet. Mindkét tl431 mindhárom lába földön van. Ha kiveszem bármelyiket akkor a műveleti erősítő tápjánál 8V-ot mérek. Egyébként ha benne vannak a tl-ek akkor a műveleti erősítő minden lába is földön van. Szétnéztem és átforrasztottam mindent szépen, de semmi javulás sehol semmi égett gyanta. Az alkatrészek értékei is jók. A 100uf kondi is jó. Én már csak egyre tudok gondolni elkezdtem nézegetni az alkatrészek max feszültség értékeit minden kondi min. 50V-os a bd 80V-os 200V-os az mpsa-k, de a tl431-esek ha jól láttam maximum 36V-ot bírnak. A tápegység pedig 37V-ot ad le üresen. Esetleg ez lehet az oka? Talán a tl-ek mentek tönkre, de érdekes, hogy miért csak az egyik oldalon, vagy nagyon messze járok az igazságtól?
Üdv mindenkinek egy kis segítséget kérnék, folyamatban van a KD Mester féle VF2 mod építése és szeretném hozzá megépíteni a majki féle védelem Alkotó modját, de ez +/-40V-ra van tervezve, nekem pedig a tápom 2x46V váltóban amit ha jól számolok akkor 65V lesz egyenben, mely alkatrészeket szükséges cserélni ezen feszhez a kondik fesz értékét is beleértem ebbe, sajnos ezekben a számításokban nem nagyon vagyok otthon, aki viszont igen vagy már épített ilyen párosítást az kérem szépen hogy segítsen előre is nagyon köszönöm.
A TL431-re csak 11-15V jut normál működés közben. A negatív oldalit érdemes lesz kicserélni.
Kicseréltem, de semmi. Elég tanácstalan vagyok, az újjal is a műveleti erősítő tápja 1V körül van a zénereken sincs semmi, de nem tudom esetleg még valami ötlet?
Kérlek ne neheztelj azokért amiket írni fogok.Előre is elnézést kérek nem személyeskedés csupán egy érdekes következtetés fogalmazódott meg bennem esetleírásod alapján.
Nem értelek, van egy működő példányod és egy nem működő. tehát volna referenciád ami alapján működövé tehetnéd a nem működőt! Mi az a mit nem veszel észre? A válasz egészen egyszerű! Az internet birtokában elfelejtettél gondolkodni! Azt hiszem ez a legnagyobb baj! Látod hogy hiba van. Méred a hibát, de ahelyett, hogy a működő és a nem működő összehasonlításából megszületne a következtetés, ezáltal megértenéd a hibát azaz tanulnál belőle! Ehelyett, leírod a kérdéseket, s várod hogy mások megértsék a te méréseid alapján a problémát. Azt hiszem ez nem fog menni. Mégpedig azért mert itt a komoly választ adók pl Reloop úgy gondolja, hogy érted hogy Ö mit akar mondani! Szerintem viszont nem érted! Ez a kapcsolás a faék szintű kapcsolások egyike. Azért mondom mert én végigmentem ugyanezeken a problémákon. De nem sajnáltam rá az időt hogy a következtetést is levonjam a mérésekből, anélkül hogy tudnám miként működik a FET. Mindössze a magam számára,megtanultam, és mérésekből megértettem a dolgokat. Van mindössze pár félvezetőd ha mindet kiveszed és csak a Tl 431 köre marad benne és a trimmer tekergetésével az ic foglalaton mért tápfesznek Változnia kell! Ha ez nem történik meg akkor BD139 kimér ha jó akkor TL431 csere vagy szakadt a trimmer NINCS X-AKTA Ha valami ezt produkálja akkor szerelési de feltétlenül emberi hiba van. Továbbra is tartom, hogy kell kérdezni! De ostobaság tévelyegni amikor van referencia forrásod a másik működő egység képében! Ez a véleményem mégha a modik ki is tiltanak érte. Még egyszer elnézést.
S hogy megláttassam a jószándékom is.
A kapcsolás nem pontról pontra az ami neked van, de vedd észre hogy bármi ami zárlatot okoz még a TL431 ek előtt azt a hibát produkálja ami neked van. A szabalyos mukodes pdf csak a TL431 körének szimulációját tartalmazza. Itt hiába csináltam a BD139 nek kollektor-emitter zárlatot teszültség mindenképpen van a zenereken csak nem szabályozható Tehát a TL431-ek töl a kapcsolási rajz szerint jobbra van a Te általad és sokak által "...nem tudom állítani a nyugalmi áramot..." kezdetű hiba. Vagy az ellenállás ami korlátozza a TL431 áramát túl nagy vagy az MPSA (nálam bd139/140 pár)valamelyikének kollektor emitter zárlata. Vegyük észre hogy ez a zárlat kizárja a TL431-ek működését és kiveri a biztosítékot! Ergo minden kiforrasztandó a TL.ek körén kívül és ha ott állítható a tápfesz(mert ezt is állítjuk a trimmerrel!!!!!) akkor meg is találtuk a hibát.
Azt mondod jók az ellenállások, pedig ez az ellenállás kör nem jó!
Tehát ha csak a tl köre marad bent és úgy oké, akkor valamelyik mpsa lenne a hibás? Most még nem látom át teljesen, de valamelyik mpsa csinálhat zárlatot vagy amiatt csinálnak a fetek? Csak azért kérdezem, mert a fetek nélkül nem veri ki a biztit, de az Ugs fesz a topon van és nem lehet állítani semmit az ic feszültségén ami kb 0V. Most ki vannak szedve az mpsa-k és a bd is, de a helyzet változatlan, továbbá kiszedtem végül a tl-eket is csak utánna kár volt elindítani és úgy méregetni, mert az egyik elektrolit kondi amit már előtte cseréltem felpúposodott. Fordított polaritású 12V került rá.
![]() Az ellenálláskörnél én arra helyeseltem, hogy pontosan úgy van ahogy a beültetési rajzban. Amint lesz egy kis időm kiszedek mindent és a tl körét hagyom csak bent és onnan indulok majd el.
Üdv, mindenkinek!
Félig készen vagyok 3 csatorna Conductor végfokkal. Egyik barátomnak készül. Azt a panelt csináltam meg, amin csak a TO-220 - nak van hely. (Irf540/9540) Két kérdésem volna. Az ajánlott végfetekkel mennyire lehet őket TARTÓSAN teljes kivezérlésen járatni? Ha nem ezzel a fettel, akkor a IRF640/9640 jobban terhelhető-e? Azért esett a választásom erre a végfokra, mert nagyon olcsó és kis helyre is beépíthető.
Hosszabb ideje használom, elsősorban olyan baráti társaságos karaokepartikban ahol mikrofonba üvöltözés a vége a buliknak. ez igazi kihívás az egyébként erősítőgyilkos társaságnak.
![]() A mélyeimet hídbakapcsolt egyenként kb 60- 65w-os panelek viszik de duplafetes kivitelűek ami hídban ugye 4x-es szozó (itt a táp volt adott 2db 28,8v-ra feltekerhető 10A gyári kapcsitáp. Ez volt és ehhez készült) eddig semmi baj nem volt még vele Igy hídban irf540/9540 párral üzembiztosan szuperál Azt tapasztaltam, hogy jelentős túlvezérlést elvisel, ha a visszacsatoló ág megfelelően van kialakítva. Továbbá csináltam ebből gitárhoz és torzítóval elég jól ki lehet hajtani. Kiválóan bírja. A teszt mindig teljes kivezérlésen 50Hz színusszal műterhelésen min 2 óra ettől tartósabban szerintem már kár nyúzni.
A fetek nélkül nem is fogja kiverni a biztit.
Akkor pedig minden félvezetőt vegyél ki és csak a TL.ek maradjanak ha nem tudod állítíni a tápot akkor valamelyik rossz! Vagy olyan apró óncsepp zárlatod van, hogy ha megtalálod akkor a falba fejbeverős smilet fogod válaszként küldeni. A hibád bagatel ezt most megmondom előre borítékolva! |
Bejelentkezés
Hirdetés |













