Fórum témák
» Több friss téma |
Fórum » Hangváltók (készítése)
A mértékegységeket a mérőszámtól szóköz választja el. A személynevekből képzett mértékegységek (Volt, Ohm, Amper, stb.) nagybetűvel írandók!
Hozzám is nemrég került egy szép pár. De mit mondjak, láttam jobb félépítésűt is. Pl. magas szekción a 1 8dB okt.-os 1µF kondi & tekercs & 1µF kondi azért elgondolkoztat. És a kis tekercs is csere érett azonnal ami hozzá tartozik, mert olyan vékony huzallal van tekerve, mint a sicc és már olvadozós csévével került hozzám. Majd renova után dobozba és mérés, ismét finomítás.....
Sziasztok!
Megcsináltam a képen látható kapcsolást müködik csak 1 khz frekin van hogy legetne ezt le vinni 100hz re.
Sziasztok!
Olyan problémám lenne hogy van egy hangfal a suliba és kinlódik benne a hangváltó vagy is a mély akarja adni a magast a magas meg a mélyet át tetem a párjából és azzal jó csak egy baj van hogy 15Uf-os kondenzátor van benne és olyat nem találok hasonolít egy magas feszültségő ellenállásra Valami ilyesmi ilyet a he-n nem kapni mivel lehet helyettesíteni?? kapcsolás
15 µF az szinte biztosan túl sok. 3.3 µF az szokványosabb érték. A mély meg azért adja a magasat mert kicsi az értéke a tekercsnek. 1 mH körüli érték lenne reális.
Kicseréltem a kondit a probléma megoldódot most már olyan mint régen... köszönöm a segítséget
Sziasztok! Mivel újra itthon vagyok pár hónapig(nem börtönben voltam
) Hangfal építését tervezem!A hangváltó problémákra, beállításra lenne egy felvetésem! Két utas -ról lenne szó. A már elkészített hangládát beszerelt hangszórókkal a mély és magas hangszórókat egy aktív hangváltóról,és két erősítőről hajtva állítanám be a fülemnek ,zenémnek megfelelő hangzást. Majd a kapott kereszt frekit,és a hangszórókon mért jelszinteket realizálnám egy passzív váltóban. Szerintetek érdemes ezzel (kínlódni)foglalkozni?
Szerintem nem biztos ,hogy jó a hangszórónak az ami a fülednek is. Be kell építeni a hangszórókat a helyükre. A mélyközepet behangolni az elképzeléseknek megfelelően. Ezután le kell mérni mindegyik hangszórón az átvitelt ,és az impedancia menetet. Kapsz 4 db fájlt, két ZMA és két FRD -t. Ezekkel már szépen le lehet szimulálni az alkalmas váltót, ami a gyakorlatban is hasonlóan fog viselkedni.
Sajnos nem tudok impedancia menetet mérni.
Még az átvitelt valahogy megoldanám. Egyébkén a magas szekcióban tölcséres driver-re gondoltam, az viszonylag alacsonyra is le tud menni. Ha a driver megadott freki átvitelének alsó értékénél nagyobb a keresztezési frekvencia , talán jól érzi majd magát. Persze a mélyközepet ennek megfelelően választanék. Sajnos engem megöl a számítástechnika,ezért is gondoltam ilyen empirikus úton történő megközelítésre.
Idézet: „Sajnos engem megöl a számítástechnika,ezért is gondoltam ilyen empirikus úton történő megközelítésre.” Sajnos (vagy nem sajnos) az a helyzet, hogy tudomanyos alapok es modszerek nelkul nagyon kicsi az eselye, hogy jo hangsugarzot keszitsen az ember. Empirikus uton is lehet fejleszteni de a vegeredmeny kerdeses lesz foleg egy olyan szubjektiv teruleten mint az audio. Ezert mindenkepp erdemes tudomanyosan is (meresekkel) ellenorizni az eredmenyt es azt osszevetni a tapasztalatokkal es levonni a megfelelo kovetkezteteseket. Egy szo mint szaz szerintem baratkozz meg a szamitastechnikaval
Számítottam erre a válaszra
Próbálom pótolni a hiányosságaimat . Szép napot!
Sziasztok! Az alábbi hangsugárzó összeállításhoz szeretnék hangváltót:
FS AUDIO LW-1203 (8 ohm, 300WRMS, 96dB 1W/1m, 53Hz-4Khz, tekercs induktivitás: 1,4mH) valamint MPA PA 258 (8ohm, 200WRMS, 106dB 1W/1m, 1,6KHz-20KHz) Tudnátok esetleg ehhez mondani egy konkrét típusú hangváltót, ami nem kerül egy fél vagyonba? Esetleg ha úgy építem meg, akkor milyen keresztezési frekvenciát ajánlanátok? A magassugárzónál 3000Hz-et ajánl, úgy gondolom, hogy ez jó is lenne.
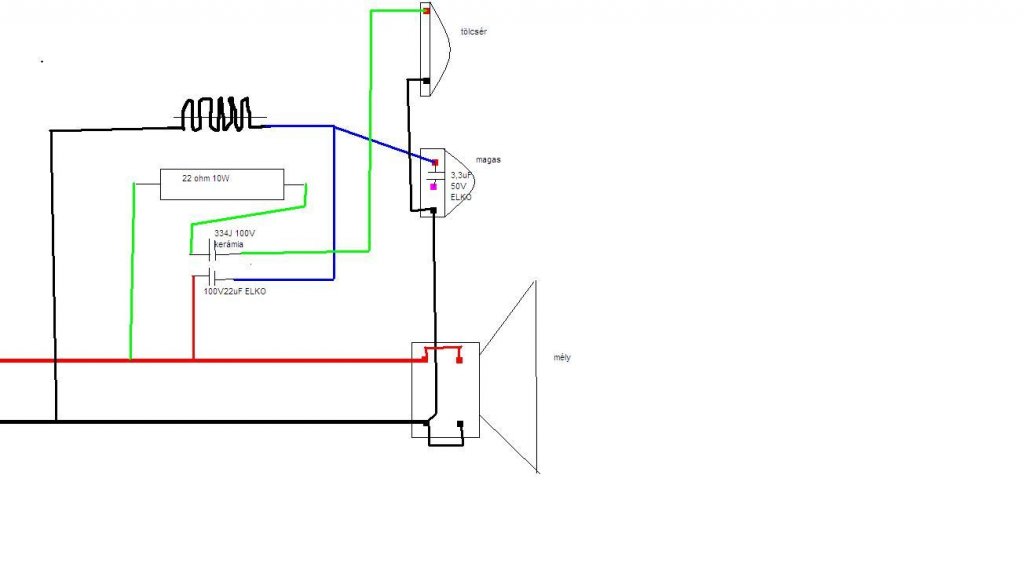
Helló. Van 2db 3 utas MNC hangfalam. A ménynek nincs hangváltója így ad mélyt de keveset. Bele szűrősik a közép és még némi magas is. A magasnak és a tölcsér hangszórónak van hangváltója. Szeretnék a mélynek is tenni még.
A mély hangszóró 250W-os mnc 8ohmos 2 tekercses. Csináltam egy rajzot hogy most mi van benne. Ez gyári kapcsolás. Kelelne egy két érték hogy a tekercset milyen induktivitásra tekerjem és hogy a kondi mekkroa legyen a mélynek.
Szia!
Biztos kerámia kondi van a magason? Amúgy így távolból megmondani nehézkes, de olyan 1,2mH körüli tekercs és 10µF kondi!
Ilyen zöld szinű kondi. Téglatest. MEgpróbálom ezekkel az adatokkal
Sziasztok,az a herdesem lenne hogyha sorosan kotunk a hangszoro bemenetere pl egy 4u7 kondit akkor csak a magas frekvenciaju hangok jutnak be a hangfalba?
Es ettol megvaltozik a hang minosege?
Szia! Igen!
Szia! A frekvencia növekedésével a kondenzátor egyre kisebb akadályt képez az áram útjában (kapacitív reaktancia). A látványos változás akkor következik be, ha a kondenzátor és a hangszóró által képviselt "ellenállás" megegyezik. Erre szokás mondani, hogy innentől vág. Ezen pont alatt a mély hangok átvitele a frekvencia csökkenésével arányosan romlik (6dB/oktáv). A feltételezésed helytálló.
A hangszóróval sorba kötött kondenzátor kellemetlen velejárója a fázistolás. Ez akkor zavaró ha a rendszer más elemei is sugároznak azon a frekvencián, melyet a kondenzátor átenged. Kioltások, összegződések jöhetnek létre. Ezért kell a hangváltó méretezésénél körültekintően eljárni. A kísérletet magad is elvégezheted. A kondenzátorral szembeni követelmény, hogy ne legyen polaritás függő, tehát egy sima elkó nem fogja hosszú távon elviselni.
Egyebkent az elko egy sima 100v 10uf tipus.
egy 8 ohmos 180w hangszorom van ami normalisan kapja a hangjelet es meg van ket 40w 4ohm amejet sorba vannak kotve es betettem egy 13ohmos ellenallast hogy ne legyen eppen 4 ohn az impedancia igy lett 6.5kb,a kondi a ket 40w koze kerult,egyebkent eleg jol szol a basszusokat nem adja ki jol es ez volt a celom. Es hogyha egy polaritasfuggo elkot teszek be nijen lessz a valtozas? Ja es nem nagyon vagom ezt a faziseltolast valaki elmondani hogy mi is ez?
Ha mindenképp elkot akarsz vagy tudsz használni, akkor kettőt köss sorba, de úgy, hogy a kér pozitív fele legyen szembe egymással. Ezt szokták használni, mert ugye az elko nem annyira szereti a fordított polaritású feszültséget.
Kosz a segitsegeteket kiprobalom,de meg mindig nem tudom hogy mi az a faziseltolas?
A hangszóró membrán elmozdulása és az erősítőből érkező vezérlő jel nincs egymással szinkronban. Az eltolódás mértéke ráadásul frekvencia-függő.
Most vilagosabb.
Es meg egy ojan kerdesem lenne hogy a szurok hasznalatakor nem lessz kisebb a kimeno teljesitmeny?
Mert latom hogy az induktivittas parhuzamosan van a hangfallal ez mijatt nem lessz kisseb a kimeno teljesitmeny?
A (passzív) szűrő alkalmazása természetesen veszteséggel jár. Ezért is fontos a gondos méretezés.
A hangszóróval párhuzamosan kötött tekercs a szűrés meredekségét növeli (12dB/oktáv). (Ha az "új kérdés felvetése" gomb helyett a hozzászólás fejlécének "válasz" gombját használod, akkor egyértelműbb kinek szánod a mondanivalódat. Az ide látogató fórumozók szívesen fogadnák, ha jobban ügyelnél a helyesírásra!)
bocsi a helyesiras miatt de az a hejzet hogy a billentyuzeten mar levastak a betuk es eggyes betuket neha eltevesztek es egyebkent sem voltam jo helyesirasbol.
Mondjuk nem lehetne e a tekercs helyett elenallast betenni?
Egész egyszerűen Nem lehet cserélni egy tekercset ellenállásra, hisz más az ellenállás funkciója!
|
Bejelentkezés
Hirdetés |






) Hangfal építését tervezem!





