Fórum témák
» Több friss téma |
Üdv!
Szerintem is a legolcsóbb egy hőszenzor és egy mikrovezérlő összekapcsolása lenne. Az a Conrad-os modul nagyon drága! Javaslatom: TC1047 + PIC12F675 + MAX3232. Külön tápegység se kellene neki, mert le lehetne lopni a soros portról a működéshez szükséges 3.3V-ot. Az egész kijönne maximum 2000Ft-ból, de lehet, hogy még sokat is mondtam.
ez nagyon jól hangzik és egyszerűnek is tűnik.
kapcsolási rajzot tudsz esetleg adni?
Mielőtt belekezdünk, azért tisztázni kell, hogy minek a hőmérsékletét és milyen méréshatárok között akarod mérni. És hogy milyen viszonyban vagy az SMD alkatrészekkel. Ez a TC1047AVNBTR csak SOT-23 tokozásban létezik és csak -40°C és +125°C között képes mérni. Ha ennél több kell, akkor platina érzékelőt (pl. PT100) kell használni, ami azért más tészta és bonyolultabb áramkör is kell hozzá.
szobahőmérséklet méréséhez kell egyenlőre, tehát semmi extra.
a mérés ennél a megoldásnál, feszültségváltozás figyelésén alapszik?
meg is találtam az érzékelőt. TC1047
azt írják, hogy feszültségszintet változtat, tehát teljesen kiválthatja a conrados elektronikát. nem vagyok járatos PIC témában. programozni kell az általad javasolt típust, vagy ez gyárilag erre a célra lett kitalálva?
Igen! Ezt a szenzort nagyon könnyű illeszteni a mikrovezérlő ADC bemenetéhez. Microchip-nél okosak voltak és megemelték a kimeneti feszültséget 500mV-al, így a negatív tartományban sem kell negatív feszültséget mérni.
-40°C -> 0.1V 0°C -> 0.5V 125°C -> 1.75V Adatlap: Bővebben: Link
Minden PIC-et programozni kell. Ha a PC-n futó programot magad akarod megírni, akkor esetleg egy digitális szenzor is jó lehetne I2C vagy SPI interfésszel. Programból megoldható, hogy soros porton keresztül kiolvasható legyen.
pc programmal elboldogulok. más eszközök rs232 kommunikációjával nincs is gondom.
ennek az áramkörnek a megépítéséhez tudnál rajzot adni, ill tanácsot, hogy mivel is lássak neki a PIC programozásának? úgy láttam, hogy létezik micropascal nyelven fordító hozzá. pascalban járatos voltam régen, talán azzal könnyebben átlátom. első programozott áramköröm lenne
Esetleg BASIC? Abban tudok segíteni, a pascal-t nem szerettem régen sem...
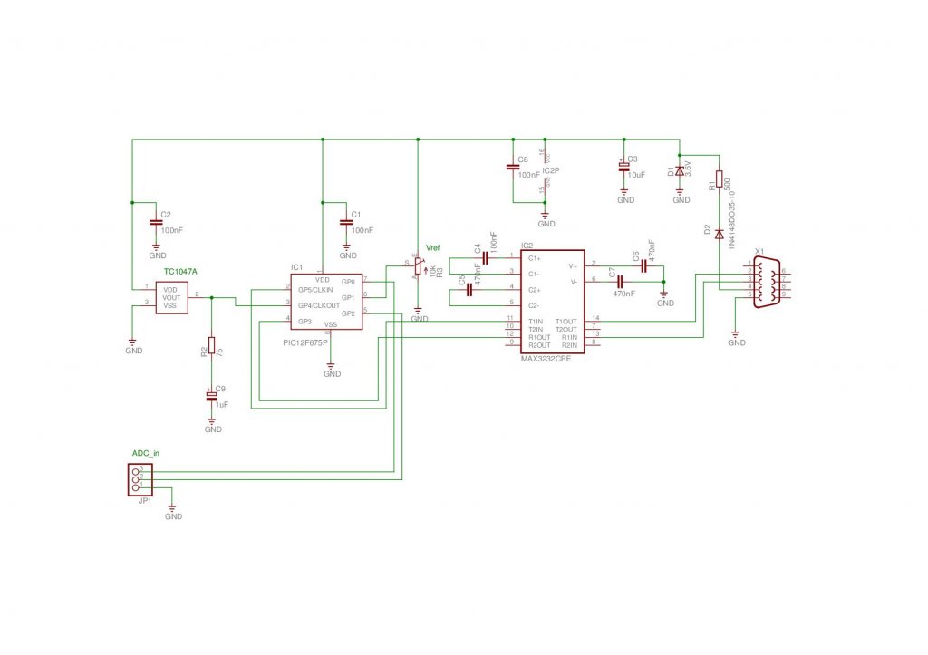
![]() A kapcsolást készítem...
Valami ilyesmi. Remélem nem kötöttem el semmit. A táp részét, csak hasra ütéses módszerrel találtam ki, ha nem tetszik, akkor D1, D2, R1 nem kell és bekötsz oda +5V-ot... De majd a többiek is megnézik.
köszönöm!
beletelik kb 2 hétbe mire minden alkatrészt beszerzek és nekiláthatok a programozásnak egy próbapanelen. zaklathatlak privátban a kérdéseimmel?
Ehhez egy analóg digitál átalakító is kéne, mert analóg feszültségkimenete van... esetleg egy DS1820 vagy hasonló hőszenzort tudhatsz a legkönnyebben felhasználni, ugyanis azoknak a kimenete eleve digitális, és állítólag elég pontos típus is létezik köztük...
Sziasztok!
Tanácstalan vagyok, hogyan lehetne megoldani nagy mennyiségű mérési adat megjelenítését PC-n grafikon formájában. Az adatgyűjtést kontroller végzi. Valami olyan megoldást kellene találnom, ami nem igényel komoly felhasználói ténykedést, szóval az excel nem a legjobb, de akkor mit lehetne használni? Gondolkodtam azon, hogy a kontroller eleve BMP-t generálna, de úgy meg óriási képek keletkeznének. Egyéb ötlet?
Jó néhány éve sikerült meglátogatnom egy izraeli gyógyszergyár laborját. Adatgyűjtéshez ők is az Excelt használják. Valószínű, hogy az adatbevitelt a Visual Basicban programozták le.
A hozzászólás módosítva: Nov 1, 2013
Esetleg lehet ám arra a PC-re programot is írni, és azt futtatni... Annyira nem komoly felhasználói ténykedés egy ikonra rákattintani, és a PC kicsit combosabb.
Az Access is tud grafikont. Azt is nézted? Gondolom a túl sok felhasználói aktivitás alatt azt értetted, hogy mindig hozzá kell igazítani a grafikon bemeneti tartományát az éppen aktuális adatokhoz. Nem vagyok nagy access guru, egy korábbi projektemhez* kellett volna, de még a grafikonig el sem jutottam, mert ment a levesbe. Viszont úgy emlékszem, hogy választó lekérdezésből tudsz grafikont csinálni. Ráadásul elég jól programozható, grafikus felületet is tudsz csinálni, ezáltal úgy tud kinézni, mint egy valódi program, főleg ha "runtime" módban vagy verzióban futtatod. Van olyan DLL fájl, amivel el tudod érni a soros portot is, így végül mindent egy helyen meg tudsz csinálni, minimális fejlesztéssel.
* Ez a project soros porton érkező adatokat tárolt és dolgozott volna fel, tehát a Te esetedhez kísértetiesen hasonló. A hozzászólás módosítva: Nov 1, 2013
Sok helyen láttam én is excel-es megoldást, azért gondoltam rá először, de az access-ben tényleg van fantázia (lekérdezések, kimutatások stb.), ki is fogom próbálni. Természetesen a legelegánsabb lenne saját progit írni hozzá, de most gyorsan szerettem volna látható eredményt.
Nagyon sok mindent meg lehet csinálni Access-ben, csak nem olyan elegáns, mint ha saját progit írsz rá. Viszont gyorsabb, már ha ismered a VB-t. Nekem ott bukott el a dolog, hogy soha nem programoztam vizuális nyelven, és fogalmam sem volt, hogy tudok pl egy lenyíló listát vagy rádiógombokat kezelni, stb. Keress rá az "Access Programozás"-ra.
A hozzászólás módosítva: Nov 1, 2013
No, szóval most vált ismét aktuálissá az adatgyűjtési project...
A korábban leírtak alapján beszereztem egy Omega gyártmányú IDRN-ST jelkondícionáló cuccost a mV jelek erősítésére, amivel működött is szépen a dolog. A probléma, hogy az említett kütyü 8 "olvasást" végez másodpercenként, ami roppant kevés. Legalább 20 de inkább több konverzióra lenne szükségem másodpercenként. Azt gondoltam, hogy ezek az analóg erősítő áramkörök folyamatos konverziót biztosítanak, de rá kellett jönnöm, hogy ez nem igaz. Az erősítők milyen paramétere adja meg az egység sebességét? (Sensitivity, Response time, Frequency, stb...) Mert minden egységnél más-más "feature"-ök vannak. Mit ajánlanátok, ha a feladat egy mV jel (0..30 mV) erősítése 0..10V tartományba. A jeladaó Load Cell (strain gage) és az adatgyűjtő (USB 4711A) közé kellene valami... Előrei is köszi...
Analóg jelekből úgy lehet adatokat gyűjteni, hogy átalakítod egy A/D áramkörrel. Ennek a sebessége határozza meg a gyűjthető adatok sebességét, mennyiségét.
Nézz körül az Analog Devices oldalán, számos AD -t fogsz találni. Semilyen adatgyűjtő nem végez folyamatos átalakítást, hiszen az analóg jeleket digitálissá kell alakítani, amit aztán gyűjthetsz, rendezhetsz, feldolgozhatod. Biztos léteznek a piacon gyorsabb eszközök is, ez általában csak pénzkérdés. Olyat kell választani, ami kielégíti az igényeidet. A hozzászólás módosítva: Nov 16, 2013
Egy kis segítség
Bővebben: Link
Köszi.
Nem az adatgyűjtővel van problémám. Az elég gyors. A szoftverből olvasom az adatokat és dolgozom fel. Viszont az adatgyűjtő modul előtti erősítő muzsikál gyengén. Ennek a feladata lenne a terhelésmérőtől (Load Cell) érkező mV jeleket felerősíteni V nagyságú jellé. 8 olvasást/átalakítást végez mp-ként. Nekem min. 20 mintavét kellene mp.-ként és úgy tűnik az erősítőnél bukik meg a mutatvány. Létezik olyan erősítő, ami a bemenetén jelentkező értéket azonnal, analóg módon adja ki a kimeneten? Nem ismerem az erősítő áramkörök működési elvét, lehet, hogy nem is lehetséges folyamatos erősítés, de a 8 olvasásnál azért több kellene... Köszi.
Minden analóg erősítő kimenete "fénysebességgel" követi a bemenet változását. De még a digitális erősítők, bufferek késleltetése is sokkal gyorsabb annál, mint amire szükséged lenne.
Ez az "olvasás" dolog, ez a mintavétel, vagy a konverzió sebessége, Ez bizony lehet lassú is, viszonylag gyors is, eléggé pénzkérdés. A hozzászólás módosítva: Nov 17, 2013
Akkor nem jó erősítőt vettél. Egy normális erősítő tudja azt, amit várnál. Ugyanakkor azt is gondolom, hogy az "építkezzünk dobozokból" itt nem biztos, hogy kifizetődő hozzáállás (erősítődobozkát keresünk az adatgyűjtő-dobozka elé).
Sziasztok!
Megakadtam egy ponton és nem bírok tovább lépni. Annak megválaszolásában kérném a segítségeteket, hogy alapvetően téves-e az elképzelés, vagy más lehet a probléma (pl. ismeretek hiánya ).Először is a probléma nagyvonalakban: a cél az, hogy egy LTC1859-es programozható 16 bites AD konverter adatai SPI-n keresztül a PC-be kerüljenek USB port segítségével. Első közelítésben arra gondoltam, hogy ez az MCP2210 SPI/USB konverterrel ez meg is oldható úgy, hogy nem kell mikrokontrollerrel bíbelődni. A dolog egész jól indult, ugyanis elkészült egy eszköz (lényegében ezt, csak nincs benne az EEPROM), ami valóban képes képes arra, hogy az A/D adatait beolvassa, egyedül a sebesség az, ami gondot okoz: másodpercenként kb. 10 adat jut el a PC-hez, pedig nekem legalább 4000 minta/s kéne. Láttok erre esélyt PIC nélkül? A program, ami a PC-n fogadja az MCP2210-ról érkező adatokat az MCP2210 SPI Terminal nevű program módosítása fogadja. Az általam eszközölt módosítás annyi, hogy a Button_TxferSPIData_Click eljárásban az MCP-t konfiguráló utasításokat elkülönítettem az I/O lekérdező utasítástól, amit (UsbSpi.Functions.TxferSpiData) pedig egy 100-ig számláló for ciklusba raktam Azt is nagyon megköszönném, ha valaki tudna olyan linket adni, ahol találok valami segítséget (pl. már működő hasonló eszköz, dokumentáció arról, miért nem sikerülhet stb). Üdvözlettel: én |
Bejelentkezés
Hirdetés |











