Fórum témák
» Több friss téma |
Fórum » Kapcsolási rajzot keresek
Témaindító: Kallai Csaba, idő: Márc 11, 2006
Témakörök:
Ez ugyanúgy lassan kezd majd parázslani 9V környékétől.
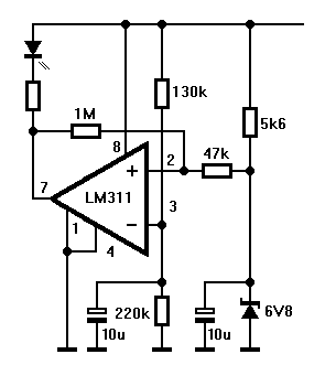
Itt egy komparátor áramkör, a 130k-220k osztóval beállítható mV pontossággal a 12V-nál teljes fényerővel induló LED. Tehetsz ide egy 100..330k-s trimmer potit is a beállításhoz, úgy hogy a csúszka legyen a bemenetre kötve.
Kaptam egy pont-mátrix kijelzőt az egyik kollégámtól: 16 sor és 64 oszlop. Komoly vezérlő panel is van rajta, Micro Syst(em?) gyártmány. Bekapcsoláskor kiírja a kommunikációs sebességet ( 19200 Bd), a 8 adatbites, 1 paritásbites és 1 stopbites üzemmódot. Sajnos a csatlakozó le volt róla vágva és kissé sérült a panel is ( bontóban találta a kolléga és megvette nekem "tömegáron" ), de bízom benne, hátha működőképes az agy is, nem csak a kijelző! Mellékelek néhány képet, hátha felismeri valaki és esetleg van hozzá dokumentációja is!
Előre is köszönöm a segítséget! Steve
Sziasztok egy Daewoo TV 21CK1TK kellene kapcsolási rajz ha tudna valaki segíteni jó volna.
Mert nem boldogulok rajz nélkül. Előre is köszönöm
sziasztok. szükségem volna a képen láthato inverter .kapcs rajzára. aki tud kérem szépen segitsen. art.7451.1
Sziasztok!
Van egy jó kis 450W-os számitógéptápom és szeretném feléleszteni! A probléma az hogy a táp maga nem kapcsol be! Csak standby módban van! Megvan a standby 5-volt is! Sok tápot csináltam már és volt olyan amelyik ugyanezzel a problémával került hozzám, és mindegyikben az ic ami inditja a tápot (KA7500B) volt a ludas! Ebben viszont egy SDC2005b-van és most is erre az ic re gyanakszom, viszont ilyenem nincs és nem is nagyon tudok venni sehol! Szóval a lényeg, ennek az ic-nek a bekötési rajzára lenne szükségem hátha rajz alapján helyettesiteni tudom valamivel! Ha valakinek van ehez az ic-hez rajz azt nagyon meköszönném!
Az elöbbihez: vagy magának a tápnak a rajza is nagyon jó lenne! Gembird CCC-PSU3 400W
Az AT2005B ugyanaz más gyártóról
Itt sok táprajzot találsz, válogass közülük......
http://www.4shared.com/folder/kUvzUtv7/KA7500__TL494.html
Szia!
Az NTC-t úgy kérdeztem, hogy még sosem vettem, és ugye változó az ellenállása, ezért nem tudom, hogy milyet kell venni. Olyat ami 25°C-on 10k ohm? Hogy kell átszámolni mondjuk, ha csak 0-5°C-ig akarnám tartani a hőmérsékletet? Hogy kéne átalakítani a kapcsolást ahhoz, hogy csak termosztátként működjön? Ha a TIME LED, és amik alatta vannak kimaradnak a rajzból, úgy jó? Ennek így nincs hiszterézise?
Sziasztok! Keresnék egy tesla gz 711 kapcsolási rajzot és egy Hauser c912 kapcsolási rajz kellene nekem előre is köszönöm.
Helló
Már vagy egy hete túrom a különböző témákat de sehol nem találtam még ilyen 4017-el készült kapcsolást. Aki tudja hogyan építhető után a videóban szereplő geiger számláló ledes része az kérem segítsen. Bővebben: Link
Köszönöm a segítséget és a linket.
Engem pont az a része érdekelne amelyik a ledes számlálót hajtja( a kék led minden beütésre villan, a fehér minden 5.-re, a piros minden 10.-re) Ha valakinek van rá ötlete, írjon. Bővebben: Link
Immergas Nike Star 24kw-os gázkazánhoz keresek kapcsolási rajzot.
Üdv egy termoreg-p1 kapcsolási rajára lenne szükségem mivel az eleme meghalt és elvit pár vezető sávot is
sajna
Üdvözletem! Nagyon nagy szükségem lenne egy MacAudio Mx 2000-es 2 csatornás autóerősítő kapcsolási, vagy beültetési rajzára értékekkel. Az elektrotanyán fenn van, csak én nem vagyok ott felhasználó, így nem tudom letölteni. Tulajdonképp oda egy meghívó is jó lenne, aztán majd intézem. Előre is köszönöm!
Örök hálám a gyorsaságért, és a segítségért !!!!
Nagyon köszönöm !!!
Üdv! Kiindulópontnak szerintem tökéletes, a többi led-et egyszerűen kihagyod...
Bővebben: Link[/url]http://www.delabs-circuits.com/cirdir/theory/gates/doc00020.html
Sziasztok az a problémám.hogy egy unilog 2000-es müanyag ipari gépet javitok.szükségem lenne a kapcsolási rajzára havalaki tudna segiteni nagyon meg köszönném.levin
Üdv.mindenkinek !
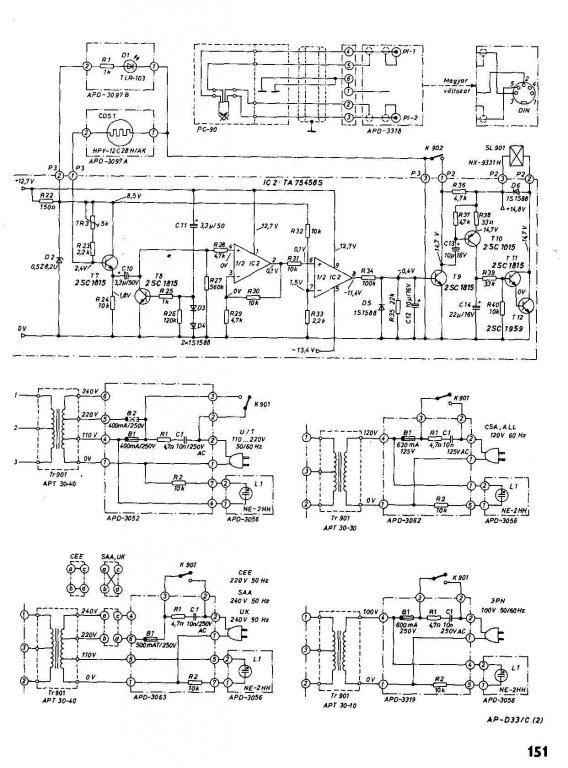
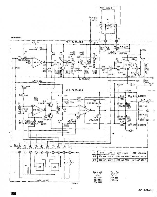
Segítséget szeretnék kérni egy lemezjátszó javításával kapcsolatban. A típusa akai ap q 310. Ez a Videoton nagy tornyának a lemezjátszója volt annó. Egy kapcsolási rajzra lenne szükségem. Ha valaki tudna küldeni egyet nagy segítségemre lenne. Köszönöm.
Szia!
Az én doksimban AKAI AP D33C-nek írták a nagy torony lemezjátszóját, remélem jó lesz... Steve
Szia!
Köszönöm a rajzokat, az elektronikájuk lehet, hogy ugyan az. Mégegyszer köszi. Tamás.
Üdv Mindenkinek!
Keresem a Stalker XX kapcsolási rajzát. Ha valaki tudna, kérem segítsen. Köszönet előre is.
Az M59371 tip led meghajtó ic adatlapját, kapcsolási arjzát, bekötését keresem, tudna valaki segíteni? Tudom a gugli a barátom, már két napja keresem.
A Stalker IX lényegileg ugyanaz, csak a XX-nak saját tápja, egy elég vacak SWR-mérője, és programozható órája van. A IX kapcs.rajza az RTÉK 1983. 230-231. oldalán van. Talán még letölthető:Bővebben: Link
Sajnos, úgy tűnik, a mappák megvannak, de üresek.
|
Bejelentkezés
Hirdetés |










sajna 






