Fórum témák
» Több friss téma |
Fórum » PC táp átalakítás
Hát sajnálom az ismételt halált. Terhelted, amikor elszállt?
A holtidőt be kéne lőni a TL494 -nél, esetleg egymásra nyithattak a tranzisztorok. Vagy amire még tudok gondolni: Szekunder oldali diódák nem bírták az igénybevételt (feszültséget vagy áramot, inkább záró irányú feszt.)
Terhelés nélkül szállt el, szimplán a fesz emeléstől.
Szerintem egy ősrégi koncepció . Más táppal átalakítás során ilyen gond gondom sohasem volt. A diódák 20A40V-osak voltak. A holtidőt hogyan lehet belőni? Köszi
TL494 adatlapjában a válasz a kérdésedre. (4-es lábra minél nagyobb feszt. adsz, annál nagyobb a holtidő)
Viszont neked a diódák nem bírták a kiképzést! Ez szinte biztos.
Sziasztok!
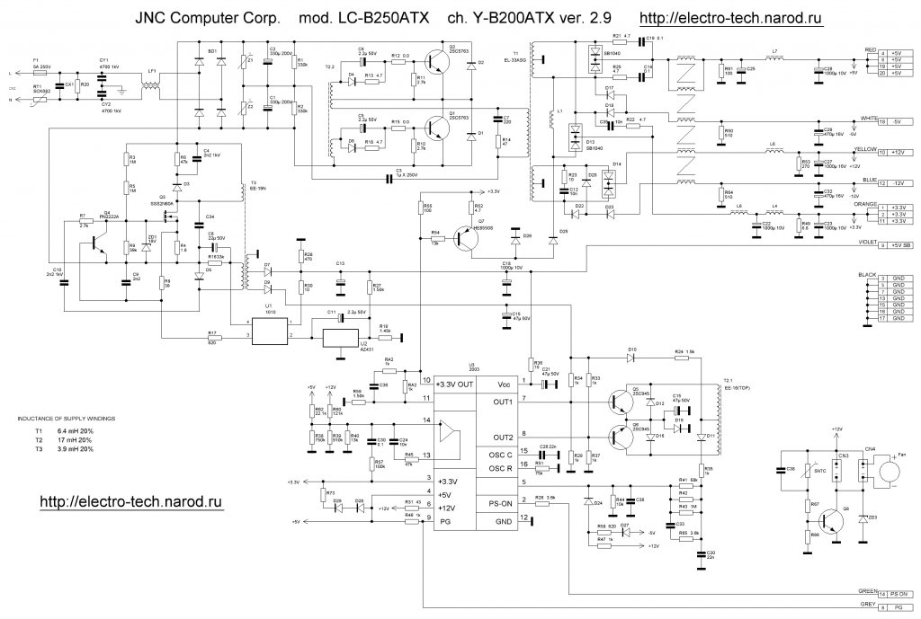
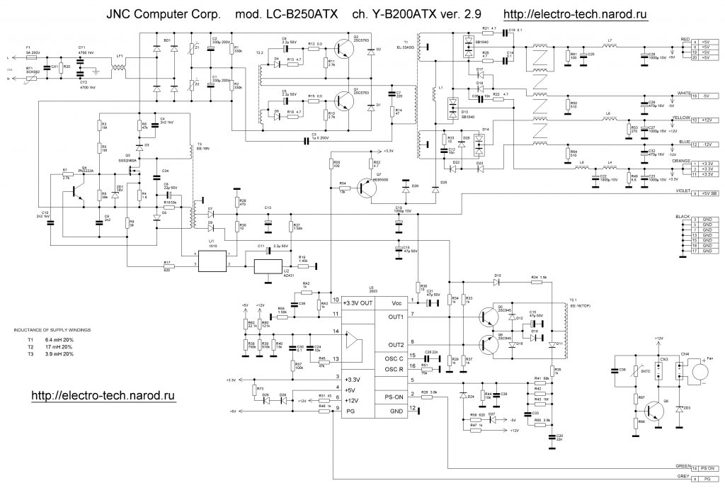
Gondoltam közkincsé teszem a mellékelt rajzot (IC2003 alapú tápegységhez), hátha valakinek szüksége lenne rá, javításhoz. Egyébként ezt át lehet alakítani akkutöltőnek, mert nekem nem sikerült. Megjavítottam egy ilyen tápot, sikerült is a fesz állítás, de 14,1V felett tilt az IC, ugyanis figyeli az egyes tápágakat. Gondoltam elég lesz 13,9V is számomra, de amint terhelem a 13,9V az IC növeli az 5V os oldalt is(kitöltési tényezővel) és a védelem ekkor is közbeszól. Kikötni nem lehet a védelmet, mert alulfeszültség védelme is van. Azt találtam ki, hogy az egyes tápágakról jövő vezetősávokat elvágom, és teszek be egy-egy ellenállást, hogy az IC rosszul érzékelje a feszültséget. Sajna nem jött be, mert az 5v részre hibába teszek ellenállást úgy is 6,5V megy az ic ezen lábára, utánna pedig tilt. Valakinek van ötlete, vagy hagyjam az egészet?
Az 1. melléklet átalakítása érdekelne. Bocsi lemaradt!
A diódákat kimértem és nem szálltak el
. Kiderítettem az okot, gerjedés miatt összenyitottak a tranzisztorok és paff ... Nem véletlen hogy senki nem ajánlja hogy kábellel vezessük ki a potit, ráadásul még a panel simán az asztalon volt, földelés/árnyékolás nélkül. Elképzelhető hogy megjavítom ismét, de ha lehet akkor átalakítanám a 2003 ic-s tápom, mert az jó. Töltő lenne belőle. Köszönöm válaszaitokat!
Átméretezettek lettek a rajzok, nem sok minden látszik...
Üdv Inhouse
Bocsi, megpróbálom átkonvertálva jpegbe.
Csak egy tipp...ha az 5V-os kimenet figyelése 5V-ot igényel, hát adj neki stabil 5V-ot!
Persze lekötés után...meg a többinek is, ami kell. Üdv Inhouse
Én diódával verem át, de lehet hogy a 3.3voltos ágat is kell meg van a 2005-ös ic-nél olyan is hogy a -12voltot is ...
Nem biztos, hogy kell stab ic sem, bár abból is van negatívra is...lehet, hogy zener is elég...
Üdv Inhouse
Szerintem már volt itt a HE-n is linkelve...sőt anno szerintem én le is mentettem, hogy hátha megszűnik az oldal...
Használd egészséggel! Üdv Inhouse
Megpróbáltam soros ellenállással, de sajna az 5v részen hasztalan, akármilyen ellenállást teszek be mindig túl megy a fesz és tilt. Elképzelhető hogy az ic nem terheli az 5voltot és nem folyik áram?
Egyébként ez a 2003 ic szinte mindent kibír, már vagy 20 féle variációt próbáltam, de a védelem mindig közbelép. Eredeti állapotba a táp indul. Zénerrel vagy feszstabbal az a gondom, hogy nincs jelenleg itthon. Máshogyan meglehet oldani?
Ha az ic nem terheli be, terheld be te! Csinálj feszosztót. Hátránya hogy csak bizonyos tartományon működik, előnye hogy nem kell hozzá zener vagy stab.
Ellenállás nem stabilizál...
Stabil feszültséget vár, azt kell kapjon. Nem kell mindet külön, gondolom nincs nagy terhelés a figyelő bemeneteken...kell egy a +5V-ra és abból már lehet ellenállásos feszültségosztóval 3,3V-ot csinálni. A mínusznál meg egy -12V stab, aztán abból ellenállásos feszosztó a -5V-nak...a +12V meg egy átalakított ellenállás feszosztóval, hogy emelt feszültség legyen, gondolom, ahogy kezdted... Üdv Inhouse
Nagyon jót ötletet adtatok!
Amúgy teszteltem az ic-t 13,7v on. Nem kell neki stabilizált figyelt feszültség, hiszen maga az ic is stabilizálja a kimenő feszt. A kapcsolási rajzot átnéztem , amit az előbb linkeltem és azon az ic komparátorára rámegy a +5v és a +12v is egy-egy feszosztó segítségével és ennek a közös pontja szerint végzi az ic a kitöltési tényező megfelelő szintre állítását. Emiatt nagyjából stabil a kimenő fesz. Esetemben a maximum 13,7V. Ja és a 2003IC nem figyel negatív tápot. Sorrendben az alábbiakat "nézi": +3,3V,+5V,+12V (ezeknél van egy alsó és egy felső küszöb is) Jó lesz ha az egyes ágakhoz beteszek egy-egy osztót, ugyanis a kimenőfeszültséget nem akarom állítani. Ez fixes lesz. Nagyon Köszönöm a Segítséget! Nekiesek Ismét. Idézet: „Nem véletlen hogy senki nem ajánlja hogy kábellel vezessük ki a potit, ráadásul még a panel simán az asztalon volt, földelés/árnyékolás nélkül.” Mi mással vezeted ki fénnyel vagy rádión? Annak az asztalon, földelés nélkül is működni kell még akkor is, ha 20cm-es kábelen lóg a poti. Ha eljössz, meg is mutatom
Értem, de akkor miért tapasztalom hogyha hosszú kábellel vezetem ki a potit az asztalon akkor ciripel a táp miközben működik, illetve ha hozzányúlok a potihoz akkor a ciripelés sokkal hangosabb??
Az ellenállásosztó felső tagjáról beszélek most, ami az 5v ra ment, de én áttettem a 12V-ra. Az a táp ezután szállt el. Előtte ok volt. (tl494 ic volt benne) Üdv!
NOS Meglett a megoldás!
Az 2003ic 5V-ot figyelő pinre(4) menő vezetősávot elvágtam és átkötöttem az 2003ic VCC pinjére (1). Ekkor az IC stabil 5v kap mindkét említett pinjére. A többi feszültségeket (+3,3V,+12V) Egy-Egy soros 1k ellenállást iktattam be. Így már megtudtam emelni a feszt a kívánt 14,4V ra, vagy akár 16V ig is. Ha valakinek szabályozható táp kellene, akkor viszont járható út az is amit az előbb Inhouse és Mugab kolléga írt le. Vagyis csinálunk egy +12V stabil feszt, és abból osszuk le az egyes ágankénti feszültségeket. Ennél a megoldásnál az a gond, hogy a minimumfeszültség olyan 9V körüli a maximum pedig amit a táp tud, kb +25V. Amiatt van ez, mert a 2003IC alulfeszültség ellen is véd, és 9V alatt lekapcsol. Alternatív megoldás lehet, hogy a 230V-ból csinálunk állandó +12V -t külön és azt osszuk az ic-nek, így a stab fesz nem változik, mert nem a főtápról megy, amit az ic vezérel. Nagyon Köszönöm a Jó Ötleteket!
Ja, persze, mivel segédtápos, van stabil +5V, ügyesen csináltad.
Teljesen felesleges 12V-os stab, hiszen stab 5V, 3,3V kell, az meg a segédtápból vígan meg van. Üdv Inhouse
Sziasztok!
A kérdésem az lenne, hogy a mellékelt kép szerinti PC táp átalakítás életképes lenne -e. A TR2- ről 27V van, amiből 12V lesz, arra gondoltam, hogy a bekeretezett részt újra megépíteni és a TR2 27V -ját ugyanúgy megcsinálná a táp 12V -ra de az IC meg minden egyéb nélkül. Üdv.: Petya Idézet: „Mi mással vezeted ki fénnyel vagy rádión? Annak az asztalon, földelés nélkül is működni kell még akkor is, ha 20cm-es kábelen lóg a poti.” A potit fixen rögzíted a panelon valamilyen módon, pl. vaslemez derékszög, majd hosszú műanyag szárral mozgatod kívülről. Több TV-ben, monitorban is van hasonló. Elhiszem, hogy működik neked, de kockázatos dolog. A szkóp mérőcsúcsának érintésére képesek durranni a végtranzisztorok. Mint a kolléga is írja, mindenféle zavart összeszed. Biztos, ami árnyékolt, rövid és-vagy nem jön ki a dobozból. Nem is beszélve a kihozott zavarokról.
Bocsánat nem vettem észre.
Túl nagy volt a felbontás, 5228x3474 pixel. Üdv.: Petya
Feltöltök hozzá még egy képet.
Üdv.: Petya
Esetleg az alkatrészoldalt is megosztanád velünk?
Természetesen megosztom azt is.
Üdv.: Petya
Sziasztok!
Próbáltam megcsinálni az amarton féle cikk alapján az áramszabályozást tl494 pc táppal. Sajnos elakadtam nem akar működni. Próbálta már valaki ezt: Bővebben: Link A gondom, hogy a műveleti erősítő nem jól működik, a söntön eső feszültséget nem erősíti. Ha a tl bemeneti pinje szabadon van, akkor 0,6V mérek a tl kimeneti pinjén, ha bekötöm a sönt másik felére a tl bemenetét(kimeneti gnd-re) akkor is 0,6V van a tl kimenetén. Ha terhelem a söntöt a 0,6V esik 0,1-0V ra terhelés alatt pedig nőnie kellene. A lényeg, valaki próbálta már közületek és működik ez a megoldás, vagy nézzek másik megoldás után?? |
Bejelentkezés
Hirdetés |




. 














